SBAS809A February 2017 – March 2017 ADC32RF44
PRODUCTION DATA.
The ADC32RF44 is a dual, 14-bit, 2.6-GSPS, analog-to-digital converter (ADC) followed by a multi-band digital down-converter (DDC) that can be bypassed, and a back-end JESD204B digital interface.
The ADCs are preceded by an input buffer and on-chip termination to provide a uniform input impedance over a large input frequency range. Furthermore, an internal differential clamping circuit provides first-level protection against overvoltage conditions. Each ADC channel is internally interleaved four times and equipped with background, analog and digital, and interleaving correction.
The on-chip DDC enables single- or dual-band internal processing to pre-select and filter smaller bands of interest and also reduces the digital output data traffic. Each DDC is equipped with up to three independent,
16-bit numerically-controlled oscillators (NCOs) for phase coherent frequency hopping; the NCOs can be controlled through the SPI or GPIO pins. The ADC32RF44 also provides three different power detectors on-chip with alarm outputs in order to support external automatic gain control (AGC) loops.
The processed data are passed into the JESD204B interface where the data are framed, encoded, serialized, and output on one to four lanes per channel, depending on the ADC sampling rate and decimation. The CLKIN, SYSREF, and SYNCB inputs provide the device clock and the SYSREF and SYNCB signals to the JESD204B interface that are used to derive the internal local frame and local multiframe clocks and establish the serial link. All features of the ADC32RF44 are configurable through the SPI.
The ADC32RF44 analog signal inputs are designed to be driven differentially. The analog input pins have internal analog buffers that drive the sampling circuit. The ADC32RF44 provides on-chip, differential termination to minimize reflections. The buffer also helps isolate the external driving circuit from the internal switching currents of the sampling circuit, thus resulting in a more constant SFDR performance across input frequencies.
The common-mode voltage of the signal inputs is internally biased to CM using the 32.5-Ω termination resistors that allow for ac-coupling of the input drive network. Figure 58 and Figure 59 show SDD11 at the analog inputs from dc to 5 GHz with a 100-Ω reference impedance.
Figure 59. SDD11 Over the Input Frequency Range
The input impedance of analog inputs can also be modelled as parallel combination of equivalent resistance and capacitance. Figure 60 and Figure 61 show how equivalent impedance (CIN and RIN) vary over frequency.
Figure 60. Differential Input Capacitance vs
Figure 61. Differential Input Resistance vs Input Frquency
Each input pin (INP, INM) must swing symmetrically between (CM + 0.3375 V) and (CM – 0.3375 V), resulting in a 1.35-VPP (default) differential input swing. The input sampling circuit has a 3-dB bandwidth that extends up to approximately 3.2 GHz, as shown in Figure 62.
The ADC32RF44 analog inputs include an internal, differential clamp for overvoltage protection. The clamp triggers for any input signals at approximately 600 mV above the input common-mode voltage, effectively limiting the maximum input signal to approximately 2.4 VPP, as shown in Figure 63 and Figure 64.
When the clamp circuit conducts, the maximum differential current flowing through the circuit (via input pins) must be limited to 20 mA.
The ADC32RF44 sampling clock input includes internal 100-Ω differential termination along with on-chip biasing. The clock input is recommended to be ac-coupled externally. The input bandwidth of the clock input is approximately 3 GHz; the clock input impedance is shown with a 100-Ω reference impedance in the smith chart of Figure 65.
Figure 65. SDD11 of the Clock Input
The analog-to-digital converter (ADC) aperture jitter is a function of the clock amplitude applied to the pins. The equivalent aperture jitter for input frequencies at a 1-GHz and a 2-GHz input (fS = 2.6 GSPS) is shown in Figure 66. Depending on the clock frequency, a matching circuit can be designed in order to maximize the clock amplitude.
Figure 66. Equivalent Aperture Jitter vs Input Clock Amplitude
The SYSREF signal is a periodic signal that is sampled by the ADC32RF44 device clock and is used to align the boundary of the local multiframe clock inside the data converter. SYSREF is also used to reset critical blocks [such as the clock divider for the interleaved ADCs, numerically-controlled oscillators (NCOs), decimation filters and so forth].
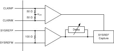
The SYSREF input requires external biasing. Furthermore, SYSREF must be established before the SPI registers are programmed. A programmable delay on the SYSREF input, as shown in Figure 67, is available to help with skew adjustment when the sampling clock and SYSREF are not provided from the same source.
Figure 67. SYSREF Internal Circuit Diagram
The ADC32RF44 uses SYSREF information to reset the clock divider, the NCO phase, and the LMFC counter of the JESD interface. The device provides flexibility to provide SYSREF information either from dedicated pins or through SPI register bits. SYSREF is asserted by a low-to-high transition on the SYSREF pins or a 0-to-1 change in the ASSERT SYSREF REG bit when using SPI registers, as shown in Figure 68.
Figure 68. Using SYSREF to Reset the Clock Divider, the NCO, and the LMFC Counter
The ADC32RF44 samples the SYSREF signal on the input clock rising edge. Required setup and hold time are listed in the Timing Requirements table. The input clock divider gets reset each time that SYSREF is asserted, whereas the NCO phase and the LMFC counter of the JESD interface are reset on each SYSREF assertion after disregarding the first two assertions, as shown in Table 1.
| SYSREF ASSERTION INDEX | ACTION | ||
|---|---|---|---|
| INPUT CLOCK DIVIDER | NCO PHASE | LMFC COUNTER | |
| 1 | Gets reset | Does not get reset | Does not get reset |
| 2 | Gets reset | Does not get reset | Does not get reset |
| 3 | Gets reset | Gets reset | Gets reset |
| 4 and onwards | Gets reset | Gets reset | Gets reset |
The SESREF use-cases can be classified broadly into two categories:
Figure 69 shows a case when only a counted number of pulses are applied as SYSREF to the ADC.
After the first SYSREF pulse is applied, allow the DLL in the clock path to settle by waiting for the tDLL time (> 40 µs) before applying the second pulse. During this time, mask the SYSREF going to the input clock divider by setting the MASK CLKDIV SYSREF bit so that the divider output phase remains stable. The NCO phase and LMFC counter are reset on the third SYSREF pulse. After the third SYSREF pulse, the SYSREF going to the NCO and JESD block can be disabled by setting the MASK NCO SYSREF bit to avoid any unwanted resets.
Figure 70 shows how SYSREF can be applied as a continuous periodic waveform.
After applying the SYSREF signal, DLL must be allowed to lock, and the NCO phase and LMFC counter must be allowed to reset by waiting for at least the tDLL (40 µs) + 2 × tSYSREF time. Then, the SYSREF going to the NCO and JESD can be masked by setting the MASK NCO SYSREF register bit.
When SYSREF is a periodic signal, its frequency is required to be a sub-harmonic of the internal local multi-frame clock (LMFC) frequency, as described in Equation 1. The LMFC frequency is determined by the selected decimation, frames per multi-frame setting (K), samples per frame (S), and device input clock frequency.
where
In order for the interleaving correction engine to synchronize properly, the SYSREF frequency must also be a multiple of fS / 64. Table 2 provides a summary of the valid LMFC clock settings.
| OPERATING MODE | LMFS SETTING | LMFC CLOCK FREQUENCY | SYSREF FRQUENCY |
|---|---|---|---|
| Bypass mode | 82820 | fS(1) / (20 × K) | fS / (N × LCM(2) (64, 20 × K(3))) |
| Bypass mode | 8224 | fS/(4 × K) | fS / (N × LCM (64, 4 × K)) |
| Decimation | Various | fS / (D × S(4) × K) | fS / (N × LCM (64, D(5) × S × K)) |
The SYSREF signal is recommended to be a low-frequency signal less than 5 MHz in order to reduce coupling to the signal path both on the printed circuit board (PCB) as well as internal to the device.
Example 1: fS = 2.6 GSPS, Bypass Mode (LMFS = 82820), K = 16
SYSREF = 2.6 GSPS / LCM (64, 20 × 16) / N = 8.125 MHz / N
Operate SYSREF at 4.0625 MHz (effectively divide-by-640, N = 2)
Example 2: fS = 2.6 GSPS, Divide-by-4 (LMFS = 8411), K = 16
SYSREF = 2.6 GSPS / LCM (4 ,64, 16) = 40.625 MHz / N
Operate SYSREF at 2.539063 MHz (effectively divide-by-1024, N = 16)
For proper device operation, disable the SYSREF signal after the JESD synchronization is established.
The ADC32RF44 provides a sophisticated on-chip, digital down converter (DDC) block that can be controlled through SPI register settings and the general-purpose input/output (GPIO) pins. The DDC block supports two basic operating modes: receiver (RX) mode with single- or dual-band DDC and wide-bandwidth observation receiver mode.
Each ADC channel is followed by two DDC chains consisting of the digital filter along with a complex digital mixer with a 16-bit numerically-controlled oscillator (NCO), as shown in Figure 71. The NCOs allow accurate frequency tuning within the Nyquist zone prior to the digital filtering. One DDC chain is intended for supporting a dual-band DDC configuration in receiver mode and the second DDC chain supports the wide-bandwidth output option for the observation configuration. At any given time, either the single-band DDC, the dual-band DDC, or the wideband DDC can be enabled. Furthermore, three different NCO frequencies can be selected on that path and are quickly switched using the SPI or the GPIO pins to enable wide-bandwidth observation in a multi-band application.
NOTE:
Red traces show SYSREF going to the NCO blocks.Additionally, the decimation filter block provides the option to convert the complex output back to real format at twice the decimated, complex output rate. The filter response with a real output is identical to a complex output. The band is centered in the middle of the Nyquist zone (mixed with fOUT / 4) based on a final output data rate of fOUT.
In receiver mode, the DDC block can be configured to single- or dual-band operation, as shown in Figure 72. Both DDC chains use the same decimation filter setting and the available options are discussed in the Decimation Filters section. The decimation filter setting also directly affects the interface rate and number of lanes of the JESD204B interface.
NOTE:
Red traces show SYSREF going to the NCO blocks.This mode is intended for using a DDC with a wide bandwidth output, but for multiple bands. This mode uses a single DDC chain where up to three NCOs can be used to perform wide-bandwidth observation in a multi-band environment, as shown in Figure 73. The three NCOs can be switched dynamically using either the GPIO pins or an SPI command. All three NCOs operate continuously to ensure phase continuity; however, when the NCO is switched, the output data are invalid until the decimation filters are completely flushed with data from the new band.
NOTE:
Red traces show SYSREF going to the NCO blocks.The stop-band rejection of the decimation filters is approximately 90 dB with a pass-band bandwidth of approximately 80%. Table 3 gives an overview of the pass-band bandwidth depending on decimation filter setting and ADC sampling rate.
| DECIMATION SETTING | NO. OF DDCS AVAILABLE PER CHANNEL | NOMINAL PASSBAND GAIN | BANDWIDTH | ADC SAMPLE RATE = N MSPS | ADC SAMPLE RATE = 2.6 GSPS | |||
|---|---|---|---|---|---|---|---|---|
| 3 dB (%) | 1 dB (%) | OUTPUT RATE (MSPS) PER BAND | OUTPUT BANDWIDTH (MHz) PER BAND | COMPLEX OUTPUT RATE (MSPS) PER BAND | OUTPUT BANDWIDTH (MHz) PER BAND | |||
| Divide-by-4 complex | 1 | –0.4 dB | 90.9 | 86.8 | N / 4 complex | 0.4 × N / 2 | 650 | 520 |
| Divide-by-6 complex | 1 | –0.65 dB | 90.6 | 86.1 | N / 6 complex | 0.4 × N / 3 | 433.3 | 346.64 |
| Divide-by-8 complex | 2 | –0.27 dB | 91.0 | 86.8 | N / 8 complex | 0.4 × N / 4 | 325 | 260 |
| Divide-by-9 complex | 2 | –0.45 dB | 90.7 | 86.3 | N / 9 complex | 0.4 × N / 4.5 | 288.9 | 231.12 |
| Divide-by-10 complex | 2 | –0.58 dB | 90.7 | 86.3 | N / 10 complex | 0.4 × N / 5 | 260 | 208 |
| Divide-by-12 complex | 2 | –0.55 dB | 90.7 | 86.4 | N / 12 complex | 0.4 × N / 6 | 216.7 | 173.36 |
| Divide-by-16 complex | 2 | –0.42 dB | 90.8 | 86.4 | N / 16 complex | 0.4 × N / 8 | 162.5 | 130 |
| Divide-by-18 complex | 2 | –0.83 dB | 91.2 | 87.0 | N / 18 complex | 0.4 × N / 9 | 144.4 | 115.52 |
| Divide-by-20 complex | 2 | –0.91 dB | 91.2 | 87.0 | N / 20 complex | 0.4 × N / 10 | 130 | 104 |
| Divide-by-24 complex | 2 | –0.95 db | 91.1 | 86.9 | N / 24 complex | 0.4 × N / 12 | 108.3 | 86.64 |
| Divide-by-32 complex | 2 | –0.78 dB | 91.1 | 86.8 | N / 32 complex | 0.4 × N / 16 | 81.3 | 65.04 |
A dual-band example with a divide-by-8 complex is shown in Figure 74.
Figure 74. Dual-Band Example
The decimation filter responses normalized to the ADC sampling clock are illustrated in Figure 74 to Figure 97 and can be interpreted as follows:
Each figure contains the filter pass-band, transition bands, and alias bands, as shown in Figure 75. The x-axis in Figure 75 shows the offset frequency (after the NCO frequency shift) normalized to the ADC sampling clock frequency.
For example, in the divide-by-4 complex, the output data rate is an fS / 4 complex with a Nyquist zone of fS / 8 or 0.125 × fS. The transition band is centered around 0.125 × fS and the alias transition band is centered at 0.375 × fS. The alias bands that alias on top of the wanted signal band are centered at 0.25 × fS and 0.5 × fS (and are colored in red).
The decimation filters of the ADC32RF44 provide greater than 90-dB attenuation for the alias bands.
Figure 75. Interpretation of the Decimation Filter Plots
Peak-to-peak pass-band ripple: approximately 0.22 dB
Peak-to-peak pass-band ripple: approximately 0.38 dB
Peak-to-peak pass-band ripple: approximately 0.25 dB
Peak-to-peak pass-band ripple: approximately 0.39 dB
Peak-to-peak pass-band ripple: approximately 0.39 dB
Peak-to-peak pass-band ripple: approximately 0.36 dB
Peak-to-peak pass-band ripple: approximately 0.29 dB
Peak-to-peak pass-band ripple: approximately 0.33 dB
Peak-to-peak pass-band ripple: approximately 0.32 dB
Peak-to-peak pass-band ripple: approximately 0.30 dB
Peak-to-peak pass-band ripple: approximately 0.24 dB
Device latency in 12-bit bypass mode (with LMFS = 8224) is 424 clock cycles. When the DDC option is used, latency increases as a result of decimation filters, as described in Table 4.
| DECIMATION OPTION | TOTAL LATENCY, DEVICE CLOCK CYCLES |
|---|---|
| Divide-by-4 | 516 |
| Divide-by-6 | 746 |
| Divide-by-8 | 621 |
| Divide-by-9 | 763.5 |
| Divide-by-10 | 811 |
| Divide-by-12 | 897 |
| Divide-by-16 | 1045 |
| Divide-by-18 | 1164 |
| Divide-by-20 | 1256 |
| Divide-by-24 | 1443 |
| Divide-by-32 | 1773 |
The ADC32RF44 supports a mode where the output data of the ADC channel A can be routed internally to the digital blocks of both channel A and channel B. The ADC channel B can be powered down as shown in Figure 98. In this manner, the ADC32RF44 can be configured as a single-channel ADC with up to four independent DDC chains or two wideband DDC chains. All decimation filters and JESD204B format configurations are identical to the two ADC channel operation.
Figure 98. Digital Multiplexer Option
The ADC32RF44 is equipped with three independent, complex NCOs per ADC channel. The oscillator generates a complex exponential sequence, as shown in Equation 2.
where
The complex exponential sequence is multiplied by the real input from the ADC to mix the desired carrier down to 0 Hz.
Each ADC channel has two DDCs. The first DDC has three NCOs and the second DDC has one NCO. The first DDC can dynamically select one of the three NCOs based on the GPIO pin or SPI selection. In wide-bandwidth mode (lower decimation factors, for example, 4 and 6), there can only be one DDC for each ADC channel. The NCO frequencies can be programmed independently through the DDCx, NCO[4:1], and the MSB and LSB register settings.
The NCO frequency setting is set by the 16-bit register value given by Equation 3:

where
For example:
If fS = 2.6 GSPS, then the NCO register setting = 38230 (decimal).
Thus, fNCO is defined by Equation 4:

Any register setting changes that occur after the JESD204B interface is operational results in a non-deterministic NCO phase. If a deterministic phase is required, the JESD204B interface must be reinitialized after changing the register setting.
In bypass mode (when decimation filters are not used), the NCOs are powered down in order to avoid creating unwanted spurs.
The first DDC (DDC0) on each ADC channel provides three different NCOs that can be used for phase-coherent frequency hopping. This feature is available in both single-band and dual-band mode, but only affects DDC0.
The NCOs can be switched through an SPI control or by using the GPIO pins with the register configurations shown in Table 5 for channel A (50xxh) and channel B (58Xxh). The assignment of which GPIO pin to use for INSEL0 and INSEL1 is done based on Table 6, using registers 5438h and 5C38h. The NCO selection is done based on the logic selection on the GPIO pins; see Table 7 and Figure 99.
| REGISTER | ADDRESS | DESCRIPTION |
|---|---|---|
| NCO CONTROL THROUGH GPIO PINS | ||
| NCO SEL pin | 500Fh, 580Fh | Selects the NCO control through the SPI (default) or a GPIO pin. |
| INSEL0, INSEL1 | 5438h, 5C38h | Selects which two GPIO pins are used to control the NCO. |
| NCO CONTROL THROUGH SPI CONTROL | ||
| NCO SEL pin | 500Fh, 580Fh | Selects the NCO control through the SPI (default) or a GPIO pin. |
| NCO SEL | 5010h, 5810h | Selects which NCO to use for DDC0. |
| INSELx[1:0] (Where x = 0 or 1) | GPIO PIN SELECTED |
|---|---|
| 00 | GPIO4 |
| 01 | GPIO1 |
| 10 | GPIO3 |
| 11 | GPIO2 |
| NCO SEL[1] | NCO SEL[0] | NCO SELECTED |
|---|---|---|
| 0 | 0 | NCO1 |
| 0 | 1 | NCO2 |
| 1 | 0 | NCO3 |
| 1 | 1 | n/a |
Figure 99. NCO Switching from GPIO and SPI
Each 12.5-Gbps serializer, deserializer (SerDes) LVDS transmitter output requires ac-coupling between the transmitter and receiver. Terminate the differential pair with 100-Ω resistance (that is, two 50-Ω resistors) as close to the receiving device as possible to avoid unwanted reflections and signal degradation, as shown in Figure 100.
Figure 100. External Serial JESD204B Interface Connection
Figure 101 and Figure 102 show the serial output eye diagrams of the ADC32RF44 at 5.0 Gbps and 12 Gbps against the JESD204B mask.
Figure 101. Data Eye at 5 Gbps
Figure 102. Data Eye at 12 Gbps
The GPIO pins can be configured as alarm outputs for channels A and B. The ADC32RF44 supports three different power detectors (an absolute peak power detector, crossing detector, and RMS power detector) as well as fast overrange from the ADC. The power detectors operate off the full-rate ADC output prior to the decimation filters.
In this detector mode, the peak is computed over eight samples of the ADC output. Next, the peak for a block of N samples (N × S`) is computed over a programmable block length and then compared against a threshold to either set or reset the peak detector output (Figure 103 and Figure 104). There are two sets of thresholds and each set has two thresholds for hysteresis. The programmable DWELL-time counter is used for clearing the block detector alarm output.
Figure 103. Peak Power Detector Implementation
Figure 104. Peak Power Detector Timing Diagram
Table 8 shows the register configurations required to set up the absolute peak power detector. The detector operates in the fS / 8 clock domain; one peak sample is calculated over eight actual samples.
The automatic gain control (AGC) modes can be configured separately for channel A (54xxh) and channel B (5Cxxh), although some registers are common in 54xxh (such as the GPIO pin selection).
| REGISTER | ADDRESS | DESCRIPTION |
|---|---|---|
| PKDET EN | 5400, 5C00h | Enables peak detector |
| BLKPKDET | 5401h, 5402h, 5403h, 5C01h, 5C02h, 5C03h | Sets the block length N of number of samples (S`). Number of actual ADC samples is 8X this value: N is 17 bits: 1 to 216. |
| BLKTHHH, BLKTHHL, BLKTHLH, BLKTHLL | 5407h, 5408h, 5409h, 540Ah, 5C07h, 5C08h, 5C09h, 5C0Ah | Sets the different thresholds for the hysteresis function values from 0 to 256 (where 256 is equivalent to the peak amplitude). For example: if BLKTHHH is to –2 dBFS from peak, 10(–2 / 20) × 256 = 203, then set 5407h and 5C07h = CBh. |
| DWELL | 540Bh, 540Ch, 5C0Bh, 5C0Ch | When the computed block peak crosses the upper thresholds BLKTHHH or BLKTHLH, the peak detector output flags are set. In order to be reset, the computed block peak must remain continuously lower than the lower threshold (BLKTHHL or BLKTHLL) for the period specified by the DWELL value. This threshold is 16 bits and is specified in terms of fS / 8 clock cycles. |
| OUTSEL GPIO[4:1] | 5432h, 5433h, 5434h, 5435h | Connects the BLKPKDETH, BLKPKDETL alarms to the GPIO pins; common register. |
| IODIR | 5437h | Selects the direction for the four GPIO pins; common register. |
| RESET AGC | 542Bh, 5C2Bh | After configuration, reset the AGC module to start operation. |
In this detector mode the peak is computed over eight samples of the ADC output. Next, the peak for a block of N samples (N × S`) is computed over a programmable block length and then the peak is compared against two sets of programmable thresholds (with hysteresis). The crossing detector counts how many fS / 8 clock cycles that the block detector outputs are set high over a programmable time period and compares the counter value against the programmable thresholds. The alarm outputs are updated at the end of the time period, routed to the GPIO pins, and held in that state through the next cycle, as shown in Figure 105 and Figure 106. Alternatively, a 2-bit format can be used but (because the ADC32RF44 has four GPIO pins available) this feature uses all four pins for a single channel.
Figure 105. Crossing Detector Implementation
Figure 106. Crossing Detector Timing Diagram
Table 9 shows the register configurations required to set up the crossing detector. The detector operates in the
fS / 8 clock domain. The AGC modes can be configured separately for channel A (54xxh) and channel B (5Cxxh), although some registers are common in 54xxh (such as the GPIO pin selection).
| REGISTER | ADDRESS | DESCRIPTION |
|---|---|---|
| PKDET EN | 5400h, 5C00h | Enables peak detector |
| BLKPKDET | 5401h, 5402h, 5403h, 5C01h, 5C02h, 5C03h | Sets the block length N of number of samples (S`). Number of actual ADC samples is 8X this value: N is 17 bits: 1 to 216. |
| BLKTHHH, BLKTHHL, BLKTHLH, BLKTHLL | 5407h, 5408h, 5409h, 540Ah, 5C07h, 5C08h, 5C09h, 5C0Ah | Sets the different thresholds for the hysteresis function values from 0 to 256 (where 256 is equivalent to the peak amplitude). For example: if BLKTHHH is to –2 dBFS from peak, 10(–2 / 20) × 256 = 203, then set 5407h and 5C07h = CBh. |
| FILT0LPSEL | 540Dh, 5C0Dh | Select block detector output or 2-bit output mode as the input to the interrupt identification register (IIR) filter. |
| TIMECONST | 540Eh, 540Fh, 5C0Eh, 5C0Fh |
Sets the crossing detector time period for N = 0 to 15 as 2N × fS / 8 clock cycles. The maximum time period is 32768 × fS / 8 clock cycles (approximately 101 µs at 2.6 GSPS). |
| FIL0THH, FIL0THL, FIL1THH, FIL1THL | 540Fh-5412h, 5C0Fh-5C12h, 5416h-5419h, 5C16h-5C19h | Comparison thresholds for the crossing detector counter. These thresholds are 16-bit thresholds in 2.14-signed notation. A value of 1 (4000h) corresponds to 100% crossings, a value of 0.125 (0800h) corresponds to 12.5% crossings. |
| DWELLIIR | 541Dh, 541Eh, 5C1Dh, 5C1Eh | DWELL counter for the IIR filter hysteresis. |
| IIR0 2BIT EN, IIR1 2BIT EN |
5413h, 54114h, 5C13h, 5C114h |
Enables 2-bit output format for the crossing detector. |
| OUTSEL GPIO[4:1] | 5432h, 5433h, 5434h, 5435h |
Connects the IIRPKDET0, IIRPKDET1 alarms to the GPIO pins; common register. |
| IODIR | 5437h | Selects the direction for the four GPIO pins; common register. |
| RESET AGC | 542Bh, 5C2Bh | After configuration, reset the AGC module to start operation. |
In this detector mode the peak power is computed for a block of N samples over a programmable block length and then compared against two sets of programmable thresholds (with hysteresis).
The RMS power detector circuit provides configuration options, as shown in Figure 107. The RMS power value (1 or 2 bit) can be output onto the GPIO pins. In 2-bit output mode, two different thresholds are used whereas the 1-bit output provides one threshold together with hysteresis.
Figure 107. RMS Power Detector Implementation
Table 10 shows the register configurations required to set up the RMS power detector. The detector operates in the fS / 8 clock domain. The AGC modes can be configured separately for channel A (54xxh) and channel B (5Cxxh), although some registers are common in 54xxh (such as the GPIO pin selection).
| REGISTER | ADDRESS | DESCRIPTION |
|---|---|---|
| RMSDET EN | 5420h, 5C20h | Enables RMS detector |
| PWRDETACCU | 5421h, 5C21h | Programs the block length to be used for RMS power computation. The block length is defined in terms of fS / 8 clocks. The block length can be programmed as 2M with M = 0 to 16. |
| PWRDETH, PWRDETL | 5422h, 5423h, 5424h, 5425h, 5C22h, 5C23h, 5C24h, 5C25h | The computed average power is compared against these high and low thresholds. One LSB of the thresholds represents 1 / 216. For example: is PWRDETH is set to –14 dBFS from peak, [10(–14 / 20)]2 × 216 = 2609, then set 5422h, 5423h, 5C22h, 5C23h = 0A31h. |
| RMS2BIT EN | 5427h, 5C27h | Enables 2-bit output format for the RMS detector output. |
| OUTSEL GPIO[4:1] | 5432h, 5433h, 5434h, 5435h |
Connects the PWRDET alarms to the GPIO pins; common register. |
| IODIR | 5437h | Selects the direction for the four GPIO pins; common register. |
| RESET AGC | 542Bh, 5C2Bh | After configuration, reset the AGC module to start operation. |
The GPIO pins can be used to control the NCO in wideband DDC mode or as alarm outputs for channel A and B. The GPIO pins can be configured through the SPI control to output the alarm from the peak power (1 bit), crossing detector (1 or 2 bit), faster overrange, or the RMS power output, as shown in Figure 108.
The programmable output MUX allows connecting any signal (including the NCO control) to any of the four GPIO pins. These pins can be configured as outputs (AGC alarm) or inputs (NCO control) through SPI programming.
Figure 108. GPIO Output MUX Implementation
The ADC32RF44 provides a lot of configurability for the power-down mode. Power-down can be enabled using the PDN pin or the SPI register writes.
The ADC32RF44 provides several different options to output test patterns instead of the actual output data of the ADC in order to simplify the serial interface and system debug of the JESD204B digital interface link. The output data path is shown in Figure 109.
Figure 109. Test Pattern Generator Implementation
The ADC test pattern replaces the actual output data of the ADC. The test patterns listed in Table 11 are available when the DDC is enabled and located in register 37h of the decimation filter page. When programmed, the test patterns are output for each converter (M) stream. The number of converter streams per channel increases by 2 when complex (I, Q) output or dual-band DDC is selected. The test patterns can be synchronized for both ADC channels using the SYSREF signal.
Additionally, a 12-bit ramp test pattern is available in DDC bypass mode.
NOTE
The number of converters increases in dual-band DDC mode and with a complex output.
| BIT | NAME | DEFAULT | DESCRIPTION |
|---|---|---|---|
| 7-4 | TEST PATTERN | 0000 | Test pattern outputs on channel A and B. 0000 = Normal operation using ADC output data 0001 = Outputs all 0s 0010 = Outputs all 1s 0011 = Outputs toggle pattern: output data are an alternating sequence of 10101010101010 and 01010101010101 0100 = Output digital ramp: output data increment by one LSB every clock cycle from code 0 to 65535 0110 = Single pattern: output data are a custom pattern 1 (75h and 76h) 0111 Double pattern: output data alternate between custom pattern 1 and custom pattern 2 1000 = Deskew pattern: output data are AAAAh 1001 = SYNC pattern: output data are FFFFh |
The transport layer maps the ADC output data into 8-bit octets and constructs the JESD204B frames using the LMFS parameters. Tail bits or 0's are added when needed. Alternatively, the JESD204B long transport layer test pattern can be substituted instead of the ADC data with the JESD frame, as shown in Table 12.
| BIT | NAME | DEFAULT | DESCRIPTION |
|---|---|---|---|
| 4 | TESTMODE EN | 0 | Generates long transport layer test pattern mode according to section 5.1.6.3 of the JESD204B specification. 0 = Test mode disabled 1 = Test mode disabled |
The link layer contains the scrambler and the 8b, 10b encoding of any data passed on from the transport layer. Additionally, the link layer also handles the initial lane alignment sequence that can be manually restarted.
The link layer test patterns are intended for testing the quality of the link (jitter testing and so forth). The test patterns do not pass through the 8b, 10b encoder and contain the options listed in Table 13.
| BIT | NAME | DEFAULT | DESCRIPTION |
|---|---|---|---|
| 7-5 | LINK LAYER TESTMODE | 000 | Generates a pattern according to section 5.3.3.8.2 of the JESD204B document. 000 = Normal ADC data 001 = D21.5 (high-frequency jitter pattern) 010 = K28.5 (mixed-frequency jitter pattern) 011 = Repeat the initial lane alignment (generates a K28.5 character and repeats lane alignment sequences continuously) 100 = 12-octet random pattern (RPAT) jitter pattern |
Furthermore, a 215 pseudo-random binary sequence (PRBS) can be enabled by setting up a custom test pattern (AAAAh) in the ADC section and running AAAAh through the 8b, 10b encoder with scrambling enabled.
The ADC32RF44 can be configured using a serial programming interface, as described in the Serial Interface section. In addition, the device has one dedicated parallel pin (PDN) for controlling the power-down modes.
The ADC32RF44 supports device subclass 1 with a maximum output data rate of 12.5 Gbps for each serial transmitter.
An external SYSREF signal is used to align all internal clock phases and the local multiframe clock to a specific sampling clock edge. This alignment allows synchronization of multiple devices in a system and minimizes timing and alignment uncertainty. The SYNCB input is used to control the JESD204B SerDes blocks, as shown in Figure 110.
Depending on the ADC sampling rate, the JESD204B output interface can be operated with one, two, or four lanes per ADC channel. The JESD204B setup and configuration of the frame assembly parameters is controlled through the SPI interface.
Figure 110. JESD Signal Overview
The JESD204B transmitter block consists of the transport layer, the data scrambler, and the link layer, as shown in Figure 111. The transport layer maps the ADC output data into the selected JESD204B frame data format and manages if the ADC output data or test patterns are transmitted. The link layer performs the 8b, 10b data encoding as well as the synchronization and initial lane alignment using the SYNC input signal. Optionally, data from the transport layer can be scrambled.
Figure 111. JESD Digital Block Implementation
The receiving device starts the initial lane alignment process by deasserting the SYNCB signal. The SYNCB signal can be issued using the SYNCB input pins or by setting the proper SPI bits. When a logic low is detected on the SYNCB input, the ADC32RF44 starts transmitting comma (K28.5) characters to establish the code group synchronization, as shown in Figure 112.
When synchronization completes, the receiving device reasserts the SYNCB signal and the ADC32RF44 starts the initial lane alignment sequence with the next local multiframe clock boundary. The ADC32RF44 transmits four multiframes, each containing K frames (K is SPI programmable). Each of the multiframes contains the frame start and end symbols. The second multiframe also contains the JESD204 link configuration data.
Figure 112. JESD Internal Timing Information
The JESD204B standard defines the following parameters:
Table 14 lists the available JESD204B formats and valid ranges for the ADC32RF44. The ranges are limited by the SerDes line rate and the maximum ADC sample frequency. The sample alignment for the bypass modes on the different lanes is shown in Table 15.
| DECIMATION SETTING (Complex) | OUTPUT RESOLUTION (Bits) | L | M | F | S | 12-BIT MODE | PLL MODE | JESD MODE0 | JESD MODE1 | JESD MODE2 | MAX fCLK
(Gsps) |
RATIO [fSerDes / fCLK (Gbps / GSPS)] |
|---|---|---|---|---|---|---|---|---|---|---|---|---|
| Bypass | 12(1) | 8 | 2 | 8 | 20 | 3 | 16X | 3 | 0 | 0 | 2.6 | 4 |
| 14 | 8 | 2 | 2 | 4 | 0 | 20X | 1 | 0 | 0 | 2.5 | 5 |
| OUTPUT LANE | LMFS = 8224 | LMFS = 82820 | ||||||||
|---|---|---|---|---|---|---|---|---|---|---|
| DA0 | A0[13:6] | A0[5:0], 00 | A0[11:4] | A0[3:0], A1[11:8] |
A1[7:0] | A2[11:4] | A2[3:0], A3[11:8] |
A3[7:0] | A4[11:4] | A4[3:0], 0000 |
| DA1 | A1[13:6] | A1[5:0], 00 | A5[11:4] | A5[3:0], A6[11:8] |
A6[7:0] | A7[11:4] | A7[3:0], A8[11:8] |
A8[7:0] | A9[11:4] | A9[3:0], 0000 |
| DA2 | A2[13:6] | A2[5:0], 00 | A10[11:4] | A10[3:0], A11[11:8] |
A11[7:0] | A12[11:4] | A12[3:0], A13[11:8] |
A13[7:0] | A14[11:4] | A14[3:0], 0000 |
| DA3 | A3[13:6] | A3[5:0], 00 | A15[11:4] | A15[3:0], A16[11:8] |
A16[7:0] | A17[11:4] | A17[3:0], A18[11:8] |
A18[7:0] | A19[11:4] | A19[3:0], 0000 |
| DB0 | B0[13:6] | B0[5:0], 00 | B0[11:4] | B0[3:0], B1[11:8] |
B1[7:0] | B2[11:4] | B2[3:0], B3[11:8] |
B3[7:0] | B4[11:4] | B4[3:0], 0000 |
| DB1 | B1[13:6] | B1[5:0], 00 | B5[11:4] | B5[3:0], B6[11:8] |
B6[7:0] | B7[11:4] | B7[3:0], B8[11:8] |
B8[7:0] | B9[11:4] | B9[3:0], 0000 |
| DB2 | B2[13:6] | B2[5:0], 00 | B10[11:4] | B10[3:0], B11[11:8] |
B11[7:0] | B12[11:4] | B12[3:0], B13[11:8] |
B13[7:0] | B14[11:4] | B14[3:0], 0000 |
| DB3 | B3[13:6] | B3[5:0], 00 | B15[11:4] | B15[3:0], B16[11:8] |
B16[7:0] | B17[11:4] | B17[3:0], B18[11:8] |
B18[7:0] | B19[11:4] | B19[3:0], 0000 |
Table 16 lists the available JESD204B interface formats and valid ranges for the ADC32RF44 with decimation (single-band DDC) when using a complex output format. The ranges are limited by the SerDes line rate and the maximum ADC sample frequency. The sample alignment on the different lanes is shown in Table 17.
| DECIMATION SETTING (Complex) | NUMBER OF ACTIVE DDCS | L | M | F | S | PLL MODE | JESD MODE0 | JESD MODE1 | JESD MODE2 | RATIO [fSerDes / fCLK (Gbps / GSPS)] |
|---|---|---|---|---|---|---|---|---|---|---|
| Divide-by-4 | 1 per channel | 8 | 4 | 1 | 1 | 20X | 1 | 1 | 0 | 2.5 |
| 8 | 4 | 2 | 2 | 20X | 1 | 0 | 0 | |||
| 4 | 4 | 2 | 1 | 40X | 0 | 0 | 1 | 5 | ||
| 4 | 4 | 4 | 2 | 40X | 2 | 0 | 0 | |||
| Divide-by-6 | 1 per channel | 8 | 4 | 1 | 1 | 20X | 1 | 1 | 0 | 1.67 |
| 8 | 4 | 2 | 2 | 20X | 1 | 0 | 0 | |||
| 4 | 4 | 2 | 1 | 40X | 0 | 0 | 1 | 3.33 | ||
| 4 | 4 | 4 | 2 | 40X | 2 | 0 | 0 | |||
| Divide-by-8 | 1 per channel | 4 | 4 | 2 | 1 | 20X | 1 | 0 | 0 | 2.5 |
| 2 | 4 | 4 | 1 | 40X | 2 | 0 | 0 | 5 | ||
| Divide-by-9 | 1 per channel | 4 | 4 | 2 | 1 | 20X | 1 | 0 | 0 | 2.22 |
| 2 | 4 | 4 | 1 | 40X | 2 | 0 | 0 | 4.44 | ||
| Divide-by-10 | 1 per channel | 4 | 4 | 2 | 1 | 20X | 1 | 0 | 0 | 2 |
| 2 | 4 | 4 | 1 | 40X | 2 | 0 | 0 | 4 | ||
| Divide-by-12 | 1 per channel | 4 | 4 | 2 | 1 | 20X | 1 | 0 | 0 | 1.67 |
| 2 | 4 | 4 | 1 | 40X | 2 | 0 | 0 | 3.33 | ||
| Divide-by-16 | 1 per channel | 4 | 4 | 2 | 1 | 20X | 1 | 0 | 0 | 1.25 |
| 2 | 4 | 4 | 1 | 40X | 2 | 0 | 0 | 2.5 | ||
| Divide-by-18 | 1 per channel | 4 | 4 | 2 | 1 | 20X | 1 | 0 | 0 | 1.11 |
| 2 | 4 | 4 | 1 | 40X | 2 | 0 | 0 | 2.22 | ||
| Divide-by-20 | 1 per channel | 4 | 4 | 2 | 1 | 20X | 1 | 0 | 0 | 1 |
| 2 | 4 | 4 | 1 | 40X | 2 | 0 | 0 | 2 | ||
| Divide-by-24 | 1 per channel | 2 | 4 | 4 | 1 | 40X | 1 | 0 | 0 | 1.67 |
| Divide-by-32 | 1 per channel | 2 | 4 | 4 | 1 | 40X | 2 | 0 | 0 | 1.25 |
| OUTPUT LANE | LMFS = 8411 | LMFS = 8422 | LMFS = 4421 20X | LMFS = 4421 40X | LMFS = 4442 | LMFS = 2441 | |||||||||
|---|---|---|---|---|---|---|---|---|---|---|---|---|---|---|---|
| DA0 | AI0
[15:8] |
AI0
[15:8] |
AI0
[7:0] |
AI0
[15:8] |
AI0
[7:0] |
||||||||||
| DA1 | AI0
[7:0] |
AI1
[15:8] |
AI1
[7:0] |
AQ0
[15:8] |
AQ0
[7:0] |
AI0
[15:8] |
AI0
[7:0] |
AI0
[15:8] |
AI0
[7:0] |
AI1
[15:8] |
AI1
[7:0] |
AI0
[15:8] |
AI0
[7:0] |
AQ0
[15:8] |
AQ0
[7:0] |
| DA2 | AQ0
[15:8] |
AQ0
[15:8] |
AQ0
[7:0] |
AQ0
[15:8] |
AQ0
[7:0] |
AQ0
[15:8] |
AQ0
[7:0] |
AQ1
[15:8] |
AQ1
[7:0] |
||||||
| DA3 | AQ0
[7:0] |
AQ1
[15:8] |
AQ1
[7:0] |
||||||||||||
| DB0 | BI0
[15:8] |
BI0
[15:8] |
BI0
[7:0] |
BI0
[15:8] |
BI0
[7:0] |
||||||||||
| DB1 | BI0
[7:0] |
BI1
[15:8] |
BI1
[7:0] |
BQ0
[15:8] |
BQ0
[7:0] |
BI0
[15:8] |
BI0
[7:0] |
BI0
[15:8] |
BI0
[7:0] |
BI1
[15:8] |
BI1
[7:0] |
BI0
[15:8] |
BI0
[7:0] |
BQ0
[15:8] |
BQ0
[7:0] |
| DB2 | BQ0
[15:8] |
BQ0
[15:8 |
BQ0
[7:0] |
BQ0
[15:8] |
BQ0
[7:0] |
BQ0
[15:8] |
BQ0
[7:0] |
BQ1
[15:8] |
BQ1
[7:0] |
||||||
| DB3 | BQ0
[7:0] |
BQ1
[15:8] |
BQ1
[7:0] |
||||||||||||
Table 18 lists the available JESD204B formats and valid ranges for the ADC32RF44 with decimation (single-band DDC) when using real output format. The ranges are limited by the SerDes line rate and the maximum ADC sample frequency. The sample alignment on the different lanes is shown in Table 19.
| DECIMATION SETTING (Complex) | NUMBER OF ACTIVE DDCS | L | M | F | S | PLL MODE | JESD MODE0 | JESD MODE1 | JESD MODE2 | RATIO [fSerDes / fCLK (Gbps / GSPS)] |
|---|---|---|---|---|---|---|---|---|---|---|
| Divide-by-4 (Divide-by-2 real) |
1 per channel | 8 | 2 | 2 | 4 | 20X | 1 | 0 | 0 | 2.5 |
| 4 | 2 | 4 | 4 | 40X | 2 | 0 | 0 | 5 | ||
| 4 | 2 | 1 | 1 | 40X | 0 | 1 | 0 | |||
| Divide-by-6 (Divide-by-3 real) |
1 per channel | 8 | 2 | 2 | 4 | 20X | 1 | 0 | 0 | 1.67 |
| 4 | 2 | 4 | 4 | 40X | 2 | 0 | 0 | 3.33 | ||
| 4 | 2 | 1 | 1 | 40X | 0 | 0 | 1 |
| OUTPUT LANE | LMFS = 8224 | LMFS = 4244 | LMFS = 4211 | ||||
|---|---|---|---|---|---|---|---|
| DA0 | A0[15:8] | A0[7:0] | |||||
| DA1 | A1[15:8] | A1[7:0] | A0[15:8] | A0[7:0] | A1[15:8] | A1[7:0] | A0[15:8] |
| DA2 | A2[15:8] | A2[7:0] | A2[15:8] | A2[7:0] | A3[15:8] | A3[7:0] | A0[7:0] |
| DA3 | A3[15:8] | A3[7:0] | |||||
| DB0 | B0[15:8] | B0[7:0] | |||||
| DB1 | B1[15:8] | B1[7:0] | B0[15:8] | B0[7:0] | B1[15:8] | B1[7:0] | B0[15:8] |
| DB2 | B2[15:8] | B2[7:0] | B0[15:8] | B2[7:0] | B3[15:8] | B3[7:0] | B0[7:0] |
| DB3 | B3[15:8] | B3[7:0] | |||||
Table 20 lists the available JESD204B formats and valid ranges for the ADC32RF44 with decimation (dual-band DDC) when using a complex output format. The sample alignment on the different lanes is shown in Table 21.
| DECIMATION SETTING (Complex) | NUMBER OF ACTIVE DDCS | L | M | F | S | PLL MODE | JESD MODE0 | JESD MODE1 | JESD MODE2 | RATIO [fSerDes / fCLK (Gbps / GSPS)] |
|---|---|---|---|---|---|---|---|---|---|---|
| Divide-by-8 (Divide-by-4 real) |
1 per channel | 4 | 2 | 1 | 1 | 20X | 1 | 1 | 0 | 2.5 |
| 4 | 2 | 2 | 2 | 20X | 1 | 0 | 0 | |||
| 2 | 2 | 2 | 1 | 40X | 0 | 0 | 1 | 5 | ||
| 2 | 2 | 4 | 2 | 40X | 2 | 0 | 0 | |||
| Divide-by-9 (Divide-by-4.5 real) |
1 per channel | 4 | 2 | 1 | 1 | 20X | 1 | 1 | 0 | 2.22 |
| 4 | 2 | 2 | 2 | 20X | 1 | 0 | 0 | |||
| 2 | 2 | 2 | 1 | 40X | 0 | 0 | 1 | 4.44 | ||
| 2 | 2 | 4 | 2 | 40X | 2 | 0 | 0 | |||
| Divide-by-10 (Divide-by-5 real) |
1 per channel | 4 | 2 | 1 | 1 | 20X | 1 | 1 | 0 | 2 |
| 4 | 2 | 2 | 2 | 20X | 1 | 0 | 0 | |||
| 2 | 2 | 2 | 1 | 40X | 0 | 0 | 1 | 4 | ||
| 2 | 2 | 4 | 2 | 40X | 2 | 0 | 0 | |||
| Divide-by-12 (Divide-by-6 real) |
1 per channel | 4 | 2 | 1 | 1 | 20X | 1 | 1 | 0 | 1.67 |
| 4 | 2 | 2 | 2 | 20X | 1 | 0 | 0 | |||
| 2 | 2 | 2 | 1 | 40X | 0 | 0 | 1 | 3.33 | ||
| 2 | 2 | 4 | 2 | 40X | 2 | 0 | 0 | |||
| Divide-by-16 (Divide-by-8 real) |
1 per channel | 4 | 2 | 1 | 1 | 20X | 1 | 1 | 0 | 1.25 |
| 4 | 2 | 2 | 2 | 20X | 1 | 0 | 0 | |||
| 2 | 2 | 2 | 1 | 40X | 0 | 0 | 1 | 2.5 | ||
| 2 | 2 | 4 | 2 | 40X | 2 | 0 | 0 | |||
| Divide-by-18 (Divide-by-9 real) |
1 per channel | 4 | 2 | 1 | 1 | 20X | 1 | 1 | 0 | 1.11 |
| 4 | 2 | 2 | 2 | 20X | 1 | 0 | 0 | |||
| 2 | 2 | 2 | 1 | 40X | 0 | 0 | 1 | 2.22 | ||
| 2 | 2 | 4 | 2 | 40X | 2 | 0 | 0 | |||
| Divide-by-20 (Divide-by-10 real) |
1 per channel | 4 | 2 | 1 | 1 | 20X | 1 | 1 | 0 | 1 |
| 4 | 2 | 2 | 2 | 20X | 1 | 0 | 0 | |||
| 2 | 2 | 2 | 1 | 40X | 0 | 0 | 1 | 2 | ||
| 2 | 2 | 4 | 2 | 40X | 2 | 0 | 0 | |||
| Divide-by-24 (Divide-by-12 real) |
1 per channel | 2 | 2 | 2 | 1 | 40X | 0 | 0 | 1 | 1.67 |
| 2 | 2 | 4 | 2 | 40X | 2 | 0 | 0 | |||
| Divide-by-32 (Divide-by-16 real) |
1 per channel | 2 | 2 | 2 | 1 | 40X | 0 | 0 | 1 | 1.25 |
| 2 | 2 | 4 | 2 | 40X | 2 | 0 | 0 |
| OUTPUT LANE | LMFS = 4211 | LMFS = 4222 | LMFS = 2221 | LMFS = 2242 | |||||
|---|---|---|---|---|---|---|---|---|---|
| DA0 | A0[15:8] | A0[15:8] | A0[7:0] | ||||||
| DA1 | A0[7:0] | A1[15:8] | A1[7:0] | A0 [15:8] | A0[7:0] | A0[15:8] | A0[7:0] | A1[15:8] | A1[7:0] |
| DB0 | B0[15:8] | B0[15:8] | B0[7:0] | ||||||
| DB1 | B0[7:0] | B1[15:8] | B1[7:0] | B0[15:8] | B0[7:0] | B0[15:8] | B0[7:0] | B1[15:8] | B1[7:0] |
Table 22 lists the available JESD204B formats and valid ranges for the ADC32RF44 with decimation (dual-band DDC) when using a complex output format. The ranges are limited by the SerDes line rate and the maximum ADC sample frequency. The sample alignment on the different lanes is shown in Table 23.
| DECIMATION SETTING (Complex) | NUMBER OF ACTIVE DDCS | L | M | F | S | PLL MODE | JESD MODE0 | JESD MODE1 | JESD MODE2 | RATIO [fSerDes / fCLK (Gbps / GSPS)] |
|---|---|---|---|---|---|---|---|---|---|---|
| Divide-by-8 | 2 per channel | 8 | 8 | 2 | 1 | 20X | 1 | 0 | 0 | 2.5 |
| 4 | 8 | 4 | 1 | 40X | 2 | 0 | 0 | 5 | ||
| Divide-by-9 | 2 per channel | 8 | 8 | 2 | 1 | 20X | 1 | 0 | 0 | 2.22 |
| 4 | 8 | 4 | 1 | 40X | 2 | 0 | 0 | 4.44 | ||
| Divide-by-10 | 2 per channel | 8 | 8 | 2 | 1 | 20X | 1 | 0 | 0 | 2 |
| 4 | 8 | 4 | 1 | 40X | 2 | 0 | 0 | 4 | ||
| Divide-by-12 | 2 per channel | 8 | 8 | 2 | 1 | 20X | 1 | 0 | 0 | 1.67 |
| 4 | 8 | 4 | 1 | 40X | 2 | 0 | 0 | 3.33 | ||
| Divide-by-16 | 2 per channel | 8 | 8 | 2 | 1 | 20X | 1 | 0 | 0 | 1.25 |
| 4 | 8 | 4 | 1 | 40X | 2 | 0 | 0 | 2.5 | ||
| Divide-by-18 | 2 per channel | 8 | 8 | 2 | 1 | 20X | 1 | 0 | 0 | 1.11 |
| 4 | 8 | 4 | 1 | 40X | 2 | 0 | 0 | 2.22 | ||
| Divide-by-20 | 2 per channel | 8 | 8 | 2 | 1 | 20X | 1 | 0 | 0 | 1 |
| 4 | 8 | 4 | 1 | 40X | 2 | 0 | 0 | 2 | ||
| Divide-by-24 | 2 per channel | 4 | 8 | 4 | 1 | 40X | 2 | 0 | 0 | 1.67 |
| Divide-by-32 | 2 per channel | 4 | 8 | 4 | 1 | 40X | 2 | 0 | 0 | 1.25 |
| OUTPUT LANE | LMFS = 8821 | LMFS = 4841 | ||||
|---|---|---|---|---|---|---|
| DA0 | A10[15:8] | A10[7:0] | ||||
| DA1 | A1Q0[15:8] | A1Q0[7:0] | A1I0[15:8] | A1I0[7:0] | A1Q0[15:8] | A1Q0[7:0] |
| DA2 | A2I0[15:8] | A2I0[7:0] | A2I0[15:8] | A2I0[7:0] | A2Q0[15:8] | A2Q0[7:0] |
| DA3 | A2Q0[15:8] | A2Q0[7:0] | ||||
| DB0 | B1I0[15:8] | B1I0[7:0] | ||||
| DB1 | B1Q0[15:8] | B1Q0[7:0] | B1I0[15:8] | B1I0[7:0] | B1Q0[15:8] | B1Q0[7:0] |
| DB2 | B2I0[15:8] | B2I0[7:0] | B2I0[15:8] | B2I0[7:0] | B2Q0[15:8] | B2Q0[7:0] |
| DB3 | B2Q0[15:8] | B2Q0[7:0] | ||||
Table 24 lists the available JESD204B formats and valid ranges for the ADC32RF44 with decimation (dual-band DDC) when using real output format. The ranges are limited by the SerDes line rate and the maximum ADC sample frequency. The sample alignment on the different lanes is shown in Table 25.
| DECIMATION SETTING (Complex) | NUMBER OF ACTIVE DDCS | L | M | F | S | PLL MODE | JESD MODE0 | JESD MODE1 | JESD MODE2 | RATIO [fSerDes / fCLK (Gbps / GSPS)] |
|---|---|---|---|---|---|---|---|---|---|---|
| Divide-by-8 (Divide-by-4 real) |
2 per channel | 8 | 4 | 1 | 1 | 20X | 1 | 1 | 0 | 2.5 |
| 8 | 4 | 2 | 2 | 20X | 1 | 0 | 0 | |||
| 4 | 4 | 2 | 1 | 40X | 0 | 0 | 1 | 5 | ||
| 4 | 4 | 4 | 2 | 40X | 2 | 0 | 0 | |||
| Divide-by-9 (Divide-by-4.5 real) |
2 per channel | 8 | 4 | 1 | 1 | 20X | 1 | 1 | 0 | 2.22 |
| 8 | 4 | 2 | 2 | 20X | 1 | 0 | 0 | |||
| 4 | 4 | 2 | 1 | 40X | 0 | 0 | 1 | 4.44 | ||
| 4 | 4 | 4 | 2 | 40X | 2 | 0 | 0 | |||
| Divide-by-10 (Divide-by-5 real) |
2 per channel | 8 | 4 | 1 | 1 | 20X | 1 | 1 | 0 | 2 |
| 8 | 4 | 2 | 2 | 20X | 1 | 0 | 0 | |||
| 4 | 4 | 2 | 1 | 40X | 0 | 0 | 1 | 4 | ||
| 4 | 4 | 4 | 2 | 40X | 2 | 0 | 0 | |||
| Divide-by-12 (Divide-by-6 real) |
2 per channel | 8 | 4 | 1 | 1 | 20X | 1 | 1 | 0 | 1.67 |
| 8 | 4 | 2 | 2 | 20X | 1 | 0 | 0 | |||
| 4 | 4 | 2 | 1 | 40X | 0 | 0 | 1 | 3.33 | ||
| 4 | 4 | 4 | 2 | 40X | 2 | 0 | 0 | |||
| Divide-by-16 (Divide-by-8 real) |
2 per channel | 8 | 4 | 1 | 1 | 20X | 1 | 1 | 0 | 1.25 |
| 8 | 4 | 2 | 2 | 20X | 1 | 0 | 0 | |||
| 4 | 4 | 2 | 1 | 40X | 0 | 0 | 1 | 2.5 | ||
| 4 | 4 | 4 | 2 | 40X | 2 | 0 | 0 | |||
| Divide-by-18 (Divide-by-9 real) |
2 per channel | 8 | 4 | 1 | 1 | 20X | 1 | 1 | 0 | 1.11 |
| 8 | 4 | 2 | 2 | 20X | 1 | 0 | 0 | |||
| 4 | 4 | 2 | 1 | 40X | 0 | 0 | 1 | 2.22 | ||
| 4 | 4 | 4 | 2 | 40X | 2 | 0 | 0 | |||
| Divide-by-20 (Divide-by-10 real) |
2 per channel | 8 | 4 | 1 | 1 | 20X | 1 | 1 | 0 | 1 |
| 8 | 4 | 2 | 2 | 20X | 1 | 0 | 0 | |||
| 4 | 4 | 2 | 1 | 40X | 0 | 0 | 1 | 2 | ||
| 4 | 4 | 4 | 2 | 40X | 2 | 0 | 0 | |||
| Divide-by-24 (Divide-by-12 real) |
2 per channel | 4 | 4 | 2 | 1 | 40X | 0 | 0 | 1 | 1.67 |
| 4 | 4 | 4 | 2 | 40X | 2 | 0 | 0 | |||
| Divide-by-32 (Divide-by-16 real) |
2 per channel | 4 | 4 | 2 | 1 | 40X | 0 | 0 | 1 | 1.25 |
| 4 | 4 | 4 | 2 | 40X | 2 | 0 | 0 |
| OUTPUT LANE | LMFS = 8411 | LMFS = 8422 | LMFS = 4421 | LMFS = 4442 | |||||
|---|---|---|---|---|---|---|---|---|---|
| DA0 | A10[15:8] | A10[15:8] | A10[7:0] | ||||||
| DA1 | A10[7:0] | A11[15:8] | A11[7:0] | A10[15:8] | A10[7:0] | A10[15:8] | A10[7:0] | A11[15:8] | A11[7:0] |
| DA2 | A20[15:8] | A20[15:8] | A20[7:0] | A20[15:8] | A20[7:0] | A20[15:8] | A20[7:0] | A21[15:8] | A21[7:0] |
| DA3 | A20[7:0] | A21[15:8] | A21[7:0] | ||||||
| DB0 | B10[15:8] | B10[15:8] | B10[7:0] | ||||||
| DB1 | B10[7:0] | B11[15:8] | B11[7:0] | B10[15:8] | B10[7:0] | B10[15:8] | B10[7:0] | B11[15:8] | B11[7:0] |
| DB2 | B20[15:8] | B20[15:8] | B20[7:0] | B20[15:8] | B20[7:0] | B20[15:8] | B20[7:0] | B21[15:8] | B21[7:0] |
| DB3 | B20[7:0] | B21[15:8] | B21[7:0] | ||||||
The ADC has a set of internal registers that can be accessed by the serial interface formed by the SEN (serial interface enable), SCLK (serial interface clock), and SDIN (serial interface data) pins. Serially shifting bits into the device is enabled when SEN is low. SDIN serial data are latched at every SCLK rising edge when SEN is active (low), as shown in Figure 113. The interface can function with SCLK frequencies from 20 MHz down to low speeds (of a few hertz) and also with a non-50% SCLK duty cycle, as shown in Table 26.
The SPI access uses 24 bits consisting of eight register data bits, 12 register address bits, and four special bits to distinguish between read/write, page and register, and individual channel access, as described in Table 27.
Figure 113. SPI Timing Diagram
| MIN | TYP | MAX | UNIT | ||
|---|---|---|---|---|---|
| fSCLK | SCLK frequency (equal to 1 / tSCLK) | 1 | 20 | MHz | |
| tSLOADS | SEN to SCLK setup time | 50 | ns | ||
| tSLOADH | SCLK to SEN hold time | 50 | ns | ||
| tDSU | SDIN setup time | 10 | ns | ||
| tDH | SDIN hold time | 10 | ns | ||
| tSDOUT | Delay between SCLK falling edge to SDOUT | 10 | ns | ||
| SPI BIT | DESCRIPTION | OPTIONS |
|---|---|---|
| R/W bit | Read/write bit | 0 = SPI write 1 = SPI read back |
| M bit | SPI bank access | 0 = Analog SPI bank (master) 1 = All digital SPI banks (main digital, interleaving, decimation filter, JESD digital, and so forth) |
| P bit | JESD page selection bit | 0 = Page access 1 = Register access |
| CH bit | SPI access for a specific channel of the JESD SPI bank | 0 = Channel B 1 = Channel A |
| ADDR[11:0] | SPI address bits | — |
| DATA[7:0] | SPI data bits | — |
Figure 114 shows the SDOUT timing when data are read back from a register. Data are placed on the SDOUT bus at the SCLK falling edge so that the data can be latched at the SCLK rising edge by the external receiver.
Figure 114. SDOUT Timing
The internal register of the ADC32RF44 analog bank (Figure 115) can be programmed by:
Figure 115. SPI Write Timing Diagram for the Analog Bank
Contents of the registers located in the two pages of the analog bank (Figure 116) can be readback by:
Figure 116. SPI Read Timing Diagram for the Analog Bank
The digital bank contains seven pages (Offset Corrector Page for channel A and B; Digital Gain Page for channel A and B; Main digital Page for channel A and B; and JESD Digital Page). The timing for the individual page selection is shown in Figure 117. The registers located in the pages of the digital bank can be programmed by:
Figure 117. SPI Write Timing Diagram for Digital Bank Page Selection
Note that the JESD digital page is common for both channels. The CH bit can be used to distinguish between two channels when programming registers in the JESD digital page. When CH = 0, registers are programmed for channel B; when CH = 1, registers are programmed for channel A. Thus, an SPI cycle to program registers for channel B begins with 6xxx and channel A begins with 7xxx.
Figure 118. SPI Write Timing Diagram for Digital Bank Register Write
Readback of the register in one of the digital banks (as shown in Figure 119) can be accomplished by:
Figure 119. SPI Read Timing Diagram for the Digital Bank
The decimation filter and power detector pages are special pages that accept direct addressing. The sampling clock and SYSREF signal are required to properly configure the decimation settings. Registers located in these pages can be programmed in one SPI cycle (Figure 120).
Figure 120. SPI Write Timing Diagram for the Decimation and Power Detector Pages
The ADC32RF44 contains two main SPI banks. The analog SPI bank provides access to the ADC core and the digital SPI bank controls the digital blocks (including the serial JESD interface). Figure 121 and Figure 122 provide a conceptual view of the SPI registers inside the ADC32RF44. The analog SPI bank contains the master and ADC pages. The digital SPI bank is divided into multiple pages (the main digital, digital gain, decimation filter, JESD digital, and power detector pages).
Table 28 lists the register map for the ADC32RF44.
| REGISTER ADDRESS A[11:0] (Hex) |
REGISTER DATA | |||||||
|---|---|---|---|---|---|---|---|---|
| 7 | 6 | 5 | 4 | 3 | 2 | 1 | 0 | |
| GENERAL REGISTERS | ||||||||
| 000 | RESET | 0 | 0 | 0 | 0 | 0 | 0 | RESET |
| 002 | DIGITAL BANK PAGE SEL[7:0] | |||||||
| 003 | DIGITAL BANK PAGE SEL[15:8] | |||||||
| 004 | DIGITAL BANK PAGE SEL[23:16] | |||||||
| 010 | 0 | 0 | 0 | 0 | 0 | 0 | 0 | 3 or 4 WIRE |
| 011 | ADC PAGE SEL | |||||||
| 012 | 0 | 0 | 0 | 0 | 0 | MASTER PAGE SEL | 0 | 0 |
| MASTER PAGE (M = 0) | ||||||||
| 020 | 0 | 0 | 0 | PDN SYSREF | 0 | 0 | 0 | GLOBAL PDN |
| 032 | 0 | 0 | INCR CM IMPEDANCE | 0 | 0 | 0 | 0 | 0 |
| 039 | 0 | ALWAYS WRITE 1 | 0 | ALWAYS WRITE 1 | 0 | 0 | 0 | SYNC TERM DIS |
| 03C | 0 | SYSREF DEL EN | 0 | 0 | 0 | 0 | SYSREF DEL[4:3] | |
| 03D | 0 | 0 | 0 | 0 | 0 | JESD OUTPUT SWING | ||
| 05A | SYSREF DEL[2:0] | 0 | 0 | 0 | 0 | 0 | ||
| 057 | 0 | 0 | 0 | SEL SYSREF REG | ASSERT SYSREF REG | 0 | 0 | 0 |
| 058 | 0 | 0 | SYNCB POL | 0 | 0 | 0 | 0 | 0 |
| ADC PAGE (FFh, M = 0) | ||||||||
| 03F | 0 | 0 | 0 | 0 | 0 | SLOW SP EN1 | 0 | 0 |
| 042 | 0 | 0 | 0 | SLOW SP EN2 | 0 | 0 | 0 | 0 |
| Offset Corr Page Channel A (610000h, M = 1) | ||||||||
| 68 | FREEZE OFFSET CORR | 0 | ALWAYS WRITE 1 | 0 | 0 | DIS OFFSET CORR | ALWAYS WRITE 1 | 0 |
| Offset Corr Page Channel B (610100h, M = 1) | ||||||||
| 68 | FREEZE OFFSET CORR | 0 | ALWAYS WRITE 1 | 0 | 0 | DIS OFFSET CORR | ALWAYS WRITE 1 | 0 |
| Digital Gain Page Channel A (610005, M = 1) | ||||||||
| 0A6 | 0 | 0 | 0 | 0 | DIGITAL GAIN | |||
| Digital Gain Page Channel B (610105, M = 1) | ||||||||
| 0A6 | 0 | 0 | 0 | 0 | DIGITAL GAIN | |||
| Main Digital Page Channel A (680000h, M = 1) | ||||||||
| 000 | 0 | 0 | 0 | 0 | 0 | 0 | 0 | DIG CORE RESET GBL |
| 0A2 | 0 | 0 | 0 | 0 | NQ ZONE EN | NYQUIST ZONE | ||
| Main Digital Page Channel B (680100h, M = 1) | ||||||||
| 000 | 0 | 0 | 0 | 0 | 0 | 0 | 0 | 0 |
| 0A2 | 0 | 0 | 0 | 0 | NQ ZONE EN | NYQUIST ZONE | ||
| JESD DIGITAL PAGE (690000h, M = 1) | ||||||||
| 001 | CTRL K | 0 | 0 | TESTMODE EN | 0 | LANE ALIGN | FRAME ALIGN | TX LINK DIS |
| 002 | SYNC REG | SYNC REG EN | 0 | 0 | 12BIT MODE | JESD MODE0 | ||
| 003 | LINK LAYER TESTMODE | LINK LAY RPAT | LMFC MASK RESET | JESD MODE1 | JESD MODE2 | RAMP 12BIT | ||
| 004 | 0 | 0 | 0 | 0 | 0 | 0 | REL ILA SEQ | |
| 006 | SCRAMBLE EN | 0 | 0 | 0 | 0 | 0 | 0 | 0 |
| 007 | 0 | 0 | 0 | FRAMES PER MULTIFRAME (K) | ||||
| 016 | LANE 0 | LANE 1 | LANE 2 | LANE 3 | ||||
| 017 | 0 | 0 | 0 | 0 | LANE0 POL |
LANE1 POL |
LANE2 POL |
LANE3 POL |
| 032 | SEL EMP LANE 0 | 0 | 0 | |||||
| 033 | SEL EMP LANE 1 | 0 | 0 | |||||
| 034 | SEL EMP LANE 2 | 0 | 0 | |||||
| 035 | SEL EMP LANE 3 | 0 | 0 | |||||
| 036 | 80X MODE EN | CMOS SYNCB | 0 | 0 | 0 | 0 | 0 | 0 |
| 037 | 0 | 0 | 0 | 0 | 0 | 0 | PLL MODE | |
| 03E | 0 | MASK CLKDIV SYSREF | MASK NCO SYSREF | 0 | 0 | 0 | 0 | 0 |
| DECIMATION FILTER PAGE (Direct Addressing, 16-Bit Address, 5000h for Channel A and 5800h for Channel B) | ||||||||
| 000 | 0 | 0 | 0 | 0 | 0 | 0 | 0 | DDC EN |
| 001 | 0 | 0 | 0 | 0 | DECIM FACTOR | |||
| 002 | 0 | 0 | 0 | 0 | 0 | 0 | 0 | DUAL BAND EN |
| 005 | 0 | 0 | 0 | 0 | 0 | 0 | 0 | REAL OUT EN |
| 006 | 0 | 0 | 0 | 0 | 0 | 0 | 0 | DDC MUX |
| 007 | DDC0 NCO1 LSB | |||||||
| 008 | DDC0 NCO1 MSB | |||||||
| 009 | DDC0 NCO2 LSB | |||||||
| 00A | DDC0 NCO2 MSB | |||||||
| 00B | DDC0 NCO3 LSB | |||||||
| 00C | DDC0 NCO3 MSB | |||||||
| 00D | DDC1 NCO4 LSB | |||||||
| 00E | DDC1 NCO4 MSB | |||||||
| 00F | 0 | 0 | 0 | 0 | 0 | 0 | 0 | NCO SEL PIN |
| 010 | 0 | 0 | 0 | 0 | 0 | 0 | NCO SEL | |
| 011 | 0 | 0 | 0 | 0 | 0 | 0 | LMFC RESET MODE | |
| 014 | 0 | 0 | 0 | 0 | 0 | 0 | 0 | DDC0 6DB GAIN |
| 016 | 0 | 0 | 0 | 0 | 0 | 0 | 0 | DDC1 6DB GAIN |
| 01E | 0 | DDC DET LAT | 0 | 0 | 0 | 0 | ||
| 01F | 0 | 0 | 0 | 0 | 0 | 0 | 0 | WBF 6DB GAIN |
| 033 | CUSTOM PATTERN1[7:0] | |||||||
| 034 | CUSTOM PATTERN1[15:8] | |||||||
| 035 | CUSTOM PATTERN2[7:0] | |||||||
| 036 | CUSTOM PATTERN2[15:8] | |||||||
| 037 | 0 | 0 | 0 | 0 | TEST PATTERN SEL | |||
| 038 | TEST PATTERN DDC2 Q-DATA | TEST PATTERN DDC2 I -DATA | ||||||
| 039 | 0 | 0 | 0 | 0 | 0 | 0 | 0 | USE COMMON TEST PATTERN |
| 03A | 0 | 0 | 0 | 0 | 0 | 0 | TEST PAT RES | TP RES EN |
| POWER DETECTOR PAGE (Direct Addressing, 16-Bit Address, 5400h for Channel A and 5C00h for Channel B) | ||||||||
| 000 | 0 | 0 | 0 | 0 | 0 | 0 | 0 | PKDET EN |
| 001 | BLKPKDET [7:0] | |||||||
| 002 | BLKPKDET [15:8] | |||||||
| 003 | 0 | 0 | 0 | 0 | 0 | 0 | 0 | BLKPKDET [16] |
| 007 | BLKTHHH | |||||||
| 008 | BLKTHHL | |||||||
| 009 | BLKTHLH | |||||||
| 00A | BLKTHLL | |||||||
| 00B | DWELL[7:0] | |||||||
| 00C | DWELL[15:8] | |||||||
| 00D | 0 | 0 | 0 | 0 | 0 | 0 | 0 | FILT0LPSEL |
| 00E | 0 | 0 | 0 | 0 | TIMECONST | |||
| 00F | FIL0THH[7:0] | |||||||
| 010 | FIL0THH[15:8] | |||||||
| 011 | FIL0THL[7:0] | |||||||
| 012 | FIL0THL[15:8] | |||||||
| 013 | 0 | 0 | 0 | 0 | 0 | 0 | 0 | IIR0 2BIT EN |
| 016 | FIL1THH[7:0] | |||||||
| 017 | FIL1THH[15:8] | |||||||
| 018 | FIL1THL[7:0] | |||||||
| 019 | FIL1THL[15:8] | |||||||
| 01A | 0 | 0 | 0 | 0 | 0 | 0 | 0 | IIR1 2BIT EN |
| 01D | DWELLIIR[7:0] | |||||||
| 01E | DWELLIIR[15:8] | |||||||
| 020 | 0 | 0 | 0 | 0 | 0 | 0 | 0 | IIR0 2BIT EN |
| 021 | 0 | 0 | 0 | PWRDETACCU | ||||
| 022 | PWRDETH[7:0] | |||||||
| 023 | PWRDETH[15:8] | |||||||
| 024 | PWRDETL[7:0] | |||||||
| 025 | PWRDETL[15:8] | |||||||
| POWER DETECTOR PAGE (continued) | ||||||||
| 027 | 0 | 0 | 0 | 0 | 0 | 0 | 0 | RMS 2BIT EN |
| 02B | 0 | 0 | 0 | RESET AGC | 0 | 0 | 0 | 0 |
| 037 | 0 | 0 | 0 | 0 | IODIR GPIO4 | IODIR GPIO3 | IODIR GPIO2 | IODIR GPIO1 |
| 038 | 0 | 0 | INSEL1 | 0 | 0 | INSEL0 | ||
| POWER DETECTOR PAGE (Direct Addressing, 16-Bit Address, 5400h) | ||||||||
| 032 | OUTSEL GPIO1 | |||||||
| 033 | OUTSEL GPIO2 | |||||||
| 034 | OUTSEL GPIO3 | |||||||
| 035 | OUTSEL GPIO4 | |||||||
This section provides three different example register writes. Table 29 describes a global power-down register write, Table 30 describes the register writes when the scrambler is enabled, and Table 31 describes the register writes for 8X decimation for channels A and B (complex output, 1 DDC mode) with the NCO set to 1.56 GHz (fS = 2.6 GSPS) and the JESD format configured to LMFS = 4421.
| ADDRESS | DATA | COMMENT |
|---|---|---|
| 12h | 04h | Set the master page |
| 20h | 01h | Set the global power-down |
| ADDRESS | DATA | COMMENT |
|---|---|---|
| 4004h | 69h | Select the digital JESD page |
| 4003h | 00h | |
| 6006h | 80h | Scrambler enable, channel A |
| 7006h | 80h | Scrambler enable, channel B |
| ADDRESS | DATA | COMMENT |
|---|---|---|
| 4004h | 68h | Select the main digital page for channel A |
| 4003h | 00h | |
| 6000h | 01h | Issue a digital reset for channel A |
| 6000h | 00h | Clear the digital for reset channel A |
| 4003h | 01h | Select the main digital page for channel B |
| 6000h | 01h | Issue a digital reset for channel B |
| 6000h | 00h | Clear the digital reset for channel B |
| 4004h | 69h | Select the digital JESD page |
| 4003h | 00h | |
| 6002h | 01h | Set JESD MODE0 = 1, channel A |
| 7002h | 01h | Set JESD MODE0 = 1, channel B |
| 5000h | 01h | Enable the DDC, channel A |
| 5001h | 02h | Set decimation to 8X complex |
| 5007h | 9Ah | Set the LSB of DDC0, NCO1 to 9Ah (fNCO = 1.56GHz, fS = 2.6 GSPS) |
| 5008h | 99h | Set the MSB of DDC0, NCO1 to 99h (fNCO = 1.56 GHz, fS = 2.6 GSPS) |
| 5014h | 01h | Enable the 6-dB digital gain of DDC0 |
| 5801h | 02h | Set decimation to 8X complex |
| 5807h | 9Ah | Set the LSB of DDC0, NCO1 to 9Ah (fNCO = 1.56 GHz, fS = 2.6 GSPS) |
| 5808h | 99h | Set the MSB of DDC0, NCO1 to 99h (fNCO = 1.56 GHz, fS = 2.6 GSPS) |
| 5814h | 01h | Enable the 6-dB digital gain of DDC0 |
| 7 | 6 | 5 | 4 | 3 | 2 | 1 | 0 |
| RESET | 0 | 0 | 0 | 0 | 0 | 0 | RESET |
| R/W-0h | W-0h | W-0h | W-0h | W-0h | W-0h | W-0h | R/W-0h |
| LEGEND: R/W = Read/Write; W = Write only; -n = value after reset |
| Bit | Field | Type | Reset | Description |
|---|---|---|---|---|
| 7 | RESET | R/W | 0h |
0 = Normal operation 1 = Internal software reset, clears back to 0 |
| 6-1 | 0 | W | 0h | Must write 0 |
| 0 | RESET | R/W | 0h |
0 = Normal operation(1) 1 = Internal software reset, clears back to 0 |
| 7 | 6 | 5 | 4 | 3 | 2 | 1 | 0 |
| DIGITAL BANK PAGE SEL[7:0] | |||||||
| R/W-0h | |||||||
| LEGEND: R/W = Read/Write; -n = value after reset |
| Bit | Field | Type | Reset | Description |
|---|---|---|---|---|
| 7-0 | DIGITAL BANK PAGE SEL[7:0] | R/W | 0h | Program the JESD BANK PAGE SEL[23:0] bits to access the desired page in the JESD bank. 680000h = Main digital page CHA selected 680100h = Main digital page CHB selected 610000h = Digital function page CHA selected 610100h = Digital function page CHB selected 690000h = JESD digital page selected |
| 7 | 6 | 5 | 4 | 3 | 2 | 1 | 0 |
| DIGITAL BANK PAGE SEL[15:8] | |||||||
| R/W-0h | |||||||
| LEGEND: R/W = Read/Write; -n = value after reset |
| Bit | Field | Type | Reset | Description |
|---|---|---|---|---|
| 7-0 | DIGITAL BANK PAGE SEL[15:8] | R/W | 0h | Program the JESD BANK PAGE SEL[23:0] bits to access the desired page in the JESD bank. 680000h = Main digital page CHA selected 680100h = Main digital page CHB selected 610000h = Digital function page CHA selected 610100h = Digital function page CHB selected 690000h = JESD digital page selected |
| 7 | 6 | 5 | 4 | 3 | 2 | 1 | 0 |
| DIGITAL BANK PAGE SEL[23:16] | |||||||
| R/W-0h | |||||||
| LEGEND: R/W = Read/Write; -n = value after reset |
| Bit | Field | Type | Reset | Description |
|---|---|---|---|---|
| 7-0 | DIGITAL BANK PAGE SEL[23:16] | R/W | 0h | Program the JESD BANK PAGE SEL[23:0] bits to access the desired page in the JESD bank. 680000h = Main digital page CHA selected 680100h = Main digital page CHB selected 610000h = Digital function page CHA selected 610100h = Digital function page CHB selected 690000h = JESD digital page selected |
| 7 | 6 | 5 | 4 | 3 | 2 | 1 | 0 |
| 0 | 0 | 0 | 0 | 0 | 0 | 0 | 3 or 4 WIRE |
| W-0h | W-0h | W-0h | W-0h | W-0h | W-0h | W-0h | R/W-0h |
| LEGEND: R/W = Read/Write; W = Write; -n = value after reset |
| Bit | Field | Type | Reset | Description |
|---|---|---|---|---|
| 7-1 | 0 | W | 0h | Must write 0 |
| 0 | 3 or 4 WIRE | R/W | 0h | 0 = 4-wire SPI (default) 1 = 3-wire SPI where SDIN become input or output |
| 7 | 6 | 5 | 4 | 3 | 2 | 1 | 0 |
| ADC PAGE SEL | |||||||
| R/W-0h | |||||||
| LEGEND: R/W = Read/Write; -n = value after reset |
| Bit | Field | Type | Reset | Description |
|---|---|---|---|---|
| 7-0 | ADC PAGE SEL | R/W | 0h |
00000000 = Normal operation, ADC page is not selected 11111111 = ADC page is selected; MASTER PAGE SEL must be set to 0 |
| 7 | 6 | 5 | 4 | 3 | 2 | 1 | 0 |
| 0 | 0 | 0 | 0 | 0 | MASTER PAGE SEL | 0 | 0 |
| W-0h | W-0h | W-0h | W-0h | W-0h | R/W-0h | W-0h | W-0h |
| LEGEND: R/W = Read/Write; W = Write only; -n = value after reset |
| Bit | Field | Type | Reset | Description |
|---|---|---|---|---|
| 7-3 | 0 | W | 0h | Must write 0 |
| 2 | MASTER PAGE SEL | R/W | 0h |
0 = Normal operation 1 = Selects the master page address; ADC PAGE must be set to 0 |
| 1-0 | 0 | W | 0h | Must write 0 |
| 7 | 6 | 5 | 4 | 3 | 2 | 1 | 0 |
| 0 | 0 | 0 | PDN SYSREF | 0 | 0 | PDN CHB | GLOBAL PDN |
| W-0h | W-0h | W-0h | R/W-0h | W-0h | R/W-0h | R/W-0h | R/W-0h |
| LEGEND: R/W = Read/Write; W = Write only; -n = value after reset |
| Bit | Field | Type | Reset | Description |
|---|---|---|---|---|
| 7-5 | 0 | W | 0h | Must write 0 |
| 4 | PDN SYSREF | R/W | 0h |
This bit powers down the SYSREF input buffer. 0 = Normal operation 1 = SYSREF input capture buffer is powered down and further SYSREF input pulses are ignored |
| 3-2 | 0 | W | 0h | Must write 0 |
| 1 | PDN CHB | R/W | 0h | This bit powers down channel B. 0 = Normal operation 1 = Channel B is powered down |
| 0 | GLOBAL PDN | R/W | 0h | This bit enables the global power-down. 0 = Normal operation 1 = Global power-down enabled |
| 7 | 6 | 5 | 4 | 3 | 2 | 1 | 0 |
| 0 | 0 | INCR CM IMPEDANCE | 0 | 0 | 0 | 0 | 0 |
| W-0h | W-0h | R/W-0h | W-0h | W-0h | W-0h | W-0h | W-0h |
| LEGEND: R/W = Read/Write; W = Write only; -n = value after reset |
| Bit | Field | Type | Reset | Description |
|---|---|---|---|---|
| 7-6 | 0 | W | 0h | Must write 0 |
| 5 | INCR CM IMPEDANCE | R/W | 0h |
Only use this bit when analog inputs are dc-coupled to the driver. 0 = VCM buffer directly drives the common point of biasing resistors. 1 = VCM buffer drives the common point of biasing resistors with > 5 kΩ |
| 4-0 | 0 | W | 0h | Must write 0 |
| 7 | 6 | 5 | 4 | 3 | 2 | 1 | 0 |
| 0 | ALWAYS WRITE 1 | 0 | ALWAYS WRITE 1 | 0 | 0 | PDN CHB EN | SYNC TERM DIS |
| W-0h | W-0h | W-0h | W-0h | W-0h | R/W-0h | R/W-0h | R/W-0h |
| LEGEND: R/W = Read/Write; W = Write only; -n = value after reset |
| Bit | Field | Type | Reset | Description |
|---|---|---|---|---|
| 7 | 0 | W | 0h | Must write 0 |
| 6 | ALWAYS WRITE 1 | W | 0h | Always set this bit to 1 |
| 5 | 0 | W | 0h | Must write 0 |
| 4 | ALWAYS WRITE 1 | W | 0h | Always set this bit to 1 |
| 3-2 | 0 | W | 0h | Must write 0 |
| 1 | PDN CHB EN | R/W | 0h | This bit enables the power-down control of channel B through the SPI in register 20h. 0 = PDN control disabled 1 = PDN control enabled |
| 0 | SYNC TERM DIS | R/W | 0h | This bit disables the on-chip, 100-Ω termination resistors on the SYNCB input. 0 = On-chip, 100-Ω termination enabled 1 = On-chip, 100-Ω termination disabled |
| 7 | 6 | 5 | 4 | 3 | 2 | 1 | 0 |
| 0 | SYSREF DEL EN | 0 | 0 | 0 | 0 | SYSREF DEL[4:3] | |
| W-0h | R/W-0h | W-0h | W-0h | W-0h | W-0h | R/W-0h | |
| LEGEND: R/W = Read/Write; W = Write only; -n = value after reset |
| Bit | Field | Type | Reset | Description |
|---|---|---|---|---|
| 7 | 0 | W | 0h | Must write 0 |
| 6 | SYSREF DEL EN | R/W | 0h | This bit allows an internal delay to be added to the SYSREF input. 0 = SYSREF delay disabled 1 = SYSREF delay enabled through register settings [3Ch (bits 1-0), 5Ah (bits 7-5)] |
| 5-2 | 0 | W | 0h | Must write 0 |
| 1-0 | SYSREF DEL[4:3] | R/W | 0h | When the SYSREF delay feature is enabled (3Ch, bit 6) the delay can be adjusted in 25-ps steps; the first step is 175 ps. The PVT variation of each 25-ps step is ±10 ps. The 175-ps step is ±50 ps; see Table 44. |
| 7 | 6 | 5 | 4 | 3 | 2 | 1 | 0 |
| SYSREF DEL[2:0] | 0 | 0 | 0 | 0 | 0 | ||
| W-0h | R/W-0h | W-0h | W-0h | W-0h | W-0h | W-0h | W-0h |
| LEGEND: R/W = Read/Write; W = Write only; -n = value after reset |
| Bit | Field | Type | Reset | Description |
|---|---|---|---|---|
| 7 | SYSREF DEL2 | W | 0h | When the SYSREF delay feature is enabled (3Ch, bit 6) the delay can be adjusted in 25-ps steps; the first step is 175 ps. The PVT variation of each 25-ps step is ±10 ps. The 175-ps step is ±50 ps; see Table 44. |
| 6 | SYSREF DEL1 | R/W | ||
| 5 | SYSREF DEL0 | W | ||
| 4-0 | 0 | W | 0h | Must write 0 |
| STEP | SETTING | STEP (NOM) | TOTAL DELAY (NOM) |
|---|---|---|---|
| 1 | 01000 | 175 ps | 175 ps |
| 2 | 00111 | 25 ps | 200 ps |
| 3 | 00110 | 25 ps | 225 ps |
| 4 | 00101 | 25 ps | 250 ps |
| 5 | 00100 | 25 ps | 275 ps |
| 6 | 00011 | 25 ps | 300 ps |
| 7 | 6 | 5 | 4 | 3 | 2 | 1 | 0 |
| 0 | 0 | 0 | 0 | 0 | JESD OUTPUT SWING | ||
| W-0h | W-0h | W-0h | W-0h | W-0h | R/W-0h | ||
| LEGEND: R/W = Read/Write; W = Write only; -n = value after reset |
| Bit | Field | Type | Reset | Description |
|---|---|---|---|---|
| 7-3 | 0 | W | 0h | Must write 0 |
| 2-0 | JESD OUTPUT SWING | R/W | 0h | These bits select the output amplitude, VOD (mVPP), of the JESD transmitter for all lanes. 0 = 860 mVPP 1= 810 mVPP 2 = 770 mVPP 3 = 745 mVPP 4 = 960 mVPP 5 = 930 mVPP 6 = 905 mVPP 7 = 880 mVPP |
| 7 | 6 | 5 | 4 | 3 | 2 | 1 | 0 |
| 0 | 0 | 0 | SEL SYSREF REG | ASSERT SYSREF REG | 0 | 0 | 0 |
| W-0h | W-0h | W-0h | R/W-0h | R/W-0h | W-0h | W-0h | W-0h |
| LEGEND: R/W = Read/Write; W = Write only; -n = value after reset |
| Bit | Field | Type | Reset | Description |
|---|---|---|---|---|
| 7-5 | 0 | W | 0h | Must write 0 |
| 4 | SEL SYSREF REG | R/W | 0h | SYSREF can be asserted using this bit. Ensure that the SEL SYSREF REG register bit is set high before using this bit; see the Using SYSREF section. 0 = SYSREF is logic low 1 = SYSREF is logic high |
| 3 | ASSERT SYSREF REG | R/W | 0h | Set this bit to use the SPI register to assert SYSREF. 0 = SYSREF is asserted by device pins 1 = SYSREF can be asserted by the ASSERT SYSREF REG register bit Other bits = 0 |
| 2-0 | 0 | W | 0h | Must write 0 |
| 7 | 6 | 5 | 4 | 3 | 2 | 1 | 0 |
| 0 | 0 | SYNCB POL | 0 | 0 | 0 | 0 | 0 |
| W-0h | W-0h | R/W-0h | W-0h | W-0h | W-0h | W-0h | W-0h |
| LEGEND: R/W = Read/Write; W = Write only; -n = value after reset |
| Bit | Field | Type | Reset | Description |
|---|---|---|---|---|
| 7-6 | 0 | W | 0h | Must write 0 |
| 5 | SYNCB POL | R/W | 0h | This bit inverts the SYNCB polarity. 0 = Polarity is not inverted; this setting matches the timing diagrams in this document and is the proper setting to use 1 = Polarity is inverted |
| 4-0 | 0 | W | 0h | Must write 0 |
| 7 | 6 | 5 | 4 | 3 | 2 | 1 | 0 |
| 0 | 0 | 0 | 0 | 0 | SLOW SP EN1 | 0 | 0 |
| W-0h | W-0h | W-0h | W-0h | W-0h | R/W-0h | W-0h | W-0h |
| LEGEND: R/W = Read/Write; R = Read only; -n = value after reset |
| Bit | Field | Type | Reset | Description |
|---|---|---|---|---|
| 7-3 | 0 | W | 0h | Must write 0 |
| 2 | SLOW SP EN1 | R/W | 0h |
This bit must be enabled for clock rates below 2.5 GSPS. 0 = ADC sampling rates are faster than 2.5 GSPS 1 = ADC sampling rates are slower than 2.5 GSPS |
| 1-0 | 0 | W | 0h | Must write 0 |
| 7 | 6 | 5 | 4 | 3 | 2 | 1 | 0 |
| 0 | 0 | 0 | SLOW SP EN2 | 0 | 0 | 0 | 0 |
| W-0h | W-0h | W-0h | R/W-0h | W-0h | W-0h | W-0h | W-0h |
| LEGEND: R/W = Read/Write; W = Write only; -n = value after reset |
| Bit | Field | Type | Reset | Description |
|---|---|---|---|---|
| 7-5 | 0 | W | 0h | Must write 0 |
| 4 | SLOW SP EN2 | R/W | 0h |
This bit must be enabled for clock rates below 2.5 GSPS. 0 = ADC sampling rates are faster than 2.5 GSPS 1 = ADC sampling rates are slower than 2.5 GSPS |
| 3-0 | 0 | W | 0h | Must write 0 |
| 7 | 6 | 5 | 4 | 3 | 2 | 1 | 0 |
| 0 | 0 | 0 | 0 | DIG GAIN | |||
| W-0h | W-0h | W-0h | W-0h | R/W-0h | |||
| LEGEND: R/W = Read/Write; W = Write only; -n = value after reset |
| Bit | Field | Type | Reset | Description |
|---|---|---|---|---|
| 7-4 | 0 | W | 0h | Must write 0 |
| 3-0 | DIG GAIN | R/W | 0h | These bits set the digital gain of the ADC output data prior to decimation up to 11 dB; see Table 51. |
| SETTING | DIGITAL GAIN |
|---|---|
| 0000 | 0 dB |
| 0001 | 1 dB |
| 0010 | 2 dB |
| … | … |
| 1010 | 10 dB |
| 1011 | 11 dB |
| 7 | 6 | 5 | 4 | 3 | 2 | 1 | 0 |
| 0 | 0 | 0 | 0 | 0 | 0 | 0 | SEL EXT EST |
| W-0h | W-0h | W-0h | W-0h | W-0h | W-0h | W-0h | R/W-0h |
| LEGEND: R/W = Read/Write; W = Write only; -n = value after reset |
| Bit | Field | Type | Reset | Description |
|---|---|---|---|---|
| 7-1 | 0 | W | 0h | Must write 0 |
| 0 | SEL EXT EST | R/W | 0h | This bit selects the external estimate for the offset correction block; see the Using DC Coupling in the ADC32RF44 section. |
| 7 | 6 | 5 | 4 | 3 | 2 | 1 | 0 |
| FREEZE OFFSET CORR | 0 | ALWAYS WRITE 1 | 0 | 0 | DIS OFFSET CORR | ALWAYS WRITE 1 | 0 |
| R/W-0h | W-0h | R/W-0h | W-0h | W-0h | R/W-0h | R/W-0h | R/W-0h |
| LEGEND: R/W = Read/Write; W = Write only; -n = value after reset |
| Bit | Field | Type | Reset | Description |
|---|---|---|---|---|
| 7 | FREEZE OFFSET CORR | R/W | 0h | Use this bit and bits 5 and 1 to freeze the offset estimation process of the offset corrector; see the Using DC Coupling in the ADC32RF44 section. 011 = Apply this setting after powering up the device 111 = Offset corrector is frozen, does not estimate offset anymore, and applies the last computed value. Others = Do not use |
| 6 | 0 | W | 0h | Must write 0 |
| 5 | ALWAYS WRITE 1 | R/W | 0h | Always write this bit as 1 for the offset correction block to work properly. |
| 4-3 | 0 | W | 0h | Must write 0 |
| 2 | DIS OFFSET CORR | R/W | 0h | 0 = Offset correction block works and removes fS/8, fS/4, 3fS/8, and fS/2 spurs 1 = Offset correction block is disabled |
| 1 | ALWAYS WRITE 1 | R/W | 0h | Always write this bit as 1 for the offset correction block to work properly. |
| 0 | 0 | W | 0h | Must write 0 |
| 7 | 6 | 5 | 4 | 3 | 2 | 1 | 0 |
| FREEZE OFFSET CORR | 0 | ALWAYS WRITE 1 | 0 | 0 | DIS OFFSET CORR | ALWAYS WRITE 1 | 0 |
| R/W-0h | W-0h | R/W-0h | W-0h | W-0h | R/W-0h | R/W-0h | R/W-0h |
| LEGEND: R/W = Read/Write; W = Write only; -n = value after reset |
| Bit | Field | Type | Reset | Description |
|---|---|---|---|---|
| 7,5,1 | FREEZE OFFSET CORR | R/W | 0h | Use this bit and bits 5 and 1 to freeze the offset estimation process of the offset corrector; see the Using DC Coupling in the ADC32RF44 section. 011 = Apply this setting after powering up the device 111 = Offset corrector is frozen, does not estimate offset anymore, and applies the last computed value. Others = Do not use |
| 6 | 0 | W | 0h | Must write 0 |
| 5 | ALWAYS WRITE 1 | R/W | 0h | Always write this bit as 1 for the offset correction block to work properly. |
| 4-3 | 0 | W | 0h | Must write 0 |
| 2 | DIS OFFSET CORR | R/W | 0h | 0 = Offset correction block works and removes fS/8, fS/4, 3fS/8, and fS/2 spurs 1 = Offset correction block is disabled |
| 1 | ALWAYS WRITE 1 | R/W | 0h | Always write this bit as 1 for the offset correction block to work properly. |
| 0 | 0 | W | 0h | Must write 0 |
| 7 | 6 | 5 | 4 | 3 | 2 | 1 | 0 |
| 0 | 0 | 0 | 0 | DIGITAL GAIN | |||
| W-0h | W-0h | W-0h | W-0h | R/W-0h | |||
| LEGEND: R/W = Read/Write; W = Write only; -n = value after reset |
| Bit | Field | Type | Reset | Description |
|---|---|---|---|---|
| 7-4 | 0 | W | 0h | Must write 0 |
| 3-0 | DIGITAL GAIN | R/W | 0h | These bits apply a digital gain to the ADC data (before the DDC) up to 11 dB. 0000 = Default 0001 = 1 dB 1011 = 11 dB Others = Do not use |
| 7 | 6 | 5 | 4 | 3 | 2 | 1 | 0 |
| 0 | 0 | 0 | 0 | 0 | 0 | 0 | DIG CORE RESET GBL |
| W-0h | W-0h | W-0h | W-0h | W-0h | W-0h | W-0h | R/W-0h |
| LEGEND: R/W = Read/Write; W = Write only; -n = value after reset |
| Bit | Field | Type | Reset | Description |
|---|---|---|---|---|
| 7-1 | 0 | W | 0h | Must write 0 |
| 0 | DIG CORE RESET GBL | R/W | 0h | Pulse this bit (0 →1 →0) to reset the digital core (applies to both channel A and B). All Nyquist zone settings take effect when this bit is pulsed. |
| 7 | 6 | 5 | 4 | 3 | 2 | 1 | 0 |
| 0 | 0 | 0 | 0 | NQ ZONE EN | NYQUIST ZONE | ||
| W-0h | W-0h | W-0h | W-0h | R/W-0h | R/W-0h | ||
| LEGEND: R/W = Read/Write; W = Write only; -n = value after reset |
| Bit | Field | Type | Reset | Description |
|---|---|---|---|---|
| 7-4 | 0 | W | 0h | Must write 0 |
| 3 | NQ ZONE EN | R/W | 0h | This bit allows for specification of the operating Nyquist zone. 0 = Nyquist zone specification disabled 1 = Nyquist zone specification enabled |
| 2-0 | NYQUIST ZONE | R/W | 0h | These bits specify the operating Nyquist zone for the analog correction loop. Set the NQ ZONE EN bit before programming these bits. For example, at a 2.6-GSPS chip clock, the first Nyquist zone is from dc to 1.3 GHz, the second Nyquist zone is from 1.3 GHz to 2.6 GHz, and so on. 000 = First Nyquist zone (dc – fS / 2) 001 = Second Nyquist zone (fS / 2 – fS) 010 = Third Nyquist zone 011 = Fourth Nyquist zone |
| 7 | 6 | 5 | 4 | 3 | 2 | 1 | 0 |
| 0 | 0 | 0 | 0 | 0 | 0 | 0 | DIG CORE RESET GBL |
| W-0h | W-0h | W-0h | W-0h | W-0h | W-0h | W-0h | R/W-0h |
| LEGEND: R/W = Read/Write; W = Write only; -n = value after reset |
| Bit | Field | Type | Reset | Description |
|---|---|---|---|---|
| 7-1 | 0 | W | 0h | Must write 0 |
| 0 | DIG CORE RESET GBL | R/W | 0h | Pulse this bit (0 →1 →0) to reset the digital core (applies to both channel A and B). All Nyquist zone settings take effect when this bit is pulsed. |
| 7 | 6 | 5 | 4 | 3 | 2 | 1 | 0 |
| 0 | 0 | 0 | 0 | NQ ZONE EN | NYQUIST ZONE | ||
| W-0h | W-0h | W-0h | W-0h | R/W-0h | R/W-0h | ||
| LEGEND: R/W = Read/Write; W = Write only; -n = value after reset |
| Bit | Field | Type | Reset | Description |
|---|---|---|---|---|
| 7-4 | 0 | W | 0h | Must write 0 |
| 3 | NQ ZONE EN | R/W | 0h | This bit allows for specification of the operating Nyquist zone. 0 = Nyquist zone specification disabled 1 = Nyquist zone specification enabled |
| 2-0 | NYQUIST ZONE | R/W | 0h | These bits specify the operating Nyquist zone for the analog correction loop. Set the NQ ZONE EN bit before programming these bits. For example, at a 2.6-GSPS chip clock, first Nyquist zone is from dc to 1.3 GHz, the second Nyquist zone is from 1.3 GHz to 2.6 GHz, and so on. 000 = First Nyquist zone (dc – fS / 2) 001 = Second Nyquist zone (fS / 2 – fS) 010 = Third Nyquist zone 011 = Fourth Nyquist zone |
| 7 | 6 | 5 | 4 | 3 | 2 | 1 | 0 |
| CTRL K | 0 | 0 | TESTMODE EN | 0 | LANE ALIGN | FRAME ALIGN | TX LINK DIS |
| R/W-0h | W-0h | W-0h | R/W-0h | W-0h | R/W-0h | R/W-0h | R/W-0h |
| LEGEND: R/W = Read/Write; W = Write only; -n = value after reset |
| Bit | Field | Type | Reset | Description |
|---|---|---|---|---|
| 7 | CTRL K | R/W | 0h | This bit is the enable bit for the number of frames per multiframe. 0 = Default is five frames per multiframe 1 = Frames per multiframe can be set in register 06h |
| 6-5 | 0 | R/W | 0h | Must write 0 |
| 4 | TESTMODE EN | 0 | This bit generates a long transport layer test pattern mode according to section 5.1.6.3 of the JESD204B specification. 0 = Test mode disabled 1 = Test mode enabled |
|
| 3 | 0 | W | 0h | Must write 0 |
| 2 | LANE ALIGN | R/W | 0h | This bit inserts a lane alignment character (K28.3) for the receiver to align to the lane boundary per section 5.3.3.5 of the JESD204B specification. 0 = Normal operation 1 = Inserts lane alignment characters |
| 1 | FRAME ALIGN | R/W | 0h | This bit inserts a frame alignment character (K28.7) for the receiver to align to the frame boundary per section 5.3.35 of the JESD204B specification. 0 = Normal operation 1 = Inserts frame alignment characters |
| 0 | TX LINK DIS | R/W | 0h | This bit disables sending the initial link alignment (ILA) sequence when SYNC is deasserted. 0 = Normal operation 1 = ILA disabled |
| 7 | 6 | 5 | 4 | 3 | 2 | 1 | 0 |
| SYNC REG | SYNC REG EN | 0 | 0 | 12BIT MODE | JESD MODE0 | ||
| R/W-0h | R/W-0h | W-0h | W-0h | R/W-0h | R/W-0h | ||
| LEGEND: R/W = Read/Write; W = Write only; -n = value after reset |
| Bit | Field | Type | Reset | Description |
|---|---|---|---|---|
| 7 | SYNC REG | R/W | 0h | This bit provides SYNC control through the SPI. 0 = Normal operation 1 = ADC output data are replaced with K28.5 characters |
| 6 | SYNC REG EN | R/W | 0h | This bit is the enable bit for SYNC control through the SPI. 0 = Normal operation 1 = SYNC control through the SPI is enabled (ignores the SYNCB input pins) |
| 5-4 | 0 | W | 0h | Must write 0 |
| 3-2 | 12BIT MODE | R/W | 0h | This bit enables the 12-bit output mode for more efficient data packing. 00 = Normal operation, 14-bit output 01, 10 = Unused 11 = High-efficient data packing enabled |
| 1-0 | JESD MODE0 | R/W | 0h | These bits select the configuration register to configure the correct LMFS frame assemblies for different decimation settings; see the JESD frame assembly tables in the JESD204B Frame Assembly section. 00 = 0 01 = 1 10 = 2 11 = 3 |
| 7 | 6 | 5 | 4 | 3 | 2 | 1 | 0 |
| LINK LAYER TESTMODE | LINK LAY RPAT | LMFC MASK RESET | JESD MODE1 | JESD MODE2 | RAMP 12BIT | ||
| R/W-0h | R/W-0h | R/W-0h | R/W-1h | R/W-0h | R/W-0h | ||
| LEGEND: R/W = Read/Write; -n = value after reset |
| Bit | Field | Type | Reset | Description |
|---|---|---|---|---|
| 7-5 | LINK LAYER TESTMODE | R/W | 0h | These bits generate a pattern according to section 5.3.3.8.2 of the JESD204B document. 000 = Normal ADC data 001 = D21.5 (high-frequency jitter pattern) 010 = K28.5 (mixed-frequency jitter pattern) 011 = Repeat initial lane alignment (generates a K28.5 character and repeats lane alignment sequences continuously) 100 = 12-octet RPAT jitter pattern |
| 4 | LINK LAY RPAT | R/W | 0h | This bit changes the running disparity in a modified RPAT pattern test mode (only when link layer test mode = 100). 0 = Normal operation 1 = Changes disparity |
| 3 | LMFC MASK RESET | R/W | 0h | 0 = Normal operation |
| 2 | JESD MODE1 | R/W | 1h | These bits select the configuration register to configure the correct LMFS frame assemblies for different decimation settings; see the JESD frame assembly tables in the JESD204B Frame Assembly section |
| 1 | JESD MODE2 | R/W | 0h | These bits select the configuration register to configure the correct LMFS frame assemblies for different decimation settings; see the JESD frame assembly tables in the JESD204B Frame Assembly section |
| 0 | RAMP 12BIT | R/W | 0h | This bit enables the RAMP test pattern for 12-bit mode only (LMFS = 82820). 0 = Normal data output 1 = Digital output is the RAMP pattern |
| 7 | 6 | 5 | 4 | 3 | 2 | 1 | 0 |
| 0 | 0 | 0 | 0 | 0 | 0 | REL ILA SEQ | |
| W-0h | W-0h | W-0h | W-0h | W-0h | W-0h | R/W-0h | |
| LEGEND: R/W = Read/Write; W = Write only; -n = value after reset |
| Bit | Field | Type | Reset | Description |
|---|---|---|---|---|
| 7-2 | 0 | W | 0h | Must write 0 |
| 1-0 | REL ILA SEQ | R/W | 0h | These bits delay the generation of the lane alignment sequence by 0, 1, 2, or 3 multiframes after the code group synchronization. 00 = 0 multiframe delays 01 = 1 multiframe delay 10 = 2 multiframe delays 11 = 3 multiframe delays |
| 7 | 6 | 5 | 4 | 3 | 2 | 1 | 0 |
| SCRAMBLE EN | 0 | 0 | 0 | 0 | 0 | 0 | 0 |
| R/W-0h | W-0h | W-0h | W-0h | W-0h | W-0h | W-0h | W-0h |
| LEGEND: R/W = Read/Write; W = Write only; -n = value after reset |
| Bit | Field | Type | Reset | Description |
|---|---|---|---|---|
| 7 | SCRAMBLE EN | R/W | 0h | This bit is the scramble enable bit in the JESD204B interface. 0 = Scrambling disabled 1 = Scrambling enabled |
| 6-0 | 0 | W | 0h | Must write 0 |
| 7 | 6 | 5 | 4 | 3 | 2 | 1 | 0 |
| 0 | 0 | 0 | FRAMES PER MULTIFRAME (K) | ||||
| W-0h | W-0h | W-0h | R/W-0h | ||||
| LEGEND: R/W = Read/Write; W = Write only; -n = value after reset |
| Bit | Field | Type | Reset | Description |
|---|---|---|---|---|
| 7-5 | 0 | W | 0h | Must write 0 |
| 4-0 | FRAMES PER MULTIFRAME (K) | R/W | 0h | These bits set the number of multiframes. Actual K is the value in hex + 1 (that is, 0Fh is K = 16). |
| 7 | 6 | 5 | 4 | 3 | 2 | 1 | 0 | |
| LANE 0 | LANE 1 | LANE 2 | LANE 03 | |||||
| R/W-0h | R/W-0h | R/W-0h | R/W-0h | |||||
| LEGEND: R/W = Read/Write; -n = value after reset |
| Bit | Field | Type | Reset | Description |
|---|---|---|---|---|
| 7-6 | LANE 0 | R/W | 0h | For 80X mode: set these bits as 70h. Also set the 80X MODE EN register bit. For 40X mode: set these bits as 70h. For 20X mode: these bits can be used to swap the data on output lanes as shown in Table 67 and Figure 156. |
| 5-4 | LANE 1 | R/W | 0h | |
| 3-2 | LANE 2 | R/W | 0h | |
| 1-0 | LANE 3 | R/W | 0h |
| REGISTER BIT LANE 0 | OUTPUT LANE0 CARRIES | REGISTER BIT LANE 1 | OUTPUT LANE1 CARRIES | REGISTER BIT LANE 2 | OUTPUT LANE2 CARRIES | REGISTER BIT LANE 3 | OUTPUT LANE3 CARRIES |
|---|---|---|---|---|---|---|---|
| 00 | D0 | 00 | D1 | 00 | D2 | 00 | D3 |
| 01 | D1 | 01 | D2 | 01 | D3 | 01 | D0 |
| 10 | D2 | 10 | D3 | 10 | D0 | 10 | D1 |
| 11 | D3 | 11 | D0 | 11 | D1 | 11 | D2 |
Figure 156. Output Lane Multiplexer
| 7 | 6 | 5 | 4 | 3 | 2 | 1 | 0 |
| 0 | 0 | 0 | 0 | Lane0 POL |
Lane1 POL |
Lane2 POL |
Lane3 POL |
| W-0h | R/W-0h | R/W-0h | R/W-0h | W-0h | W-0h | W-0h | W-0h |
| LEGEND: R/W = Read/Write; W = Write only; -n = value after reset |
| Bit | Field | Type | Reset | Description |
|---|---|---|---|---|
| 7 | 0 | W | 0h | Must write 0 |
| 6-4 | 0 | R/W | 0h | Must write 0 |
| 3-0 | Lane[3:0] POL | W | 0h | These bits set the polarity of the individual JESD output lanes. 0 = Polarity as given in the pinout (noninverted) 1 = Inverts polarity (positive, P, or negative, M) |
| 7 | 6 | 5 | 4 | 3 | 2 | 1 | 0 |
| SEL EMP LANE 0 | 0 | 0 | |||||
| R/W-0h | W-0h | W-0h | |||||
| LEGEND: R/W = Read/Write; W = Write only; -n = value after reset |
| 7 | 6 | 5 | 4 | 3 | 2 | 1 | 0 |
| SEL EMP LANE 1 | 0 | 0 | |||||
| R/W-0h | W-0h | W-0h | |||||
| LEGEND: R/W = Read/Write; W = Write only; -n = value after reset |
| 7 | 6 | 5 | 4 | 3 | 2 | 1 | 0 |
| SEL EMP LANE 2 | 0 | 0 | |||||
| R/W-0h | W-0h | W-0h | |||||
| LEGEND: R/W = Read/Write; W = Write only; -n = value after reset |
| 7 | 6 | 5 | 4 | 3 | 2 | 1 | 0 |
| SEL EMP LANE 3 | 0 | 0 | |||||
| R/W-0h | W-0h | W-0h | |||||
| LEGEND: R/W = Read/Write; W = Write only; -n = value after reset |
| Bit | Field | Type | Reset | Description |
|---|---|---|---|---|
| 7-2 | SEL EMP LANE | R/W | 0h | These bits select the amount of de-emphasis for the JESD output transmitter. The de-emphasis value in dB is measured as the ratio between the peak value after the signal transition to the settled value of the voltage in one bit period. 0 = 0 dB 1 = –1 dB 3 = –2 dB 7 = –4.1 dB 15 = –6.2 dB 31 = –8.2 dB 63 = –11.5 dB |
| 1-0 | 0 | W | 0h | Must write 0 |
| 7 | 6 | 5 | 4 | 3 | 2 | 1 | 0 |
| 80X MODE EN | CMOS SYNCB | 0 | 0 | 0 | 0 | 0 | 0 |
| R/W-0h | R/W-0h | W-0h | W-0h | W-0h | W-0h | W-0h | W-0h |
| LEGEND: R/W = Read/Write; W = Write only; -n = value after reset |
| Bit | Field | Type | Reset | Description |
|---|---|---|---|---|
| 7 | 80X MODE EN | R/W | 0h | This bit enables the 80X mode. 0 = 80X mode disable 1 = 80X mode enable |
| 6 | CMOS SYNCB | R/W | 0h | This bit enables single-ended control of SYNCB using the GPIO4 pin (pin 63). The differential SYNCB input is ignored. 0 = Differential SYNCB input 1 = Single-ended SYNCB input using pin 63 |
| 5-0 | 0 | W | 0h | Must write 0 |
| 7 | 6 | 5 | 4 | 3 | 2 | 1 | 0 |
| 0 | 0 | 0 | 0 | 0 | 0 | PLL MODE | |
| W-0h | W-0h | W-0h | W-0h | W-0h | W-0h | R/W-0h | |
| LEGEND: R/W = Read/Write; W = Write only; -n = value after reset |
| Bit | Field | Type | Reset | Description |
|---|---|---|---|---|
| 7-2 | 0 | W | 0h | Must write 0 |
| 1-0 | PLL MODE | R/W | 0h | These bits select the PLL multiplication factor; see the JESD tables in the JESD204B Frame Assembly section for settings. 00 = 20X mode 01 = 16X mode 10 = 40X mode (write register 16h with 70h) 11 = 80X mode (the 40X_80X MODE bit in register 16h must also be set) |
| 7 | 6 | 5 | 4 | 3 | 2 | 1 | 0 |
| 0 | MASK CLKDIV SYSREF | MASK NCO SYSREF | 0 | 0 | 0 | 0 | 0 |
| W-0h | R/W-0h | R/W-0h | W-0h | W-0h | W-0h | W-0h | W-0h |
| LEGEND: R/W = Read/Write; W = Write only; -n = value after reset |
| Bit | Field | Type | Reset | Description |
|---|---|---|---|---|
| 7 | 0 | W | 0h | Must write 0 |
| 6 | MASK CLKDIV SYSREF | R/W | 0h | Use this bit to mask the SYSREF going to the input clock divider. 0 = Input clock divider is reset when SYSREF is asserted (that is, when SYSREF transitions from low to high) 1 = Input clock divider ignores SYSREF assertions |
| 5 | MASK NCO SYSREF | R/W | 0h | Use this bit to mask the SYSREF going to the NCO in the DDC block and LMFC counter of the JESD interface. 0 = NCO phase and LMFC counter are reset when SYSREF is asserted (that is, when SYSREF transitions from low to high) 1 = NCO and LMFC counter ignore SYSREF assertions |
| 4-0 | 0 | W | 0h | Must write 0 |
Direct Addressing, 16-Bit Address, 5000h for Channel A, 5800h for Channel B
| 7 | 6 | 5 | 4 | 3 | 2 | 1 | 0 |
| 0 | 0 | 0 | 0 | 0 | 0 | 0 | DDC EN |
| W-0h | W-0h | W-0h | W-0h | W-0h | W-0h | W-0h | R/W-0h |
| LEGEND: R/W = Read/Write; W = Write only; -n = value after reset |
| Bit | Field | Type | Reset | Description |
|---|---|---|---|---|
| 7-1 | 0 | W | 0h | Must write 0 |
| 0 | DDC EN | R/W | 0h | This bit enables the decimation filter and disables the bypass mode. 0 = Bypass mode (DDC disabled) 1 = Decimation filter enabled |
| 7 | 6 | 5 | 4 | 3 | 2 | 1 | 0 |
| 0 | 0 | 0 | 0 | DECIM FACTOR | |||
| W-0h | W-0h | W-0h | W-0h | R/W-0h | |||
| LEGEND: R/W = Read/Write; W = Write only; -n = value after reset |
| Bit | Field | Type | Reset | Description |
|---|---|---|---|---|
| 7-4 | 0 | W | 0h | Must write 0 |
| 3-0 | DECIM FACTOR | R/W | 0h | These bits configure the decimation filter setting. 0000 = Divide-by-4 complex 0001 = Divide-by-6 complex 0010 = Divide-by-8 complex 0011 = Divide-by-9 complex 0100 = Divide-by-10 complex 0101 = Divide-by-12 complex 0110 = Not used 0111 = Divide-by-16 complex 1000 = Divide-by-18 complex 1001 = Divide-by-20 complex 1010 = Divide-by-24 complex 1011 = Not used 1100 = Divide-by-32 complex |
| 7 | 6 | 5 | 4 | 3 | 2 | 1 | 0 |
| 0 | 0 | 0 | 0 | 0 | 0 | 0 | DUAL BAND EN |
| W-0h | W-0h | W-0h | W-0h | W-0h | W-0h | W-0h | R/W-0h |
| LEGEND: R/W = Read/Write; W = Write only; -n = value after reset |
| Bit | Field | Type | Reset | Description |
|---|---|---|---|---|
| 7-1 | 0 | W | 0h | Must write 0 |
| 0 | DUAL BAND EN | R/W | 0h | This bit enables the dual-band DDC filter for the corresponding channel. 0 = Single-band DDC 1 = Dual-band DDC |
| 7 | 6 | 5 | 4 | 3 | 2 | 1 | 0 |
| 0 | 0 | 0 | 0 | 0 | 0 | 0 | REAL OUT EN |
| W-0h | W-0h | W-0h | W-0h | W-0h | W-0h | W-0h | R/W-0h |
| LEGEND: R/W = Read/Write; W = Write only; -n = value after reset |
| Bit | Field | Type | Reset | Description |
|---|---|---|---|---|
| 7-1 | 0 | W | 0h | Must write 0 |
| 0 | REAL OUT EN | R/W | 0h | This bit converts the complex output to real output at 2x the output rate. 0 = Complex output format 1 = Real output format |
| 7 | 6 | 5 | 4 | 3 | 2 | 1 | 0 |
| 0 | 0 | 0 | 0 | 0 | 0 | 0 | DDC MUX |
| W-0h | W-0h | W-0h | W-0h | W-0h | W-0h | W-0h | R/W-0h |
| LEGEND: R/W = Read/Write; W = Write only; -n = value after reset |
| Bit | Field | Type | Reset | Description |
|---|---|---|---|---|
| 7-1 | 0 | W | 0h | Must write 0 |
| 0 | DDC MUX | R/W | 0h | This bit connects the DDC to the alternate channel ADC to enable up to four DDCs with one ADC and completely turn off the other ADC channel. 0 = Normal operation 1 = DDC block takes input from the alternate ADC |
| 7 | 6 | 5 | 4 | 3 | 2 | 1 | 0 |
| DDC0 NCO1 LSB | |||||||
| R/W-0h | |||||||
| LEGEND: R/W = Read/Write; -n = value after reset |
| Bit | Field | Type | Reset | Description |
|---|---|---|---|---|
| 7-0 | DDC0 NCO1 LSB | R/W | 0h | These bits are the LSB of the NCO frequency word for NCO1 of DDC0 (band 1). The LSB represents fS / (216), where fS is the ADC sampling frequency. |
| 7 | 6 | 5 | 4 | 3 | 2 | 1 | 0 |
| DDC0 NCO1 MSB | |||||||
| R/W-0h | |||||||
| LEGEND: R/W = Read/Write; -n = value after reset |
| Bit | Field | Type | Reset | Description |
|---|---|---|---|---|
| 7-0 | DDC0 NCO1 MSB | R/W | 0h | These bits are the MSB of the NCO frequency word for NCO1 of DDC0 (band 1). The LSB represents fS / (216), where fS is the ADC sampling frequency. |
| 7 | 6 | 5 | 4 | 3 | 2 | 1 | 0 |
| DDC0 NCO2 LSB | |||||||
| R/W-0h | |||||||
| LEGEND: R/W = Read/Write; -n = value after reset |
| Bit | Field | Type | Reset | Description |
|---|---|---|---|---|
| 7-0 | DDC0 NCO2 MSB | R/W | 0h | These bits are the LSB of the NCO frequency word for NCO2 of DDC0 (band 1). The LSB represents fS / (216), where fS is the ADC sampling frequency. |
| 7 | 6 | 5 | 4 | 3 | 2 | 1 | 0 |
| DDC0 NCO2 MSB | |||||||
| R/W-0h | |||||||
| LEGEND: R/W = Read/Write; -n = value after reset |
| Bit | Field | Type | Reset | Description |
|---|---|---|---|---|
| 7-0 | DDC0 NCO2 MSB | R/W | 0h | These bits are the MSB of the NCO frequency word for NCO2 of DDC0 (band 1). The LSB represents fS / (216), where fS is the ADC sampling frequency. |
| 7 | 6 | 5 | 4 | 3 | 2 | 1 | 0 |
| DDC0 NCO3 LSB | |||||||
| R/W-0h | |||||||
| LEGEND: R/W = Read/Write; -n = value after reset |
| Bit | Field | Type | Reset | Description |
|---|---|---|---|---|
| 7-0 | DDC0 NCO3 LSB | R/W | 0h | These bits are the LSB of the NCO frequency word for NCO3 of DDC0 (band 1). The LSB represents fS / (216), where fS is the ADC sampling frequency. |
| 7 | 6 | 5 | 4 | 3 | 2 | 1 | 0 |
| DDC0 NCO3 MSB | |||||||
| R/W-0h | |||||||
| LEGEND: R/W = Read/Write; -n = value after reset |
| Bit | Field | Type | Reset | Description |
|---|---|---|---|---|
| 7-0 | DDC0 NCO3 MSB | R/W | 0h | These bits are the MSB of the NCO frequency word for NCO3 of DDC0 (band 1). The LSB represents fS / (216), where fS is the ADC sampling frequency. |
| 7 | 6 | 5 | 4 | 3 | 2 | 1 | 0 |
| DDC1 NCO4 LSB | |||||||
| R/W-0h | |||||||
| LEGEND: R/W = Read/Write; -n = value after reset |
| Bit | Field | Type | Reset | Description |
|---|---|---|---|---|
| 7-0 | DDC1 NCO4 LSB | R/W | 0h | These bits are the LSB of the NCO frequency word for NCO4 of DDC1 (band 2, only when dual-band mode is enabled). The LSB represents fS / (216), where fS is the ADC sampling frequency. |
| 7 | 6 | 5 | 4 | 3 | 2 | 1 | 0 |
| DDC1 NCO4 MSB | |||||||
| R/W-0h | |||||||
| LEGEND: R/W = Read/Write; -n = value after reset |
| Bit | Field | Type | Reset | Description |
|---|---|---|---|---|
| 7-0 | DDC1 NCO4 MSB | R/W | 0h | These bits are the MSB of the NCO frequency word for NCO4 of DDC1 (band 2, only when dual-band mode is enabled). The LSB represents fS / (216), where fS is the ADC sampling frequency. |
| 7 | 6 | 5 | 4 | 3 | 2 | 1 | 0 |
| 0 | 0 | 0 | 0 | 0 | 0 | 0 | NCO SEL PIN |
| W-0h | W-0h | W-0h | W-0h | W-0h | W-0h | W-0h | R/W-0h |
| LEGEND: R/W = Read/Write; W = Write only; -n = value after reset |
| Bit | Field | Type | Reset | Description |
|---|---|---|---|---|
| 7-1 | 0 | W | 0h | Must write 0 |
| 0 | NCO SEL PIN | R/W | 0h | This bit enables NCO selection through the GPIO pins. 0 = NCO selection through SPI (see address 0h10) 1 = NCO selection through GPIO pins |
| 7 | 6 | 5 | 4 | 3 | 2 | 1 | 0 |
| 0 | 0 | 0 | 0 | 0 | 0 | NCO SEL | |
| W-0h | W-0h | W-0h | W-0h | W-0h | W-0h | R/W-0h | |
| LEGEND: R/W = Read/Write; W = Write only; -n = value after reset |
| Bit | Field | Type | Reset | Description |
|---|---|---|---|---|
| 7-2 | 0 | W | 0h | Must write 0 |
| 1-0 | NCO SEL | R/W | 0h |
These bits enable NCO selection through register setting. 00 = NCO1 selected for DDC 1 01 = NCO2 selected for DDC 1 10 = NCO3 selected for DDC 1 |
| 7 | 6 | 5 | 4 | 3 | 2 | 1 | 0 |
| 0 | 0 | 0 | 0 | 0 | 0 | LMFC RESET MODE | |
| W-0h | W-0h | W-0h | W-0h | W-0h | W-0h | R/W-0h | |
| LEGEND: R/W = Read/Write; W = Write only; -n = value after reset |
| Bit | Field | Type | Reset | Description |
|---|---|---|---|---|
| 7-2 | 0 | W | 0h | Must write 0 |
| 1-0 | LMFC RESET MODE | R/W | 0h |
These bits reset the configuration for all DDCs and NCOs. 00 = All DDCs and NCOs are reset with every LMFC RESET 01 = Reset with first LMFC RESET after DDC start. Afterwards, reset only when analog clock dividers are resynchronized. 10 = Reset with first LMFC RESET after DDC start. Afterwards, whenever analog clock dividers are resynchronized, use two LMFC resets. 11 = Do not use an LMFC reset at all. Reset the DDCs only when a DDC start is asserted and afterwards continue normal operation. Deterministic latency is not ensured. |
| 7 | 6 | 5 | 4 | 3 | 2 | 1 | 0 |
| 0 | 0 | 0 | 0 | 0 | 0 | 0 | DDC0 6DB GAIN |
| W-0h | W-0h | W-0h | W-0h | W-0h | W-0h | W-0h | R/W-0h |
| LEGEND: R/W = Read/Write; W = Write only; -n = value after reset |
| Bit | Field | Type | Reset | Description |
|---|---|---|---|---|
| 7-1 | 0 | W | 0h | Must write 0 |
| 0 | DDC0 6DB GAIN | R/W | 0h |
This bit scales the output of DDC0 by 2 (6 dB) to compensate for real-to-complex conversion and image suppression. This scaling does not apply to the high-bandwidth filter path (divide-by-4 and -6); see register 1Fh. 0 = Normal operation 1 = 6-dB digital gain is added |
| 7 | 6 | 5 | 4 | 3 | 2 | 1 | 0 |
| 0 | 0 | 0 | 0 | 0 | 0 | 0 | DDC1 6DB GAIN |
| W-0h | W-0h | W-0h | W-0h | W-0h | W-0h | W-0h | R/W-0h |
| LEGEND: R/W = Read/Write; W = Write only; -n = value after reset |
| Bit | Field | Type | Reset | Description |
|---|---|---|---|---|
| 7-1 | 0 | W | 0h | Must write 0 |
| 0 | DDC1 6DB GAIN | R/W | 0h |
This bit scales the output of DDC0 by 2 (6 dB) to compensate for real-to-complex conversion and image suppression. This scaling does not apply to the high-bandwidth filter path (divide-by-4 and -6); see register 1Fh. 0 = Normal operation 1 = 6-dB digital gain is added |
| 7 | 6 | 5 | 4 | 3 | 2 | 1 | 0 |
| 0 | DDC DET LAT | 0 | 0 | 0 | 0 | ||
| W-0h | R/W-0h | W-0h | W-0h | W-0h | W-0h | ||
| LEGEND: R/W = Read/Write; W = Write only; -n = value after reset |
| Bit | Field | Type | Reset | Description | |
|---|---|---|---|---|---|
| 7 | 0 | W | 0h | Must write 0 | |
| 6-4 | DDC DET LAT | R/W | 0h | These bits ensure deterministic latency depending on the decimation setting used; see Table 92. | |
| 3-0 | 0 | W | 0h | Must write 0 | |
| SETTING | COMPLEX DECIMATION SETTING |
|---|---|
| 10h | Divide-by-24, -32 complex |
| 20h | Divide-by-16, -18, -20 complex |
| 40h | Divide-by-by 6, -12 complex |
| 50h | Divide-by-4, -8, -9, -10 complex |
| 7 | 6 | 5 | 4 | 3 | 2 | 1 | 0 |
| 0 | 0 | 0 | 0 | 0 | 0 | 0 | WBF 6DB GAIN |
| W-0h | W-0h | W-0h | W-0h | W-0h | W-0h | W-0h | R/W-0h |
| LEGEND: R/W = Read/Write; W = Write only; -n = value after reset |
| Bit | Field | Type | Reset | Description |
|---|---|---|---|---|
| 7-1 | 0 | W | 0h | Must write 0 |
| 0 | WBF 6DB GAIN | R/W | 0h |
This bit scales the output of the wide bandwidth DDC filter by 2 (6 dB) to compensate for real-to-complex conversion and image suppression. This setting only applies to the high-bandwidth filter path (divide-by-4 and -6). 0 = Normal operation 1 = 6-dB digital gain is added |
| 7 | 6 | 5 | 4 | 3 | 2 | 1 | 0 |
| CUSTOM PATTERN1[7:0] | |||||||
| R/W-0h | |||||||
| LEGEND: R/W = Read/Write; -n = value after reset |
| 7 | 6 | 5 | 4 | 3 | 2 | 1 | 0 |
| CUSTOM PATTERN1[15:8] | |||||||
| R/W-0h | |||||||
| LEGEND: R/W = Read/Write; -n = value after reset |
| 7 | 6 | 5 | 4 | 3 | 2 | 1 | 0 |
| CUSTOM PATTERN2[7:0] | |||||||
| R/W-0h | |||||||
| LEGEND: R/W = Read/Write; -n = value after reset |
| 7 | 6 | 5 | 4 | 3 | 2 | 1 | 0 |
| CUSTOM PATTERN2[15:8] | |||||||
| R/W-0h | |||||||
| LEGEND: R/W = Read/Write; -n = value after reset |
| Bit | Field | Type | Reset | Description |
|---|---|---|---|---|
| 7-0 | CUSTOM PATTERN | R/W | 0h | These bits set the custom test pattern in address 33h, 34h, 35h, or 36h. |
| 7 | 6 | 5 | 4 | 3 | 2 | 1 | 0 |
| 0 | 0 | 0 | 0 | TEST PATTERN SEL | |||
| W-0h | W-0h | W-0h | W-0h | R/W-0h | |||
| LEGEND: R/W = Read/Write; W = Write only; -n = value after reset |
| Bit | Field | Type | Reset | Description |
|---|---|---|---|---|
| 7-3 | 0 | W | 0h | Must write 0 |
| 3-0 | TEST PATTERN SEL | R/W | 0h | These bits select the test pattern output on the channel. 0000 = Normal operation using ADC output data 0001 = Outputs all 0s 0010 = Outputs all 1s 0011 = Outputs toggle pattern: output data are an alternating sequence of 10101010101010 and 01010101010101 0100 = Output digital ramp: output data increment by one LSB every clock cycle from code 0 to 16384 0110 = Single pattern: output data are custom pattern 1 (75h and 76h) 0111 = Double pattern: output data alternate between custom pattern 1 and custom pattern 2 1000 = Deskew pattern: output data are AAAAh 1001 = SYNC pattern: output data are FFFFh |
| 7 | 6 | 5 | 4 | 3 | 2 | 1 | 0 |
| TEST PATTERN DDC2 Q-DATA | TEST PATTERN DDC2 I-DATA | ||||||
| R/W-0h | R/W-0h | ||||||
| LEGEND: R/W = Read/Write; -n = value after reset |
| Bit | Field | Type | Reset | Description |
|---|---|---|---|---|
| 7-4 | TEST PATTERN DDC2 Q-DATA | R/W | 0h | These bits select the test patten for the Q stream of the DDC2. 0000 = Normal operation using ADC output data 0001 = Outputs all 0s 0010 = Outputs all 1s 0011 = Outputs toggle pattern: output data are an alternating sequence of 10101010101010 and 01010101010101 0100 = Output digital ramp: output data increment by one LSB every clock cycle from code 0 to 65535 0110 = Single pattern: output data are a custom pattern 1 (75h and 76h) 0111 Double pattern: output data alternate between custom pattern 1 and custom pattern 2 1000 = Deskew pattern: output data are AAAAh 1001 = SYNC pattern: output data are FFFFh |
| 3-0 | TEST PATTERN DDC2 I-DATA | R/W | 0h | These bits select the test patten for the I stream of the DDC2. 0000 = Normal operation using ADC output data 0001 = Outputs all 0s 0010 = Outputs all 1s 0011 = Outputs toggle pattern: output data are an alternating sequence of 10101010101010 and 01010101010101 0100 = Output digital ramp: output data increment by one LSB every clock cycle from code 0 to 65535 0110 = Single pattern: output data are a custom pattern 1 (75h and 76h) 0111 Double pattern: output data alternate between custom pattern 1 and custom pattern 2 1000 = Deskew pattern: output data are AAAAh 1001 = SYNC pattern: output data are FFFFh |
| 7 | 6 | 5 | 4 | 3 | 2 | 1 | 0 |
| 0 | 0 | 0 | 0 | 0 | 0 | 0 | USE COMMON TEST PATTERN |
| W-0h | W-0h | W-0h | W-0h | W-0h | W-0h | W-0h | R/W-0h |
| LEGEND: R/W = Read/Write; W = Write only; -n = value after reset |
| Bit | Field | Type | Reset | Description |
|---|---|---|---|---|
| 7-1 | 0 | W | 0h | Must write 0 |
| 0 | USE COMMON TEST PATTERN | R/W | 0h | 0 = Each data stream sends test patterns programmed by bits[3:0] of register 37h. 1 = Test patterns are individually programmed for the I and Q stream of each DDC using the TEST PATTERN DDCx y-DATA register bits (where x = 1 or 2 and y = I or Q). |
| 7 | 6 | 5 | 4 | 3 | 2 | 1 | 0 |
| 0 | 0 | 0 | 0 | 0 | 0 | TEST PAT RES | TP RES EN |
| W-0h | W-0h | W-0h | W-0h | W-0h | W-0h | R/W-0h | R/W-0h |
| LEGEND: R/W = Read/Write; W = Write only; -n = value after reset |
| Bit | Field | Type | Reset | Description |
|---|---|---|---|---|
| 7-2 | 0 | W | 0h | Must write 0 |
| 1 | TEST PAT RES | R/W | 0h | Pulsing this bit resets the test pattern. The test pattern reset must be enabled first (bit D0). 0 = Normal operation 1 = Reset the test pattern |
| 0 | TP RES EN | R/W | 0h | This bit enables the test pattern reset. 0 = Reset disabled 1 = Reset enabled |
| 7 | 6 | 5 | 4 | 3 | 2 | 1 | 0 |
| 0 | 0 | 0 | 0 | 0 | 0 | 0 | PKDET EN |
| W-0h | W-0h | W-0h | W-0h | W-0h | W-0h | W-0h | R/W-0h |
| LEGEND: R/W = Read/Write; W = Write only; -n = value after reset |
| Bit | Field | Type | Reset | Description |
|---|---|---|---|---|
| 7-1 | 0 | W | 0h | Must write 0 |
| 0 | PKDET EN | R/W | 0h | This bit enables the peak power and crossing detector. 0 = Power detector disabled 1 = Power detector enabled |
| 7 | 6 | 5 | 4 | 3 | 2 | 1 | 0 |
| BLKPKDET [7:0] | |||||||
| R/W-0h | |||||||
| LEGEND: R/W = Read/Write; -n = value after reset |
| 7 | 6 | 5 | 4 | 3 | 2 | 1 | 0 |
| BLKPKDET [15:8] | |||||||
| R/W-0h | |||||||
| LEGEND: R/W = Read/Write; -n = value after reset |
| Bit | Field | Type | Reset | Description |
|---|---|---|---|---|
| 7-0 | BLKPKDET | R/W | 0h | This register specifies the block length in terms of number of samples (S`) used for peak power computation. Each sample S` is a peak of 8 actual ADC samples. This parameter is a 17-bit value directly in linear scale. In decimation mode, the block length must be a multiple of a divide-by-4 or -6 complex: length = 5 × decimation factor. The divide-by-8 to -32 complex: length = 10 × decimation factor. |
| 7 | 6 | 5 | 4 | 3 | 2 | 1 | 0 |
| 0 | 0 | 0 | 0 | 0 | 0 | 0 | BLKPKDET[16] |
| W-0h | W-0h | W-0h | W-0h | W-0h | W-0h | W-0h | R/W-0h |
| LEGEND: R/W = Read/Write; W = Write only; -n = value after reset |
| Bit | Field | Type | Reset | Description |
|---|---|---|---|---|
| 7-1 | 0 | W | 0h | Must write 0 |
| 0 | BLKPKDET[16] | R/W | 0h | This register specifies the block length in terms of number of samples (S`) used for peak power computation. Each sample S` is a peak of 8 actual ADC samples. This parameter is a 17-bit value directly in linear scale. In decimation mode, the block length must be a multiple of a divide-by-4 or -6 complex: length = 5 × decimation factor. The divide-by-8 to -32 complex: length = 10 × decimation factor. |
| 7 | 6 | 5 | 4 | 3 | 2 | 1 | 0 |
| BLKTHHH | |||||||
| R/W-0h | |||||||
| LEGEND: R/W = Read/Write; -n = value after reset |
| 7 | 6 | 5 | 4 | 3 | 2 | 1 | 0 |
| BLKTHHL | |||||||
| R/W-0h | |||||||
| LEGEND: R/W = Read/Write; -n = value after reset |
| 7 | 6 | 5 | 4 | 3 | 2 | 1 | 0 |
| BLKTHLH | |||||||
| R/W-0h | |||||||
| LEGEND: R/W = Read/Write; -n = value after reset |
| 7 | 6 | 5 | 4 | 3 | 2 | 1 | 0 |
| BLKTHLL | |||||||
| R/W-0h | |||||||
| LEGEND: R/W = Read/Write; -n = value after reset |
| Bit | Field | Type | Reset | Description |
|---|---|---|---|---|
| 7-0 | BLKTHHH BLKTHHL BLKTHLH BLKTHLL |
R/W | 0h | These registers set the four different thresholds for the hysteresis function threshold values from 0 to 256 (2TH), where 256 is equivalent to the peak amplitude. Example: BLKTHHH is set to –2 dBFS from peak: 10(-2 / 20) × 256 = 203, then set 5407h, 5C07h = CBh. |
| 7 | 6 | 5 | 4 | 3 | 2 | 1 | 0 |
| DWELL[7:0] | |||||||
| R/W-0h | |||||||
| LEGEND: R/W = Read/Write; -n = value after reset |
| 7 | 6 | 5 | 4 | 3 | 2 | 1 | 0 |
| DWELL[15:8] | |||||||
| R/W-0h | |||||||
| LEGEND: R/W = Read/Write; -n = value after reset |
| Bit | Field | Type | Reset | Description |
|---|---|---|---|---|
| 7-0 | DWELL | R/W | 0h | DWELL time counter. When the computed block peak crosses the upper thresholds BLKTHHH or BLKTHLH, the peak detector output flags are set. In order to be reset, the computed block peak must remain continuously lower than the lower threshold (BLKTHHL or BLKTHLL) for the period specified by the DWELL value. This threshold is 16 bits, is specified in terms of fS / 8 clock cycles, and must be set to 0 for the crossing detector. Example: if fS = 3 GSPS, fS / 8 = 375 MHz, and DWELL = 0100h then the DWELL time = 29 / 375 MHz = 1.36 µs. |
| 7 | 6 | 5 | 4 | 3 | 2 | 1 | 0 |
| 0 | 0 | 0 | 0 | 0 | 0 | 0 | FILT0LPSEL |
| W-0h | W-0h | W-0h | W-0h | W-0h | W-0h | W-0h | R/W-0h |
| LEGEND: R/W = Read/Write; W = Write only; -n = value after reset |
| Bit | Field | Type | Reset | Description |
|---|---|---|---|---|
| 7-1 | 0 | W | 0h | Must write 0 |
| 0 | FILT0LPSEL | R/W | 0h | This bit selects either the block detector output or 2-bit output as the input to the IIR filter. 0 = Use the output of the high comparators (HH and HL) as the input of the IIR filter 1 = Combine the output of the high (HH and HL) and low (LH and LL) comparators to generate a 3-level input to the IIR filter (–1, 0, 1) |
| 7 | 6 | 5 | 4 | 3 | 2 | 1 | 0 |
| 0 | 0 | 0 | 0 | TIMECONST | |||
| W-0h | W-0h | W-0h | W-0h | R/W-0h | |||
| LEGEND: R/W = Read/Write; W = Write only; -n = value after reset |
| Bit | Field | Type | Reset | Description |
|---|---|---|---|---|
| 7-4 | 0 | W | 0h | Must write 0 |
| 3-0 | TIMECONST | R/W | 0h | These bits set the crossing detector time period for N = 0 to 15 as 2N × fS / 8 clock cycles. The maximum time period is 32768 × fS / 8 clock cycles (approximately 100 µs at 2.6 GSPS). |
| 7 | 6 | 5 | 4 | 3 | 2 | 1 | 0 |
| FIL0THH[7:0] | |||||||
| R/W-0h | |||||||
| LEGEND: R/W = Read/Write; -n = value after reset |
| 7 | 6 | 5 | 4 | 3 | 2 | 1 | 0 |
| FIL0THH[15:8] | |||||||
| R/W-0h | |||||||
| LEGEND: R/W = Read/Write; -n = value after reset |
| 7 | 6 | 5 | 4 | 3 | 2 | 1 | 0 |
| FIL0THL[7:0] | |||||||
| R/W-0h | |||||||
| LEGEND: R/W = Read/Write; -n = value after reset |
| 7 | 6 | 5 | 4 | 3 | 2 | 1 | 0 |
| FIL0THL[15:8] | |||||||
| R/W-0h | |||||||
| LEGEND: R/W = Read/Write; -n = value after reset |
| 7 | 6 | 5 | 4 | 3 | 2 | 1 | 0 |
| FIL1THH[7:0] | |||||||
| R/W-0h | |||||||
| LEGEND: R/W = Read/Write; -n = value after reset |
| 7 | 6 | 5 | 4 | 3 | 2 | 1 | 0 |
| FIL1THH[15:8] | |||||||
| R/W-0h | |||||||
| LEGEND: R/W = Read/Write; -n = value after reset |
| 7 | 6 | 5 | 4 | 3 | 2 | 1 | 0 |
| FIL1THL[7:0] | |||||||
| R/W-0h | |||||||
| LEGEND: R/W = Read/Write; -n = value after reset |
| 7 | 6 | 5 | 4 | 3 | 2 | 1 | 0 |
| FIL1THL[15:8] | |||||||
| R/W-0h | |||||||
| LEGEND: R/W = Read/Write; -n = value after reset |
| Bit | Field | Type | Reset | Description |
|---|---|---|---|---|
| 7-0 | FIL0THH FIL0THL FIL1THH FIL1THL |
R/W | 0h | Comparison thresholds for the crossing detector counter. This threshold is 16 bits in 2.14 signed notation. A value of 1 (4000h) corresponds to 100% crossings, a value of 0.125 (0800h) corresponds to 12.5% crossings. |
| 7 | 6 | 5 | 4 | 3 | 2 | 1 | 0 |
| 0 | 0 | 0 | 0 | 0 | 0 | 0 | IIR0 2BIT EN |
| W-0h | W-0h | W-0h | W-0h | W-0h | W-0h | W-0h | R/W-0h |
| LEGEND: R/W = Read/Write; W = Write only; -n = value after reset |
| 7 | 6 | 5 | 4 | 3 | 2 | 1 | 0 |
| 0 | 0 | 0 | 0 | 0 | 0 | 0 | IIR1 2BIT EN |
| W-0h | W-0h | W-0h | W-0h | W-0h | W-0h | W-0h | R/W-0h |
| LEGEND: R/W = Read/Write; W = Write only; -n = value after reset |
| Bit | Field | Type | Reset | Description |
|---|---|---|---|---|
| 7-1 | 0 | W | 0h | Must write 0 |
| 0 | IIR0 2BIT EN IIR1 2BIT EN |
R/W | 0h | This bit enables 2-bit output format of the IIR0 and IIR1 output comparators. 0 = Selects 1-bit output format 1 = Selects 2-bit output format |
| 7 | 6 | 5 | 4 | 3 | 2 | 1 | 0 |
| DWELLIIR[7:0] | |||||||
| R/W-0h | |||||||
| LEGEND: R/W = Read/Write; -n = value after reset |
| 7 | 6 | 5 | 4 | 3 | 2 | 1 | 0 |
| DWELLIIR[15:8] | |||||||
| R/W-0h | |||||||
| LEGEND: R/W = Read/Write; -n = value after reset |
| Bit | Field | Type | Reset | Description |
|---|---|---|---|---|
| 7-0 | DWELLIIR | R/W | 0h | DWELL time counter for the IIR output comparators. When the IIR filter output crosses the upper thresholds FIL0THH or FIL1THH, the IIR peak detector output flags are set. In order to be reset, the output of the IIR filter must remain continuously lower than the lower threshold (FIL0THL or FIL1THL) for the period specified by the DWELLIIR value. This threshold is 16 bits and is specified in terms of fS / 8 clock cycles. Example: if fS = 2.6 GSPS, fS / 8 = 325 MHz, and DWELLIIR = 0100h, then the DWELL time = 29 / 325 MHz = 1.57 µs. |
| 7 | 6 | 5 | 4 | 3 | 2 | 1 | 0 |
| 0 | 0 | 0 | 0 | 0 | 0 | 0 | RMSDET EN |
| W-0h | W-0h | W-0h | W-0h | W-0h | W-0h | W-0h | R/W-0h |
| LEGEND: R/W = Read/Write; W = Write only; -n = value after reset |
| Bit | Field | Type | Reset | Description |
|---|---|---|---|---|
| 7-1 | 0 | W | 0h | Must write 0 |
| 0 | RMSDET EN | R/W | 0h | This bit enables the RMS power detector. 0 = Power detector disabled 1 = Power detector enabled |
| 7 | 6 | 5 | 4 | 3 | 2 | 1 | 0 |
| 0 | 0 | 0 | PWRDETACCU | ||||
| W-0h | W-0h | W-0h | R/W-0h | ||||
| LEGEND: R/W = Read/Write; W = Write only; -n = value after reset |
| Bit | Field | Type | Reset | Description |
|---|---|---|---|---|
| 7-5 | 0 | W | 0h | Must write 0 |
| 4-0 | PWRDETACCU | R/W | 0h | These bits program the block length to be used for RMS power computation. The block length is defined in terms of fS / 8 clocks and can be programmed as 2M, where M = 0 to 16. |
| 7 | 6 | 5 | 4 | 3 | 2 | 1 | 0 |
| PWRDETH[7:0] | |||||||
| R/W-0h | |||||||
| LEGEND: R/W = Read/Write; -n = value after reset |
| 7 | 6 | 5 | 4 | 3 | 2 | 1 | 0 |
| PWRDETH[15:8] | |||||||
| R/W-0h | |||||||
| LEGEND: R/W = Read/Write; -n = value after reset |
| 7 | 6 | 5 | 4 | 3 | 2 | 1 | 0 |
| PWRDETL[7:0] | |||||||
| R/W-0h | |||||||
| LEGEND: R/W = Read/Write; -n = value after reset |
| 7 | 6 | 5 | 4 | 3 | 2 | 1 | 0 |
| PWRDETL[15:8] | |||||||
| R/W-0h | |||||||
| LEGEND: R/W = Read/Write; -n = value after reset |
| Bit | Field | Type | Reset | Description |
|---|---|---|---|---|
| 7-0 | PWRDETH[15:0] PWRDETL[15:0] |
R/W | 0h | The computed average power is compared against these high and low thresholds. One LSB of the thresholds represents 1 / 216. Example: if PWRDETH is set to –14 dBFS from peak, (10(–14 / 20))2 × 216 = 2609, then set 5422h, 5423h, 5C22h, 5C23h = 0A31h. |
| 7 | 6 | 5 | 4 | 3 | 2 | 1 | 0 |
| 0 | 0 | 0 | 0 | 0 | 0 | 0 | RMS 2BIT EN |
| W-0h | W-0h | W-0h | W-0h | W-0h | W-0h | W-0h | R/W-0h |
| LEGEND: R/W = Read/Write; W = Write only; -n = value after reset |
| Bit | Field | Type | Reset | Description |
|---|---|---|---|---|
| 7-1 | 0 | W | 0h | Must write 0 |
| 0 | RMS 2BIT EN | R/W | 0h | This bit enables 2-bit output format on the RMS output comparators. 0 = Selects 1-bit output format 1 = Selects 2-bit output format |
| 7 | 6 | 5 | 4 | 3 | 2 | 1 | 0 |
| 0 | 0 | 0 | RESET AGC | 0 | 0 | 0 | 0 |
| W-0h | W-0h | W-0h | R/W-0h | W-0h | W-0h | W-0h | W-0h |
| LEGEND: R/W = Read/Write; W = Write only; -n = value after reset |
| Bit | Field | Type | Reset | Description |
|---|---|---|---|---|
| 7-5 | 0 | W | 0h | Must write 0 |
| 4 | RESET AGC | R/W | 0h | After configuration, the AGC module must be reset and then brought out of reset to start operation. 0 = Clear AGC reset 1 = Set AGC reset Example: set 542Bh to 10h and then to 00h. |
| 3-0 | 0 | W | 0h | Must write 0 |
| 7 | 6 | 5 | 4 | 3 | 2 | 1 | 0 |
| 0 | 0 | 0 | 0 | IODIR GPIO4 | IODIR GPIO3 | IODIR GPIO2 | IODIR GPIO1 |
| W-0h | W-0h | W-0h | W-0h | R/W-0h | R/W-0h | R/W-0h | R/W-0h |
| LEGEND: R/W = Read/Write; W = Write only; -n = value after reset |
| Bit | Field | Type | Reset | Description |
|---|---|---|---|---|
| 7-4 | 0 | W | 0h | Must write 0 |
| 3-0 | IODIRGPIO[4:1] | R/W | 0h | These bits select the output direction for the GPIO[4:1] pins. 0 = Input (for the NCO control) 1 = Output (for the AGC alarm function) |
| 7 | 6 | 5 | 4 | 3 | 2 | 1 | 0 |
| 0 | 0 | INSEL1 | 0 | 0 | INSEL0 | ||
| W-0h | W-0h | R/W-0h | R/W-0h | R/W-0h | R/W-0h | ||
| LEGEND: R/W = Read/Write; W = Write only; -n = value after reset |
| Bit | Field | Type | Reset | Description |
|---|---|---|---|---|
| 7-6 | 0 | W | 0h | Must write 0 |
| 5-4 | INSEL1 | R/W | 0h | These bits select which GPIO pin is used for the INSEL1 bit. 00 = GPIO4 01 = GPIO1 10 = GPIO3 11 = GPIO2 Table 116 lists the NCO selection, based on the bit settings of the INSEL pins. |
| 3-2 | 0 | W | 0h | Must write 0 |
| 1-0 | INSEL0 | R/W | 0h | These bits select which GPIO pin is used for the INSEL0 bit. 00 = GPIO4 01 = GPIO1 10 = GPIO3 11 = GPIO2 Table 116 lists the NCO selection, based on the bit settings of the INSEL pins. |
| INSEL1 | INSEL2 | NCO SELECTED |
|---|---|---|
| 0 | 0 | NCO1 |
| 0 | 1 | NCO2 |
| 1 | 0 | NCO3 |
| 1 | 1 | n/a |
| 7 | 6 | 5 | 4 | 3 | 2 | 1 | 0 |
| OUTSEL GPIO1 | |||||||
| R/W-0h | |||||||
| LEGEND: R/W = Read/Write; -n = value after reset |
| 7 | 6 | 5 | 4 | 3 | 2 | 1 | 0 |
| OUTSEL GPIO2 | |||||||
| R/W-0h | |||||||
| LEGEND: R/W = Read/Write; -n = value after reset |
| 7 | 6 | 5 | 4 | 3 | 2 | 1 | 0 |
| OUTSEL GPIO3 | |||||||
| R/W-0h | |||||||
| LEGEND: R/W = Read/Write; -n = value after reset |
| 7 | 6 | 5 | 4 | 3 | 2 | 1 | 0 |
| OUTSEL GPIO4 | |||||||
| R/W-0h | |||||||
| LEGEND: R/W = Read/Write; -n = value after reset |
| Bit | Field | Type | Reset | Description |
|---|---|---|---|---|
| 7-0 | OUTSEL GPIOx | R/W | 0h | These bits set the function or signal for each GPIO pin. 0 = IIR PK DET0[0] of channel A 1 = IIR PK DET0[1] of channel A (2-bit mode) 2 = IIR PK DET1[0] of channel A 3 = IIR PK DET1[1] of channel A (2-bit mode) 4 = BLKPKDETH of channel A 5 = BLKPKDETL of channel A 6 = PWR Det[0] of channel A 7 = PWR Det[1] of channel A (2-bit mode) 8 = FOVR of channel A 9-17 = Repeat outputs 0-8 but for channel B instead |