SBAS633E February 2016 – August 2022 ADS8681 , ADS8685 , ADS8689
PRODUCTION DATA
Refer to the PDF data sheet for device specific package drawings
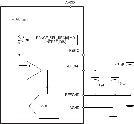
The device features an internal reference source with a nominal output value of 4.096 V. In order to select the internal reference, the INTREF_DIS bit of the RANGE_SEL_REG register must be programmed to logic 0. When the internal reference is used, the REFIO pin becomes an output with the internal reference value. A 4.7-µF (minimum) decoupling capacitor is recommended to be placed between the REFIO pin and REFGND, as shown in Figure 7-7. The capacitor must be placed as close to the REFIO pin as possible. The output impedance of the internal band-gap circuit creates a low-pass filter with this capacitor to band-limit the noise of the reference. The use of a smaller capacitor value allows higher reference noise in the system that can potentially degrade SNR and SINAD performance. The REFIO pin must not be used to drive external ac or dc loads because of limited current output capability. The REFIO pin can be used as a source if followed by a suitable op amp buffer (such as the OPA320).
Figure 7-7 Device Connections for Using an Internal 4.096-V ReferenceThe device internal reference is factory-trimmed to ensure the initial accuracy specification. The histogram in Figure 7-8 shows the distribution of the internal voltage reference output taken from more than 3420 production devices.

The initial accuracy specification for the internal reference can be degraded if the die is exposed to any mechanical or thermal stress. Heating the device when being soldered to a printed circuit board (PCB) and any subsequent solder reflow is a primary cause for shifts in the VREF value. The main cause of thermal hysteresis is a change in die stress and is therefore a function of the package, die-attach material, and molding compound, as well as the layout of the device.
In order to illustrate this effect, 30 devices were soldered using lead-free solder paste with the manufacturer suggested reflow profile, as explained in the AN-2029 Handling and Process Recommendations application note. The internal voltage reference output is measured before and after the reflow process and the typical shift in value is shown in Figure 7-9. Although all tested units exhibit a positive shift in their output voltages, negative shifts are also possible. The histogram in Figure 7-9 shows the typical shift for exposure to a single reflow profile. Exposure to multiple reflows, which is common on PCBs with surface-mount components on both sides, causes additional shifts in the output voltage. If the PCB is to be exposed to multiple reflows, solder the ADS868x in the second pass to minimize device exposure to thermal stress.

The internal reference is also temperature compensated to provide excellent temperature drift over an extended industrial temperature range of –40°C to +125°C. Figure 7-10 and Figure 7-11 show the variation of the internal reference voltage across temperature for different values of the AVDD supply voltage. The temperature drift of the internal reference is also a function of the package type. Figure 7-12 and Figure 7-13 show histogram distribution of the reference voltage drift for the TSSOP (PW) and WQFN (RUM) packages, respectively.


| AVDD = 5 V, number of devices = 30, ΔT = –40°C to +125°C |


| AVDD = 5 V, number of devices = 30, ΔT = –40°C to +125°C |