SPRSPA1B March   2025  – November 2025 AM62L

PRODUCTION DATA  

  1.   1
  2. Features
  3. Applications
  4. Description
    1. 3.1 Functional Block Diagram
  5. Device Comparison
    1. 4.1 Related Products
  6. Terminal Configuration and Functions
    1. 5.1 Pin Diagrams
    2. 5.2 Pin Attributes
      1.      11
      2.      12
    3. 5.3 Signal Descriptions
      1.      14
      2. 5.3.1  ADC
        1. 5.3.1.1 MAIN Domain
          1.        17
      3. 5.3.2  CPSW3G
        1. 5.3.2.1 MAIN Domain
          1.        20
          2.        21
          3.        22
          4.        23
      4. 5.3.3  CPTS
        1. 5.3.3.1 MAIN Domain
          1.        26
      5. 5.3.4  DDRSS
        1. 5.3.4.1 MAIN Domain
          1.        29
      6. 5.3.5  DSI
        1. 5.3.5.1 MAIN Domain
          1.        32
      7. 5.3.6  DSS
        1. 5.3.6.1 MAIN Domain
          1.        35
      8. 5.3.7  ECAP
        1. 5.3.7.1 MAIN Domain
          1.        38
          2.        39
          3.        40
      9. 5.3.8  Emulation and Debug
        1. 5.3.8.1 MAIN Domain
          1.        43
        2. 5.3.8.2 WKUP Domain
          1.        45
      10. 5.3.9  EPWM
        1. 5.3.9.1 MAIN Domain
          1.        48
          2.        49
          3.        50
          4.        51
      11. 5.3.10 EQEP
        1. 5.3.10.1 MAIN Domain
          1.        54
          2.        55
          3.        56
      12. 5.3.11 GPIO
        1. 5.3.11.1 MAIN Domain
          1.        59
        2. 5.3.11.2 WKUP Domain
          1.        61
      13. 5.3.12 GPMC
        1. 5.3.12.1 MAIN Domain
          1.        64
      14. 5.3.13 I2C
        1. 5.3.13.1 MAIN Domain
          1.        67
          2.        68
          3.        69
          4.        70
        2. 5.3.13.2 WKUP Domain
          1.        72
      15. 5.3.14 MCAN
        1. 5.3.14.1 MAIN Domain
          1.        75
          2.        76
          3.        77
      16. 5.3.15 MCASP
        1. 5.3.15.1 MAIN Domain
          1.        80
          2.        81
          3.        82
      17. 5.3.16 MCSPI
        1. 5.3.16.1 MAIN Domain
          1.        85
          2.        86
          3.        87
          4.        88
      18. 5.3.17 MDIO
        1. 5.3.17.1 MAIN Domain
          1.        91
      19. 5.3.18 MMC
        1. 5.3.18.1 MAIN Domain
          1.        94
          2.        95
          3.        96
      20. 5.3.19 OSPI
        1. 5.3.19.1 MAIN Domain
          1.        99
      21. 5.3.20 Power Supply
        1.       101
      22. 5.3.21 Reserved
        1.       103
      23. 5.3.22 System and Miscellaneous
        1. 5.3.22.1 Boot Mode Configuration
          1. 5.3.22.1.1 MAIN Domain
            1.         107
        2. 5.3.22.2 Clock
          1. 5.3.22.2.1 RTC Domain
            1.         110
          2. 5.3.22.2.2 WKUP Domain
            1.         112
        3. 5.3.22.3 System
          1. 5.3.22.3.1 MAIN Domain
            1.         115
          2. 5.3.22.3.2 RTC Domain
            1.         117
          3. 5.3.22.3.3 WKUP Domain
            1.         119
      24. 5.3.23 TIMER
        1. 5.3.23.1 MAIN Domain
          1.        122
        2. 5.3.23.2 WKUP Domain
          1.        124
      25. 5.3.24 UART
        1. 5.3.24.1 MAIN Domain
          1.        127
          2.        128
          3.        129
          4.        130
          5.        131
          6.        132
          7.        133
        2. 5.3.24.2 WKUP Domain
          1.        135
      26. 5.3.25 USB
        1. 5.3.25.1 MAIN Domain
          1.        138
          2.        139
    4. 5.4 Pin Connectivity Requirements
  7. Specifications
    1. 6.1  Absolute Maximum Ratings
    2. 6.2  ESD Ratings
    3. 6.3  Power-On Hours (POH)
    4. 6.4  Recommended Operating Conditions
    5. 6.5  Operating Performance Points
    6. 6.6  Power Consumption Summary
    7. 6.7  Electrical Characteristics
      1. 6.7.1  I2C Open-Drain, and Fail-Safe (I2C OD FS) Electrical Characteristics
      2. 6.7.2  Fail-Safe Reset (FS RESET) Electrical Characteristics
      3. 6.7.3  High-Frequency Oscillator (HFOSC) Electrical Characteristics
      4. 6.7.4  Low-Frequency Oscillator (LFXOSC) Electrical Characteristics
      5. 6.7.5  SDIO Electrical Characteristics
      6. 6.7.6  LVCMOS Electrical Characteristics
      7. 6.7.7  1P8-LVCMOS Electrical Characteristics
      8. 6.7.8  RTC-LVCMOS Electrical Characteristics
      9. 6.7.9  ADC Electrical Characteristics
      10. 6.7.10 DSI (D-PHY) Electrical Characteristics
      11. 6.7.11 USB2PHY Electrical Characteristics
      12. 6.7.12 DDR Electrical Characteristics
    8. 6.8  VPP Specifications for One-Time Programmable (OTP) eFuses
      1. 6.8.1 Recommended Operating Conditions for OTP eFuse Programming
      2. 6.8.2 Hardware Requirements
      3. 6.8.3 Programming Sequence
      4. 6.8.4 Impact to Your Hardware Warranty
    9. 6.9  Thermal Resistance Characteristics
      1. 6.9.1 Thermal Resistance Characteristics for ANB Package
    10. 6.10 Temperature Sensor Characteristics
    11. 6.11 Timing and Switching Characteristics
      1. 6.11.1 Timing Parameters and Information
      2. 6.11.2 Power Supply Requirements
        1. 6.11.2.1 Power Supply Slew Rate Requirement
        2. 6.11.2.2 Power Supply Sequencing
          1. 6.11.2.2.1 No Low-Power Mode Sequencing
          2. 6.11.2.2.2 RTC Only Low-Power Mode Sequencing
          3. 6.11.2.2.3 RTC + IO + DDR Low-Power Mode Sequencing
      3. 6.11.3 System Timing
        1. 6.11.3.1 Reset Timing
        2. 6.11.3.2 Clock Timing
      4. 6.11.4 Clock Specifications
        1. 6.11.4.1 Input Clocks / Oscillators
          1. 6.11.4.1.1 WKUP_OSC0 Internal Oscillator Clock Source
            1. 6.11.4.1.1.1 Load Capacitance
            2. 6.11.4.1.1.2 Shunt Capacitance
          2. 6.11.4.1.2 WKUP_OSC0 LVCMOS Digital Clock Source
          3. 6.11.4.1.3 LFOSC0 Internal Oscillator Clock Source
          4. 6.11.4.1.4 LFOSC0 LVCMOS Digital Clock Source
          5. 6.11.4.1.5 LFOSC0 Not Used
        2. 6.11.4.2 Output Clocks
        3. 6.11.4.3 PLLs
        4. 6.11.4.4 Recommended System Precautions for Clock and Control Signal Transitions
      5. 6.11.5 Peripherals
        1. 6.11.5.1  CPSW3G
          1. 6.11.5.1.1 CPSW3G MDIO Timing
          2. 6.11.5.1.2 CPSW3G RMII Timing
          3. 6.11.5.1.3 CPSW3G RGMII Timing
        2. 6.11.5.2  CPTS
        3. 6.11.5.3  DDRSS
        4. 6.11.5.4  DSI
        5. 6.11.5.5  DSS
        6. 6.11.5.6  ECAP
        7. 6.11.5.7  Emulation and Debug
          1. 6.11.5.7.1 Trace
          2. 6.11.5.7.2 JTAG
        8. 6.11.5.8  EPWM
        9. 6.11.5.9  EQEP
        10. 6.11.5.10 GPIO
        11. 6.11.5.11 GPMC
          1. 6.11.5.11.1 GPMC and NOR Flash — Synchronous Mode
          2. 6.11.5.11.2 GPMC and NOR Flash — Asynchronous Mode
          3. 6.11.5.11.3 GPMC and NAND Flash — Asynchronous Mode
        12. 6.11.5.12 I2C
        13. 6.11.5.13 MCAN
        14. 6.11.5.14 MCASP
        15. 6.11.5.15 MCSPI
          1. 6.11.5.15.1 MCSPI — Controller Mode
          2. 6.11.5.15.2 MCSPI — Peripheral Mode
        16. 6.11.5.16 MMCSD
          1. 6.11.5.16.1 MMC0 - eMMC/SD/SDIO Interface
            1. 6.11.5.16.1.1  Legacy SDR Mode
            2. 6.11.5.16.1.2  High Speed SDR Mode
            3. 6.11.5.16.1.3  High Speed DDR Mode
            4. 6.11.5.16.1.4  HS200 Mode
            5. 6.11.5.16.1.5  Default Speed Mode
            6. 6.11.5.16.1.6  High Speed Mode
            7. 6.11.5.16.1.7  UHS–I SDR12 Mode
            8. 6.11.5.16.1.8  UHS–I SDR25 Mode
            9. 6.11.5.16.1.9  UHS–I SDR50 Mode
            10. 6.11.5.16.1.10 UHS–I DDR50 Mode
            11. 6.11.5.16.1.11 UHS–I SDR104 Mode
          2. 6.11.5.16.2 MMC1/MMC2 - SD/SDIO Interface
            1. 6.11.5.16.2.1 Default Speed Mode
            2. 6.11.5.16.2.2 High Speed Mode
            3. 6.11.5.16.2.3 UHS–I SDR12 Mode
            4. 6.11.5.16.2.4 UHS–I SDR25 Mode
            5. 6.11.5.16.2.5 UHS–I SDR50 Mode
            6. 6.11.5.16.2.6 UHS–I DDR50 Mode
            7. 6.11.5.16.2.7 UHS–I SDR104 Mode
        17. 6.11.5.17 OSPI
          1. 6.11.5.17.1 OSPI0 PHY Mode
            1. 6.11.5.17.1.1 OSPI0 With PHY Data Training
            2. 6.11.5.17.1.2 OSPI0 Without Data Training
              1. 6.11.5.17.1.2.1 OSPI0 PHY SDR Timing
          2. 6.11.5.17.2 OSPI0 Tap Mode
            1. 6.11.5.17.2.1 OSPI0 Tap SDR Timing
            2. 6.11.5.17.2.2 OSPI0 Tap DDR Timing
        18. 6.11.5.18 Timers
        19. 6.11.5.19 UART
        20. 6.11.5.20 USB
  8. Detailed Description
    1. 7.1 Overview
    2. 7.2 Processor Subsystem
      1. 7.2.1 Arm Cortex-A53 Subsystem (A53SS)
    3. 7.3 Other Subsystem
      1. 7.3.1 Data Movement Subsystem (DMSS)
      2. 7.3.2 Peripheral DMA Controller (PDMA)
    4. 7.4 Peripherals
      1. 7.4.1  ADC
      2. 7.4.2  Gigabit Ethernet Switch (CPSW3G)
      3. 7.4.3  DDR Subsystem (DDRSS)
      4. 7.4.4  Display Subsystem (DSS)
      5. 7.4.5  Enhanced Capture (ECAP)
      6. 7.4.6  Error Location Module (ELM)
      7. 7.4.7  Enhanced Pulse Width Modulation (EPWM)
      8. 7.4.8  Enhanced Quadrature Encoder Pulse (EQEP)
      9. 7.4.9  General-Purpose Interface (GPIO)
      10. 7.4.10 General-Purpose Memory Controller (GPMC)
      11. 7.4.11 Global Timebase Counter (GTC)
      12. 7.4.12 Inter-Integrated Circuit (I2C)
      13. 7.4.13 Modular Controller Area Network (MCAN)
      14. 7.4.14 Multichannel Audio Serial Port (MCASP)
      15. 7.4.15 Multichannel Serial Peripheral Interface (MCSPI)
      16. 7.4.16 Multi-Media Card Secure Digital (MMCSD)
      17. 7.4.17 Octal Serial Peripheral Interface (OSPI)
      18. 7.4.18 Timers
      19. 7.4.19 Real-Time Clock (RTC)
      20. 7.4.20 Universal Asynchronous Receiver/Transmitter (UART)
      21. 7.4.21 Universal Serial Bus Subsystem (USBSS)
  9. Applications, Implementation, and Layout
    1. 8.1 Device Connection and Layout Fundamentals
      1. 8.1.1 Power Supply
        1. 8.1.1.1 Power Supply Designs
        2. 8.1.1.2 Power Distribution Network Implementation Guidance
      2. 8.1.2 External Oscillator
      3. 8.1.3 JTAG, EMU, and TRACE
      4. 8.1.4 Unused Pins
    2. 8.2 Peripheral- and Interface-Specific Design Information
      1. 8.2.1 DDR Board Design and Layout Guidelines
      2. 8.2.2 OSPI/QSPI/SPI Board Design and Layout Guidelines
        1. 8.2.2.1 No Loopback, Internal PHY Loopback, and Internal Pad Loopback
        2. 8.2.2.2 External Board Loopback
        3. 8.2.2.3 DQS (only available in Octal SPI devices)
      3. 8.2.3 USB VBUS Design Guidelines
      4. 8.2.4 High Speed Differential Signal Routing Guidance
      5. 8.2.5 Thermal Solution Guidance
    3. 8.3 Clock Routing Guidelines
      1. 8.3.1 Oscillator Routing
  10. Device and Documentation Support
    1. 9.1 Device Nomenclature
      1. 9.1.1 Standard Package Symbolization
      2. 9.1.2 Device Naming Convention
    2. 9.2 Tools and Software
    3. 9.3 Documentation Support
    4. 9.4 Support Resources
    5. 9.5 Trademarks
    6. 9.6 Electrostatic Discharge Caution
    7. 9.7 Glossary
  11.   Revision History
  12. 10Mechanical, Packaging, and Orderable Information
    1. 10.1 Packaging Information

Package Options

Refer to the PDF data sheet for device specific package drawings

Mechanical Data (Package|Pins)
  • ANB|373
Thermal pad, mechanical data (Package|Pins)
Orderable Information
GPMC and NOR Flash — Asynchronous Mode

Table 6-63 and Table 6-64 present timing requirements and switching characteristics for GPMC and NOR Flash — Asynchronous Mode.

Table 6-63 GPMC and NOR Flash Timing Requirements – Asynchronous Mode see Figure 6-55, Figure 6-56, Figure 6-57, and Figure 6-59
NO. PARAMETER DESCRIPTION MIN MAX UNIT
FA5(1) tacc(d) Data access time H(5) ns
FA20(2) tacc1-pgmode(d) Page mode successive data access time P(4) ns
FA21(3) tacc2-pgmode(d) Page mode first data access time H(5) ns
The FA5 parameter illustrates the amount of time required to internally sample input data. It is expressed in number of GPMC functional clock cycles. From start of read cycle and after FA5 functional clock cycles, input data is internally sampled by active functional clock edge. FA5 value must be stored inside the AccessTime register bit field.
The FA20 parameter illustrates amount of time required to internally sample successive input page data. It is expressed in number of GPMC functional clock cycles. After each access to input page data, next input page data is internally sampled by active functional clock edge after FA20 functional clock cycles. The FA20 value must be stored in the PageBurstAccessTime register bit field.
The FA21 parameter illustrates amount of time required to internally sample first input page data. It is expressed in number of GPMC functional clock cycles. From start of read cycle and after FA21 functional clock cycles, first input page data is internally sampled by active functional clock edge. FA21 value must be stored inside the AccessTime register bit field.
P = PageBurstAccessTime × (TimeParaGranularity + 1) × GPMC_FCLK(6)
H = AccessTime × (TimeParaGranularity + 1) × GPMC_FCLK(6)
GPMC_FCLK is general-purpose memory controller internal functional clock period in ns.
Table 6-64 GPMC and NOR Flash Switching Characteristics – Asynchronous Mode see Figure 6-55, Figure 6-56, Figure 6-57, Figure 6-58, Figure 6-59, and Figure 6-60
NO. PARAMETER DESCRIPTION MIN MAX UNIT
FA0 tw(be[x]nV) Pulse duration, output lower-byte enable and command latch enable GPMC_BE0n_CLE, output upper-byte enable GPMC_BE1n valid time N(12) ns
FA1 tw(csnV) Pulse duration, output chip select GPMC_CSn[i](13) low A(1) ns
FA3 td(csnV-advnIV) Delay time, output chip select GPMC_CSn[i](13) valid to output address valid and address latch enable GPMC_ADVn_ALE invalid B(2) - 2 B(2) + 2 ns
FA4 td(csnV-oenIV) Delay time, output chip select GPMC_CSn[i](13) valid to output enable GPMC_OEn_REn invalid (Single read) C(3) - 2 C(3) + 2 ns
FA9 td(aV-csnV) Delay time, output address GPMC_A[27:1] valid to output chip select GPMC_CSn[i](13) valid J(9) - 2 J(9) + 2 ns
FA10 td(be[x]nV-csnV) Delay time, output lower-byte enable and command latch enable GPMC_BE0n_CLE, output upper-byte enable GPMC_BE1n valid to output chip select GPMC_CSn[i](13) valid J(9) - 2 J(9) + 2 ns
FA12 td(csnV-advnV) Delay time, output chip select GPMC_CSn[i](13) valid to output address valid and address latch enable GPMC_ADVn_ALE valid K(10) - 2 K(10) + 2 ns
FA13 td(csnV-oenV) Delay time, output chip select GPMC_CSn[i](13) valid to output enable GPMC_OEn_REn valid L(11) - 2 L(11) + 2 ns
FA16 tw(aIV) Pulse duration output address GPMC_A[26:1] invalid between 2 successive read and write accesses G(7) ns
FA18 td(csnV-oenIV) Delay time, output chip select GPMC_CSn[i](13) valid to output enable GPMC_OEn_REn invalid (Burst read) I(8) - 2 I(8) + 2 ns
FA20 tw(aV) Pulse duration, output address GPMC_A[27:1] valid - 2nd, 3rd, and 4th accesses D(4) ns
FA25 td(csnV-wenV) Delay time, output chip select GPMC_CSn[i](13) valid to output write enable GPMC_WEn valid E(5) - 2 E(5) + 2 ns
FA27 td(csnV-wenIV) Delay time, output chip select GPMC_CSn[i](13) valid to output write enable GPMC_WEn invalid F(6) - 2 F(6) + 2 ns
FA28 td(wenV-dV) Delay time, output write enable GPMC_WEn valid to output data GPMC_AD[15:0] valid 2 ns
FA29 td(dV-csnV) Delay time, output data GPMC_AD[15:0] valid to output chip select GPMC_CSn[i](13) valid J(9) - 2 J(9) + 2 ns
FA37 td(oenV-aIV) Delay time, output enable GPMC_OEn_REn valid to output address GPMC_AD[15:0] phase end 2 ns
For single read: A = (CSRdOffTime - CSOnTime) × (TimeParaGranularity + 1) × GPMC_FCLK(14)
For single write: A = (CSWrOffTime - CSOnTime) × (TimeParaGranularity + 1) × GPMC_FCLK(14)
For burst read: A = (CSRdOffTime - CSOnTime + (n - 1) × PageBurstAccessTime) × (TimeParaGranularity + 1) × GPMC_FCLK(14)
For burst write: A = (CSWrOffTime - CSOnTime + (n - 1) × PageBurstAccessTime) × (TimeParaGranularity + 1) × GPMC_FCLK(14)
with n being the page burst access number
For reading: B = ((ADVRdOffTime - CSOnTime) × (TimeParaGranularity + 1) + 0.5 × (ADVExtraDelay - CSExtraDelay)) × GPMC_FCLK(14)
For writing: B = ((ADVWrOffTime - CSOnTime) × (TimeParaGranularity + 1) + 0.5 × (ADVExtraDelay - CSExtraDelay)) × GPMC_FCLK(14)
C = ((OEOffTime - CSOnTime) × (TimeParaGranularity + 1) + 0.5 × (OEExtraDelay - CSExtraDelay)) × GPMC_FCLK(14)
D = PageBurstAccessTime × (TimeParaGranularity + 1) × GPMC_FCLK(14)
E = ((WEOnTime - CSOnTime) × (TimeParaGranularity + 1) + 0.5 × (WEExtraDelay - CSExtraDelay)) × GPMC_FCLK(14)
F = ((WEOffTime - CSOnTime) × (TimeParaGranularity + 1) + 0.5 × (WEExtraDelay - CSExtraDelay)) × GPMC_FCLK(14)
G = Cycle2CycleDelay × GPMC_FCLK(14)
I = ((OEOffTime + (n - 1) × PageBurstAccessTime - CSOnTime) × (TimeParaGranularity + 1) + 0.5 × (OEExtraDelay - CSExtraDelay)) × GPMC_FCLK(14)
J = (CSOnTime × (TimeParaGranularity + 1) + 0.5 × CSExtraDelay) × GPMC_FCLK(14)
K = ((ADVOnTime - CSOnTime) × (TimeParaGranularity + 1) + 0.5 × (ADVExtraDelay - CSExtraDelay)) × GPMC_FCLK(14)
L = ((OEOnTime - CSOnTime) × (TimeParaGranularity + 1) + 0.5 × (OEExtraDelay - CSExtraDelay)) × GPMC_FCLK(14)
For single read: N = RdCycleTime × (TimeParaGranularity + 1) × GPMC_FCLK(14)
For single write: N = WrCycleTime × (TimeParaGranularity + 1) × GPMC_FCLK(14)
For burst read: N = (RdCycleTime + (n - 1) × PageBurstAccessTime) × (TimeParaGranularity + 1) × GPMC_FCLK(14)
For burst write: N = (WrCycleTime + (n - 1) × PageBurstAccessTime) × (TimeParaGranularity + 1) × GPMC_FCLK(14)
In GPMC_CSn[i], i is equal to 0, 1, 2 or 3.
GPMC_FCLK is general-purpose memory controller internal functional clock period in ns.
AM62L GPMC and
                    NOR Flash — Asynchronous Read — Single Word
In GPMC_CSn[i], i is equal to 0, 1, 2 or 3. In GPMC_WAIT[j], jis equal to 0 or 1.
FA5 parameter illustrates amount of time required to internally sample input data. It is expressed in number of GPMC functional clock cycles. From start of read cycle and after FA5 functional clock cycles, input data will be internally sampled by active functional clock edge. FA5 value must be stored inside AccessTime register bits field.
GPMC_FCLK is an internal clock (GPMC functional clock) not provided externally.
Figure 6-55 GPMC and NOR Flash — Asynchronous Read — Single Word
AM62L GPMC and
                    NOR Flash — Asynchronous Read — 32–Bit
In GPMC_CSn[i], i is equal to 0, 1, 2 or 3. In GPMC_WAIT[j], j is equal to 0 or 1.
FA5 parameter illustrates amount of time required to internally sample input data. It is expressed in number of GPMC functional clock cycles. From start of read cycle and after FA5 functional clock cycles, input data will be internally sampled by active functional clock edge. FA5 value must be stored inside AccessTime register bits field.
GPMC_FCLK is an internal clock (GPMC functional clock) not provided externally.
Figure 6-56 GPMC and NOR Flash — Asynchronous Read — 32–Bit
AM62L GPMC and
                    NOR Flash — Asynchronous Read — Page Mode 4x16–Bit
In GPMC_CSn[i], i is equal to 0, 1, 2 or 3. In GPMC_WAIT[j], j is equal to 0 or 1.
FA21 parameter illustrates amount of time required to internally sample first input page data. It is expressed in number of GPMC functional clock cycles. From start of read cycle and after FA21 functional clock cycles, first input page data will be internally sampled by active functional clock edge. FA21 calculation must be stored inside AccessTime register bits field.
FA20 parameter illustrates amount of time required to internally sample successive input page data. It is expressed in number of GPMC functional clock cycles. After each access to input page data, next input page data will be internally sampled by active functional clock edge after FA20 functional clock cycles. FA20 is also the duration of address phases for successive input page data (excluding first input page data). FA20 value must be stored in PageBurstAccessTime register bits field.
GPMC_FCLK is an internal clock (GPMC functional clock) not provided externally.
Figure 6-57 GPMC and NOR Flash — Asynchronous Read — Page Mode 4x16–Bit
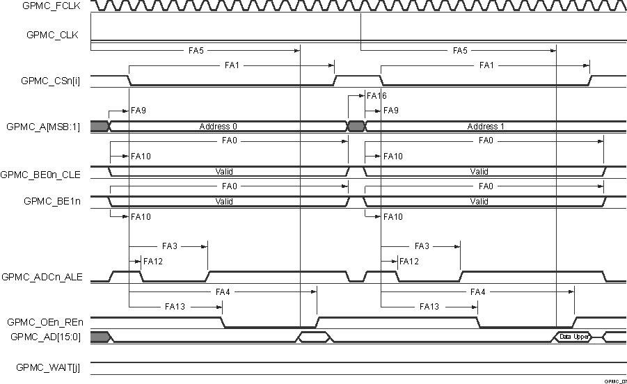
AM62L GPMC and
                    NOR Flash — Asynchronous Write — Single Word
In GPMC_CSn[i], i is equal to 0, 1, 2 or 3. In GPMC_WAIT[j], j is equal to 0 or 1.
Figure 6-58 GPMC and NOR Flash — Asynchronous Write — Single Word
AM62L GPMC and
                    Multiplexed NOR Flash — Asynchronous Read — Single Word
In GPMC_CSn[i], i is equal to 0, 1, 2 or 3. In GPMC_WAIT[j], j is equal to 0 or 1.
FA5 parameter illustrates amount of time required to internally sample input data. It is expressed in number of GPMC functional clock cycles. From start of read cycle and after FA5 functional clock cycles, input data will be internally sampled by active functional clock edge. FA5 value must be stored inside AccessTime register bits field.
GPMC_FCLK is an internal clock (GPMC functional clock) not provided externally.
Figure 6-59 GPMC and Multiplexed NOR Flash — Asynchronous Read — Single Word
AM62L GPMC and
                    Multiplexed NOR Flash — Asynchronous Write — Single Word
In GPMC_CSn[i], i is equal to 0, 1, 2 or 3. In GPMC_WAIT[j], j is equal to 0 or 1.
Figure 6-60 GPMC and Multiplexed NOR Flash — Asynchronous Write — Single Word