SCHS415A June   2020  – August 2024 CD54HCT125 , CD74HCT125

PRODUCTION DATA  

  1.   1
  2. Features
  3. Applications
  4. Description
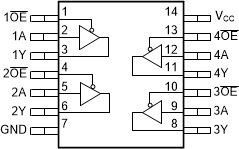
  5. Pin Configuration and Functions
  6. Specifications
    1. 5.1 Absolute Maximum Ratings
    2. 5.2 ESD Ratings
    3. 5.3 Recommended Operating Conditions
    4. 5.4 Thermal Information
    5. 5.5 Electrical Characteristics
    6. 5.6 Switching Characteristics
    7. 5.7 Operating Characteristics
    8. 5.8 Typical Characteristics
  7. Parameter Measurement Information
  8. Detailed Description
    1. 7.1 Overview
    2. 7.2 Functional Block Diagram
    3. 7.3 Feature Description
      1. 7.3.1 Balanced CMOS 3-State Outputs
      2. 7.3.2 TTL-Compatible CMOS Inputs
      3. 7.3.3 Clamp Diode Structure
    4. 7.4 Device Functional Modes
  9. Application and Implementation
    1. 8.1 Application Information
    2. 8.2 Typical Application
      1. 8.2.1 Design Requirements
        1. 8.2.1.1 Power Considerations
        2. 8.2.1.2 Input Considerations
        3. 8.2.1.3 Output Considerations
      2. 8.2.2 Detailed Design Procedure
      3. 8.2.3 Application Curves
    3. 8.3 Power Supply Recommendations
    4. 8.4 Layout
      1. 8.4.1 Layout Guidelines
      2. 8.4.2 Layout Example
  10. Device and Documentation Support
    1. 9.1 Documentation Support
      1. 9.1.1 Related Documentation
    2. 9.2 Receiving Notification of Documentation Updates
    3. 9.3 Support Resources
    4. 9.4 Trademarks
    5. 9.5 Electrostatic Discharge Caution
    6. 9.6 Glossary
  11. 10Revision History
  12. 11Mechanical, Packaging, and Orderable Information

Package Options

Mechanical Data (Package|Pins)
Thermal pad, mechanical data (Package|Pins)
Orderable Information

Description

This device contains four independent buffers with 3-state outputs. Each gate performs the Boolean function Y = A in positive logic.

Device Information
PART NUMBER PACKAGE(1) PACKAGE SIZE(2) BODY SIZE(3)
CDx4HCT125 D (SOIC, 14) 8.65mm × 6mm 8.65mm × 3.9mm
N (PDIP, 14) 19.30mm × 9.4mm 19.30mm × 6.35mm
J (CDIP, 14) 19.56mm x 6.7mm 19.56mm × 4.57mm
The package size (length × width) is a nominal value and includes pins, where applicable.
The body size (length × width) is a nominal value and does not include pins.
CD54HCT125 CD74HCT125  Functional pinoutFunctional pinout