SBVS011N March   2000  – April 2020 DCP020503 , DCP020505 , DCP020507 , DCP020509 , DCP020515D , DCP021205 , DCP021212 , DCP021212D , DCP021515 , DCP022405 , DCP022405D , DCP022415D

PRODUCTION DATA  

  1. 1Features
  2. 2Applications
  3. 3Description
  4. 4Revision History
  5. 5Pin Configuration and Functions
    1.     Pin Functions
  6. 6Specifications
    1. 6.1 Absolute Maximum Ratings
    2. 6.2 ESD Ratings
    3. 6.3 Recommended Operating Conditions
    4. 6.4 Thermal Information
    5. 6.5 Electrical Characteristics
    6. 6.6 Switching Characteristics
    7. 6.7 Typical Characteristics
  7. 7Detailed Description
    1. 7.1 Overview
    2. 7.2 Functional Block Diagrams
    3. 7.3 Feature Description
      1. 7.3.1  Isolation
        1. 7.3.1.1 Operation or Functional Isolation
        2. 7.3.1.2 Basic or Enhanced Isolation
        3. 7.3.1.3 Continuous Voltage
        4. 7.3.1.4 Isolation Voltage
        5. 7.3.1.5 Repeated High-Voltage Isolation Testing
      2. 7.3.2  Power Stage
      3. 7.3.3  Oscillator And Watchdog Circuit
      4. 7.3.4  Thermal Shutdown
      5. 7.3.5  Synchronization
      6. 7.3.6  Light Load Operation (< 10%)
      7. 7.3.7  Load Regulation (10% to 100%)
      8. 7.3.8  Construction
      9. 7.3.9  Thermal Management
      10. 7.3.10 Power-Up Characteristics
    4. 7.4 Device Functional Modes
      1. 7.4.1 Disable/Enable (SYNC pin)
      2. 7.4.2 Decoupling
        1. 7.4.2.1 Ripple Reduction
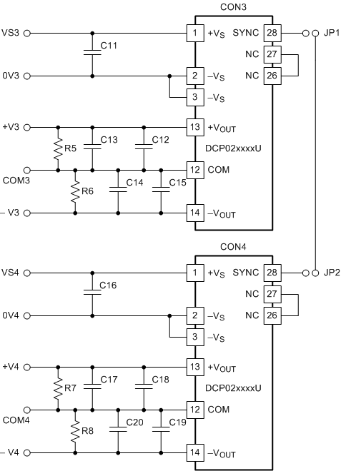
        2. 7.4.2.2 Connecting the DCP02 in Series
        3. 7.4.2.3 Connecting the DCP02 in Parallel
  8. 8Layout
    1. 8.1 Layout Guidelines
    2. 8.2 Layout Example
  9. 9Device and Documentation Support
    1. 9.1 Device Support
      1. 9.1.1 Device Nomenclature
    2. 9.2 Documentation Support
      1. 9.2.1 Related Documentation
    3. 9.3 Support Resources
    4. 9.4 Related Links
    5. 9.5 Trademarks
    6. 9.6 Receiving Notification of Documentation Updates
    7. 9.7 Electrostatic Discharge Caution
    8. 9.8 Glossary

Package Options

Mechanical Data (Package|Pins)
Thermal pad, mechanical data (Package|Pins)
Orderable Information

Layout Example

GUID-3683A297-9F90-4117-9B1F-50BAED91123F-low.gifFigure 8-1 PCB Schematic, P Package
GUID-7D5F12AB-49BE-497C-84AE-0FA8458AEC8B-low.gifFigure 8-2 PCB Schematic, U Package
GUID-CC7002E7-BEF6-4187-A648-EAAFECBBC0B2-low.gifFigure 8-3 PCB Layout Example, Component-Side View
GUID-020929B9-B55F-439B-8C85-0434A16DE231-low.gifFigure 8-4 PCB Layout Example, Non-Component-Side View