SPRSP35K February   2019  – April 2024 DRA829J , DRA829J-Q1 , DRA829V , DRA829V-Q1

PRODUCTION DATA  

  1.   1
  2. Features
  3. Applications
  4. Description
    1. 3.1 Functional Block Diagram
  5. Device Comparison
    1. 4.1 Related Products
  6. Terminal Configuration and Functions
    1. 5.1 Pin Diagram
    2. 5.2 Pin Attributes
    3. 5.3 Signal Descriptions
      1. 5.3.1  ADC
        1. 5.3.1.1 MCU Domain
      2. 5.3.2  DDRSS
        1. 5.3.2.1 MAIN Domain
      3. 5.3.3  GPIO
        1. 5.3.3.1 MAIN Domain
        2. 5.3.3.2 WKUP Domain
      4. 5.3.4  I2C
        1. 5.3.4.1 MAIN Domain
        2. 5.3.4.2 MCU Domain
        3. 5.3.4.3 WKUP Domain
      5. 5.3.5  I3C
        1. 5.3.5.1 MAIN Domain
        2. 5.3.5.2 MCU Domain
      6. 5.3.6  MCAN
        1. 5.3.6.1 MAIN Domain
        2. 5.3.6.2 MCU Domain
      7. 5.3.7  MCSPI
        1. 5.3.7.1 MAIN Domain
        2. 5.3.7.2 MCU Domain
      8. 5.3.8  UART
        1. 5.3.8.1 MAIN Domain
        2. 5.3.8.2 MCU Domain
        3. 5.3.8.3 WKUP Domain
      9. 5.3.9  MDIO
        1. 5.3.9.1 MCU Domain
      10. 5.3.10 CPSW2G
        1. 5.3.10.1 MCU Domain
      11. 5.3.11 CPSW9G
        1. 5.3.11.1 MAIN Domain
      12. 5.3.12 ECAP
        1. 5.3.12.1 MAIN Domain
      13. 5.3.13 EQEP
        1. 5.3.13.1 MAIN Domain
      14. 5.3.14 EHRPWM
        1. 5.3.14.1 MAIN Domain
      15. 5.3.15 USB
        1. 5.3.15.1 MAIN Domain
      16. 5.3.16 SERDES
        1. 5.3.16.1 MAIN Domain
      17. 5.3.17 OSPI
        1. 5.3.17.1 MCU Domain
      18. 5.3.18 Hyperbus
        1. 5.3.18.1 MCU Domain
      19. 5.3.19 GPMC
        1. 5.3.19.1 MAIN Domain
      20. 5.3.20 MMC
        1. 5.3.20.1 MAIN Domain
      21. 5.3.21 CPTS
        1. 5.3.21.1 MCU Domain
        2. 5.3.21.2 MAIN Domain
      22. 5.3.22 UFS
        1. 5.3.22.1 MAIN Domain
      23. 5.3.23 PRU_ICSSG [Currently Not Supported]
        1. 5.3.23.1 MAIN Domain
      24. 5.3.24 MCASP
        1. 5.3.24.1 MAIN Domain
      25. 5.3.25 DSS
        1. 5.3.25.1 MAIN Domain
      26. 5.3.26 DP
        1. 5.3.26.1 MAIN Domain
      27. 5.3.27 Camera Streaming Interface Receiver (CSI_RX_IF) Subsystem
        1. 5.3.27.1 MAIN Domain
      28. 5.3.28 DSI_TX
        1. 5.3.28.1 MAIN Domain
      29. 5.3.29 VPFE
        1. 5.3.29.1 MAIN Domain
      30. 5.3.30 DMTIMER
        1. 5.3.30.1 MAIN Domain
        2. 5.3.30.2 MCU Domain
      31. 5.3.31 Emulation and Debug
        1. 5.3.31.1 MAIN Domain
      32. 5.3.32 System and Miscellaneous
        1. 5.3.32.1 Boot Mode Configuration
          1. 5.3.32.1.1 MAIN Domain
          2. 5.3.32.1.2 MCU Domain
        2. 5.3.32.2 Clock
          1. 5.3.32.2.1 MAIN Domain
          2. 5.3.32.2.2 WKUP Domain
        3. 5.3.32.3 System
          1. 5.3.32.3.1 MAIN Domain
          2. 5.3.32.3.2 WKUP Domain
        4. 5.3.32.4 EFUSE
      33. 5.3.33 Power Supply
    4. 5.4 Pin Multiplexing
    5. 5.5 Pin Connectivity Requirements
  7. Specifications
    1. 6.1 Absolute Maximum Ratings
    2. 6.2 ESD Ratings
    3. 6.3 Power-On-Hour (POH) Limits
    4. 6.4 Recommended Operating Conditions
    5. 6.5 Operating Performance Points
    6. 6.6 Electrical Characteristics
      1. 6.6.1  I2C, Open-Drain, Fail-Safe (I2C OD FS) Electrical Characteristics
      2. 6.6.2  Fail-Safe Reset (FS Reset) Electrical Characteristics
      3. 6.6.3  HFOSC/LFOSC Electrical Characteristics
      4. 6.6.4  eMMCPHY Electrical Characteristics
      5. 6.6.5  SDIO Electrical Characteristics
      6. 6.6.6  CSI-2/DSI D-PHY Electrical Characteristics
      7. 6.6.7  ADC12B Electrical Characteristics
      8. 6.6.8  MLB LVCMOS Electrical Characteristics
      9. 6.6.9  LVCMOS Electrical Characteristics
      10. 6.6.10 USB2PHY Electrical Characteristics
      11. 6.6.11 SerDes 4-L-PHY/2-L-PHY Electrical Characteristics
      12. 6.6.12 UFS M-PHY Electrical Characteristics
      13. 6.6.13 eDP/DP AUX-PHY Electrical Characteristics
      14. 6.6.14 DDR0 Electrical Characteristics
    7. 6.7 VPP Specifications for One-Time Programmable (OTP) eFuses
      1. 6.7.1 Recommended Operating Conditions for OTP eFuse Programming
      2. 6.7.2 Hardware Requirements
      3. 6.7.3 Programming Sequence
      4. 6.7.4 Impact to Your Hardware Warranty
    8. 6.8 Thermal Resistance Characteristics
      1. 6.8.1 Thermal Resistance Characteristics for ALF Package
    9. 6.9 Timing and Switching Characteristics
      1. 6.9.1 Timing Parameters and Information
      2. 6.9.2 Power Supply Sequencing
        1. 6.9.2.1 Power Supply Slew Rate Requirement
        2. 6.9.2.2 Combined MCU and Main Domains Power-Up Sequencing
        3. 6.9.2.3 Combined MCU and Main Domains Power- Down Sequencing
        4. 6.9.2.4 Isolated MCU and Main Domains Power- Up Sequencing
        5. 6.9.2.5 Isolated MCU and Main Domains, Primary Power- Down Sequencing
        6. 6.9.2.6 Entry and Exit of MCU Only State
        7. 6.9.2.7 Entry and Exit of DDR Retention State
      3. 6.9.3 System Timing
        1. 6.9.3.1 Reset Timing
        2. 6.9.3.2 Safety Signal Timing
        3. 6.9.3.3 Clock Timing
      4. 6.9.4 Clock Specifications
        1. 6.9.4.1 Input and Output Clocks / Oscillators
          1. 6.9.4.1.1 WKUP_OSC0 Internal Oscillator Clock Source
            1. 6.9.4.1.1.1 Load Capacitance
            2. 6.9.4.1.1.2 Shunt Capacitance
          2. 6.9.4.1.2 WKUP_OSC0 LVCMOS Digital Clock Source
          3. 6.9.4.1.3 Auxiliary OSC1 Internal Oscillator Clock Source
            1. 6.9.4.1.3.1 Load Capacitance
            2. 6.9.4.1.3.2 Shunt Capacitance
          4. 6.9.4.1.4 Auxiliary OSC1 LVCMOS Digital Clock Source
          5. 6.9.4.1.5 Auxiliary OSC1 Not Used
          6. 6.9.4.1.6 WKUP_LFOSC0 Internal Oscillator Clock Source
            1. 6.9.4.1.6.1 WKUP_LFOSC0 Not Used
        2. 6.9.4.2 Output Clocks
        3. 6.9.4.3 PLLs
        4. 6.9.4.4 Module and Peripheral Clocks Frequencies
      5. 6.9.5 Peripherals
        1. 6.9.5.1  ATL
          1. 6.9.5.1.1 ATL_PCLK Timing Requirements
          2. 6.9.5.1.2 ATL_AWS[x] Timing Requirements
          3. 6.9.5.1.3 ATL_BWS[x] Timing Requirements
          4. 6.9.5.1.4 ATCLK[x] Switching Characteristics
        2. 6.9.5.2  VPFE
        3. 6.9.5.3  CPSW2G
          1. 6.9.5.3.1 CPSW2G MDIO Interface Timings
          2. 6.9.5.3.2 CPSW2G RMII Timings
            1. 6.9.5.3.2.1 CPSW2G RMII[x]_REF_CLK Timing Requirements – RMII Mode
            2. 6.9.5.3.2.2 CPSW2G RMII[x]_RXD[1:0], RMII[x]_CRS_DV, and RMII[x]_RX_ER Timing Requirements – RMII Mode
            3. 6.9.5.3.2.3 CPSW2G RMII[x]_TXD[1:0], and RMII[x]_TX_EN Switching Characteristics – RMII Mode
          3. 6.9.5.3.3 CPSW2G RGMII Timings
            1. 6.9.5.3.3.1 RGMII[x]_RXC Timing Requirements – RGMII Mode
            2. 6.9.5.3.3.2 CPSW2G Timing Requirements for RGMII[x]_RD[3:0], and RGMII[x]_RCTL – RGMII Mode
            3. 6.9.5.3.3.3 CPSW2G RGMII[x]_TXC Switching Characteristics – RGMII Mode
            4. 6.9.5.3.3.4 RGMII[x]_TD[3:0], and RGMII[x]_TX_CTL Switching Characteristics – RGMII Mode
        4. 6.9.5.4  CPSW9G
          1. 6.9.5.4.1 CPSW9G MDIO Interface Timings
          2. 6.9.5.4.2 CPSW9G RMII Timings
            1. 6.9.5.4.2.1 RMII[x]_REF_CLK Timing Requirements – RMII Mode
            2. 6.9.5.4.2.2 RMII[x]_RXD[1:0], RMII[x]_CRS_DV, and RMII[x]_RX_ER Timing Requirements – RMII Mode
            3. 6.9.5.4.2.3 RMII[x]_TXD[1:0], and RMII[x]_TXEN Switching Characteristics – RMII Mode
          3. 6.9.5.4.3 CPSW9G RGMII Timings
            1. 6.9.5.4.3.1 RGMII[x]_RXC Timing Requirements – RGMII Mode
            2. 6.9.5.4.3.2 RGMII[x]_RD[3:0] and RGMII[x]_RCTL Timing Requirements – RGMII Mode
            3. 6.9.5.4.3.3 RGMII[x]_TXC Switching Characteristics – RGMII Mode
            4. 6.9.5.4.3.4 RGMII[x]_TD[3:0] and RGMII[x]_TX_CTL Switching Characteristics – RGMII Mode
        5. 6.9.5.5  CSI-2
        6. 6.9.5.6  DDRSS
        7. 6.9.5.7  DSS
        8. 6.9.5.8  eCAP
          1. 6.9.5.8.1 Timing Requirements for eCAP
          2. 6.9.5.8.2 Switching Characteristics for eCAP
        9. 6.9.5.9  EPWM
          1. 6.9.5.9.1 Timing Requirements for eHRPWM
          2. 6.9.5.9.2 Switching Characteristics for eHRPWM
        10. 6.9.5.10 eQEP
          1. 6.9.5.10.1 Timing Requirements for eQEP
          2. 6.9.5.10.2 Switching Characteristics for eQEP
        11. 6.9.5.11 GPIO
          1. 6.9.5.11.1 GPIO Timing Requirements
          2. 6.9.5.11.2 GPIO Switching Characteristics
        12. 6.9.5.12 GPMC
          1. 6.9.5.12.1 GPMC and NOR Flash — Synchronous Mode
            1. 6.9.5.12.1.1 GPMC and NOR Flash Timing Requirements — Synchronous Mode
            2. 6.9.5.12.1.2 GPMC and NOR Flash Switching Characteristics – Synchronous Mode
          2. 6.9.5.12.2 GPMC and NOR Flash — Asynchronous Mode
            1. 6.9.5.12.2.1 GPMC and NOR Flash Timing Requirements – Asynchronous Mode
            2. 6.9.5.12.2.2 GPMC and NOR Flash Switching Characteristics – Asynchronous Mode
          3. 6.9.5.12.3 GPMC and NAND Flash — Asynchronous Mode
            1. 6.9.5.12.3.1 GPMC and NAND Flash Timing Requirements – Asynchronous Mode
            2. 6.9.5.12.3.2 GPMC and NAND Flash Switching Characteristics – Asynchronous Mode
          4. 6.9.5.12.4 GPMC0 IOSET
        13. 6.9.5.13 HyperBus
          1. 6.9.5.13.1 Timing Requirements for HyperBus
          2. 6.9.5.13.2 HyperBus 166 MHz Switching Characteristics
          3. 6.9.5.13.3 HyperBus 100 MHz Switching Characteristics
        14. 6.9.5.14 I2C
        15. 6.9.5.15 I3C
        16. 6.9.5.16 MCAN
        17. 6.9.5.17 MCASP
        18. 6.9.5.18 MCSPI
          1. 6.9.5.18.1 MCSPI — Master Mode
          2. 6.9.5.18.2 MCSPI — Slave Mode
        19. 6.9.5.19 MMCSD
          1. 6.9.5.19.1 MMC0 - eMMC Interface
            1. 6.9.5.19.1.1 Legacy SDR Mode
            2. 6.9.5.19.1.2 High Speed SDR Mode
            3. 6.9.5.19.1.3 High Speed DDR Mode
            4. 6.9.5.19.1.4 HS200 Mode
          2. 6.9.5.19.2 MMC1/2 - SD/SDIO Interface
            1. 6.9.5.19.2.1 Default Speed Mode
            2. 6.9.5.19.2.2 High Speed Mode
            3. 6.9.5.19.2.3 UHS–I SDR12 Mode
            4. 6.9.5.19.2.4 UHS–I SDR25 Mode
            5. 6.9.5.19.2.5 UHS–I SDR50 Mode
            6. 6.9.5.19.2.6 UHS–I DDR50 Mode
            7. 6.9.5.19.2.7 UHS–I SDR104 Mode
        20. 6.9.5.20 CPTS
          1. 6.9.5.20.1 CPTS Timing Requirements
          2. 6.9.5.20.2 CPTS Switching Characteristics
        21. 6.9.5.21 OSPI
          1. 6.9.5.21.1 OSPI PHY Mode
            1. 6.9.5.21.1.1 OSPI With Data Training
              1. 6.9.5.21.1.1.1 OSPI Switching Characteristics – Data Training
            2. 6.9.5.21.1.2 OSPI Without Data Training
              1. 6.9.5.21.1.2.1 OSPI Timing Requirements – SDR Mode
              2. 6.9.5.21.1.2.2 OSPI Switching Characteristics – SDR Mode
              3. 6.9.5.21.1.2.3 OSPI Timing Requirements – DDR Mode
              4. 6.9.5.21.1.2.4 OSPI Switching Characteristics – DDR Mode
          2. 6.9.5.21.2 OSPI Tap Mode
            1. 6.9.5.21.2.1 OSPI Tap SDR Timing
            2. 6.9.5.21.2.2 OSPI Tap DDR Timing
        22. 6.9.5.22 PCIE
        23. 6.9.5.23 Timers
          1. 6.9.5.23.1 Timing Requirements for Timers
          2. 6.9.5.23.2 Switching Characteristics for Timers
        24. 6.9.5.24 UART
          1. 6.9.5.24.1 Timing Requirements for UART
          2. 6.9.5.24.2 UART Switching Characteristics
        25. 6.9.5.25 USB
      6. 6.9.6 Emulation and Debug
        1. 6.9.6.1 Trace
        2. 6.9.6.2 JTAG
          1. 6.9.6.2.1 JTAG Electrical Data and Timing
            1. 6.9.6.2.1.1 JTAG Timing Requirements
            2. 6.9.6.2.1.2 JTAG Switching Characteristics
  8. Detailed Description
    1. 7.1 Overview
    2. 7.2 Processor Subsystems
      1. 7.2.1 Arm Cortex-A72
      2. 7.2.2 Arm Cortex-R5F
      3. 7.2.3 DSP C71x
      4. 7.2.4 DSP C66x
    3. 7.3 Accelerators and Coprocessors
      1. 7.3.1 GPU
      2. 7.3.2 D5520MP2
      3. 7.3.3 VXE384MP2
    4. 7.4 Other Subsystems
      1. 7.4.1 MSMC
      2. 7.4.2 NAVSS
        1. 7.4.2.1 NAVSS0
        2. 7.4.2.2 MCU_NAVSS
      3. 7.4.3 PDMA Controller
      4. 7.4.4 Power Supply
      5. 7.4.5 Peripherals
        1. 7.4.5.1  ADC
        2. 7.4.5.2  ATL
        3. 7.4.5.3  CSI
          1. 7.4.5.3.1 Camera Streaming Interface Receiver (CSI_RX_IF) and MIPI DPHY Receiver (DPHY_RX)
          2. 7.4.5.3.2 Camera Streaming Interface Transmitter (CSI_TX_IF)
        4. 7.4.5.4  CPSW2G
        5. 7.4.5.5  CPSW9G
        6. 7.4.5.6  DCC
        7. 7.4.5.7  DDRSS
        8. 7.4.5.8  DSS
          1. 7.4.5.8.1 DSI
          2. 7.4.5.8.2 eDP
        9. 7.4.5.9  VPFE
        10. 7.4.5.10 eCAP
        11. 7.4.5.11 EPWM
        12. 7.4.5.12 ELM
        13. 7.4.5.13 ESM
        14. 7.4.5.14 eQEP
        15. 7.4.5.15 GPIO
        16. 7.4.5.16 GPMC
        17. 7.4.5.17 Hyperbus
        18. 7.4.5.18 I2C
        19. 7.4.5.19 I3C
        20. 7.4.5.20 MCAN
        21. 7.4.5.21 MCASP
        22. 7.4.5.22 MCRC Controller
        23. 7.4.5.23 MCSPI
        24. 7.4.5.24 MMC/SD
        25. 7.4.5.25 OSPI
        26. 7.4.5.26 PCIE
        27. 7.4.5.27 SerDes
        28. 7.4.5.28 WWDT
        29. 7.4.5.29 Timers
        30. 7.4.5.30 UART
        31. 7.4.5.31 USB
        32. 7.4.5.32 UFS
  9. Applications and Implementation
    1. 8.1 Power Supply Mapping
    2. 8.2 Device Connection and Layout Fundamentals
      1. 8.2.1 Power Supply Decoupling and Bulk Capacitors
        1. 8.2.1.1 Power Distribution Network Implementation Guidance
      2. 8.2.2 External Oscillator
      3. 8.2.3 JTAG and EMU
      4. 8.2.4 Reset
      5. 8.2.5 Unused Pins
      6. 8.2.6 Hardware Design Guide for JacintoTM 7 Devices
    3. 8.3 Peripheral- and Interface-Specific Design Information
      1. 8.3.1 LPDDR4 Board Design and Layout Guidelines
      2. 8.3.2 OSPI and QSPI Board Design and Layout Guidelines
        1. 8.3.2.1 No Loopback and Internal Pad Loopback
        2. 8.3.2.2 External Board Loopback
        3. 8.3.2.3 DQS (only available in Octal Flash devices)
      3. 8.3.3 SERDES REFCLK Design Guidelines
      4. 8.3.4 USB VBUS Design Guidelines
      5. 8.3.5 System Power Supply Monitor Design Guidelines
      6. 8.3.6 High Speed Differential Signal Routing Guidance
      7. 8.3.7 Thermal Solution Guidance
  10. Device and Documentation Support
    1. 9.1 Device Nomenclature
      1. 9.1.1 Standard Package Symbolization
      2. 9.1.2 Device Naming Convention
    2. 9.2 Tools and Software
    3. 9.3 Documentation Support
    4. 9.4 Support Resources
    5. 9.5 Trademarks
    6. 9.6 Electrostatic Discharge Caution
    7. 9.7 Glossary
  11. 10Revision History
  12. 11Mechanical, Packaging, and Orderable Information
    1. 11.1 Packaging Information

Package Options

Refer to the PDF data sheet for device specific package drawings

Mechanical Data (Package|Pins)
  • ALF|827
Thermal pad, mechanical data (Package|Pins)
Orderable Information
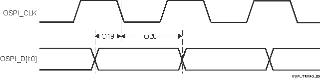
OSPI Tap SDR Timing

Table 6-95, Figure 6-115, Table 6-96, and Figure 6-116 present timing requirements and switching characteristics for OSPI0 Tap SDR Mode.

Table 6-95 OSPI Timing Requirements – Tap SDR Mode see Figure 6-115
NO. MODE MIN MAX UNIT
O19 tsu(D-CLK) Setup time, OSPI_D[7:0] valid before active OSPI_CLK edge No Loopback (10.4 - (0.975T(1)R(2))) ns
O20 th(CLK-D) Hold time, OSPI_D[7:0] valid after active OSPI_CLK edge No Loopback (–0.2 + (0.975T(1)R(2))) ns
T = OSPI_RD_DATA_CAPTURE_REG[DELAY_FLD]
R = reference clock cycle time in ns
GUID-A1DC5FD3-653D-4481-847D-956BF26187A7-low.gif Figure 6-115 OSPI Timing Requirements – Tap SDR, No Loopback
Table 6-96 OSPI0/1 Switching Characteristics – Tap SDR Mode see Figure 6-116
NO. PARAMETER MODE MIN MAX UNIT
O7 tc(CLK) Cycle time, OSPI0/1_CLK 20 ns
O8 tw(CLKL) Pulse duration, OSPI0/1_CLK low ((0.475P(1)) - 0.3) ns
O9 tw(CLKH) Pulse duration, OSPI0/1_CLK high ((0.475P(1)) - 0.3) ns
O10 td(CSn-CLK) Delay time, OSPI0/1_CSn[3:0] active edge to OSPI0/1_CLK rising edge ((0.475P(1)) + (0.975M(2)R(4)) - 1.5) ((0.525P(1)) + (1.025M(2)R(4)) + 1.5) ns
O11 td(CLK-CSn) Delay time, OSPI0/1_CLK rising edge to OSPI0/1_CSn[3:0] inactive edge ((0.475P(1)) + (0.975N(3)R(4)) - 1.5) ((0.525P(1)) + (1.025N(3)R(4)) + 1.5) ns
O12 td(CLK-D) Delay time, OSPI0/1_CLK active edge to OSPI0/1_D[7:0] transition –2 2 ns
P = SCLK cycle time in ns = OSPI0/1_CLK cycle time in ns
M = OSPI_DEV_DELAY_REG[D_INIT_FLD]
N = OSPI_DEV_DELAY_REG[D_AFTER_FLD]
R = reference clock cycle time in ns
GUID-589F5F4F-35E6-44AA-9408-AC740E1F1B70-low.gif Figure 6-116 OSPI Switching Characteristics – Tap SDR, No Loopback