SLVSCE5B November   2013  – July 2016 DRV3203E-Q1

 

  1. Features
  2. Applications
  3. Description
  4. Revision History
  5. Pin Configuration and Functions
  6. Specifications
    1. 6.1 Absolute Maximum Ratings
    2. 6.2 ESD Ratings
    3. 6.3 Thermal Information
    4. 6.4 Electrical Characteristics
    5. 6.5 Supply Voltage and Current
  7. Detailed Description
    1. 7.1 Functional Block Diagram
    2. 7.2 Feature Description
      1. 7.2.1  Watchdog
      2. 7.2.2  Serial Port I/F
        1. 7.2.2.1 CS - Chip Select
        2. 7.2.2.2 SCK - Synchronization Serial Clock
        3. 7.2.2.3 DIN - Serial Input Data
        4. 7.2.2.4 DOUT - Serial Output Data
      3. 7.2.3  Charge Pump
      4. 7.2.4  Pre-Driver
      5. 7.2.5  Phase Comparator
      6. 7.2.6  Motor-Current Sense
      7. 7.2.7  Regulators
      8. 7.2.8  VB Monitor
      9. 7.2.9  Thermal Shutdown
      10. 7.2.10 Oscillator
      11. 7.2.11 I/O
      12. 7.2.12 Fault Detection
    3. 7.3 Register Maps
      1. 7.3.1 Register Descriptions
        1. 7.3.1.1  CFGUNLK (address 0x01): Configuration Unlock Register
        2. 7.3.1.2  FLTCFG (address 0x02): Fault Detection Configuration Register
        3. 7.3.1.3  FLTEN0 (address 0x04): FAULT Pin Enable Register 0
        4. 7.3.1.4  FLTEN1 (address 0x05): FAULT Pin Enable Register 1
        5. 7.3.1.5  SDNEN0 (address 0x06): Pre-Driver Shutdown Enable Register 0
        6. 7.3.1.6  SDNEN1 (address 0x07): Pre-Driver Shutdown Enable Register 1
        7. 7.3.1.7  FLTFLG0 (address 0x08): Fault Flag Register 0
        8. 7.3.1.8  FLGFLT1 (address 0x09): Fault Flag Register 1
        9. 7.3.1.9  CSCFG (address 0x0A): Current Sense Configuration Register
        10. 7.3.1.10 PDCFG (address 0x0B): Pre-Driver Configuration Register
        11. 7.3.1.11 DIAG (address 0x0C): Diagnosis Register
        12. 7.3.1.12 SPARE (address 0x0D): Spare Register
  8. Application and Implementation
    1. 8.1 Typical Application
  9. Device and Documentation Support
    1. 9.1 Receiving Notification of Documentation Updates
    2. 9.2 Community Resources
    3. 9.3 Trademarks
    4. 9.4 Electrostatic Discharge Caution
    5. 9.5 Glossary
  10. 10Mechanical, Packaging, and Orderable Information

Package Options

Mechanical Data (Package|Pins)
Thermal pad, mechanical data (Package|Pins)
Orderable Information

7 Detailed Description

7.1 Functional Block Diagram

DRV3203E-Q1 Blk_Diag_TOP_SLVSC09.gif

7.2 Feature Description

7.2.1 Watchdog

A watchdog monitors the PRN signal and VCC supply level and generates a reset to the MCU through the RES pin if the status of PRN is not normal or VCC is lower than the specified threshold level. Detection of a special pattern on the PRN input during power up can disable the watchdog.

DRV3203E-Q1 Blk_Diag_Watchdog_SLVSC09.gif Figure 8. Watchdog Block Diagram

7.2.2 Serial Port I/F

Setting device configuration and reading out diagnostic information is via SPI. SPI operates in slave mode. SPI uses four signals according to the timing chart of Figure 2.

DRV3203E-Q1 Blk_Diag_SPI_SLVSC09.gif Figure 9. Block Diagram of SPI

7.2.2.1 CS - Chip Select

The MCU uses CS to select the IC. CS is normally high, and communication is possible only when it is forced low. When CS falls, communication between the IC and the MCU starts. The transmitted data are latched and the DOUT output pin leaves high impedance. When CS rises, communication stops. The DOUT output pin goes into high impedance. The next falling edge starts another communication. There is a minimum waiting time between the two communications (twait). The pin has an internal pullup.

7.2.2.2 SCK - Synchronization Serial Clock

The MCU uses SCK to synchronize communication. SCK is normally low, and the valid clock-pulse number is 16. At each falling edge, the MCU writes a new bit on the DIN input, and this IC writes a new bit on the DOUT output pin. At each rising edge, this IC reads the new bit on DIN, and the MCU reads the new bit on DOUT. The maximum clock frequency is 4 MHz. The pin has an internal pulldown.

7.2.2.3 DIN - Serial Input Data

DIN receives 16-bit data. The order of received bits is from the MSB (first) to the LSB (last). The pin has an internal pulldown. Update of the internal register with the received bits occurs only if the number of clock pulses is 16 while CS is low.

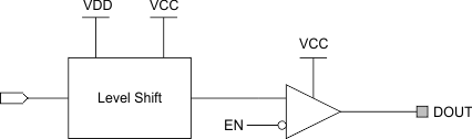
7.2.2.4 DOUT - Serial Output Data

DOUT transmits 16-bit data. It is a three-state output, and it is in the high-impedance state when CS is high. The order of serial data-bit transmission is from the MSB (first) to the LSB (last).

7.2.3 Charge Pump

The charge-pump block generates a supply for the high-side and low-side pre-drivers to maintain the gate voltage on the external FETs. Use of an external storage capacitor (CCP) and bucket capacitors (C1, C2) supports pre-driver slope and switching-frequency requirements. R1 and R2 reduce switching current if required. The charge pump has voltage-supervisor functions such as over- and undervoltage, and selectable stop conditions for pre-drivers.

DRV3203E-Q1 Charge_Pump_SLVSC09.gif Figure 10. Charge-Pump Block Diagram

7.2.4 Pre-Driver

The pre-driver block provides three high-side pre-drivers and three low-side pre-drivers to drive external N-channel MOSFETs. The turnon side of the high-side pre-drivers supplies the large N-channel transistor current for quick charge, and PMOS supports output voltages up to PDCPV. The turnoff side of the high-side pre-drivers supplies the large N-channel transistor current for quick discharge. The low-side pre-drivers supply the large N-channel transistor current for charge and discharge. VCP12 (created by a charge pump) controls the output voltage of the low-side pre-driver to output less than 18 V. The pre-driver has a stop condition in some fault conditions (Fault Detection) and SPI set (Serial Port I/F).

DRV3203E-Q1 Blk_Diag_Pre-Driver_SLVSC09.gif Figure 11. Pre-Driver Block Diagram

7.2.5 Phase Comparator

The three-channel comparator module monitors the external FETs by detecting the drain-source voltage across the high-side and low-side FETs. PHTM is the threshold level of the comparators usable for sensorless communication. Figure 12 shows an example of the threshold level.

DRV3203E-Q1 Phase_Comp_BD_SLVSC09.gif Figure 12. Phase Comparator Block Diagram

7.2.6 Motor-Current Sense

The operational amplifier operates with an external resistor network for higher flexibility to adjust the current measurement to application requirements. The first-stage amplifier operates with the external resistor and the output voltage up to VB at ALFB. External resistors adjust the amplifier gain by 10 to 30 times. The second-stage amplifier is buffered to MCU at ALV. The current sense has a comparator for motor overcurrent (OVAD). ADTH is the overcurrent threshold level and is the value set by SPI. Figure 13 shows the curve of detection level. ALFB is divided by 2. Compare this value with ADTH. In recommended application, the zero-point adjustment is required as large error offset in initial condition.

DRV3203E-Q1 Motor_Curr_Sen_SLVSCE5.gif Figure 13. Motor Current-Sense Block Diagram

7.2.7 Regulators

The regulator block offers 3.3-V LDOs. The VCC LDO regulates VB down to 3.3 V with an external PNP controlled by the regulator block. This 3.3-V LDO is supplied to MCU and other components.

The VDD regulator regulates VB down to 3.3 V with internal FET and controller. The 3.3-V LDO with the external PNP is protected against short to GND fault. Overvoltage and undervoltage events of both supplies are detected. The under voltage of the 3.3-V LDO with the external PNP is set by SPI.

DRV3203E-Q1 VCC_BD_SLVSC09.gif Figure 14. VCC Block Diagram (External Driver)
DRV3203E-Q1 VDD_BD_SLVSC09.gif Figure 15. VDD Block Diagram

7.2.8 VB Monitor

The VB monitoring system has two comparators for under- and overvoltage, and has pre-driver stop-controlling system. Overvoltage provides a selectable pre-driver stop condition (SPI control), while undervoltage must stop pre-driver operation under detection (no selectable). The system should return to normal operation automatically after undetected level.

DRV3203E-Q1 VB_Mon_BD_SLVSC09.gif Figure 16. VB Monitor Block Diagram

7.2.9 Thermal Shutdown

The device has temperature sensors that produce pre-driver stop condition if the chip temperature exceeds 175°C.

DRV3203E-Q1 Therm_SD_BD_SLVSC09.gif Figure 17. Thermal Shutdown Block Diagram

7.2.10 Oscillator

The oscillator block generates two 10-MHZ clock signals. OSC1 is the primary clock used for internal logic-synchronization and timing control. OSC2 is the secondary clock used to monitor the status of OSC1.

DRV3203E-Q1 OSC_BD_SLVSC09.gif Figure 18. Oscillator Block Diagram

7.2.11 I/O

DRV3203E-Q1 IN_Buff1_BD_SLVSC09.gif
* V5INT is the internal power supply.
Figure 19. Input Buffer1 Block Diagram
DRV3203E-Q1 OUT_Buff1_BD_SLVSC09.gif Figure 20. Output Buffer1 Block Diagram
DRV3203E-Q1 OUT_Buff2_BD_SLVSC09.gif Figure 21. Output Buffer2 Block Diagram
DRV3203E-Q1 OUT_Buff3_BD_SLVSC09.gif Figure 22. Output Buffer3 Block Diagram

Table 1. Recommended Pin Termination

PIN NAME DESCRIPTION TERMINATION
TEST Test mode input OPEN

7.2.12 Fault Detection

Table 2. Fault Detection

ITEMS SPI FLTFLG Pre Driver(1) FAULT(2) RES Others
VB - Overvoltage VBOV Disable L H
VB - Undervoltage VBUV Disable L H
CP - Overvoltage CPOV Disable L H
CP - Undervoltage CPUV Disable L H
VCC - Overvoltage VCCOV Disable L H
VCC - Under Voltage - Disable(3) H L
VCC - Overcurrent VCCOC Disable L H
Motor - Overcurrent MTOC Disable L H
VDD - Overvoltage VDDOV Disable L H
VDD - Undervoltage - Disable(3) H L
Thermal shutdown TSD Disable L H
Watch Dog - - H L
Clock Monitor - - H L
SPI format error - - H H SPI serial out error bit
(1) Pre-driver is disabled if the conditions occur and SDNEN register bits are 1.
(2) FAULT pin is asserted to low if the conditions occur and FLTEN register bits are 1.
(3) Pre-driver is disabled by VCC undervoltage and VDD undervoltage conditions regardless of SPI register setting.

7.3 Register Maps

Table 1. SPI Serial Input Format

MSB D14 D13 D12 D11 D10 D9 D8
DIN RW[1] RW[0] Addr[5] Addr[4] Addr[3] Addr[2] Addr[1] Addr[0]
D7 D6 D5 D4 D3 D2 D1 LSB
DIN Data[7] Data[6] Data[5] Data[4] Data[3] Data[2] Data[1] Data[0]

Table 2. SPI Serial Output Data Format

MSB D14 D13 D12 D11 D10 D9 D8
DOUT 0 Frame fault 0 0 0 0 0 1
D7 D6 D5 D4 D3 D2 D1 LSB
DOUT Data[7] Data[6] Data[5] Data[4] Data[3] Data[2] Data[1] Data[0]
SPI serial input and output format
RW[1:0] : 01: write mode; 00: read mode
Addr[5:0] : Address of SPI access
Data[7:0] : Input data to write or output data to read
Frame fault : 0: No error exists in the previous SPI frame.
: 1: Error exists in the previous SPI frame.

Table 3. SPI Register Map

Register Name Addr
(Hex)
b7 b6 b5 b4 b3 b2 b1 b0 Reset
(Hex)
Reserved 00 RSVD 00
CFGUNLK 01 RSVD CFGUNLK 00
FLTCFG 02 FLGLATCH_EN MTOCTH RSVD VCCUVTH VBUVTH 00
Reserved 03 RSVD 00
FLTEN0 04 FE_MTOC FE_VCCOC FE_VCCOV FE_VDDOV FE_CPOV FE_CPUV FE_VBOV FE_VBUV FF
FLTEN1 05 RSVD FE_TSD 01
SDNEN0 06 SE_MTOC SE_VCCOC SE_VCCOV SE_VDDOV SE_CPOV SE_CPUV SE_VBOV SE_VBUV FF
SDNEN1 07 RSVD SE_TSD 01
FLTFLG0 08 MTOC VCCOC VCCOV VDDOV CPOV CPUV VBOV VBUV 00
FLTFLG1 09 RSVD TSD 00
CSCFG 0A RSVD CSOFFSET 00
PDCFG 0B RSVD DEADT 00
DIAG 0C RSVD VCCUVRST WDTRST CMRST 00
SPARE 0D SPARE SEL_COMP_HYS 00
Reserved 0E-3F RSVD 00

7.3.1 Register Descriptions

Access type: R = Read and W = Write.
Reserved register: Read of reserved bits return 0 and write has no effect.

7.3.1.1 CFGUNLK (address 0x01): Configuration Unlock Register

Bit Name Type Reset Description
3:0 CFGUNLK RW 0000 DRV3203E-Q1 SPI register map has lock and unlock mode, and it is in lock mode by default. MCU can write values of the following registers in unlock mode;
● FLTCFG
● FLTEN0 and FLTEN1
● SDNEN0 and SDNEN1
● CSCFG
● PDCFG
● WDCFG
In lock mode, read returns the values, but writing the registers have no effect.
Device enters unlock mode by writing 0x5, 0x8, 0x7 to CFGUNLK register in series. Device exits from unlock mode by writing 0x0.

7.3.1.2 FLTCFG (address 0x02): Fault Detection Configuration Register

Bit Name Type Reset Description
7 FLGLATCH_EN RW 0 Fault-flag (FLTFLG*) latch enable
0: Fault events do not latch fault-flag register bits.
1: Latching of fault-flag register bits by the fault events occurs. The flag bits remain asserted until cleared.
6:4 MTOCTH RW 000 Motor overcurrent detection threshold (ADTH)
000: 1.32 V
001: 1.65 V
010: 1.98 V
011: 2.31 V
100: 2.64 V
Others: 1.32 V
3 RSVD R 0 Reserved
2 VCCUVTH RW 0 VCC undervoltage detection threshold
0: 2.2 V
1: 2.4 V
1:0 VBUVTH RW 00 VB undervoltage detection threshold
00: 4 V
01: 4.5 V
10: 5 V
11: 5.5 V

7.3.1.3 FLTEN0 (address 0x04): FAULT Pin Enable Register 0

Bit Name Type Reset Description
7 FE_MTOC RW 1 FAULT pin enable of FLTFLG0 register bits.
0: Assertion of the FAULT pin does not occur when the fault flag bit is 1
1: Assertion of the FAULT pin to low level occurs when the fault flag bit is 1. See Figure 23
6 FE_VCCOC RW 1
5 FE_VCCOV RW 1
4 FE_VDDOV RW 1
3 FE_CPOV RW 1
2 FE_CPUV RW 1
1 FE_VBOV RW 1
0 FE_VBUV RW 1

7.3.1.4 FLTEN1 (address 0x05): FAULT Pin Enable Register 1

Bit Name Type Reset Description
7:1 RSVD R 0000 000 Reserved
0 FE_TSD RW 1 FAULT pin enable of TSD flag bit
0: Assertion of the FAULT pin does not occur when the fault flag bit is 1
1: Assertion of the FAULT pin to low level occurs when the TSD flag bit is 1. See Figure 23
DRV3203E-Q1 Fault_Pin_En_SLVSC09.gif Figure 23. FAULT Pin Enable Logic

7.3.1.5 SDNEN0 (address 0x06): Pre-Driver Shutdown Enable Register 0

Bit Name Type Reset Description
7 SE_MTOC RW 1 Pre-driver shutdown enable of FLTFLG0 register bits
0: Disabling of the pre-driver outputs does not occur when the fault flag bit is 1.
1: Disabling of the pre-driver outputs occurs when the fault flag bit is 1. Both the high-side and low-side FETs turn off.
See Figure 24.
6 SE_VCCOC RW 1
5 SE_VCCOV RW 1
4 SE_VDDOV RW 1
3 SE_CPOV RW 1
2 SE_CPUV RW 1
1 SE_VBOV RW 1
0 SE_VBUV RW 1

7.3.1.6 SDNEN1 (address 0x07): Pre-Driver Shutdown Enable Register 1

Bit Name Type Reset Description
7:1 RSVD R 0000 000 Reserved
0 SE_TSD RW 1 Pre-driver shutdown enable of TSD flag bits
0: Disabling of the pre-driver outputs does not occur when the TSD flag bit is 1.
1: Disabling of the pre-driver outputs occurs when the TSD flag bit is 1. Both the high-side and low-side FETs turn off.
See Figure 24.
DRV3203E-Q1 Pre-DRVR_SD_SLVSC09.gif Figure 24. Pre-Driver Shutdown Logic

7.3.1.7 FLTFLG0 (address 0x08): Fault Flag Register 0

Bit Name Type(1) Reset Description
Fault flag bits of the following conditions;(2)
7 MTOC RW 0 MTOC: Motor overcurrent. (OVAD)
6 VCCOC RW 0 VCCOC: VCC overcurrent
5 VCCOV RW 0 VCCOV: VCC overvoltage
4 VDDOV RW 0 VDDOV: VDD overvoltage
3 CPOV RW 0 CPOV: Charge-pump overvoltage
2 CPUV RW 0 CPUV: Charge-pump undervoltage
1 VBOV RW 0 VBOV: VB overvoltage
0 VBUV RW 0 VBUV: VB undervoltage
If FLTCFG.FLGLATCH_EN = 1
0: Read = No fault condition exists since last cleared.
Write = No effect
1: Read = Fault condition exists.
Write = Clear the flag.
If FLTCFG.FLGLATCH_EN = 0
0: Read = No fault condition
Write = No effect
1: Read = Fault condition
Write = No effect
(1) R: Read, W: Write
(2) Assertion of the fault flags may occur during power up.

7.3.1.8 FLGFLT1 (address 0x09): Fault Flag Register 1

Bit Name Type(1) Reset Description
7:1 RSVD R 0000 000 Reserved
0 VBUV RW 1 Fault flag bit of thermal shutdown condition.(2)
If FLTCFG.FLGLATCH_EN = 1
0: Read = No fault condition exists since last cleared.
Write = No effect
1: Read = Fault condition exists.
Write = Clear the flag
If FLTCFG.FLGLATCH_EN = 0
0: Read = No fault condition
Write = No effect
1: Read = Fault condition
Write = No effect
(1) R: Read, W: Write
(2) Assertion of the fault flags may occur during power up.
DRV3203E-Q1 SPI_Data_Timing_SLVSC09.gif Figure 25. SPI Data-Out Timing Chart of Fault Flag Registers
DRV3203E-Q1 FLGFLG_Timing_SLVSC09.gif
1. Assertion of FAULT occurs if FLTEN = 1.
2. Disabling of pre-driveroccurs if SDNEN = 1.
Figure 26. FLGFLG and FLGLATCH_EN

7.3.1.9 CSCFG (address 0x0A): Current Sense Configuration Register

Bit Name Type(1) Reset Description
7:3 RSVD R 0000 0 Reserved
2:0 CSOFFSET RW 000 Current-sense offset
000: 0.5 V
001: 1 V
010: 1.5 V
Others: 0.5 V
(1) R: Read W: Write

7.3.1.10 PDCFG (address 0x0B): Pre-Driver Configuration Register

Bit Name Type(1) Reset Description
7:2 RSVD R 0000 00 Reserved
1:0 DEADT RW 00 Dead time (= tdead)
00: 2.1 µs
01: 1.6 µs
10: 1.1 µs
11: 0.6 µs
The actual dead time has ±0.1-µs variation from the typical value.
(1) R: Read W: Write

7.3.1.11 DIAG (address 0x0C): Diagnosis Register

Bit Name Type Reset Description
7:3 RSVD R 0000 0 Reserved
2 VCCUVRST R 0 nRES reset source information
1 WDTRST R 0 Bit 2 = VCCUVRST - VCC undervoltage
0 CMRST R 0 Bit 1 = WDTRST - watchdog timer
Bit 0 = CMRST - clock monitor
0: Read = Reset has not occurred.
Write = No effect
1: Read = A corresponding reset source caused the last reset condition.
Write = No effect
Read access to this register clears the bits.

7.3.1.12 SPARE (address 0x0D): Spare Register

Bit Name Type(1) Reset Description
7:2 SPARE RW 0000 00 Spare registers for future use. Read and write have no effect.
1:0 SEL_COMP_HYS RW 00 Select phase comparator hysteresis voltage. The following show the typical values.
MM 00: 0 V
MM 01: 25 mV
MM 10: 50 mV
MM 11: 100 mV
(1) R: Read W: Write