SNAS778D June   2021  – July 2024 HDC3020 , HDC3021 , HDC3022

PRODUCTION DATA  

  1.   1
  2. Features
  3. Applications
  4. Description
  5. Device Comparison
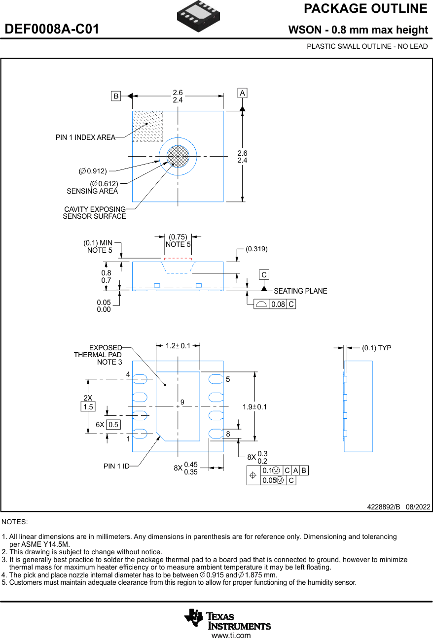
  6. Pin Configuration and Functions
  7. Specifications
    1. 6.1 Absolute Maximum Ratings
    2. 6.2 ESD Ratings
    3. 6.3 Recommended Operating Conditions
    4. 6.4 Thermal Information
    5. 6.5 Electrical Characteristics
    6. 6.6 I2C Interface Timing
    7. 6.7 Timing Diagram
    8. 6.8 Typical Characteristics
  8. Detailed Description
    1. 7.1 Overview
    2. 7.2 Functional Block Diagram
    3. 7.3 Feature Description
      1. 7.3.1  Factory Installed Polyimide Tape
      2. 7.3.2  Factory Installed IP67 Protection Cover
      3. 7.3.3  Measurement of Relative Humidity and Temperature
      4. 7.3.4  RH Offset Error Correction: Accuracy Restoration
      5. 7.3.5  NIST Traceability of Relative Humidity and Temperature Sensor
      6. 7.3.6  Measurement Modes: Trigger-On Demand vs Auto Measurement
      7. 7.3.7  Heater
      8. 7.3.8  ALERT Output With Programmable Interrupts
      9. 7.3.9  Checksum Calculation
      10. 7.3.10 Programmable Offset of Relative Humidity and Temperature Results
    4. 7.4 Device Functional Modes
      1. 7.4.1 Sleep Mode vs Measurement Mode
    5. 7.5 Communication
      1. 7.5.1 I2C Interface
      2. 7.5.2 I2C Serial Bus Address Configuration
      3. 7.5.3 I2C Write - Send Device Command
      4. 7.5.4 I2C Read - Retrieve Single Data Result
      5. 7.5.5 I2C Read - Retrieve Multi Data Result
      6. 7.5.6 I2C Repeated START - Send Command and Retrieve Data Results
      7. 7.5.7 Command Table and Detailed Description
        1. 7.5.7.1 Reset
          1. 7.5.7.1.1 Soft Reset
          2. 7.5.7.1.2 I2C General Call Reset
        2. 7.5.7.2 Trigger-On Demand
        3. 7.5.7.3 Auto Measurement Mode
          1. 7.5.7.3.1 Auto Measurement Mode: Enable and Configure Measurement Interval
          2. 7.5.7.3.2 Auto Measurement Mode: Measurement Readout
          3. 7.5.7.3.3 Auto Measurement Mode: Exit
          4. 7.5.7.3.4 Auto Measurement Mode: Extreme Measurement History
          5. 7.5.7.3.5 Override Default Device Power-On and Device-Reset State
        4. 7.5.7.4 ALERT Output Configuration
          1. 7.5.7.4.1 ALERT Output: Environmental Tracking of Temperature and Relative Humidity
          2. 7.5.7.4.2 ALERT Output: Representation of Environmental Thresholds and Default Threshold Values
          3. 7.5.7.4.3 ALERT Output: Steps to Calculate and Program Environmental Thresholds
          4. 7.5.7.4.4 ALERT Output: Deactivation of Environmental Tracking
          5. 7.5.7.4.5 ALERT Output: Transfer Thresholds into Non-Volatile Memory
        5. 7.5.7.5 Programmable Measurement Offset
          1. 7.5.7.5.1 Representation of Offset Value and Factory Shipped Default Value
          2. 7.5.7.5.2 Factory Shipped Default Offset Values
          3. 7.5.7.5.3 Calculate Relative Humidity Offset Value
          4. 7.5.7.5.4 Calculate Temperature Offset Value
          5. 7.5.7.5.5 Program an Offset Value
          6. 7.5.7.5.6 Verify a Programmed Offset Value
        6. 7.5.7.6 Status Register
        7. 7.5.7.7 Heater: Enable and Disable
        8. 7.5.7.8 Heater: Configure Level of Heater Current
        9. 7.5.7.9 Read NIST ID/Serial Number
  9. Application and Implementation
    1. 8.1 Application Information
    2. 8.2 Typical Application
      1. 8.2.1 Design Requirements
      2. 8.2.2 Detailed Design Procedure
      3. 8.2.3 Application Curve
    3. 8.3 Power Supply Recommendations
    4. 8.4 Layout
      1. 8.4.1 Layout Guidelines
      2. 8.4.2 Layout Example
      3. 8.4.3 Storage and PCB Assembly
        1. 8.4.3.1 Storage and Handling
        2. 8.4.3.2 Soldering Reflow
        3. 8.4.3.3 Rework
        4. 8.4.3.4 Exposure to High Temperature and High Humidity Conditions
        5. 8.4.3.5 Bake/Rehydration Procedure
  10. Device and Documentation Support
    1. 9.1 Documentation Support
      1. 9.1.1 Related Documentation
    2. 9.2 Receiving Notification of Documentation Updates
    3. 9.3 Support Resources
    4. 9.4 Trademarks
    5. 9.5 Electrostatic Discharge Caution
    6. 9.6 Glossary
  11. 10Revision History
  12. 11Mechanical, Packaging, and Orderable Information

Package Options

Mechanical Data (Package|Pins)
  • DEH|8
Thermal pad, mechanical data (Package|Pins)
Orderable Information

Mechanical, Packaging, and Orderable Information

The following pages include mechanical, packaging, and orderable information. This information is the most current data available for the designated devices. This data is subject to change without notice and revision of this document. For browser-based versions of this data sheet, refer to the left-hand navigation.

HDC3020 HDC3021 HDC3022
HDC3020 HDC3021 HDC3022
HDC3020 HDC3021 HDC3022
HDC3020 HDC3021 HDC3022
HDC3020 HDC3021 HDC3022
HDC3020 HDC3021 HDC3022
HDC3020 HDC3021 HDC3022
HDC3020 HDC3021 HDC3022
HDC3020 HDC3021 HDC3022