SBOS475K March   2009  – November 2023 INA210-Q1 , INA211-Q1 , INA212-Q1 , INA213-Q1 , INA214-Q1 , INA215-Q1

PRODUCTION DATA  

  1.   1
  2. Features
  3. Applications
  4. Description
  5. Pin Configuration and Functions
  6. Specifications
    1. 5.1 Absolute Maximum Ratings
    2. 5.2 ESD Ratings
    3. 5.3 Recommended Operating Conditions
    4. 5.4 Thermal Information
    5. 5.5 Electrical Characteristics
    6. 5.6 Typical Characteristics
  7. Detailed Description
    1. 6.1 Overview
    2. 6.2 Functional Block Diagram
    3. 6.3 Feature Description
      1. 6.3.1 Basic Connections
      2. 6.3.2 Selecting RS
    4. 6.4 Device Functional Modes
      1. 6.4.1 Input Filtering
      2. 6.4.2 Shutting Down the INA21x-Q1 Series
      3. 6.4.3 REF Input Impedance Effects
      4. 6.4.4 Using the INA21x-Q1 with Common-Mode Transients Above 26 V
      5. 6.4.5 Improving Transient Robustness
  8. Application and Implementation
    1. 7.1 Application Information
    2. 7.2 Typical Applications
      1. 7.2.1 Unidirectional Operation
        1. 7.2.1.1 Design Requirements
        2. 7.2.1.2 Detailed Design Procedure
        3. 7.2.1.3 Application Curve
      2. 7.2.2 Bidirectional Operation
        1. 7.2.2.1 Design Requirements
        2. 7.2.2.2 Detailed Design Procedure
        3. 7.2.2.3 Application Curve
  9. Power Supply Recommendations
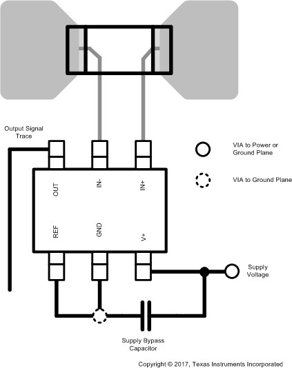
  10. Layout
    1. 9.1 Layout Guidelines
    2. 9.2 Layout Example
  11. 10Device and Documentation Support
    1. 10.1 Documentation Support
      1. 10.1.1 Related Documentation
    2. 10.2 Related Links
    3. 10.3 Receiving Notification of Documentation Updates
    4. 10.4 Support Resources
    5. 10.5 Trademarks
    6. 10.6 Electrostatic Discharge Caution
    7. 10.7 Glossary
  12. 11Revision History
  13. 12Mechanical, Packaging, and Orderable Information

Package Options

Mechanical Data (Package|Pins)
Thermal pad, mechanical data (Package|Pins)
Orderable Information

Layout Example

GUID-77BD0EE1-D87E-42CC-AC3E-3CBD51229924-low.gifFigure 9-1 Recommended Layout