SLLSEQ0C august   2015  – may 2023 ISO5852S

PRODUCTION DATA  

  1.   1
  2. Features
  3. Applications
  4. Description
  5. Revision History
  6. Description (continued)
  7. Pin Configuration and Function
  8. Specifications
    1. 7.1  Absolute Maximum Ratings
    2. 7.2  ESD Ratings
    3. 7.3  Recommended Operating Conditions
    4. 7.4  Thermal Information
    5. 7.5  Power Ratings
    6. 7.6  Insulation Specifications
    7. 7.7  Safety-Related Certifications
    8. 7.8  Safety Limiting Values
    9. 7.9  Electrical Characteristics
    10. 7.10 Switching Characteristics
    11. 7.11 Insulation Characteristics Curves
    12. 7.12 Typical Characteristics
  9. Parameter Measurement Information
  10. Detailed Description
    1. 9.1 Overview
    2. 9.2 Functional Block Diagram
    3. 9.3 Feature Description
      1. 9.3.1 Supply and Active Miller Clamp
      2. 9.3.2 Active Output Pulldown
      3. 9.3.3 Undervoltage Lockout (UVLO) With Ready (RDY) Pin Indication Output
      4. 9.3.4 Soft Turnoff, Fault ( FLT) and Reset ( RST)
      5. 9.3.5 Short Circuit Clamp
    4. 9.4 Device Functional Modes
  11. 10Application and Implementation
    1. 10.1 Application Information
    2. 10.2 Typical Applications
      1. 10.2.1 Design Requirements
      2. 10.2.2 Detailed Design Procedure
        1. 10.2.2.1  Recommended ISO5852S Application Circuit
        2. 10.2.2.2  FLT and RDY Pin Circuitry
        3. 10.2.2.3  Driving the Control Inputs
        4. 10.2.2.4  Local Shutdown and Reset
        5. 10.2.2.5  Global-Shutdown and Reset
        6. 10.2.2.6  Auto-Reset
        7. 10.2.2.7  DESAT Pin Protection
        8. 10.2.2.8  DESAT Diode and DESAT Threshold
        9. 10.2.2.9  Determining the Maximum Available, Dynamic Output Power, POD-max
        10. 10.2.2.10 Example
        11. 10.2.2.11 Higher Output Current Using an External Current Buffer
      3. 10.2.3 Application Curves
  12. 11Power Supply Recommendations
  13. 12Layout
    1. 12.1 Layout Guidelines
    2. 12.2 Layout Example
    3. 12.3 PCB Material
  14. 13Device and Documentation Support
    1. 13.1 Device Support
      1. 13.1.1 Third-Party Products Disclaimer
    2. 13.2 Documentation Support
      1. 13.2.1 Related Documentation
    3. 13.3 Receiving Notification of Documentation Updates
    4. 13.4 Support Resources
    5. 13.5 Trademarks
    6. 13.6 Electrostatic Discharge Caution
    7. 13.7 Glossary
  15. 14Mechanical, Packaging, and Orderable Information

Package Options

Mechanical Data (Package|Pins)
Thermal pad, mechanical data (Package|Pins)
Orderable Information

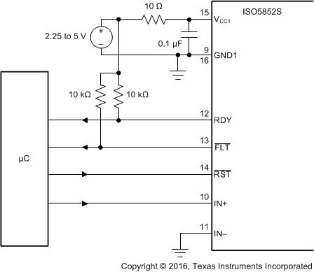
FLT and RDY Pin Circuitry

A is 50-kΩ pullup resistor exists internally on FLT and RDY pins. The FLT and RDY pins are an open-drain output. A 10-kΩ pullup resistor can be used to make it faster rise and to provide logic high when FLT and RDY is inactive, as shown in Figure 10-4.

Fast common-mode transients can inject noise and glitches on FLT and RDY pins because of parasitic coupling. The injection of noise and glitches is dependent on board layout. If required, additional capacitance (100 pF to 300 pF) can be included on the FLT and RDY pins.

GUID-ACFD9B80-CB68-480C-9E90-ADB6B413234F-low.gif Figure 10-4 FLT and RDY Pin Circuitry for High CMTI