SLASEZ0A December   2019  – June 2021 ISO6731-Q1

PRODUCTION DATA  

  1. Features
  2. Applications
  3. Description
  4. Revision History
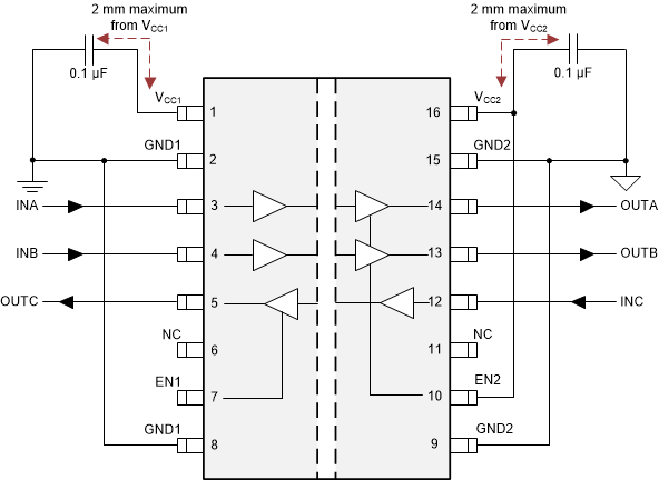
  5. Pin Configuration and Functions
  6. Specifications
    1. 6.1  Absolute Maximum Ratings
    2. 6.2  ESD Ratings
    3. 6.3  Recommended Operating Conditions
    4. 6.4  Thermal Information
    5. 6.5  Power Ratings
    6. 6.6  Insulation Specifications
    7. 6.7  Safety-Related Certifications
    8. 6.8  Safety Limiting Values
    9. 6.9  Electrical Characteristics—5-V Supply
    10. 6.10 Supply Current Characteristics—5-V Supply
    11. 6.11 Electrical Characteristics—3.3-V Supply
    12. 6.12 Supply Current Characteristics—3.3-V Supply
    13. 6.13 Electrical Characteristics—2.5-V Supply 
    14. 6.14 Supply Current Characteristics—2.5-V Supply
    15. 6.15 Electrical Characteristics—1.8-V Supply
    16. 6.16 Supply Current Characteristics—1.8-V Supply
    17. 6.17 Switching Characteristics—5-V Supply
    18. 6.18 Switching Characteristics—3.3-V Supply
    19. 6.19 Switching Characteristics—2.5-V Supply
    20. 6.20 Switching Characteristics—1.8-V Supply
    21. 6.21 Insulation Characteristics Curves
    22. 6.22 Typical Characteristics
  7. Parameter Measurement Information
  8. Detailed Description
    1. 8.1 Overview
    2. 8.2 Functional Block Diagram
    3. 8.3 Feature Description
      1. 8.3.1 Electromagnetic Compatibility (EMC) Considerations
    4. 8.4 Device Functional Modes
      1. 8.4.1 Device I/O Schematics
  9. Application and Implementation
    1. 9.1 Application Information
    2. 9.2 Typical Application
      1. 9.2.1 Design Requirements
      2. 9.2.2 Detailed Design Procedure
      3. 9.2.3 Application Curve
        1. 9.2.3.1 Insulation Lifetime
  10. 10Power Supply Recommendations
  11. 11Layout
    1. 11.1 Layout Guidelines
      1. 11.1.1 PCB Material
    2. 11.2 Layout Example
  12. 12Device and Documentation Support
    1. 12.1 Documentation Support
      1. 12.1.1 Related Documentation
    2. 12.2 Receiving Notification of Documentation Updates
    3. 12.3 Support Resources
    4. 12.4 Trademarks
    5. 12.5 Electrostatic Discharge Caution
    6. 12.6 Glossary
  13. 13Mechanical, Packaging, and Orderable Information
    1. 13.1 Package Option Addendum
    2. 13.2 Tape and Reel Information

Package Options

Mechanical Data (Package|Pins)
Thermal pad, mechanical data (Package|Pins)
Orderable Information

Detailed Design Procedure

Unlike optocouplers, which require external components to improve performance, provide bias, or limit current, the ISO6731-Q1 device only requires two external bypass capacitors to operate.

GUID-20201229-CA0I-VT5C-QRZR-MZNSH5ZSGCP4-low.gifFigure 9-2 Typical ISO6731-Q1 Circuit Hook-up