SLLSFJ6G December   2019  – January 2023 ISO6740 , ISO6741 , ISO6742

PRODUCTION DATA  

  1.   1
  2. Features
  3. Applications
  4. Description
  5. Revision History
  6. Description Continued
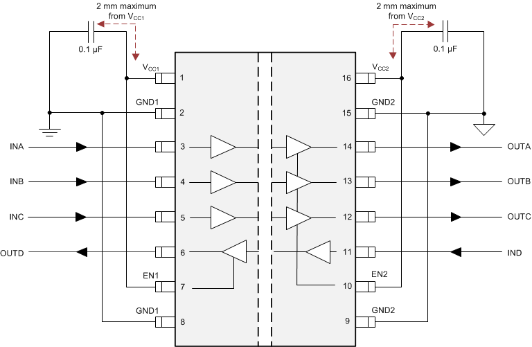
  7. Pin Configuration and Functions
  8. Specifications
    1. 7.1  Absolute Maximum Ratings
    2. 7.2  ESD Ratings
    3. 7.3  Recommended Operating Conditions
    4. 7.4  Thermal Information
    5. 7.5  Power Ratings
    6. 7.6  Insulation Specifications
    7. 7.7  Safety-Related Certifications
    8. 7.8  Safety Limiting Values
    9. 7.9  Electrical Characteristics—5-V Supply
    10. 7.10 Supply Current Characteristics—5-V Supply
    11. 7.11 Electrical Characteristics—3.3-V Supply
    12. 7.12 Supply Current Characteristics—3.3-V Supply
    13. 7.13 Electrical Characteristics—2.5-V Supply 
    14. 7.14 Supply Current Characteristics—2.5-V Supply
    15. 7.15 Electrical Characteristics—1.8-V Supply
    16. 7.16 Supply Current Characteristics—1.8-V Supply
    17. 7.17 Switching Characteristics—5-V Supply
    18. 7.18 Switching Characteristics—3.3-V Supply
    19. 7.19 Switching Characteristics—2.5-V Supply
    20. 7.20 Switching Characteristics—1.8-V Supply
    21. 7.21 Insulation Characteristics Curves
    22. 7.22 Typical Characteristics
  9. Parameter Measurement Information
  10. Detailed Description
    1. 9.1 Overview
    2. 9.2 Functional Block Diagram
    3. 9.3 Feature Description
      1. 9.3.1 Electromagnetic Compatibility (EMC) Considerations
    4. 9.4 Device Functional Modes
      1. 9.4.1 Device I/O Schematics
  11. 10Application and Implementation
    1. 10.1 Application Information
    2. 10.2 Typical Application
      1. 10.2.1 Design Requirements
      2. 10.2.2 Detailed Design Procedure
      3. 10.2.3 Application Curve
        1. 10.2.3.1 Insulation Lifetime
  12. 11Power Supply Recommendations
  13. 12Layout
    1. 12.1 Layout Guidelines
      1. 12.1.1 PCB Material
    2. 12.2 Layout Example
  14. 13Device and Documentation Support
    1. 13.1 Documentation Support
      1. 13.1.1 Related Documentation
    2. 13.2 Receiving Notification of Documentation Updates
    3. 13.3 Support Resources
    4. 13.4 Trademarks
    5. 13.5 Electrostatic Discharge Caution
    6. 13.6 Glossary
  15. 14Mechanical, Packaging, and Orderable Information

Package Options

Mechanical Data (Package|Pins)
Thermal pad, mechanical data (Package|Pins)
Orderable Information

Detailed Design Procedure

Unlike optocouplers, which require external components to improve performance, provide bias, or limit current, the ISO674x family of devices only require two external bypass capacitors to operate.

ISO6740 ISO6741 ISO6742 Typical ISO674x Circuit Hook-upFigure 10-2 Typical ISO674x Circuit Hook-up