SNVS581M February   2013  – October 2020 LM22679 , LM22679-Q1

PRODUCTION DATA  

  1. Features
  2. Applications
  3. Description
  4. Revision History
  5. Pin Configuration and Functions
    1.     Pin Functions
  6. Specifications
    1. 6.1 Absolute Maximum Ratings
    2. 6.2 Handling Ratings: LM22679
    3. 6.3 Handling Ratings: LM22679-Q1
    4. 6.4 Recommended Operating Conditions
    5. 6.5 Thermal Information
    6. 6.6 Electrical Characteristics
    7. 6.7 Typical Characteristics
  7. Detailed Description
    1. 7.1 Overview
    2. 7.2 Functional Block Diagram
    3. 7.3 Feature Description
      1. 7.3.1 UVLO
      2. 7.3.2 Soft-Start
      3. 7.3.3 Bootstrap Supply
      4. 7.3.4 Internal Compensation
    4. 7.4 Device Functional Modes
      1. 7.4.1 Shutdown Mode
      2. 7.4.2 Active Mode
      3. 7.4.3 Current Limit
      4. 7.4.4 Current Limit Adjustment
      5. 7.4.5 Thermal Protection
      6. 7.4.6 Duty-Cycle Limits
  8. Application and Implementation
    1. 8.1 Application Information
      1. 8.1.1 Output Voltage Divider Selection
      2. 8.1.2 Power Diode
    2. 8.2 Typical Application
      1. 8.2.1 Typical Buck Regulator Application
        1. 8.2.1.1 Design Requirements
        2. 8.2.1.2 Detailed Design Procedure
          1. 8.2.1.2.1 External Components
          2. 8.2.1.2.2 Inductor
          3. 8.2.1.2.3 Input Capacitor
          4. 8.2.1.2.4 Output Capacitor
          5. 8.2.1.2.5 Bootstrap Capacitor
        3. 8.2.1.3 Application Curve
  9. Power Supply Recommendations
  10. 10Layout
    1. 10.1 Layout Guidelines
    2. 10.2 Layout Example
    3. 10.3 Thermal Considerations
  11. 11Device and Documentation Support
    1. 11.1 Documentation Support
      1. 11.1.1 Related Documentation
    2. 11.2 Support Resources
    3. 11.3 Receiving Notification of Documentation Updates
    4. 11.4 Trademarks
    5. 11.5 Glossary
    6. 11.6 Electrostatic Discharge Caution

Package Options

Mechanical Data (Package|Pins)
Thermal pad, mechanical data (Package|Pins)
Orderable Information

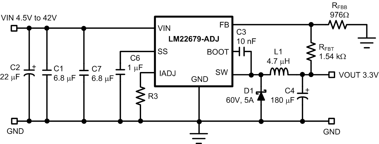
Typical Buck Regulator Application

Figure 8-2 shows an example of converting an input voltage range of 5.5 V to 42 V, to an output of 3.3 V at 5 A.

GUID-FE04214C-E931-4212-9EF0-2479D4B28BDC-low.gifFigure 8-2 Typical Buck Regulator Application