SNOS641I October   1999  – July 2025 LM4041-N , LM4041-N-Q1

PRODUCTION DATA  

  1.   1
  2. Features
  3. Applications
  4. Description
  5. Pin Configuration and Functions
    1.     Pin Functions
    2.     Pin Functions: ADJ Pinouts
  6. Specifications
    1. 5.1  Absolute Maximum Ratings
    2. 5.2  ESD Ratings
    3. 5.3  Recommended Operating Conditions
    4. 5.4  Thermal Information
    5. 5.5  LM4041-N LM4041-N-Q1 1.2 Electrical Characteristics (Industrial Temperature Range)
    6. 5.6  LM4041-N LM4041-N-Q1 1.2 Electrical Characteristics (Industrial Temperature Range)
    7. 5.7  LM4041-N LM4041-N-Q1 1.2 Electrical Characteristics (Extended Temperature Range)
    8. 5.8  LM4041-N LM4041-N-Q1 ADJ (Adjustable) Electrical Characteristics (Industrial Temperature Range)
    9. 5.9  LM4041-N LM4041-N-Q1 ADJ (Adjustable) Electrical Characteristics (Extended Temperature Range)
    10. 5.10 Typical Characteristics
  7. Parameter Measurement Information
  8. Detailed Description
    1. 7.1 Overview
    2. 7.2 Functional Block Diagram
    3. 7.3 Feature Description
    4. 7.4 Device Functional Modes
  9. Application and Implementation
    1. 8.1 Application Information
    2. 8.2 Typical Applications
      1. 8.2.1 Shunt Regulator
        1. 8.2.1.1 Design Requirements
        2. 8.2.1.2 Detailed Design Procedure
        3. 8.2.1.3 Application Curve
      2. 8.2.2 Adjustable Shunt Regulator
        1. 8.2.2.1 Design Requirements
        2. 8.2.2.2 Detail Design Procedure
      3. 8.2.3 Bounded Amplifier
        1. 8.2.3.1 Design Requirements
        2. 8.2.3.2 Detail Design Procedure
        3. 8.2.3.3 Application Curve
      4. 8.2.4 Voltage Level Detector
        1. 8.2.4.1 Design Procedure
        2. 8.2.4.2 Detail Design Procedure
      5. 8.2.5 Precision Current Sink and Source
        1. 8.2.5.1 Design Requirements
        2. 8.2.5.2 Detailed Design Procedure
      6. 8.2.6 100mA Current Source
        1. 8.2.6.1 Design Requirements
        2. 8.2.6.2 Detailed Design Procedure
      7. 8.2.7 LM4041 in Clamp Circuits
        1. 8.2.7.1 Design Requirements
        2. 8.2.7.2 Detailed Design Procedure
      8. 8.2.8 Floating Current Detector
        1. 8.2.8.1 Design Requirement
        2. 8.2.8.2 Detailed Design Procedure
    3. 8.3 Power Supply Recommendations
    4. 8.4 Layout
      1. 8.4.1 Layout Guidelines
      2. 8.4.2 Layout Example
  10. Device and Documentation Support
    1. 9.1 Receiving Notification of Documentation Updates
    2. 9.2 Support Resources
    3. 9.3 Trademarks
    4. 9.4 Electrostatic Discharge Caution
    5. 9.5 Glossary
  11. 10Revision History
  12. 11Mechanical, Packaging, and Orderable Information

Package Options

Mechanical Data (Package|Pins)
Thermal pad, mechanical data (Package|Pins)
Orderable Information

Pin Functions

LM4041-N  LM4041-N-Q1 DBZ Package3-Pin SOT-23Top View Figure 4-1 DBZ Package
3-Pin SOT-23
Top View
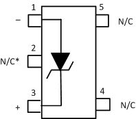
LM4041-N  LM4041-N-Q1 DCK Package5-Pin SC70Top View Figure 4-2 DCK Package
5-Pin SC70
Top View
LM4041-N  LM4041-N-Q1 LP Package3-Pin TO-92Bottom View Figure 4-3 LP Package
3-Pin TO-92
Bottom View
Pin Functions
PIN I/O DESCRIPTION
NAME SOT-23 SC70 TO-92
Anode 2 1 3 O Anode pin, normally grounded
Cathode 1 3 2 I/O Shunt current and output voltage
FB I Feedback pin for adjustable output voltage
NC* 3 2 1 **Must float or connect to anode (1)
NC 4, 5 No connect
In applications with high electromagnetic interference (for example, when placed near transformers or other electromagnetic sources) or significant high-frequency switching noise, TI recommends to connect this pin to the anode.