SLCS146H February   2005  – March 2025

PRODUCTION DATA  

  1.   1
  2. Features
  3. Applications
  4. Description
  5. Pin Configuration and Functions
    1.     Pin Functions
    2.     Pin Functions: ADJ Pinouts
  6. Specifications
    1. 5.1  Absolute Maximum Ratings
    2. 5.2  ESD Ratings
    3. 5.3  Recommended Operating Conditions
    4. 5.4  LM4041x12I Electrical Characteristics
    5. 5.5  LM4041x12I Electrical Characteristics
    6. 5.6  LM4041x12Q Electrical Characteristics
    7. 5.7  LM4041xI (Adjustable Version) Electrical Characteristics
    8. 5.8  LM4041xI (Adjustable Version) Electrical Characteristics
    9. 5.9  LM4041xQ (Adjustable Version) Electrical Characteristics
    10. 5.10 Typical Characteristics
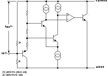
  7. Functional Block Diagram
  8. Application Information
    1. 7.1 Output Capacitor
    2. 7.2 SOT-23 and SC-70 Pin Connections
    3. 7.3 Adjustable Version
    4. 7.4 Cathode and Load Currents
  9. Device and Documentation Support
    1. 8.1 Receiving Notification of Documentation Updates
    2. 8.2 Trademarks
    3. 8.3 Electrostatic Discharge Caution
    4. 8.4 Support Resources
    5. 8.5 Glossary
  10. Revision History
  11. 10Mechanical, Packaging, and Orderable Information

Package Options

Mechanical Data (Package|Pins)
Thermal pad, mechanical data (Package|Pins)
Orderable Information

Functional Block Diagram

LM4041 Functional Block
                    Diagram Figure 6-1 Functional Block Diagram