SNVSCF0 October 2024 LM65680-Q1
ADVANCE INFORMATION
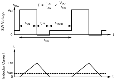
Diode emulation prevents reverse current though the inductor, which requires a lower frequency needed to regulate given a fixed peak inductor current. Diode emulation also limits ripple current as frequency is reduced. Frequency reduces when peak inductor current goes below IPEAK-MIN. With a fixed peak current, as output current is reduced to zero, frequency must be reduced to near zero to maintain regulation.

The LM656x0-Q1 has a minimum peak inductor current setting in auto mode. That being said, when current is reduced to a low value with fixed input voltage, on-time is constant. Regulation is then achieved by adjusting frequency. This mode of operation is called PFM mode regulation.