Unless otherwise specified the following
conditions apply: VIN = 12 V, TA = 25°C. The circuit is shown
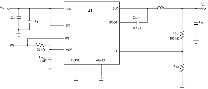
in Figure 9-31, with the
appropriate BOM from Table 9-3 or Table 9-4.

| VOUT = 5
V |
400
kHz |
DDA
Package |
Figure 9-7 Efficiency
| VOUT = 5
V |
1.4
MHz |
DDA
Package |
Figure 9-9 Efficiency
| VOUT = 5
V |
2.1
MHz |
DDA
Package |
Figure 9-11 Efficiency
| VOUT = 5
V |
400
kHz |
RNX
Package |
Figure 9-13 Efficiency
| VOUT = 5
V |
1.4
MHz |
RNX
Package |
Figure 9-15 Efficiency
| VOUT = 5
V |
2.1
MHz |
RNX
Package |
Figure 9-17 Efficiency
Figure 9-19 Line
and Load Regulation
Figure 9-21 Mode
Change Thresholds
| VIN = 12 V |
|
VOUT = 5
V |
| tf = tr
= 2 µs |
IOUT = 0 A to 2 A |
Figure 9-23 Load
Transient
Figure 9-25 Line
and Load Regulation
| VOUT = 3.3
V |
ƒSW = 400 kHz |
Figure 9-27 Mode
Change Thresholds
| VIN = 12 V |
|
VOUT = 3.3
V |
| tf = tr
= 2 µs |
IOUT = 0 A to 2 A |
Figure 9-29 Load
Transient
| VOUT = 3.3
V |
400
kHz |
DDA
Package |
Figure 9-8 Efficiency
| VOUT = 3.3
V |
1.4
MHz |
DDA
Package |
Figure 9-10 Efficiency
| VOUT = 3.3
V |
2.1 MHz |
DDA Package |
Figure 9-12 Efficiency
| VOUT = 3.3
V |
400
kHz |
RNX
Package |
Figure 9-14 Efficiency
| VOUT = 3.3
V |
1.4
MHz |
RNX
Package |
Figure 9-16 Efficiency
| VOUT = 3.3
V |
2.1 MHz |
RNX Package |
Figure 9-18 Efficiency
| VOUT = 5
V |
RFBT = 1
MΩ |
IOUT = 0
A |
Figure 9-20 Input
Supply Current
Figure 9-22 Switching Frequency versus Output Current
| VIN = 12 V |
|
VOUT = 5
V |
| tf = tr
= 2 µs |
IOUT = 1 A to 2 A |
Figure 9-24 Load
Transient
| VOUT = 3.3
V |
IOUT = 0
A |
RFBT = 1
MΩ |
Figure 9-26 Input
Supply Current
| VOUT = 3.3
V |
ƒSW = 400 kHz |
Figure 9-28 Switching Frequency versus Output Current
| VIN = 12 V |
VOUT = 3.3
V |
IOUT = 1 A to 2
A |
| tf = tr = 2 µs |
|
Figure 9-30 Load
Transient
Figure 9-31 Circuit for Application CurvesTable 9-3 BOM for Typical Application
Curves DDA Package
| VOUT(1) |
FREQUENCY |
RFBB |
COUT |
CIN +
CHF |
L |
U1 |
| 3.3 V |
400 kHz |
43.3 kΩ |
4 × 22 µF |
1 × 10 µF + 1 × 220 nF |
6.8 µH, 14 mΩ |
LMR33620ADDA |
| 3.3 V |
1400 KHz |
43.3 kΩ |
4 × 22 µF |
1 × 10 µF + 1 × 220 nF |
2.2 µH, 11.4 mΩ |
LMR33620BDDA |
| 3.3 V |
2100 kHz |
43.3 kΩ |
4 × 22 µF |
1 × 10 µF + 1 × 220 nF |
1.2 µH, 16 mΩ |
LMR33620CDDA |
| 5 V |
400 kHz |
24.9 kΩ |
4 × 22 µF |
1 × 10 µF + 1 × 220 nF |
8.2 µH, 14 mΩ |
LMR33620ADDA |
| 5 V |
1400 KHz |
24.9 kΩ |
4 × 22 µF |
1 × 10 µF + 1 × 220 nF |
2.2 µH, 11.4 mΩ |
LMR33620BDDA |
| 5 V |
2100 kHz |
24.9 kΩ |
4 × 22 µF |
1 × 10 µF + 1 × 220 nF |
1.5 µH, 8.2 mΩ |
LMR33620CDDA |
(1) The values in this table were selected to enhance certain performance criteria
and may not represent typical values.
Table 9-4 BOM for Typical Application
Curves RNX Package
| VOUT(1) |
FREQUENCY |
RFBB |
COUT |
CIN +
CHF |
L |
U1 |
| 3.3 V |
400 kHz |
43.3 kΩ |
4 × 22 µF |
2 × 4.7 µF + 2 × 100 nF |
4.7 µH, 28 mΩ |
LMR33620ARNX |
| 3.3 V |
1400 KHz |
43.3 kΩ |
4 × 22 µF |
2 × 4.7 µF + 2 × 100 nF |
2.2 µH, 11.4 mΩ |
LMR33620BRNX |
| 3.3 V |
2100 kHz |
43.3 kΩ |
4 × 22 µF |
2 × 4.7 µF + 2 × 100 nF |
2.2 µH, 11.4 mΩ |
LMR33620CRNX |
| 5 V |
400 kHz |
24.9 kΩ |
4 × 22 µF |
2 × 4.7 µF + 2 × 100 nF |
6.8 µH, 14 mΩ |
LMR33620ARNX |
| 5 V |
1400 KHz |
24.9 kΩ |
4 × 22 µF |
2 × 4.7 µF + 2 × 100 nF |
2.2 µH, 11.4 mΩ |
LMR33620BRNX |
| 5 V |
2100 kHz |
24.9 kΩ |
4 × 22 µF |
2 × 4.7 µF + 2 × 100 nF |
2.2 µH, 11.4 mΩ |
LMR33620CRNX |
(1) The values in this table were selected to enhance certain performance criteria
and may not represent typical values.