SLASEB7D June 2017 – December 2020 MSP430FR6035 , MSP430FR6037 , MSP430FR60371 , MSP430FR6045 , MSP430FR6047 , MSP430FR60471
PRODUCTION DATA
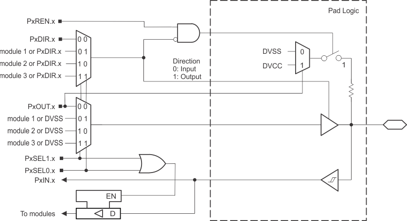
Figure 9-17 shows the port diagram. Table 9-39 summarizes the selection of the pin function.
| PIN NAME (P8.x) | x | FUNCTION | CONTROL BITS OR SIGNALS(1) | ||
|---|---|---|---|---|---|
| P8DIR.x | P8SEL1.x | P8SEL0.x | |||
| P8.0/UCA3STE/TB0.2/DMAE0 | 0 | P8.0(I/O) | 0 = Input, 1 = Output | 0 | 0 |
| UCA3STE | X(2) | 0 | 1 | ||
| TB0.CCI2A | 0 | 1 | 0 | ||
| TB0.2 | 1 | ||||
| DMAE0 | 0 | 1 | 1 | ||
| Internally tied to DVSS | 1 | ||||
| P8.1/UCA3CLK/TB0.3/TB0OUTH | 1 | P8.1(I/O) | 0 = Input, 1 = Output | 0 | 0 |
| UCA3CLK | X(2) | 0 | 1 | ||
| TB0.CCI3A | 0 | 1 | 0 | ||
| TB0.3 | 1 | ||||
| TB0OUTH | 0 | 1 | 1 | ||
| Internally tied to DVSS | 1 | ||||
| P8.2/UCA3SOMI/UCA3RXD/MCLK | 2 | P8.2(I/O) | 0 = Input, 1 = Output | 0 | 0 |
| UCA3SOMI/UCA3RXD | X(2) | 0 | 1 | ||
| N/A | 0 | 1 | 0 | ||
| MCLK | 1 | ||||
| N/A | 0 | 1 | 1 | ||
| Internally tied to DVSS | 1 | ||||
| P8.3/UCA3SIMO/UCA3TXD/RTCCLK | 3 | P8.3(I/O) | 0 = Input, 1 = Output | 0 | 0 |
| UCA3SIMO/UCA3TXD | X(2) | 0 | 1 | ||
| N/A | 0 | 1 | 0 | ||
| RTCCLK | 1 | ||||
| N/A | 0 | 1 | 1 | ||
| Internally tied to DVSS | 1 | ||||