SBOS350B December   2006  – December 2024 OPA4830

PRODUCTION DATA  

  1.   1
  2. Features
  3. Applications
  4. Description
  5. Related Products
  6. Pin Configuration and Functions
  7. Specifications
    1. 6.1  Absolute Maximum Ratings
    2. 6.2  ESD Ratings
    3. 6.3  Recommended Operating Conditions
    4. 6.4  Thermal Information
    5. 6.5  Electrical Characteristics VS = ±5V
    6. 6.6  Electrical Characteristics VS = 5V
    7. 6.7  Electrical Characteristics VS = 3V
    8. 6.8  Typical Characteristics: VS = ±5V
    9. 6.9  Typical Characteristics: VS = ±5V, Differential Configuration
    10. 6.10 Typical Characteristics: VS = 5V
    11. 6.11 Typical Characteristics: VS = 5V, Differential Configuration
    12. 6.12 Typical Characteristics: VS = 3V
    13. 6.13 Typical Characteristics: VS = 3V, Differential Configuration
  8. Parameter Measurement Information
  9. Application and Implementation
    1. 8.1 Application Information
      1. 8.1.1  Wideband Voltage-Feedback Operation
      2. 8.1.2  DC Level-Shifting
      3. 8.1.3  AC-Coupled Output Video Line Driver
      4. 8.1.4  Noninverting Amplifier With Reduced Peaking
      5. 8.1.5  Single-Supply Active Filter
      6. 8.1.6  Differential Interface Applications
      7. 8.1.7  DC-Coupled Single-to-Differential Conversion
      8. 8.1.8  Low-Power, Differential I/O, 4th-Order Active Filter
      9. 8.1.9  Dual-Channel, Differential ADC Driver
      10. 8.1.10 Video Line Driving
      11. 8.1.11 4-Channel DAC Transimpedance Amplifier
      12. 8.1.12 Operating Suggestions: Optimizing Resistor Values
      13. 8.1.13 Bandwidth vs Gain: Noninverting Operation
      14. 8.1.14 Inverting Amplifier Operation
      15. 8.1.15 Output Current and Voltages
      16. 8.1.16 Driving Capacitive Loads
      17. 8.1.17 Distortion Performance
      18. 8.1.18 Noise Performance
      19. 8.1.19 DC Accuracy and Offset Control
    2. 8.2 Power Supply Recommendations
      1. 8.2.1 Thermal Analysis
    3. 8.3 Layout
      1. 8.3.1 Layout Guidelines
        1. 8.3.1.1 Input and ESD Protection
  10. Device and Documentation Support
    1. 9.1 Device Support
      1. 9.1.1 Design-In Tools
        1. 9.1.1.1 Demonstration Fixtures
        2. 9.1.1.2 Macromodels and Applications Support
    2. 9.2 Receiving Notification of Documentation Updates
    3. 9.3 Support Resources
    4. 9.4 Trademarks
    5. 9.5 Electrostatic Discharge Caution
    6. 9.6 Glossary
  11. 10Revision History
  12. 11Mechanical, Packaging, and Orderable Information

Package Options

Refer to the PDF data sheet for device specific package drawings

Mechanical Data (Package|Pins)
  • PW|14
Thermal pad, mechanical data (Package|Pins)
Orderable Information

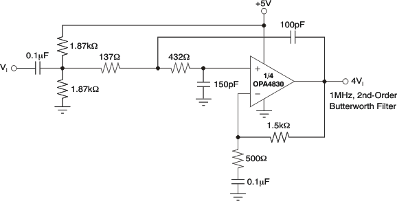
Single-Supply Active Filter

The OPA4830, while operating on a single +3V or +5V supply, lends a well to high-frequency active filter designs. Again, the key additional requirement is to establish the dc operating point of the signal near the supply midpoint for highest dynamic range. Figure 8-8 shows an example design of a 1MHz low-pass Butterworth filter using the Sallen-Key topology.

Both the input signal and the gain setting resistor are ac-coupled using 0.1μF blocking capacitors (actually giving bandpass response with the low-frequency pole set to 32kHz for the component values shown). As discussed for Figure 8-1, this configuration allows the midpoint bias formed by the two 1.87kΩ resistors to appear at both the input and output pins. The midband signal gain is set to +4 (12dB) in this case. The capacitor to ground on the noninverting input is intentionally set larger to dominate input parasitic terms. At a gain of +4, the OPA4830 on a single supply shows 30MHz small- and large-signal bandwidth. The resistor values have been slightly adjusted to account for this limited bandwidth in the amplifier stage. Tests of this circuit show a precise 1MHz, –3dB point with a maximally-flat pass-band (above the 32kHz ac-coupling corner), and a maximum stop band attenuation of 36dB at the amplifier –3dB bandwidth of 30MHz.

OPA4830 Single-Supply, High-Frequency
                    Active Filter Figure 8-8 Single-Supply, High-Frequency Active Filter