SLLS563I July   2003  – January 2023 SN65HVD1176 , SN75HVD1176

PRODUCTION DATA  

  1. Features
  2. Applications
  3. Description
  4. Revision History
  5. Pin Configuration and Functions
    1.     Pin Functions
  6. Specifications
    1. 6.1 Absolute Maximum Ratings
    2. 6.2 ESD Ratings
    3. 6.3 Recommended Operating Conditions
    4. 6.4 Thermal Information
    5. 6.5 Electrical Characteristics
    6. 6.6 Supply Current
    7. 6.7 Power Dissipation
    8. 6.8 Switching Characteristics
    9. 6.9 Typical Characteristics
      1.      Parameter Measurement Information
  7. Detailed Description
    1. 7.1 Overview
    2. 7.2 Functional Block Diagram
    3. 7.3 Feature Description
    4. 7.4 Device Functional Modes
  8. Application and Implementation
    1. 8.1 Application Information
    2. 8.2 Typical Application
      1. 8.2.1 Design Requirements
        1. 8.2.1.1 Data Rate and Bus Length
        2. 8.2.1.2 Stub Length
        3. 8.2.1.3 Bus Loading
        4. 8.2.1.4 Receiver Failsafe
      2. 8.2.2 Detailed Design Procedure
      3. 8.2.3 Application Curve
  9. Power Supply Recommendations
  10. 10Layout
    1. 10.1 Layout Guidelines
    2. 10.2 Layout Example
  11. 11Device and Documentation Support
    1. 11.1 Third-Party Products Disclaimer
    2. 11.2 Documentation Support
    3. 11.3 Related Links
    4. 11.4 Support Resources
    5. 11.5 Trademarks
    6. 11.6 Electrostatic Discharge Caution
    7. 11.7 Glossary
  12. 12Mechanical, Packaging, and Orderable Information

Package Options

Mechanical Data (Package|Pins)
Thermal pad, mechanical data (Package|Pins)
Orderable Information

Parameter Measurement Information

Note:

Test load capacitance includes probe and jig capacitance (unless otherwise specified).

Signal generator characteristics: rise and fall time < 6 ns, pulse rate 100 kHz, 50% duty cycle, Zo = 50 Ω (unless otherwise specified).

GUID-64814437-23E5-45A5-8630-19E9057CDFF6-low.gifFigure 7-1 Driver Test Circuit, VOD and VOC Without Common-Mode Loading
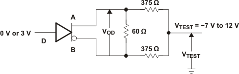
GUID-FB31E095-7C71-48BF-B83C-0C11CD6B8F07-low.gifFigure 7-2 Driver Test Circuit, VOD With Common-Mode Loading
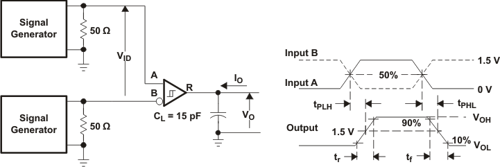
GUID-FD9DA1F0-74B9-46C0-BF1A-4B786BA586C2-low.gifFigure 7-3 Driver Switching Test Circuit and Rise/Fall Time Measurement
GUID-928AC57E-45B7-4B77-8FDB-5F35BB12FB05-low.gifFigure 7-4 Driver Switching Waveforms for Propagation Delay and Output Midpoint Time Measurements
GUID-B445B7E1-6ACF-4005-8F2F-FD05E481E09D-low.gifFigure 7-5 Driver VOC Test Circuit and Waveforms
GUID-6D47B497-447B-4825-984E-11A27C44CB18-low.gif
VOD(RING) is measured at four points on the output waveform, corresponding to overshoot and undershoot from the VOD(H) and VOD(L) steady state values.
Figure 7-6 VOD(RING) Waveform and Definitions
GUID-A81FBB50-F115-4531-AA9E-C9B077CA1B72-low.gifFigure 7-7 Driver Enable/Disable Test
GUID-B6541D05-5A3D-4E81-9D5C-5A0A04E6CF0D-low.gifFigure 7-8 Driver Short-Circuit Test Circuit and Waveforms (Short Circuit applied at Time t = 0)
GUID-3C14F7DE-B198-43EF-BB1F-D3C7597E5F6E-low.gifFigure 7-9 Receiver DC Parameter Definitions
GUID-F27AEA87-34D8-4581-BEE2-B6A5537DA4A0-low.gifFigure 7-10 Receiver Switching Test Circuit and Waveforms
GUID-A5C29B82-395C-473F-925C-1B06DF9C1DC0-low.gifFigure 7-11 Receiver Common-Mode Rejection Test Circuit
GUID-4D14901B-BFE4-4392-A438-C3BE258D6FC1-low.gifFigure 7-12 Receiver Enable Time From Standby (Driver Disabled)
GUID-0FA01DCF-9EE6-4052-852E-EABFD1F7C4D5-low.gifFigure 7-13 Receiver Enable Test Circuit and Waveforms, Data Output High (Driver Active)
GUID-F72CF9C0-3123-4AD4-BCEB-908AC3B805B6-low.gifFigure 7-14 Receiver Enable Test Circuit and Waveforms, Data Output Low (Driver Active)
GUID-80C6A807-3037-408A-AE14-352F847FB593-low.gifFigure 7-15 Test Circuit and Waveforms, Transient Overvoltage Test