SCES587D AUGUST   2004  – November 2015 SN74AVCH16T245

PRODUCTION DATA.  

  1. Features
  2. Applications
  3. Description
  4. Revision History
  5. Description (continued)
  6. Pin Configuration and Functions
  7. Specifications
    1. 7.1  Absolute Maximum Ratings
    2. 7.2  ESD Ratings
    3. 7.3  Recommended Operating Conditions
    4. 7.4  Thermal Information
    5. 7.5  Electrical Characteristics
    6. 7.6  Switching Characteristics: VCCA = 1.2 V
    7. 7.7  Switching Characteristics: VCCA = 1.5 V ± 0.1 V
    8. 7.8  Switching Characteristics: VCCA = 1.8 V ± 0.15 V
    9. 7.9  Switching Characteristics: VCCA = 2.5 V ± 0.2 V
    10. 7.10 Switching Characteristics: VCCA = 3.3 V ± 0.3 V
    11. 7.11 Operating Characteristics
    12. 7.12 Typical Characteristics (TA = 25°C)
  8. Parameter Measurement Information
  9. Detailed Description
    1. 9.1 Overview
    2. 9.2 Functional Block Diagram
    3. 9.3 Feature Description
      1. 9.3.1 Fully Configurable Dual-Rail Design Allows Each Port to Operate Over the Full 1.2 V to 3.6 V Power-Supply Range
      2. 9.3.2 Partial-Power-Down Mode Operation
      3. 9.3.3 VCC Isolation
    4. 9.4 Device Functional Modes
  10. 10Application and Implementation
    1. 10.1 Application Information
    2. 10.2 Typical Application
      1. 10.2.1 Design Requirements
      2. 10.2.2 Detailed Design Procedure
        1. 10.2.2.1 Input Voltage Ranges
        2. 10.2.2.2 Output Voltage Range
      3. 10.2.3 Application Curve
  11. 11Power Supply Recommendations
  12. 12Layout
    1. 12.1 Layout Guidelines
    2. 12.2 Layout Example
  13. 13Device and Documentation Support
    1. 13.1 Documentation Support
      1. 13.1.1 Related Documentation
    2. 13.2 Community Resources
    3. 13.3 Trademarks
    4. 13.4 Electrostatic Discharge Caution
    5. 13.5 Glossary
  14. 14Mechanical, Packaging, and Orderable Information

Package Options

Refer to the PDF data sheet for device specific package drawings

Mechanical Data (Package|Pins)
  • DGG|48
  • DGV|48
Thermal pad, mechanical data (Package|Pins)
Orderable Information

1 Features

  • VCC Isolation Feature – If Either VCC Input is at GND, Both Ports are in the High-Impedance State
  • Control Inputs VIH/VIL Levels Are Referenced to VCCA Voltage
  • Overvoltage-Tolerant Inputs and Outputs Allow Mixed Voltage-Mode Data Communications
  • Fully Configurable Dual-Rail Design Allows Each Port to Operate Over the Full 1.2 V to 3.6 V Power-Supply Range
  • Ioff Supports Partial-Power-Down Mode Operation
  • I/Os are 4.6 V Tolerant
  • Bus Hold on Data Inputs Eliminates the Need for External Pullup and Pulldown Resistors
  • Maximum Data Rates
    • 380 Mbps (1.8 V to 3.3 V Level-Shifting)
    • 200 Mbps (<1.8 V to 3.3 V Level-Shifting)
    • 200 Mbps (Level-Shifting to 2.5 V or 1.8 V)
    • 150 Mbps (Level-Shifting to 1.5 V)
    • 100 Mbps (Level-Shifting to 1.2 V)
  • Latch-Up Performance Exceeds 100 mA Per JESD 78, Class II
  • ESD Protection Exceeds JESD 22
    • 8000-V Human-Body Model (A114-A)
    • 200-V Machine Model (A115-A)
    • 1000-V Charged-Device Model (C101)

2 Applications

  • Personal Electronics
  • Industrial
  • Enterprise
  • Telecom

3 Description

This 16-bit noninverting bus transceiver uses two separate configurable power-supply rails. The SN74AVCH16T245 device is optimized to operate with VCCA/VCCB set at 1.4 V to 3.6 V. The device is operational with VCCA/VCCB as low as 1.2 V. The A port is designed to track VCCA. VCCA accepts any supply voltage from 1.2 V to 3.6 V. The B port is designed to track VCCB. VCCB accepts any supply voltage from 1.2 V to 3.6 V. This allows for universal low-voltage bidirectional translation between any of the 1.2-V, 1.5-V, 1.8-V, 2.5-V, and 3.3-V voltage nodes.

Device Information(1)

PART NUMBER PACKAGE BODY SIZE (NOM)
SN74AVCH16T245 TSSOP (48) 12.50 mm × 6.10 mm
TVSOP (48) 9.70 mm × 4.40 mm
BGA MICROSTAR JUNIOR (56) 7.00 mm × 4.50 mm
  1. For all available packages, see the orderable addendum at the end of the data sheet.

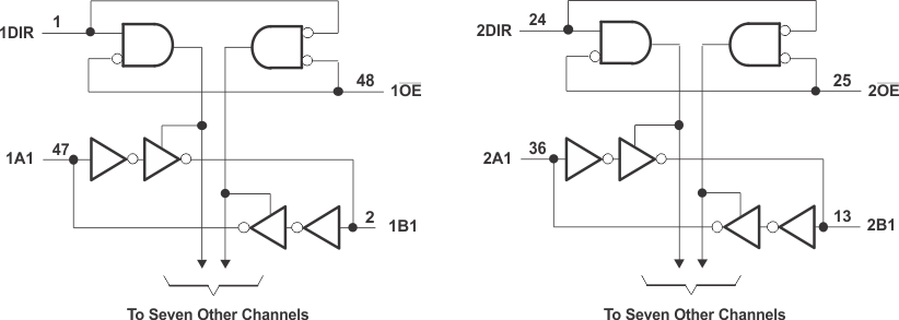
Logic Diagram (Positive Logic)

SN74AVCH16T245 ld2_ces551.gif