SLLSFV8B July   2024  – December 2024 TCAN1043N-Q1

PRODMIX  

  1.   1
  2. Features
  3. Applications
  4. Description
  5. Pin Configuration and Functions
  6. Specifications
    1. 5.1  Absolute Maximum Ratings
    2. 5.2  ESD Ratings
    3. 5.3  ESD Ratings - IEC Specifications
    4. 5.4  Recommended Operating Conditions
    5. 5.5  Thermal Information
    6. 5.6  Power Dissipation Ratings
    7. 5.7  Power Supply Characteristics
    8. 5.8  Electrical Characteristics
    9. 5.9  Timing Requirements
    10. 5.10 Switching Characteristics
    11. 5.11 Typical Characteristics
  7. Parameter Measurement Information
  8. Detailed Description
    1. 7.1 Overview
    2. 7.2 Functional Block Diagram
    3. 7.3 Feature Description
      1. 7.3.1 Supply Pins
        1. 7.3.1.1 VSUP Pin
        2. 7.3.1.2 VCC Pin
        3. 7.3.1.3 VIO Pin
      2. 7.3.2 Digital Inputs and Outputs
        1. 7.3.2.1 TXD Pin
        2. 7.3.2.2 RXD Pin
        3. 7.3.2.3 nFAULT Pin
        4. 7.3.2.4 EN Pin
        5. 7.3.2.5 nSTB Pin
      3. 7.3.3 GND
      4. 7.3.4 INH Pin
      5. 7.3.5 WAKE Pin
      6. 7.3.6 CAN Bus Pins
      7. 7.3.7 Faults
        1. 7.3.7.1 Internal and External Fault Indicators
          1. 7.3.7.1.1 Power-Up (PWRON Flag)
          2. 7.3.7.1.2 Wake-Up Request (WAKERQ Flag)
          3. 7.3.7.1.3 Undervoltage Faults
            1. 7.3.7.1.3.1 Undervoltage on VSUP
            2. 7.3.7.1.3.2 Undervoltage on VCC
            3. 7.3.7.1.3.3 Undervoltage on VIO
          4. 7.3.7.1.4 CAN Bus Fault (CBF Flag)
          5. 7.3.7.1.5 TXD Dominant State Timeout (TXDDTO Flag)
          6. 7.3.7.1.6 TXD Shorted to RXD Fault (TXDRXD Flag)
          7. 7.3.7.1.7 CAN Bus Dominant Fault (CANDOM Flag)
      8. 7.3.8 Local Faults
        1. 7.3.8.1 TXD Dominant Timeout (TXD DTO)
        2. 7.3.8.2 Thermal Shutdown (TSD)
        3. 7.3.8.3 Undervoltage Lockout (UVLO)
        4. 7.3.8.4 Unpowered Devices
        5. 7.3.8.5 Floating Terminals
        6. 7.3.8.6 CAN Bus Short-Circuit Current Limiting
    4. 7.4 Device Functional Modes
      1. 7.4.1 Operating Mode Description
        1. 7.4.1.1 Normal Mode
        2. 7.4.1.2 Silent Mode
        3. 7.4.1.3 Standby Mode
        4. 7.4.1.4 Go-To-Sleep Mode
        5. 7.4.1.5 Sleep Mode
          1. 7.4.1.5.1 Remote Wake Request via Wake-Up Pattern (WUP)
          2. 7.4.1.5.2 Local Wake-Up (LWU) via WAKE Input Terminal
      2. 7.4.2 CAN Transceiver
        1. 7.4.2.1 CAN Transceiver Operation
          1. 7.4.2.1.1 CAN Transceiver Modes
            1. 7.4.2.1.1.1 CAN Off Mode
            2. 7.4.2.1.1.2 CAN Autonomous: Inactive and Active
            3. 7.4.2.1.1.3 CAN Active
          2. 7.4.2.1.2 Driver and Receiver Function Tables
          3. 7.4.2.1.3 CAN Bus States
  9. Application Information Disclaimer
    1. 8.1 Application Information
      1. 8.1.1 Typical Application
      2. 8.1.2 Design Requirements
        1. 8.1.2.1 Bus Loading, Length and Number of Nodes
      3. 8.1.3 Detailed Design Procedure
        1. 8.1.3.1 CAN Termination
      4. 8.1.4 Application Curves
    2. 8.2 Power Supply Recommendations
    3. 8.3 Layout
      1. 8.3.1 Layout Guidelines
      2. 8.3.2 Layout Example
  10. Device and Documentation Support
    1. 9.1 Documentation Support
    2. 9.2 Receiving Notification of Documentation Updates
    3. 9.3 Support Resources
    4. 9.4 Trademarks
    5. 9.5 Electrostatic Discharge Caution
    6. 9.6 Glossary
  11. 10Revision History
  12. 11Mechanical, Packaging, and Orderable Information

Package Options

Mechanical Data (Package|Pins)
Thermal pad, mechanical data (Package|Pins)
Orderable Information

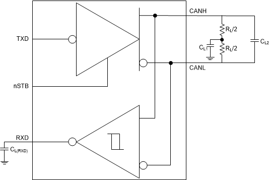
Parameter Measurement Information

TCAN1043N-Q1 Common-Mode Bias Unit and ReceiverFigure 6-1 Common-Mode Bias Unit and Receiver
TCAN1043N-Q1 Test CircuitFigure 6-2 Test Circuit
TCAN1043N-Q1 Supply Test CircuitFigure 6-3 Supply Test Circuit
TCAN1043N-Q1 Driver Test Circuit and MeasurementFigure 6-4 Driver Test Circuit and Measurement
TCAN1043N-Q1 Receiver Test Circuit and MeasurementFigure 6-5 Receiver Test Circuit and Measurement
TCAN1043N-Q1 Transmitter and Receiver Timing Behavior Test Circuit and MeasurementFigure 6-6 Transmitter and Receiver Timing Behavior Test Circuit and Measurement
TCAN1043N-Q1 TXD Dominant Time Out Test Circuit and MeasurementFigure 6-7 TXD Dominant Time Out Test Circuit and Measurement
TCAN1043N-Q1 Driver Short-Circuit Current Test and MeasurementFigure 6-8 Driver Short-Circuit Current Test and Measurement
TCAN1043N-Q1 Bias Reaction Time MeasurementFigure 6-9 Bias Reaction Time Measurement
TCAN1043N-Q1 Power-Up TimingFigure 6-10 Power-Up Timing