SNOSDL8B November   2024  – November 2025 TLV3511-Q1 , TLV3512-Q1

PRODMIX  

  1.   1
  2. Features
  3. Applications
  4. Description
  5. Pin Configuration and Functions
  6. Specifications
    1. 5.1 Absolute Maximum Ratings
    2. 5.2 ESD Ratings
    3. 5.3 Recommended Operating Conditions
    4. 5.4 Thermal Information. TLV3511
    5. 5.5 Thermal Information, TLV3512
    6. 5.6 Electrical Characteristics
    7. 5.7 Switching Characteristics
    8. 5.8 Typical Characteristics
  7. Detailed Description
    1. 6.1 Overview
    2. 6.2 Functional Block Diagram
    3. 6.3 Feature Description
    4. 6.4 Device Functional Modes
      1. 6.4.1 Inputs
        1. 6.4.1.1 Unused Inputs
      2. 6.4.2 Internal Hysteresis
      3. 6.4.3 Outputs
      4. 6.4.4 ESD Protection
      5. 6.4.5 Power-On Reset (POR)
  8. Application and Implementation
    1. 7.1 Application Information
      1. 7.1.1 Basic Comparator Definitions
        1. 7.1.1.1 Operation
        2. 7.1.1.2 Propagation Delay
        3. 7.1.1.3 Overdrive Voltage
      2. 7.1.2 Hysteresis
        1. 7.1.2.1 Inverting Comparator With Hysteresis
        2. 7.1.2.2 Non-Inverting Comparator With Hysteresis
    2. 7.2 Typical Applications
      1. 7.2.1 Low-Side Current Sensing
        1. 7.2.1.1 Design Requirements
        2. 7.2.1.2 Detailed Design Procedure
        3. 7.2.1.3 Application Curve
    3. 7.3 Power Supply Recommendations
    4. 7.4 Layout
      1. 7.4.1 Layout Guidelines
      2. 7.4.2 Layout Example
  9. Device and Documentation Support
    1. 8.1 Documentation Support
      1. 8.1.1 Related Documentation
    2. 8.2 Receiving Notification of Documentation Updates
    3. 8.3 Support Resources
    4. 8.4 Trademarks
    5. 8.5 Electrostatic Discharge Caution
    6. 8.6 Glossary
  10. Revision History
  11. 10Mechanical, Packaging, and Orderable Information

Package Options

Mechanical Data (Package|Pins)
Thermal pad, mechanical data (Package|Pins)
Orderable Information

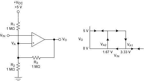
Inverting Comparator With Hysteresis

The inverting comparator with hysteresis requires a three-resistor network that is referenced to the comparator supply voltage (VCC), as shown below.

TLV3511-Q1 TLV3512-Q1 TLV3511-Q1  in an Inverting Configuration With HysteresisFigure 7-3 TLV3511-Q1 in an Inverting Configuration With Hysteresis

The equivalent resistor networks when the output is high and low are shown below.

TLV3511-Q1 TLV3512-Q1 Inverting Configuration Resistor Equivalent NetworksFigure 7-4 Inverting Configuration Resistor Equivalent Networks

When VIN is less than VA, the output voltage is high (for simplicity, assume VO switches as high as VCC). The three network resistors can be represented as R1 || R3 in series with R2, as shown above on the left.

The equation below defines the high-to-low trip voltage (VA1).

Equation 1. TLV3511-Q1 TLV3512-Q1

When VIN is greater than VA, the output voltage is low. In this case, the three network resistors can be presented as R2 || R3 in series with R1, as shown above on the right.

Use equation below to define the low to high trip voltage (VA2).

Equation 2. TLV3511-Q1 TLV3512-Q1

The equation below defines the total hysteresis provided by the network.

Equation 3. TLV3511-Q1 TLV3512-Q1