SLASEP7A May   2020  – May 2022 TMUXHS4212

PRODUCTION DATA  

  1. Features
  2. Applications
  3. Description
  4. Revision History
  5. Pin Configuration and Functions
  6. Specifications
    1. 6.1 Absolute Maximum Ratings
    2. 6.2 ESD Ratings
    3. 6.3 Recommended Operating Conditions
    4. 6.4 Thermal Information
    5. 6.5 Electrical Characteristics
    6. 6.6 High-Speed Performance Parameters
    7. 6.7 Switching Characteristics
    8. 6.8 Typical Characteristics
  7. Parameter Measurement Information
  8. Detailed Description
    1. 8.1 Overview
    2. 8.2 Functional Block Diagram
    3. 8.3 Feature Description
      1. 8.3.1 Output Enable and Power Savings
      2. 8.3.2 Data Line Biasing
    4. 8.4 Device Functional Modes
  9. Application and Implementation
    1. 9.1 Application Information
    2. 9.2 Typical Applications
      1. 9.2.1 USB 3.2 Implementation for USB Type-C
        1. 9.2.1.1 Design Requirements
        2. 9.2.1.2 Detailed Design Procedure
        3. 9.2.1.3 Application Curves
      2. 9.2.2 PCIe Lane Muxing
        1. 9.2.2.1 Application Curves
    3. 9.3 Systems Examples
      1. 9.3.1 USB/eSATA
      2. 9.3.2 MIPI Camera Serial Interface
  10. 10Power Supply Recommendations
  11. 11Layout
    1. 11.1 Layout Guidelines
    2. 11.2 Layout Example
  12. 12Device and Documentation Support
    1. 12.1 Receiving Notification of Documentation Updates
    2. 12.2 Support Resources
    3. 12.3 Trademarks
    4. 12.4 Electrostatic Discharge Caution
    5. 12.5 Glossary
  13. 13Mechanical, Packaging, and Orderable Information

Package Options

Mechanical Data (Package|Pins)
Thermal pad, mechanical data (Package|Pins)
Orderable Information

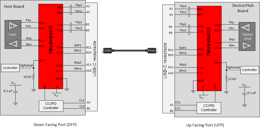
USB 3.2 Implementation for USB Type-C

The TMUXHS4212 can be used in USB Type-C implementation to mux USB 3.2 superspeed signals (TX1 and RX1 pairs versus TX2 and RX2 pairs) to accommodate plug flips. In typical use cases, the mux selection is done by a USB Type-C Channel Configuration (CC) or Power Delivery (PD) controller. The device can used on a USB Type-C DFP, UFP, or DRP port. Figure 9-2 shows two USB Type-C connector applications with both a host and device side. The cable between the two connectors swivels the pairs to properly route the signals to the correct pin. The other applications are more generic because different connectors can be used.

GUID-188F95B5-DE5D-434F-A024-1FAB1DF9900F-low.gifFigure 9-2 USB 3.2 Implementation for USB Type-C Connector