SLVSB90C January   2012  – November 2023 TPS40170-Q1

PRODUCTION DATA  

  1.   1
  2. Features
  3. Applications
  4. Description
  5. Pin Configuration and Functions
  6. Specifications
    1. 5.1 Absolute Maximum Ratings
    2. 5.2 ESD Ratings
    3. 5.3 Recommended Operating Conditions
    4. 5.4 Thermal Information
    5. 5.5 Electrical Characteristics
    6. 5.6 Typical Characteristics
  7. Detailed Description
    1. 6.1 Overview
    2. 6.2 Functional Block Diagram
    3. 6.3 Feature Description
      1. 6.3.1  LDO Linear Regulators and Enable
      2. 6.3.2  Input Undervoltage Lockout (UVLO)
      3. 6.3.3  Equations for Programming the Input UVLO
      4. 6.3.4  Overcurrent Protection and Short-Circuit Protection (OCP and SCP)
      5. 6.3.5  Oscillator and Voltage Feed-Forward
        1. 6.3.5.1 Calculating the Timing Resistance (RRT)
      6. 6.3.6  Feed-Forward Oscillator Timing Diagram
      7. 6.3.7  Soft-Start and Fault-Logic
        1. 6.3.7.1 Soft-Start During Overcurrent Fault
        2. 6.3.7.2 Equations for Soft-Start and Restart Time
      8. 6.3.8  Overtemperature Fault
      9. 6.3.9  Tracking
      10. 6.3.10 Adaptive Drivers
      11. 6.3.11 Start-Up Into Pre-Biased Output
      12. 6.3.12 31
      13. 6.3.13 Power Good (PGOOD)
      14. 6.3.14 PGND and AGND
      15. 6.3.15 Bootstrap Capacitor
      16. 6.3.16 Bypass and Filtering
    4. 6.4 Device Functional Modes
      1. 6.4.1 Frequency Synchronization
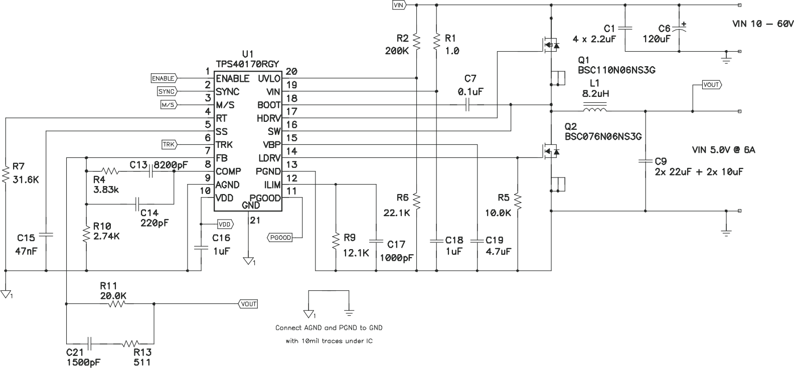
  8. Application and Implementation
    1. 7.1 Application Information
    2. 7.2 Typical Application
      1. 7.2.1 Design Requirements
      2. 7.2.2 Detailed Design Procedure
        1. 7.2.2.1  Select A Switching Frequency
        2. 7.2.2.2  Inductor Selection (L1)
        3. 7.2.2.3  Output Capacitor Selection (C9)
        4. 7.2.2.4  Peak Current Rating of Inductor
        5. 7.2.2.5  Input Capacitor Selection (C1, C6)
        6. 7.2.2.6  MOSFET Switch Selection (Q1, Q2)
        7. 7.2.2.7  Timing Resistor (R7)
        8. 7.2.2.8  UVLO Programming Resistors (R2, R6)
        9. 7.2.2.9  Bootstrap Capacitor (C7)
        10. 7.2.2.10 VIN Bypass Capacitor (C18)
        11. 7.2.2.11 VBP Bypass Capacitor (C19)
        12. 7.2.2.12 SS Timing Capacitor (C15)
        13. 7.2.2.13 ILIM Resistor (R19, C17)
        14. 7.2.2.14 SCP Multiplier Selection (R5)
        15. 7.2.2.15 Feedback Divider (R10, R11)
        16. 7.2.2.16 Compensation: (R4, R13, C13, C14, C21)
      3. 7.2.3 Application Curves
    3. 7.3 Power Supply Recommendations
      1. 7.3.1 Bootstrap Resistor
      2. 7.3.2 SW-Node Snubber Capacitor
      3. 7.3.3 Input Resistor
      4. 7.3.4 LDRV Gate Capacitor
    4. 7.4 Layout
      1. 7.4.1 Layout Guidelines
      2. 7.4.2 Layout Example
  9. Device and Documentation Support
    1. 8.1 Device Support
      1. 8.1.1 Third-Party Products Disclaimer
    2. 8.2 Documentation Support
      1. 8.2.1 Related Documentation
    3. 8.3 Receiving Notification of Documentation Updates
    4. 8.4 Support Resources
    5. 8.5 Trademarks
    6. 8.6 Electrostatic Discharge Caution
    7. 8.7 Glossary
  10. Revision History
  11. 10Mechanical, Packaging, and Orderable Information

Package Options

Mechanical Data (Package|Pins)
Thermal pad, mechanical data (Package|Pins)
Orderable Information

Typical Application

GUID-F87254C1-4676-428C-8DFC-CD9E8C51F555-low.gifFigure 7-1 Design Example Application