SLVS791E November   2007  â€“ July 2016 TPS61160 , TPS61161

PRODUCTION DATA.  

  1. Features
  2. Applications
  3. Description
  4. Revision History
  5. Pin Configuration and Functions
  6. Specifications
    1. 6.1 Absolute Maximum Ratings
    2. 6.2 ESD Ratings
    3. 6.3 Recommended Operating Conditions
    4. 6.4 Thermal Information
    5. 6.5 Electrical Characteristics
    6. 6.6 Timing Requirements
    7. 6.7 Typical Characteristics
      1. 6.7.1 Table Of Graphs
  7. Detailed Description
    1. 7.1 Overview
    2. 7.2 Functional Block Diagram
    3. 7.3 Feature Description
      1. 7.3.1 Soft Start-Up
      2. 7.3.2 Open LED Protection
      3. 7.3.3 Current Program
      4. 7.3.4 LED Brightness Dimming Mode Selection
      5. 7.3.5 Undervoltage Lockout
      6. 7.3.6 Thermal Shutdown
    4. 7.4 Device Functional Modes
      1. 7.4.1 Shutdown
      2. 7.4.2 PWM Brightness Dimming
      3. 7.4.3 Digital One-Wire Brightness Dimming
      4. 7.4.4 External PWM Dimming
    5. 7.5 Programming
      1. 7.5.1 EasyScale: One-Wire Digital Dimming
  8. Application and Implementation Information
    1. 8.1 Application Information
    2. 8.2 Typical Applications
      1. 8.2.1 Typical Application of TPS61161
        1. 8.2.1.1 Design Requirements
        2. 8.2.1.2 Detailed Design Procedure
          1. 8.2.1.2.1 Maximum Output Current
          2. 8.2.1.2.2 Inductor Selection
          3. 8.2.1.2.3 Schottky Diode Selection
          4. 8.2.1.2.4 Compensation Capacitor Selection
          5. 8.2.1.2.5 Input and Output Capacitor Selection
        3. 8.2.1.3 Application Curves
      2. 8.2.2 Li-Ion Driver for 6 White LEDs with External PWM Dimming Network
        1. 8.2.2.1 Design Requirements
        2. 8.2.2.2 Detailed Design Procedure
          1. 8.2.2.2.1 Choosing Component Values
        3. 8.2.2.3 Application Curves
      3. 8.2.3 Li-Ion Driver for 6 White LEDs
        1. 8.2.3.1 Design Requirements
        2. 8.2.3.2 Detailed Design Procedure
        3. 8.2.3.3 Application Curves
      4. 8.2.4 Li-Ion Driver for 8 White LEDs
        1. 8.2.4.1 Design Requirements
        2. 8.2.4.2 Detailed Design Procedure
        3. 8.2.4.3 Application Curves
  9. Power Supply Recommendations
  10. 10Layout
    1. 10.1 Layout Guidelines
    2. 10.2 Layout Example
    3. 10.3 Thermal Considerations
  11. 11Device and Documentation Support
    1. 11.1 Device Support
      1. 11.1.1 Third-Party Products Disclaimer
    2. 11.2 Documentation Support
      1. 11.2.1 Related Documentation
    3. 11.3 Related Links
      1. 11.3.1 Related Links
    4. 11.4 Receiving Notification of Documentation Updates
    5. 11.5 Community Resources
    6. 11.6 Trademarks
    7. 11.7 Electrostatic Discharge Caution
    8. 11.8 Glossary
  12. 12Mechanical, Packaging, and Orderable Information

Package Options

Mechanical Data (Package|Pins)
Thermal pad, mechanical data (Package|Pins)
Orderable Information

7 Detailed Description

7.1 Overview

The TPS61160 and TPS61161 are high-efficiency, high-output voltage boost converters in a small package size. These devices are ideal for driving white LED in series. The serial LED connection provides even illumination by sourcing the same output current through all LEDs, eliminating the need for expensive factory calibration. Each device integrate a 40-V, 0.7-A switch FET and operatea in pulse width modulation (PWM) with 600-kHz fixed switching frequency. For operation see the block diagram. The duty cycle of the converter is set by the error amplifier output and the current signal applied to the PWM control comparator. The control architecture is based on traditional current-mode control; therefore, a slope compensation is added to the current signal to allow stable operation for duty cycles larger than 50%. The feedback loop regulates the FB pin to a low reference voltage (200 mV typical), reducing the power dissipation in the current sense resistor.

7.2 Functional Block Diagram

TPS61160 TPS61161 fbd_lvs791.gif

7.3 Feature Description

7.3.1 Soft Start-Up

Soft-start circuitry is integrated into the device to avoid a high inrush current during start-up. After the device is enabled, the voltage at FB pin ramps up to the reference voltage in 32 steps with each step taking 213 μs. This ensures that the output voltage rises slowly to reduce the input current. Additionally, for the first 5 msec after the COMP voltage ramps, the current limit of the switch is set to half of the normal current limit spec. During this period, the input current is kept below 400 mA (typical). See the start-up waveform of a typical example, Figure 10.

7.3.2 Open LED Protection

Open LED protection circuitry prevents device damage as the result of white LED disconnection. The TPS61160 and TPS61161 monitor the voltage at the SW pin and FB pin during each switching cycle. The circuitry turns off the switch FET and shuts down the device when both of the following conditions persist for 8 switching clock cycles:

  1. The SW voltage exceeds the VOVP threshold; and
  2. The FB voltage is less than half of regulation voltage.

As a result, the output voltage falls to the level of the input supply. The device remains in shutdown mode until it is enabled by toggling the CTRL pin logic. To allow the use of inexpensive low-voltage output capacitor, the TPS61160/1 has different open lamp protection thresholds. The threshold is set at 26 V for the TPS61160 and 38 V for the TPS61161. Select the appropriate device so that the product of the number of external LEDs and each LED's maximum forward voltage plus the 200 mV reference voltage does not exceed the minimum OVP threshold or (nLEDS × VLED(MAX)) + 200 mV ≤ VOVP(MIN).

7.3.3 Current Program

The FB voltage is regulated by a low 0.2-V reference voltage. The LED current is programmed externally using a current-sense resistor in series with the LED string. The value of the RSET is calculated using Equation 1:

Equation 1. TPS61160 TPS61161 q1_iled_lvs791.gif

where

  • ILED = output current of LEDs
  • VFB = regulated voltage of FB
  • RSET = current sense resistor

The output current tolerance depends on the FB accuracy and the current sensor resistor accuracy.

7.3.4 LED Brightness Dimming Mode Selection

The CTRL pin is used for the control input for both dimming modes, PWM dimming and one-wire dimming. The dimming mode for the TPS61160 or TPS61161 is selected each time the device is enabled. The default dimming mode is PWM dimming. To enter the one-wire mode, the following digital pattern on the CTRL pin must be recognized by the device every time the device starts from the shutdown mode.

  1. Pull CTRL pin high to enable the TPS61160 or TPS61161 and to start the one-wire detection window.
  2. After the EasyScale detection delay (tes_delay, 100 μs) expires, drive CTRL low for more than the EasyScale detection time (tes_detect, 260 μs).
  3. The CTRL pin has to be low for more than EasyScale detection time before the EasyScale detection window (tes_win, 1 msec) expires. EasyScale detection window starts from the first CTRL pin low to high transition.

The device immediately enters the one-wire mode once the above three conditions are met. the EasyScale communication can start before the detection window expires. Once the dimming mode is programmed, it can not be changed without another start-up. This means the device needs to be shutdown by pulling the CTRL low for 2.5 ms and restarts. See Figure 12 for a graphical explanation.

TPS61160 TPS61161 dimm_det_lvs791.gif Figure 12. Dimming Mode Detection and Soft Start PWM Brightness Dimming

7.3.5 Undervoltage Lockout

An undervoltage lockout prevents operation of the device at input voltages below typical 2.2 V. When the input voltage is below the undervoltage threshold, the device is shutdown and the internal switch FET is turned off. If the input voltage rises by undervoltage lockout hysteresis, the device restarts.

7.3.6 Thermal Shutdown

An internal thermal shutdown turns off the device when the typical junction temperature of 160°C is exceeded. The device is released from shutdown automatically when the junction temperature decreases by 15°C.

7.4 Device Functional Modes

7.4.1 Shutdown

The TPS61160 or TPS61161 enters shutdown mode when the CTRL voltage is logic low for more than 2.5 ms. During shutdown, the input supply current for the device is less than 1 μA (maximum). Although the internal FET does not switch in shutdown, there is still a DC current path between the input and the LEDs through the inductor and Schottky diode. The minimum forward voltage of the LED array must exceed the maximum input voltage to ensure that the LEDs remain off in shutdown. However, in the typical application with two or more LEDs, the forward voltage is large enough to reverse bias the Schottky and keep leakage current low.

7.4.2 PWM Brightness Dimming

When the CTRL pin is constantly high, the FB voltage is regulated to 200 mV typically. However, the CTRL pin allows a PWM signal to reduce this regulation voltage; therefore, it achieves LED brightness dimming. The relationship between the duty cycle and FB voltage is given by Equation 2.

Equation 2. TPS61160 TPS61161 q2_vfb_lvs791.gif

where

  • Duty = duty cycle of the PWM signal
  • 200 mV = internal reference voltage

As shown in Figure 13, the device chops up the internal 200-mV reference voltage at the duty cycle of the PWM signal. The pulse signal is then filtered by an internal low pass filter. The output of the filter is connected to the error amplifier as the reference voltage for the FB pin regulation. Therefore, although a PWM signal is used for brightness dimming, only the WLED DC current is modulated, which is often referred as analog dimming. This eliminates the audible noise which often occurs when the LED current is pulsed in replica of the frequency and duty cycle of PWM control. Unlike other scheme which filters the PWM signal for analog dimming, TPS61160, TPS61161 regulation voltage is independent of the PWM logic voltage level which often has large variations.

For optimum performance, use the PWM dimming frequency in the range of 5 kHz to 100 kHz. The requirement of minimum dimming frequency comes from the EasyScale detection delay and detection time specification in the dimming mode selection. Since the CTRL pin is logic only pin, adding an external RC filter applied to the pin does not work.

TPS61160 TPS61161 fb_v_bd_lvs791.gif Figure 13. Block Diagram of Programmable FB Voltage Using PWM Signal

To use lower PWM dimming, add an external RC network connected to the FB pin as shown in Figure 19.

7.4.3 Digital One-Wire Brightness Dimming

The CTRL pin features a simple digital interface to allow digital brightness control. The digital dimming can save the processor power and battery life as it does not require a PWM signal all the time, and the processor can enter idle mode if available.

The TPS61160 or TPS61161 adopts the EasyScale protocol for the digital dimming, which can program the FB voltage to any of the 32 steps with single command. The step increment increases with the voltage to produce pseudo logarithmic curve for the brightness step. See the Table 1 for the FB pin voltage steps. The default step is full scale when the device is first enabled (VFB = 200 mV). The programmed reference voltage is stored in an internal register. A power reset clears the register value and reset it to default.

Do not use EasyScale to change the feedback voltage from 0 mV, effectively disabling the device, to any other voltage. One alternative is to start with VFB = 10 mV and go to a higher voltage. Another alternative is to disable the device by taking the CTRL pin low for 2.5 ms and then re-enter EasyScale to force a soft start from VFB = 0 mV to the default 200 mV.

7.4.4 External PWM Dimming

For assistance in selecting the proper values for RSET, R1-R3, RFLTR, CFLTR and D2 for the specific application, refer to How to Use Analog Dimming With the TPS6116x (SLVA471) and/or Design Tool for Analog Dimming Using a PWM Signal (SLVC366). Also see Choosing Component Values.

7.5 Programming

7.5.1 EasyScale: One-Wire Digital Dimming

EasyScale is a simple but flexible one pin interface to configure the FB voltage. The interface is based on a master-slave structure, where the master is typically a microcontroller or application processor. Figure 14 and Table 2 give an overview of the protocol. The protocol consists of a device specific address byte and a data byte. The device specific address byte is fixed to 72 hex. The data byte consists of five bits for information, two address bits, and the RFA bit. The RFA bit set to high indicates the Request for Acknowledge condition. The Acknowledge condition is only applied if the protocol was received correctly. The advantage of EasyScale compared with other one-pin interfaces is that its bit detection is in a large extent independent from the bit transmission rate. It can automatically detect bit rates from 1.7 kBit/sec and up to 160 kBit/sec.

Table 1. Selectable FB Voltages(1)

FB voltage (mV) D4 D3 D2 D1 D0
0 0 0 0 0 0 0
1 5 0 0 0 0 1
2 8 0 0 0 1 0
3 11 0 0 0 1 1
4 14 0 0 1 0 0
5 17 0 0 1 0 1
6 20 0 0 1 1 0
7 23 0 0 1 1 1
8 26 0 1 0 0 0
9 29 0 1 0 0 1
10 32 0 1 0 1 0
11 35 0 1 0 1 1
12 38 0 1 1 0 0
13 44 0 1 1 0 1
14 50 0 1 1 1 0
15 56 0 1 1 1 1
16 62 1 0 0 0 0
17 68 1 0 0 0 1
18 74 1 0 0 1 0
19 80 1 0 0 1 1
20 86 1 0 1 0 0
21 92 1 0 1 0 1
22 98 1 0 1 1 0
23 104 1 0 1 1 1
24 116 1 1 0 0 0
25 128 1 1 0 0 1
26 140 1 1 0 1 0
27 152 1 1 0 1 1
28 164 1 1 1 0 0
29 176 1 1 1 0 1
30 188 1 1 1 1 0
31 200 1 1 1 1 1
TPS61160 TPS61161 scale_lvs791.gif Figure 14. EasyScale Protocol Overview

Table 2. EasyScale Bit Descriptions

BYTE BIT NUMBER NAME TRANSMISSION DIRECTION DESCRIPTION
Device Address Byte
72 hex
7 DA7 IN 0 MSB device address
6 DA6 1
5 DA5 1
4 DA4 1
3 DA3 0
2 DA2 0
1 DA1 1
0 DA0 0 LSB device address
Data byte 7 (MSB) RFA IN Request for acknowledge. If high, acknowledge is applied by device
6 A1 0 Address bit 1
5 A0 0 Address bit 0
4 D4 Data bit 4
3 D3 Data bit 3
2 D2 Data bit 2
1 D1 Data bit 1
0 (LSB) D0 Data bit 0
ACK OUT Acknowledge condition active 0, this condition will only be applied in case RFA bit is set. Open drain output, Line needs to be pulled high by the host with a pullup resistor. This feature can only be used if the master has an open drain output stage. In case of a push pull output stage Acknowledge condition may not be requested!
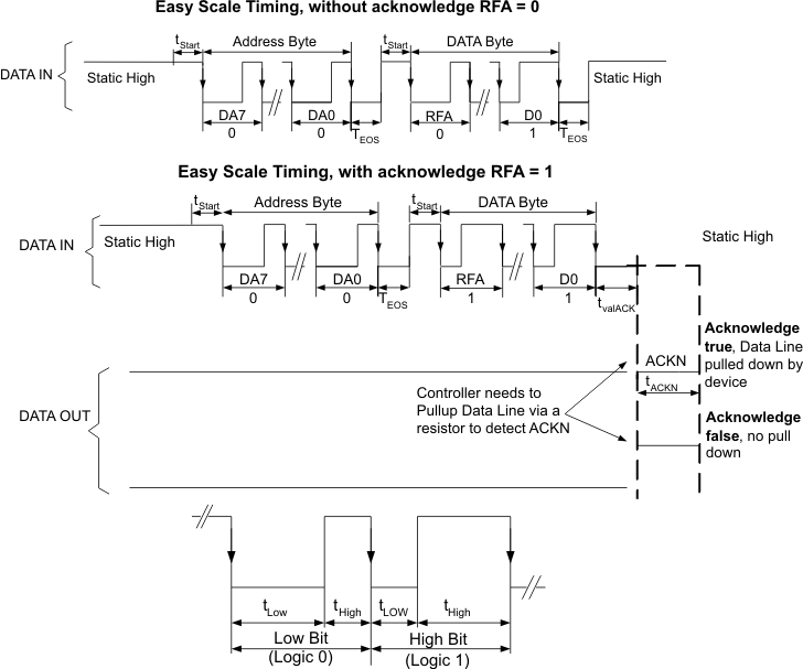
TPS61160 TPS61161 bit_coding_lvs791.gif Figure 15. EasyScale Bit Coding

All bits are transmitted MSB first and LSB last. Figure 15 shows the protocol without acknowledge request (Bit RFA = 0) as well as the with acknowledge (Bit RFA = 1) request. Prior to both bytes, device address byte and data byte, a start condition must be applied. For this, the CTRL pin must be pulled high for at least tstart (2 μs) before the bit transmission starts with the falling edge. If the CTRL pin is already at high level, no start condition is needed prior to the device address byte. The transmission of each byte is closed with an End-of-Stream condition for at least tEOS (2 μs).

The bit detection is based on a Logic Detection scheme, where the criterion is the relation between tLOW and tHIGH. It can be simplified to:

High Bit: tHIGH > tLOW, but with tHIGH at least 2 × tLOW, see Figure 15.

Low Bit: tHIGH < tLOW, but with tLOW at least 2 × tHIGH, see Figure 15.

The bit detection starts with a falling edge on the CTRL pin and ends with the next falling edge. Depending on the relation between tHIGH and tLOW, the logic 0 or 1 is detected.

The acknowledge condition is only applied if:

  • Acknowledge is requested by a set RFA bit.
  • The transmitted device address matches with the device address of the device.
  • 16 bits is received correctly.

If the device turns on the internal ACKN-MOSFET and pulls the CTRL pin low for the time tACKN, which is 512 μs maximum then the Acknowledge condition is valid after an internal delay time tvalACK. This means that the internal ACKN-MOSFET is turned on after tvalACK, when the last falling edge of the protocol was detected. The master controller keeps the line low in this period. The master device can detect the acknowledge condition with its input by releasing the CTRL pin after tvalACK and read back a logic 0. The CTRL pin can be used again after the acknowledge condition ends.

Note that the acknowledge condition may only be requested in case the master device has an open drain output. For a push-pull output stage, the use a series resistor in the CRTL line to limit the current to 500 μA is recommended to for such cases as:

  • an accidentally requested acknowledge, or
  • to protect the internal ACKN-MOSFET.