SNVSAF4C October   2015  – February 2021 TPS61193

PRODUCTION DATA  

  1. Features
  2. Applications
  3. Description
  4. Revision History
  5. Pin Configuration and Functions
  6. Specifications
    1. 6.1  Absolute Maximum Ratings
    2. 6.2  ESD Ratings
    3. 6.3  Recommended Operating Conditions
    4. 6.4  Thermal Information
    5. 6.5  Electrical Characteristics (1) (1)
    6. 6.6  Internal LDO Electrical Characteristics
    7. 6.7  Protection Electrical Characteristics
    8. 6.8  Current Sinks Electrical Characteristics
    9. 6.9  PWM Brightness Control Electrical Characteristics
    10. 6.10 Boost and SEPIC Converter Characteristics
    11. 6.11 Logic Interface Characteristics
    12. 6.12 Typical Characteristics
  7. Detailed Description
    1. 7.1 Overview
    2. 7.2 Functional Block Diagram
    3. 7.3 Feature Description
      1. 7.3.1 Integrated DC-DC Converter
      2. 7.3.2 Internal LDO
      3. 7.3.3 LED Current Sinks
        1. 7.3.3.1 Output Configuration
        2. 7.3.3.2 Current Setting
        3. 7.3.3.3 Brightness Control
      4. 7.3.4 Protection and Fault Detections
        1. 7.3.4.1 Adaptive DC-DC Voltage Control and Functionality of LED Fault Comparators
        2. 7.3.4.2 Overview of the Fault/Protection Schemes
    4. 7.4 Device Functional Modes
      1. 7.4.1 Device States
  8. Application and Implementation
    1. 8.1 Application Information
    2. 8.2 Typical Applications
      1. 8.2.1 Typical Application for 3 LED Strings
        1. 8.2.1.1 Design Requirements
        2. 8.2.1.2 Detailed Design Procedure
          1. 8.2.1.2.1 Inductor Selection
          2. 8.2.1.2.2 Output Capacitor Selection
          3. 8.2.1.2.3 Input Capacitor Selection
          4. 8.2.1.2.4 LDO Output Capacitor
          5. 8.2.1.2.5 Diode
        3. 8.2.1.3 Application Curves
      2. 8.2.2 SEPIC Mode Application
        1. 8.2.2.1 Design Requirements
        2. 8.2.2.2 Detailed Design Procedure
          1. 8.2.2.2.1 Inductor
          2. 8.2.2.2.2 Diode
          3. 8.2.2.2.3 Capacitor C1
        3. 8.2.2.3 Application Curves
  9. Power Supply Recommendations
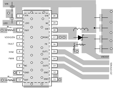
  10. 10Layout
    1. 10.1 Layout Guidelines
    2. 10.2 Layout Example
  11. 11Device and Documentation Support
    1. 11.1 Device Support
      1. 11.1.1 Development Support
    2. 11.2 Documentation Support
      1. 11.2.1 Related Documentation
    3. 11.3 Receiving Notification of Documentation Updates
    4. 11.4 Support Resources
    5. 11.5 Trademarks
    6. 11.6 Electrostatic Discharge Caution
    7. 11.7 Glossary
  12. 12Mechanical, Packaging, and Orderable Information

Package Options

Mechanical Data (Package|Pins)
Thermal pad, mechanical data (Package|Pins)
Orderable Information

Layout Example

GUID-CD776334-1D35-4336-8F20-0666051AD595-low.gifFigure 10-1 TPS61193 Boost Layout