SLVSFJ0B March   2021  – October 2021 TPS61379-Q1

PRODUCTION DATA  

  1. Features
  2. Applications
  3. Description
  4. Revision History
  5. Device Comparison Table
  6. Pin Configuration and Functions
  7. Specifications
    1. 7.1 Absolute Maximum Ratings
    2. 7.2 ESD Ratings
    3. 7.3 Recommended Operating Conditions
    4. 7.4 Thermal Information
    5. 7.5 Electrical Characteristics
    6. 7.6 Typical Characteristics
  8. Detailed Description
    1. 8.1 Overview
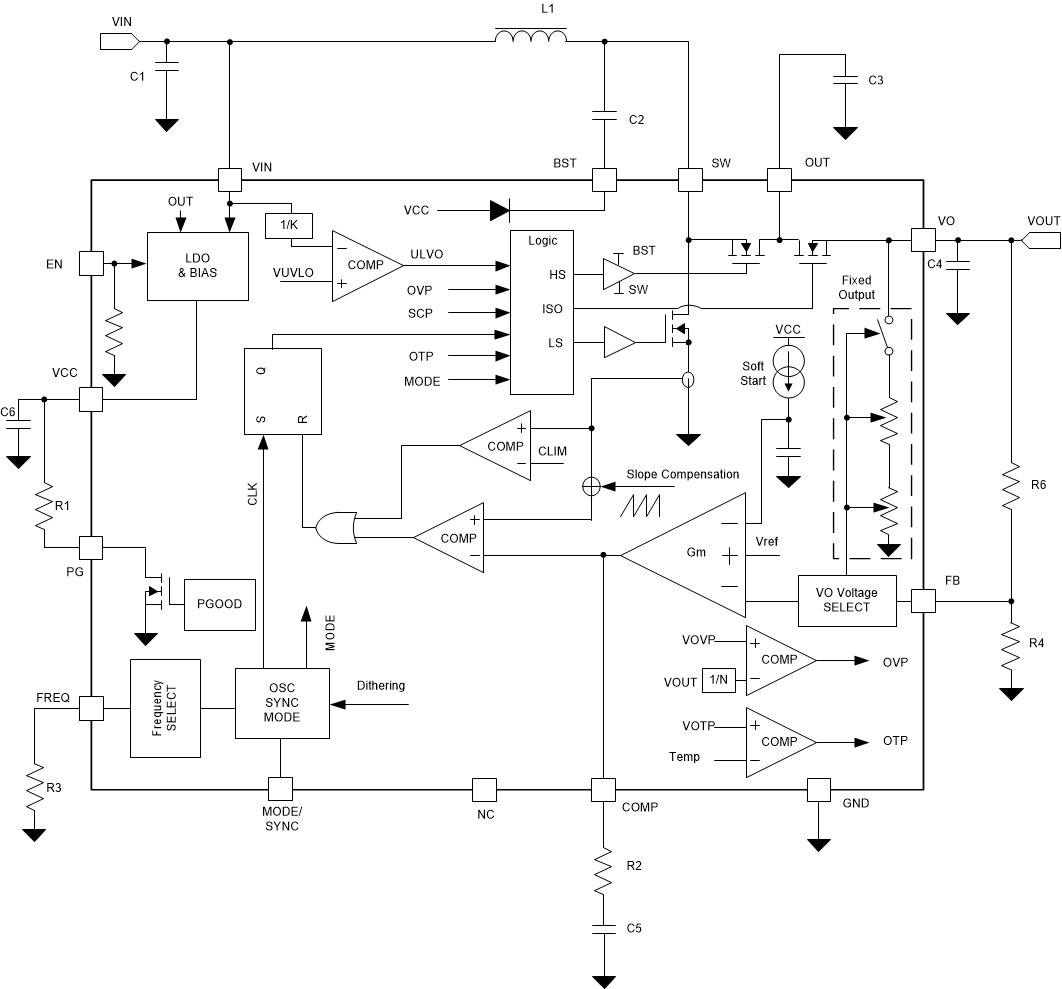
    2. 8.2 Functional Block Diagrams
    3. 8.3 Feature Description
      1. 8.3.1  VCC Power Supply
      2. 8.3.2  Input Undervoltage Lockout (UVLO)
      3. 8.3.3  Enable and Soft Start
      4. 8.3.4  Shut Down
      5. 8.3.5  Switching Frequency Setting
      6. 8.3.6  Spread Spectrum Frequency Modulation
      7. 8.3.7  Bootstrap
      8. 8.3.8  Load Disconnect
      9. 8.3.9  MODE/SYNC Configuration
      10. 8.3.10 Overvoltage Protection (OVP)
      11. 8.3.11 Output Short Protection/Hiccup
      12. 8.3.12 Power-Good Indicator
      13. 8.3.13 Thermal Shutdown
    4. 8.4 Device Functional Modes
      1. 8.4.1 Forced PWM Mode
      2. 8.4.2 Auto PFM Mode
      3. 8.4.3 External Clock Synchronization
      4. 8.4.4 Down Mode
  9. Application and Implementation
    1. 9.1 Application Information
    2. 9.2 Typical Application
      1. 9.2.1 Design Requirements
      2. 9.2.2 Detailed Design Procedure
        1. 9.2.2.1 Programming the Output Voltage
        2. 9.2.2.2 Setting the Switching Frequency
        3. 9.2.2.3 Selecting the Inductor
        4. 9.2.2.4 Selecting the Output Capacitors
        5. 9.2.2.5 Selecting the Input Capacitors
        6. 9.2.2.6 Loop Stability and Compensation
          1. 9.2.2.6.1 Small Signal Model
          2. 9.2.2.6.2 Loop Compensation Design Steps
          3. 9.2.2.6.3 Selecting the Bootstrap Capacitor
          4. 9.2.2.6.4 VCC Capacitor
      3. 9.2.3 Application Curves
  10. 10Power Supply Recommendations
  11. 11Layout
    1. 11.1 Layout Guidelines
    2. 11.2 Layout Example
  12. 12Device and Documentation Support
    1. 12.1 Device Support
      1. 12.1.1 Third-Party Products Disclaimer
    2. 12.2 Receiving Notification of Documentation Updates
    3. 12.3 Support Resources
    4. 12.4 Trademarks
    5. 12.5 Glossary
    6. 12.6 Electrostatic Discharge Caution
  13. 13Mechanical, Packaging, and Orderable Information

Package Options

Mechanical Data (Package|Pins)
Thermal pad, mechanical data (Package|Pins)
Orderable Information

Functional Block Diagrams

GUID-20210107-CA0I-TMRJ-CFJ1-DNKBTMBRGSW4-low.gif