SLVSDC2C February   2016  – August 2021 TPS65981

PRODUCTION DATA  

  1. Features
  2. Applications
  3. Description
  4. Revision History
  5. Description (continued)
  6. Pin Configuration and Functions
  7. Specifications
    1. 7.1  Absolute Maximum Ratings
    2. 7.2  ESD Ratings
    3. 7.3  Recommended Operating Conditions
    4. 7.4  Thermal Information
    5. 7.5  Power Supply Requirements and Characteristics
    6. 7.6  Power Supervisor Characteristics
    7. 7.7  Power Consumption Characteristics
    8. 7.8  Cable Detection Characteristics
    9. 7.9  USB-PD Baseband Signal Requirements and Characteristics
    10. 7.10 USB-PD TX Driver Voltage Adjustment Parameter
    11. 7.11 Port Power Switch Characteristics
    12. 7.12 Port Data Multiplexer Switching Characteristics
    13. 7.13 Port Data Multiplexer Clamp Characteristics
    14. 7.14 Port Data Multiplexer SBU Detection Requirements
    15. 7.15 Port Data Multiplexer Signal Monitoring Pullup and Pulldown Characteristics
    16. 7.16 Port Data Multiplexer USB Endpoint Requirements and Characteristics
    17. 7.17 Port Data Multiplexer BC1.2 Detection Requirements and Characteristics
    18. 7.18 Analog-to-Digital Converter (ADC) Characteristics
    19. 7.19 Input-Output (I/O) Requirements and Characteristics
    20. 7.20 I2C Slave Requirements and Characteristics
    21. 7.21 SPI Controller Characteristics
    22. 7.22 BUSPOWERZ Configuration Requirements
    23. 7.23 Single-Wire Debugger (SWD) Timing Requirements
    24. 7.24 Thermal Shutdown Characteristics
    25. 7.25 HPD Timing Requirements and Characteristics
    26. 7.26 Oscillator Requirements and Characteristics
    27. 7.27 Typical Characteristics
  8. Parameter Measurement Information
  9. Detailed Description
    1. 9.1 Overview
    2. 9.2 Functional Block Diagram
    3. 9.3 Feature Description
      1. 9.3.1  USB-PD Physical Layer
        1. 9.3.1.1 USB-PD Encoding and Signaling
        2. 9.3.1.2 USB-PD Bi-Phase Marked Coding
        3. 9.3.1.3 USB-PD Transmit (TX) and Receive (Rx) Masks
        4. 9.3.1.4 USB-PD BMC Transmitter
        5. 9.3.1.5 USB-PD BMC Receiver
      2. 9.3.2  Cable Plug and Orientation Detection
        1. 9.3.2.1 Configured as a DFP
        2. 9.3.2.2 Configured as a UFP
        3. 9.3.2.3 Dead-Battery or No-Battery Support
      3. 9.3.3  Port Power Switches
        1. 9.3.3.1  5-V Power Delivery
        2. 9.3.3.2  5V Power Switch as a Source
        3. 9.3.3.3  PP_5V0 Current Sense
        4. 9.3.3.4  PP_5V0 Current Limit
        5. 9.3.3.5  Internal HV Power Delivery
        6. 9.3.3.6  Internal HV Power Switch as a Source
        7. 9.3.3.7  Internal HV Power Switch as a Sink
        8. 9.3.3.8  Internal HV Power Switch Current Sense
        9. 9.3.3.9  Internal HV Power Switch Current Limit
        10. 9.3.3.10 External HV Power Delivery
        11. 9.3.3.11 External HV Power Switch as a Source with RSENSE
        12. 9.3.3.12 External HV Power Switch as a Sink With RSENSE
        13. 9.3.3.13 External HV Power Switch as a Sink Without RSENSE
        14. 9.3.3.14 External Current Sense
        15. 9.3.3.15 External Current Limit
        16. 9.3.3.16 Soft Start
        17. 9.3.3.17 BUSPOWERZ
        18. 9.3.3.18 Voltage Transitions on VBUS through Port Power Switches
        19. 9.3.3.19 HV Transition to PP_RV0 Pull-down on VBUS
        20. 9.3.3.20 VBUS Transition to VSAFE0V
        21. 9.3.3.21 C_CC1 and C_CC2 Power Configuration and Power Delivery
        22. 9.3.3.22 PP_CABLE to C_CC1 and C_CC2 Switch Architecture
        23. 9.3.3.23 PP_CABLE to C_CC1 and C_CC2 Current Limit
      4. 9.3.4  USB Type-C® Port Data Multiplexer
        1. 9.3.4.1 USB Top and Bottom Ports
        2. 9.3.4.2 Multiplexer Connection Orientation
        3. 9.3.4.3 SBU Crossbar Multiplexer
        4. 9.3.4.4 Signal Monitoring and Pull-up and Pull-down
        5. 9.3.4.5 Port Multiplexer Clamp
        6. 9.3.4.6 USB2.0 Low-Speed Endpoint
        7. 9.3.4.7 Battery Charger (BC1.2) Detection Block
        8. 9.3.4.8 BC1.2 Data Contact Detect
        9. 9.3.4.9 BC1.2 Primary and Secondary Detection
      5. 9.3.5  Power Management
        1. 9.3.5.1 Power-On and Supervisory Functions
        2. 9.3.5.2 Supply Switch-Over
        3. 9.3.5.3 RESETZ and MRESET
      6. 9.3.6  Digital Core
      7. 9.3.7  USB-PD BMC Modem Interface
      8. 9.3.8  System Glue Logic
      9. 9.3.9  Power Reset Congrol Module (PRCM)
      10. 9.3.10 Interrupt Monitor
      11. 9.3.11 ADC Sense
      12. 9.3.12 I2C Slave
      13. 9.3.13 SPI Controller
      14. 9.3.14 Single-Wire Debugger Interface
      15. 9.3.15 DisplayPort HPD Timers
      16. 9.3.16 ADC
        1. 9.3.16.1 ADC Divider Ratios
        2. 9.3.16.2 ADC Operating Modes
        3. 9.3.16.3 Single Channel Readout
        4. 9.3.16.4 Round-Robin Automatic Readout
        5. 9.3.16.5 One Time Automatic Readout
      17. 9.3.17 I/O Buffers
        1. 9.3.17.1 IOBUF_GPIOLS and IOBUF_GPIOLSI2C
        2. 9.3.17.2 IOBUF_OD
        3. 9.3.17.3 IOBUF_PORT
        4. 9.3.17.4 IOBUF_I2C
        5. 9.3.17.5 IOBUF_GPIOHSPI
        6. 9.3.17.6 IOBUF_GPIOHSSWD
      18. 9.3.18 Thermal Shutdown
      19. 9.3.19 Oscillators
    4. 9.4 Device Functional Modes
      1. 9.4.1 Boot Code
      2. 9.4.2 Initialization
      3. 9.4.3 I2C Configuration
      4. 9.4.4 Dead-Battery Condition
      5. 9.4.5 Application Code
      6. 9.4.6 Flash Memory Read
      7. 9.4.7 Invalid Flash Memory
    5. 9.5 Programming
      1. 9.5.1 SPI Controller Interface
      2. 9.5.2 I2C Slave Interface
        1. 9.5.2.1 I2C Interface Description
        2. 9.5.2.2 I2C Clock Stretching
        3. 9.5.2.3 I2C Address Setting
        4. 9.5.2.4 Unique Address Interface
        5. 9.5.2.5 I2C Pin Address Setting
  10. 10Application and Implementation
    1. 10.1 Application Information
    2. 10.2 Typical Applications
      1. 10.2.1 Fully-Featured USB Type-C® and PD Charger Application
        1. 10.2.1.1 Design Requirements
          1. 10.2.1.1.1 External FET Path Components (PP_EXT and RSENSE)
        2. 10.2.1.2 Detailed Design Procedure
          1. 10.2.1.2.1 TPS65981 External Flash
          2. 10.2.1.2.2 Debug Control (DEBUG_CTL) and I2C (I2C) Resistors
          3. 10.2.1.2.3 Oscillator (R_OSC) Resistor
          4. 10.2.1.2.4 VBUS Capacitor and Ferrite Bead
          5. 10.2.1.2.5 Soft Start (SS) Capacitor
          6. 10.2.1.2.6 USB Top (C_USB_T), USB Bottom (C_USB_B), and Sideband-Use (SBU) Connections
          7. 10.2.1.2.7 Port Power Switch (PP_EXT, PP_HV, PP_5V0, and PP_CABLE) Capacitors
          8. 10.2.1.2.8 Cable Connection (CCn) Capacitors and RPD_Gn Connections
          9. 10.2.1.2.9 LDO_3V3, LDO_1V8A, LDO_1V8D, LDO_BMC, VIN_3V3, and VDDIO
        3. 10.2.1.3 Application Curve
      2. 10.2.2 USB Type-C® and PD Dock or Monitor Application
        1. 10.2.2.1 Design Requirements
        2. 10.2.2.2 Detailed Design Procedure
          1. 10.2.2.2.1 Port Power Switch (PP_5V0 and PP_CABLE) Capacitors
          2. 10.2.2.2.2 HD3SS460 Control and DisplayPort Configuration
          3. 10.2.2.2.3 AC-DC Power Supply (Barrel Jack) Detection Circuitry
          4. 10.2.2.2.4 TPS65981 Control of Variable Buck Regulator Output Voltage (PP_HV)
          5. 10.2.2.2.5 TPS65981 and System Controller Interaction
        3. 10.2.2.3 Application Curves
  11. 11Power Supply Recommendations
    1. 11.1 3.3 V Power
      1. 11.1.1 VIN_3V3 Input Switch
      2. 11.1.2 VBUS 3.3-V LDO
    2. 11.2 1.8 V Core Power
      1. 11.2.1 1.8 V Digital LDO
      2. 11.2.2 1.8 V Analog LDO
    3. 11.3 VDDIO
      1. 11.3.1 Recommended Supply Load Capacitance
      2. 11.3.2 Schottky for Current Surge Protection
  12. 12Layout
    1. 12.1 Layout Guidelines
      1. 12.1.1  TPS65981 Recommended Footprint
      2. 12.1.2  Top TPS65981 Placement and Bottom Component Placement and Layout
      3. 12.1.3  Component Placement
      4. 12.1.4  Designs Rules and Guidance
      5. 12.1.5  Routing PP_HV, PP_EXT, PP_5V0, and VBUS
      6. 12.1.6  Routing Top and Bottom Passive Components
      7. 12.1.7  Thermal Pad Via Placement
      8. 12.1.8  Top Layer Routing
      9. 12.1.9  Inner Signal Layer Routing
      10. 12.1.10 Bottom Layer Routing
    2. 12.2 Layout Example
  13. 13Device and Documentation Support
    1. 13.1 Device Support
      1. 13.1.1 Development Support
    2. 13.2 Documentation Support
      1. 13.2.1 Related Documentation
    3. 13.3 Receiving Notification of Documentation Updates
    4. 13.4 Support Resources
    5. 13.5 Trademarks
    6. 13.6 Electrostatic Discharge Caution
    7. 13.7 Glossary
  14. 14Mechanical, Packaging, and Orderable Information

Package Options

Refer to the PDF data sheet for device specific package drawings

Mechanical Data (Package|Pins)
  • RTQ|56
Thermal pad, mechanical data (Package|Pins)
Orderable Information

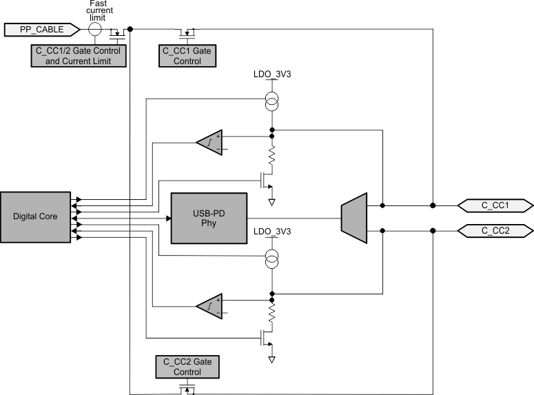
USB-PD Physical Layer

Figure 9-1 shows the USB PD physical layer block surrounded by a simplified version of the analog plug and orientation detection block.

GUID-B9AEEF2E-74F5-45D8-90C4-F5D37C036AD8-low.gifFigure 9-1 USB-PD Physical Layer and Simplified Plug and Orientation Detection Circuitry

USB-PD messages are transmitted in a USB Type-C system using a BMC signaling. The BMC signal is output on the same pin (C_CC1 or C_CC2) that is DC biased because of the DFP (or UFP) cable attach mechanism discussed in the Cable Plug and Orientation Detection section.