SLVSDQ0K September   2017  – September 2025 TPS7B82-Q1

PRODUCTION DATA  

  1.   1
  2. Features
  3. Applications
  4. Description
  5. Pin Configuration and Functions
  6. Specifications
    1. 5.1 Absolute Maximum Ratings
    2. 5.2 ESD Ratings
    3. 5.3 Recommended Operating Conditions
    4. 5.4 Thermal Information
    5. 5.5 Electrical Characteristics: Grade 1 Options
    6. 5.6 Electrical Characteristics: Grade 0 Options
    7. 5.7 Typical Characteristics
  7. Detailed Description
    1. 6.1 Overview
    2. 6.2 Functional Block Diagram
    3. 6.3 Feature Description
      1. 6.3.1 Device Enable (EN)
      2. 6.3.2 Undervoltage Shutdown
      3. 6.3.3 Current Limit
      4. 6.3.4 Thermal Shutdown
    4. 6.4 Device Functional Modes
      1. 6.4.1 Operation With VIN Lower Than 3 V
      2. 6.4.2 Operation With VIN Larger Than 3 V
  8. Application and Implementation
    1. 7.1 Application Information
    2. 7.2 Typical Application
      1. 7.2.1 Design Requirements
      2. 7.2.2 Detailed Design Procedure
        1. 7.2.2.1 Input Capacitor
        2. 7.2.2.2 Output Capacitor
      3. 7.2.3 Application Curve
    3. 7.3 Power Supply Recommendations
    4. 7.4 Layout
      1. 7.4.1 Layout Guidelines
      2. 7.4.2 Layout Example
  9. Device and Documentation Support
    1. 8.1 Device Nomenclature
    2. 8.2 Receiving Notification of Documentation Updates
    3. 8.3 Support Resources
    4. 8.4 Trademarks
    5. 8.5 Electrostatic Discharge Caution
    6. 8.6 Glossary
  10. Revision History
  11. 10Mechanical, Packaging, and Orderable Information

Package Options

Mechanical Data (Package|Pins)
Thermal pad, mechanical data (Package|Pins)
Orderable Information

Description

In automotive battery-connected applications, low quiescent current (IQ) is important to save power and extend battery lifetime. Ultra-low IQ must be included for always-on systems.

The TPS7B82-Q1 is a low-dropout linear regulator designed to operate with a wide input-voltage range from 3V to 40V (45V load dump protection). Operation down to 3V allows the TPS7B82-Q1 to continue operating during cold-crank and start and stop conditions. With only 2.7µA typical quiescent current at light load, this device is an optimum design for powering microcontrollers (MCUs) and CAN/LIN transceivers in standby systems.

The device features integrated short-circuit and overcurrent protection. This device operates in ambient temperatures from –40°C to +125°C and with junction temperatures from –40°C to +150°C. Additionally, this device uses a thermally conductive package to enable sustained operation despite significant dissipation across the device. Because of these features, the device is designed as a power supply for various automotive applications.

Package Information
PART NUMBER PACKAGE(1) PACKAGE SIZE(2)
TPS7B82-Q1 DGN (HVSSOP, 8) 3mm × 4.9mm
DRV (WSON, 6) 2mm × 2mm
DRV (WSON wettable flank, 6) 2mm × 2mm
KVU (TO-252, 5) 6.6mm × 10.11mm
PWP (HTSSOP, 14) 5mm × 6.4mm
For all available packages, see the orderable addendum at the end of the data sheet.
The package size (length × width) is a nominal value and includes pins, where applicable.
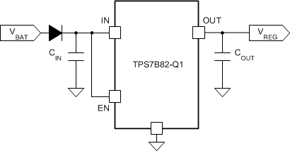
TPS7B82-Q1 Typical Application Schematic Typical Application Schematic