SLUS161G April 1999 – April 2025 UCC2813-0 , UCC2813-1 , UCC2813-2 , UCC2813-3 , UCC2813-4 , UCC2813-5 , UCC3813-0 , UCC3813-1 , UCC3813-2 , UCC3813-3 , UCC3813-4 , UCC3813-5
PRODUCTION DATA
Refer to the PDF data sheet for device specific package drawings
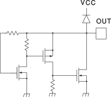
The self-biasing, active-low clamp circuit shown in Figure 7-2 eliminates the potential for problematic MOSFET turnon. As the PWM output voltage rises while in UVLO, the P-channel device drives the larger N-channel switch ON, which clamps the output voltage low. Power to this circuit is supplied by the externally rising gate voltage, so full protection is available regardless of the device's supply voltage during undervoltage lockout.
Figure 7-2 Internal Circuit Holding OUT Low During UVLO
Figure 7-3 OUT Voltage vs OUT Current During UVLO