JAJSG65B September   2018  – December 2018 ADS1278-SP

PRODUCTION DATA.  

  1. 特長
  2. アプリケーション
  3. 概要
    1.     Device Images
      1.      概略回路図
  4. 改訂履歴
  5. 概要(続き)
  6. Pin Configuration and Functions
    1.     Pin Functions
  7. Specifications
    1. 7.1 Absolute Maximum Ratings
    2. 7.2 ESD Ratings
    3. 7.3 Recommended Operating Conditions
    4. 7.4 Thermal Information
    5. 7.5 Electrical Characteristics
    6. 7.6 Timing Requirements: SPI Format
    7. 7.7 Timing Requirements: Frame-Sync Format
    8. 7.8 Quality Conformance Inspection
    9. 7.9 Typical Characteristics
  8. Detailed Description
    1. 8.1 Overview
    2. 8.2 Functional Block Diagram
    3. 8.3 Feature Description
      1. 8.3.1  Sampling Aperture Matching
      2. 8.3.2  Frequency Response
        1. 8.3.2.1 High-Speed, Low-Power, And Low-Speed Modes
        2. 8.3.2.2 High-Resolution Mode
      3. 8.3.3  Phase Response
      4. 8.3.4  Settling Time
      5. 8.3.5  Data Format
      6. 8.3.6  Analog Inputs (AINP, AINN)
      7. 8.3.7  Voltage Reference Inputs (VREFP, VREFN)
      8. 8.3.8  Clock Input (CLK)
      9. 8.3.9  Mode Selection (MODE)
      10. 8.3.10 Synchronization (SYNC)
      11. 8.3.11 Power-Down (PWDN)
      12. 8.3.12 Format[2:0]
      13. 8.3.13 Serial Interface Protocols
      14. 8.3.14 SPI Serial Interface
        1. 8.3.14.1 SCLK
        2. 8.3.14.2 DRDY/FSYNC (SPI Format)
        3. 8.3.14.3 DOUT
        4. 8.3.14.4 DIN
      15. 8.3.15 Frame-Sync Serial Interface
        1. 8.3.15.1 SCLK
        2. 8.3.15.2 DRDY/FSYNC (Frame-Sync Format)
        3. 8.3.15.3 DOUT
        4. 8.3.15.4 DIN
      16. 8.3.16 DOUT Modes
        1. 8.3.16.1 TDM Mode
        2. 8.3.16.2 TDM Mode, Fixed-Position Data
        3. 8.3.16.3 TDM Mode, Dynamic Position Data
        4. 8.3.16.4 Discrete Data Output Mode
      17. 8.3.17 Daisy-Chaining
      18. 8.3.18 Modulator Output
      19. 8.3.19 Pin Test Using Test[1:0] Inputs
      20. 8.3.20 VCOM Output
    4. 8.4 Device Functional Modes
  9. Application and Implementation
    1. 9.1 Application Information
    2. 9.2 Typical Application
      1. 9.2.1 Design Requirements
      2. 9.2.2 Detailed Design Procedure
      3. 9.2.3 Application Curve
  10. 10Power Supply Recommendations
  11. 11Layout
    1. 11.1 Layout Guidelines
    2. 11.2 Layout Example
  12. 12デバイスおよびドキュメントのサポート
    1. 12.1 ドキュメントの更新通知を受け取る方法
    2. 12.2 コミュニティ・リソース
    3. 12.3 商標
    4. 12.4 静電気放電に関する注意事項
    5. 12.5 Glossary
  13. 13メカニカル、パッケージ、および注文情報

パッケージ・オプション

メカニカル・データ(パッケージ|ピン)
サーマルパッド・メカニカル・データ
発注情報

Synchronization (SYNC)

The ADS1278-SP can be synchronized by pulsing the SYNC pin low and then returning the pin high. When the pin goes low, the conversion process stops, and the internal counters used by the digital filter are reset. When the SYNC pin returns high, the conversion process restarts. Synchronization allows the conversion to be aligned with an external event, such as the changing of an external multiplexer on the analog inputs, or by a reference timing pulse.

Because the ADS1278-SP converters operate in parallel from the same master clock and use the same SYNC input control, they are always in synchronization with each other. The aperture match among internal channels is typically less than 500 ps. However, the synchronization of multiple devices is somewhat different. At device power-on, variations in internal reset thresholds from device to device may result in uncertainty in conversion timing.

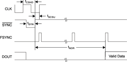
The SYNC pin can be used to synchronize multiple devices to within the same CLK cycle. Figure 69 illustrates the timing requirement of SYNC and CLK in SPI format.

See Figure 70 for the Frame-Sync format timing requirement.

After synchronization, indication of valid data depends on whether SPI or Frame-Sync format was used.

In the SPI format, DRDY goes high as soon as SYNC is taken low; see Figure 69. After SYNC is returned high, DRDY stays high while the digital filter is settling. Once valid data are ready for retrieval, DRDY goes low.

In the Frame-Sync format, DOUT goes low as soon as SYNC is taken low; see Figure 70. After SYNC is returned high, DOUT stays low while the digital filter is settling. Once valid data are ready for retrieval, DOUT begins to output valid data. For proper synchronization, FSYNC, SCLK, and CLK must be established before taking SYNC high, and must then remain running. If the clock inputs (CLK, FSYNC or SCLK) are subsequently interrupted or reset, re-assert the SYNC pin.

For consistent performance, re-assert SYNC after device power-on when data first appear.

ADS1278-SP ai_sync_spi-bas367.gifFigure 69. Synchronization Timing (SPI Protocol)

Table 8. SPI Protocol

SYMBOL DESCRIPTION MIN TYP MAX UNITS
tCSHD CLK to SYNC hold time 10 ns
tSCSU SYNC to CLK setup time 5 ns
tSYN Synchronize pulse width 1 CLK periods
tNDR Time for new data to be ready 129 Conversions (1/fDATA)
ADS1278-SP ai_sync_fs-bas367.gifFigure 70. Synchronization Timing (Frame-Sync Protocol)

Table 9. Frame-Sync Protocol

SYMBOL DESCRIPTION MIN TYP MAX UNITS
tCSHD CLK to SYNC hold time 10 ns
tSCSU SYNC to CLK setup time 5 ns
tSYN Synchronize pulse width 1 CLK periods
tNDR Time for new data to be ready 127 128 Conversions (1/fDATA)