JAJSX86 September   2025 TCAN6062-Q1 , TCAN6062V-Q1

ADVANCE INFORMATION  

  1.   1
  2. 特長
  3. アプリケーション
  4. 説明
  5. ピン構成および機能
  6. 仕様
    1. 5.1 絶対最大定格
    2. 5.2 ESD 定格
    3. 5.3 ESD 定格、IEC 過渡現象
    4. 5.4 推奨動作条件
    5. 5.5 熱特性
    6. 5.6 電源の特性
    7. 5.7 損失定格
    8. 5.8 電気的特性
    9. 5.9 スイッチング特性
  7. パラメータ測定情報
  8. 詳細説明
    1. 7.1 概要
      1. 7.1.1 信号改善機能
      2. 7.1.2 CAN XL および FAST モード
    2. 7.2 機能ブロック図
    3. 7.3 機能説明
      1. 7.3.1  ピン構成
        1. 7.3.1.1 TXD
        2. 7.3.1.2 GND
        3. 7.3.1.3 VCC
        4. 7.3.1.4 RXD
        5. 7.3.1.5 VIO (TCAN6062V-Q1 のみ)
        6. 7.3.1.6 CANH および CANL
        7. 7.3.1.7 STB (スタンバイ)
      2. 7.3.2  CAN バスの状態
      3. 7.3.3  FAST モード信号処理のパルス幅変調 (PWM)
        1. 7.3.3.1 PWM 検出およびタイミング
        2. 7.3.3.2 SIC モードから FAST RX モードへの遷移
        3. 7.3.3.3 SIC モードから FAST TX モードへの遷移
        4. 7.3.3.4 PWM デコード
          1. 7.3.3.4.1 PWM 検出分解能 tDECODE
          2. 7.3.3.4.2 FAST RX モードでの PWM デコード
          3. 7.3.3.4.3 FAST TX モードでの PWM デコード
        5. 7.3.3.5 FAST RX/TX モードから SIC モードへの遷移
      4. 7.3.4  範囲外 (OOB) コンパレータ
      5. 7.3.5  TXD ドミナント タイムアウト (DTO)
      6. 7.3.6  CAN バスの短絡電流制限
      7. 7.3.7  サーマル シャットダウン (TSD)
      8. 7.3.8  低電圧誤動作防止
      9. 7.3.9  電源オフのデバイス
      10. 7.3.10 フローティング ピン
    4. 7.4 デバイスの機能モード
      1. 7.4.1 動作モード
      2. 7.4.2 通常モード
      3. 7.4.3 スタンバイ モード
        1. 7.4.3.1 スタンバイ モード時のウェイクアップ パターン (WUP) によるリモート ウェイク要求
      4. 7.4.4 ドライバおよびレシーバ機能
  9. アプリケーションと実装
    1. 8.1 代表的なアプリケーション
      1. 8.1.1 設計要件
        1. 8.1.1.1 CAN の終端
      2. 8.1.2 設計手順の詳細
        1. 8.1.2.1 バスの負荷、長さ、ノード数
    2. 8.2 システム例
    3. 8.3 電源に関する推奨事項
    4. 8.4 レイアウト
      1. 8.4.1 レイアウトのガイドライン
      2. 8.4.2 レイアウト例
  10. デバイスおよびドキュメントのサポート
    1. 9.1 ドキュメントの更新通知を受け取る方法
    2. 9.2 サポート・リソース
    3. 9.3 商標
    4. 9.4 静電気放電に関する注意事項
    5. 9.5 用語集
  11. 10改訂履歴
  12. 11メカニカル、パッケージ、および注文情報
    1. 11.1 テープおよびリール情報

パッケージ・オプション

デバイスごとのパッケージ図は、PDF版データシートをご参照ください。

発注情報

パラメータ測定情報

TCAN6062-Q1 TCAN6062V-Q1 ICC 測定回路図 6-1 ICC 測定回路
TCAN6062-Q1 TCAN6062V-Q1 ドライバテスト回路と測定図 6-2 ドライバテスト回路と測定
TCAN6062-Q1 TCAN6062V-Q1 レシーバのテスト回路と測定図 6-3 レシーバのテスト回路と測定
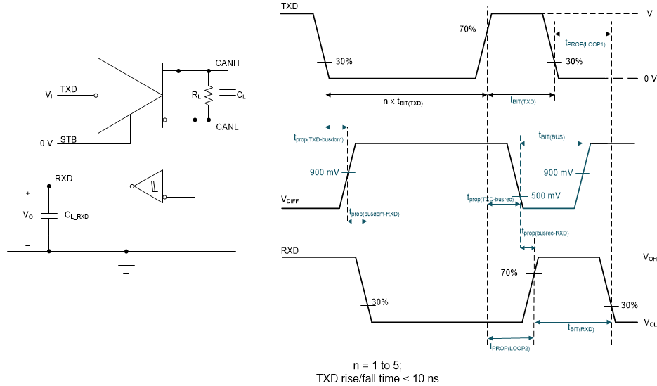
TCAN6062-Q1 TCAN6062V-Q1 トランスミッタとレシーバのタイミング動作テスト回路と測定図 6-4 トランスミッタとレシーバのタイミング動作テスト回路と測定
TCAN6062-Q1 TCAN6062V-Q1 tMODEテスト回路と測定図 6-5 tMODEテスト回路と測定
TCAN6062-Q1 TCAN6062V-Q1 TXD ドミナントタイムアウトのテスト回路と測定図 6-6 TXD ドミナントタイムアウトのテスト回路と測定
TCAN6062-Q1 TCAN6062V-Q1 ドライバ短絡電流テスト回路と測定図 6-7 ドライバ短絡電流テスト回路と測定