SLLS783C May   2009  – March 2016 TSB81BA3E

PRODUCTION DATA.  

  1. Features
  2. Description
  3. Revision History
  4. Description Continued
  5. Pin Configuration and Function
  6. Electrical Specfications
    1. 6.1 Absolute Maximum Ratings
    2. 6.2 Thermal Information
    3. 6.3 Recommended Operating Conditions
    4. 6.4 Electrical Characteristics, Driver
    5. 6.5 Electrical Characteristics, Receiver
    6. 6.6 Electrical Characteristics, Device
    7. 6.7 Switching Characteristics
  7. Parameter Measurement Information
  8. Detailed Description
    1. 8.1 Overview
    2. 8.2 Functional Block Diagram
    3. 8.3 Feature Description
      1. 8.3.1 TTL Input Data
      2. 8.3.2 LVDS Output Data
    4. 8.4 Device Functional Modes
      1. 8.4.1 Input Clock Edge
      2. 8.4.2 Low Power Mode
      3. 8.4.3 1394b Port Interface Considerations
    5. 8.5 Programming
      1. 8.5.1 Power-Class
    6. 8.6 Register Maps
      1. 8.6.1 Internal Register Configuration
  9. Application and Implementation
    1. 9.1 Application Information
    2. 9.2 Typical Application
      1. 9.2.1 Design Requirements
      2. 9.2.2 Detailed Design Procedure
        1. 9.2.2.1 Port Termination for a 1394 Bilingual Port
        2. 9.2.2.2 PHY-LINK Interface
  10. 10Power Supply Recommendations
  11. 11Layout
    1. 11.1 Layout Guidelines
      1. 11.1.1 Board Stackup
      2. 11.1.2 Digital and Analog Partitioning
      3. 11.1.3 Image Planes
      4. 11.1.4 Parts Placement
      5. 11.1.5 Decoupling Capacitors
      6. 11.1.6 3W Rule for SCLK
  12. 12Device and Documentation Support
    1. 12.1 Device Support
    2. 12.2 Related Links
    3. 12.3 Community Resources
    4. 12.4 Trademarks
    5. 12.5 Electrostatic Discharge Caution
    6. 12.6 Glossary
  13. 13Mechanical, Packaging, and Orderable Information
    1. 13.1 Designing With PowerPAD Devices (PFP Package Only)

パッケージ・オプション

メカニカル・データ(パッケージ|ピン)
サーマルパッド・メカニカル・データ
発注情報

10 Power Supply Recommendations

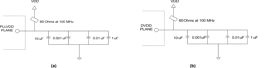
Another means to minimize EMI emissions is to add decoupling capacitors with a ferrite bead at PLLVDD pin and DVDD pins of the chip. This array should be as close as possible to the chip in order to minimize the inductance of the line and minimize noise contributions to the system, a suggested example is shown in Figure 11(a) and Figure 11(b). In the case of DVDD pins, it is recommended to tie them up to a single low impedance point in the board and then adding the decoupling capacitors in addition to the ferrite bead. This array of caps and ferrite bead improve EMI and Jitter performance. Both EMI and Jitter should be taken into account before altering the configuration.

TSB81BA3E filtering_array_slls783.gif Figure 11. Suggested Array at PLLVDD and DVDD in Order to Minimize EMI