JAJA592A July 2018 – October 2024 TLV3201 , TLV7011
| 電源 | 入力信号 | AC 商用電源の最大リーク電流 | |||
|---|---|---|---|---|---|
| Vcc | Vee | タイプ | Vi | f | Iac |
| 5 V | 0V | シングル | 240V AC RMS | 50 Hz | < 500µA |
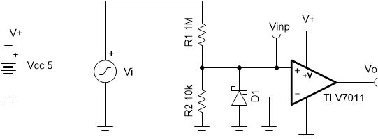
このゼロ クロス検出器の回路は、AC 入力がゼロ クロスのリファレンス電圧と交差するとき、コンパレータの出力状態が変化します。コンパレータの反転入力をゼロ基準電圧に設定し、減衰した入力を非反転入力に印加する方法で、この仕様を実現します。分圧器 R1 および R2 は、入力 AC 信号を減衰させます。ダイオード D1 は、非反転入力がコンパレータの負の入力同相制限を下回らないことを保証するために使用されます。ゼロ クロス検出は多くの場合、電源制御回路に使用されます。

過渡シミュレーション結果

テキサス・インスツルメンツ、SBOMAP5 シミュレーション、回路ファイル
| TLV7011 | |
|---|---|
| Vss | 1.6V~5.5V |
| VinCM | レール ツー レール |
| tpd | 260ns |
| Vos | 0.5 mV |
| VHYS | 4 mV |
| Iq | 5µA |
| 出力方式 | プッシュ プル |
| チャネル数 | 1 |
| TLV7011 | |
| TLV3201 | |
|---|---|
| Vss | 2.7V~5.5V |
| VinCM | レール ツー レール |
| tpd | 40ns |
| Vos | 1 V |
| VHYS | 1.2 mV |
| Iq | 40µA |
| 出力方式 | プッシュ プル |
| チャネル数 | 1 |
| TLV3201 | |