JAJS275W September   2007  – October 2025 ISO7240C , ISO7240CF , ISO7240M , ISO7241C , ISO7241M , ISO7242C , ISO7242M

PRODUCTION DATA  

  1.   1
  2. 特長
  3. アプリケーション
  4. 概要
  5. ピン構成および機能
  6. 仕様
    1. 5.1  絶対最大定格
    2. 5.2  ESD 定格
    3. 5.3  推奨動作条件
    4. 5.4  熱に関する情報
    5. 5.5  電力定格
    6. 5.6  絶縁仕様
    7. 5.7  安全関連認証
    8. 5.8  安全限界値
    9. 5.9  電気的特性:5V 動作時の VCC1 と VCC2
    10. 5.10 電源電流特性:5V 動作時の VCC1 と VCC2
    11. 5.11 電気的特性:5V 動作時の VCC1、3.3V 動作時の VCC2
    12. 5.12 電源電流特性:5V 動作時の VCC1、3.3V 動作時の VCC2
    13. 5.13 電気的特性:3.3V 動作時の VCC1、5V 動作時の VCC2
    14. 5.14 電源電流特性:3.3V 動作時の VCC1、5V 動作時の VCC2
    15. 5.15 電気的特性:3.3V 動作時の VCC1 と VCC2
    16. 5.16 電源電流特性:3.3V 動作時の VCC1 と VCC2
    17. 5.17 スイッチング特性:5V 動作時の VCC1 と VCC2
    18. 5.18 スイッチング特性:5V 動作時の VCC1、3.3V 動作時の VCC2
    19. 5.19 スイッチング特性:3.3V 動作時の VCC1、5V 動作時の VCC2
    20. 5.20 スイッチング特性:3.3V 動作時の VCC1 と VCC2
    21. 5.21 絶縁特性曲線
    22. 5.22 代表的特性
  7. パラメータ測定情報
  8. 詳細説明
    1. 7.1 概要
    2. 7.2 機能ブロック図
    3. 7.3 機能説明
    4. 7.4 デバイスの機能モード
      1. 7.4.1 デバイス I/O 回路図
  9. アプリケーションと実装
    1. 8.1 アプリケーション情報
    2. 8.2 代表的なアプリケーション
      1. 8.2.1 プロセス制御用の絶縁型データ アクイジション システム
        1. 8.2.1.1 設計要件
        2. 8.2.1.2 詳細な設計手順
        3. 8.2.1.3 アプリケーション曲線
      2. 8.2.2 16 入力のアナログ入力モジュール向け絶縁型 SPI
        1. 8.2.2.1 設計要件
        2. 8.2.2.2 詳細な設計手順
        3. 8.2.2.3 アプリケーション曲線
      3. 8.2.3 絶縁型 RS-232 インターフェイス
        1. 8.2.3.1 設計要件
        2. 8.2.3.2 詳細な設計手順
        3. 8.2.3.3 アプリケーション曲線
    3. 8.3 電源に関する推奨事項
    4. 8.4 レイアウト
      1. 8.4.1 レイアウトのガイドライン
        1. 8.4.1.1 PCB 材料
      2. 8.4.2 レイアウト例
  10. デバイスおよびドキュメントのサポート
    1. 9.1 ドキュメントのサポート
      1. 9.1.1 関連資料
    2. 9.2 ドキュメントの更新通知を受け取る方法
    3. 9.3 サポート・リソース
    4. 9.4 商標
    5. 9.5 静電気放電に関する注意事項
    6. 9.6 用語集
  11. 10改訂履歴
  12. 11メカニカル、パッケージ、および注文情報

詳細な設計手順

ISO7240CF ISO7240C ISO7240M ISO7241C ISO7241M ISO7242C ISO7242M ISO7240x の標準の回路接続図図 8-2 ISO7240x の標準の回路接続図
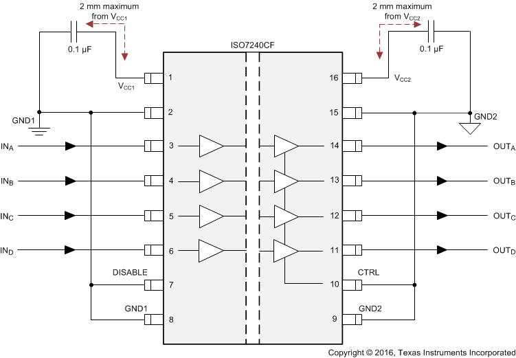
ISO7240CF ISO7240C ISO7240M ISO7241C ISO7241M ISO7242C ISO7242M ISO7240CF の標準の回路接続図図 8-3 ISO7240CF の標準の回路接続図
ISO7240CF ISO7240C ISO7240M ISO7241C ISO7241M ISO7242C ISO7242M ISO7241x の標準の回路接続図図 8-4 ISO7241x の標準の回路接続図
ISO7240CF ISO7240C ISO7240M ISO7241C ISO7241M ISO7242C ISO7242M ISO7242x の標準の回路接続図図 8-5 ISO7242x の標準の回路接続図