JAJSCH9 August 2016
PRODUCTION DATA.
DS280BR820は非常に消費電力が低く高パフォーマンスの8チャネル・リニア・イコライザーで、マルチレート、マルチプロトコルで最大28Gbpsのインターフェイスをサポートします。バックプレーン、フロントポート、チップ・ツー・チップのアプリケーションにおいて、高速シリアル・リンクの到達範囲を拡張し、堅牢性を強化するために使用されます。
DS280BR820の均等化の直線性から、送信信号の特性が保持され、ホストとリンク・パートナーのASICとが、送信イコライザーの係数を自由にネゴシエーションできるようになります(100G-CR4/KR4)。このリンク・トレーニング・プロトコルへの透過性により、レイテンシへの影響を最小限に抑えながら、システム・レベルの相互運用性を向上できます。各チャネルは独立に動作するため、DS280BR820は個別のレーン・フォワード・エラー訂正(FEC)パススルーをサポートできます。
DS280BR820はパッケージの寸法が小さく、高速信号エスケープが最適化され、Retimerポートフォリオとピン互換なため、高密度のバックプレーン・アプリケーションに理想的です。単純化された均等化制御、低い消費電力、非常に低い付加的ジッタから、100G-SR4/LR4/CR4などのフロントポート・インターフェイスに適しています。8mm×13mmの小さなフットプリントのため、QSFP、SFP、CFP2/CFP4、CDFPなど各種の標準フロントポート・コネクタに簡単に収まり、ヒートシンクの必要もありません。
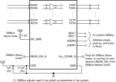
ACカップリング・コンデンサ(RX側)が内蔵されているため、PCB上に外付けのコンデンサが必要ありません。DS280BR820は単一電源で、必要な外部コンポーネントも最小限です。これらの特長により、PCBの配線の複雑性と、部品表(BOM)コストを低減できます。
より到達範囲の長いアプリケーション用には、ピン互換のRetimerデバイスを利用可能です。
DS280BR820はSMBus経由、または外付けのEEPROMにより構成可能です。単一のEEPROMを、最大16個のデバイスで共有できます。
| 型番 | パッケージ | 本体サイズ(公称) |
|---|---|---|
| DS280BR820 | nFBGA (135) | 8.0mm×13.0mm |
ドキュメントの更新についての通知を受け取るには、ti.comのデバイス製品フォルダを開いてください。右上の隅にある「通知を受け取る」をクリックして登録すると、変更されたすべての製品情報に関するダイジェストを毎週受け取れます。変更の詳細については、修正されたドキュメントに含まれている改訂履歴をご覧ください。
The following links connect to TI community resources. Linked contents are provided "AS IS" by the respective contributors. They do not constitute TI specifications and do not necessarily reflect TI's views; see TI's Terms of Use.
E2E is a trademark of Texas Instruments.

これらのデバイスは、限定的なESD(静電破壊)保護機能を内 蔵しています。保存時または取り扱い時は、MOSゲートに対す る静電破壊を防止するために、リード線同士をショートさせて おくか、デバイスを導電フォームに入れる必要があります。
SLYZ022 — TI Glossary.
This glossary lists and explains terms, acronyms, and definitions.