JAJSF26F March   2018  – June 2024 TMP1075

PRODUCTION DATA  

  1.   1
  2. 特長
  3. アプリケーション
  4. 概要
  5. デバイスの比較
  6. ピン構成および機能
  7. 仕様
    1. 6.1  絶対最大定格
    2. 6.2  ESD 定格
    3. 6.3  推奨動作条件
    4. 6.4  熱に関する情報
    5. 6.5  電気的特性:TMP1075
    6. 6.6  電気的特性:TMP1075N
    7. 6.7  タイミング要件:TMP1075
    8. 6.8  タイミング要件:TMP1075N
    9. 6.9  スイッチング特性
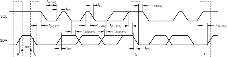
    10. 6.10 タイミング図
    11. 6.11 代表的特性
  8. 詳細説明
    1. 7.1 概要
    2. 7.2 機能ブロック図
    3. 7.3 機能説明
      1. 7.3.1 デジタル温度出力
      2. 7.3.2 I2 C および SMBus シリアル インターフェイス
        1. 7.3.2.1  バスの概要
        2. 7.3.2.2  シリアル バス アドレス
        3. 7.3.2.3  ポインタ レジスタ
          1. 7.3.2.3.1 ポインタ レジスタ バイト [リセット = 00h]
        4. 7.3.2.4  TMP1075 への書き込みと読み取り
        5. 7.3.2.5  動作モード
          1. 7.3.2.5.1 レシーバ モード
          2. 7.3.2.5.2 トランスミッタ モード
        6. 7.3.2.6  SMBus のアラート機能
        7. 7.3.2.7  一般的なコールリセット機能
        8. 7.3.2.8  高速モード (HS)
        9. 7.3.2.9  I3C Mixed Fast Mode と共存
        10. 7.3.2.10 タイムアウト機能
      3. 7.3.3 タイミング図
      4. 7.3.4 2 線式タイミング図
    4. 7.4 デバイスの機能モード
      1. 7.4.1 シャットダウン モード (SD)
      2. 7.4.2 ワンショット モード (OS)
      3. 7.4.3 連続変換モード (CC)
      4. 7.4.4 サーモスタット モード (TM)
        1. 7.4.4.1 コンパレータ モード (TM = 0)
        2. 7.4.4.2 割り込みモード (TM = 1)
        3. 7.4.4.3 極性モード (POL)
    5. 7.5 レジスタ マップ
      1. 7.5.1 レジスタの説明
        1. 7.5.1.1 温度レジスタ (アドレス = 00h) [デフォルト リセット = 0000h]
        2. 7.5.1.2 構成レジスタ (アドレス = 01h) [デフォルト リセット = 00FFh (60A0h TMP1075N)]
        3. 7.5.1.3 下限レジスタ (アドレス = 02h) [デフォルト リセット = 4B00h]
        4. 7.5.1.4 上限レジスタ (アドレス = 03h) [デフォルト リセット = 5000h]
        5. 7.5.1.5 デバイス ID レジスタ (アドレス = 0Fh) [デフォルト リセット = 7500]
  9. アプリケーションと実装
    1. 8.1 アプリケーション情報
    2. 8.2 代表的なアプリケーション
      1. 8.2.1 設計要件
      2. 8.2.2 詳細な設計手順
        1. 8.2.2.1 xx75 デバイス ファミリからの移行
      3. 8.2.3 アプリケーション曲線
    3. 8.3 電源に関する推奨事項
    4. 8.4 レイアウト
      1. 8.4.1 レイアウトのガイドライン
      2. 8.4.2 レイアウト例
  10. デバイスおよびドキュメントのサポート
    1. 9.1 ドキュメントのサポート
      1. 9.1.1 関連資料
    2. 9.2 ドキュメントの更新通知を受け取る方法
    3. 9.3 サポート・リソース
    4. 9.4 商標
    5. 9.5 静電気放電に関する注意事項
    6. 9.6 用語集
  11. 10改訂履歴
  12. 11メカニカル、パッケージ、および注文情報

タイミング図

TMP1075 2 線式のタイミング図図 6-1 2 線式のタイミング図