JAJSRV0A June   2024  – May 2025 ADS8681W , ADS8685W , ADS8689W

PRODUCTION DATA  

  1.   1
  2. 特長
  3. アプリケーション
  4. 説明
  5. ピン構成および機能
  6. 仕様
    1. 5.1 絶対最大定格
    2. 5.2 ESD 定格
    3. 5.3 推奨動作条件
    4. 5.4 熱に関する情報
    5. 5.5 電気的特性
    6. 5.6 タイミング要件
    7. 5.7 スイッチング特性
    8. 5.8 タイミング図
    9. 5.9 代表的特性
  7. 詳細説明
    1. 6.1 概要
    2. 6.2 機能ブロック図
    3. 6.3 機能説明
      1. 6.3.1 アナログ入力構造
      2. 6.3.2 アナログ入力インピーダンス
      3. 6.3.3 入力保護回路
      4. 6.3.4 プログラマブル ゲイン アンプ (PGA)
      5. 6.3.5 2 次ローパス フィルタ (LPF)
      6. 6.3.6 ADC ドライバ
      7. 6.3.7 リファレンス
        1. 6.3.7.1 内部リファレンス
        2. 6.3.7.2 外部リファレンス
      8. 6.3.8 ADC の伝達関数
      9. 6.3.9 アラーム機能
        1. 6.3.9.1 入力アラーム
        2. 6.3.9.2 AVDD アラーム
    4. 6.4 デバイスの機能モード
      1. 6.4.1 ホスト / デバイス間の接続トポロジ
        1. 6.4.1.1 シングル デバイス:すべての multiSPI オプション
        2. 6.4.1.2 シングル デバイス:標準 SPI インターフェイス
        3. 6.4.1.3 複数のデバイス:デイジーチェーン トポロジ
      2. 6.4.2 デバイスの動作モード
        1. 6.4.2.1 RESET 状態
        2. 6.4.2.2 ACQ 状態
        3. 6.4.2.3 CONV 状態
    5. 6.5 プログラミング
      1. 6.5.1 データ転送フレーム
      2. 6.5.2 入力コマンド ワードおよびレジスタ書き込み動作
      3. 6.5.3 出力データ ワード
      4. 6.5.4 データ転送プロトコル
        1. 6.5.4.1 デバイス構成のプロトコル
        2. 6.5.4.2 デバイスからの読み取りのプロトコル
          1. 6.5.4.2.1 シングル SDO-x のレガシー SPI 互換 (SYS-xy-S) プロトコル
          2. 6.5.4.2.2 デュアル SDO-x のレガシー SPI 互換 (SYS-xy-S) プロトコル
          3. 6.5.4.2.3 ソース同期 (SRC) プロトコル
            1. 6.5.4.2.3.1 出力クロック ソースのオプション
            2. 6.5.4.2.3.2 出力バス幅のオプション
  8. レジスタ マップ
    1. 7.1 デバイス構成およびレジスタ マップ
      1. 7.1.1 DEVICE_ID_REG レジスタ (アドレス = 00h)
      2. 7.1.2 RST_PWRCTL_REG レジスタ (アドレス = 04h)
      3. 7.1.3 SDI_CTL_REG レジスタ (アドレス = 08h)
      4. 7.1.4 SDO_CTL_REG レジスタ (アドレス = 0Ch)
      5. 7.1.5 DATAOUT_CTL_REG レジスタ (アドレス = 10h)
      6. 7.1.6 RANGE_SEL_REG レジスタ (アドレス = 14h)
      7. 7.1.7 ALARM_REG レジスタ (アドレス = 20h)
      8. 7.1.8 ALARM_H_TH_REG レジスタ (アドレス = 24h)
      9. 7.1.9 ALARM_L_TH_REG レジスタ (アドレス = 28h)
  9. アプリケーションと実装
    1. 8.1 アプリケーション情報
    2. 8.2 代表的なアプリケーション
      1. 8.2.1 設計要件
      2. 8.2.2 詳細な設計手順
        1. 8.2.2.1 アラーム機能
      3. 8.2.3 アプリケーション曲線
    3. 8.3 電源に関する推奨事項
      1. 8.3.1 電源のデカップリング
      2. 8.3.2 節電
        1. 8.3.2.1 NAP モード
        2. 8.3.2.2 パワーダウン (PD) モード
    4. 8.4 レイアウト
      1. 8.4.1 レイアウトのガイドライン
      2. 8.4.2 レイアウト例
  10. デバイスおよびドキュメントのサポート
    1. 9.1 ドキュメントのサポート
      1. 9.1.1 関連資料
    2. 9.2 ドキュメントの更新通知を受け取る方法
    3. 9.3 サポート・リソース
    4. 9.4 商標
    5. 9.5 静電気放電に関する注意事項
    6. 9.6 用語集
  11. 10改訂履歴
  12. 11メカニカル、パッケージ、および注文情報

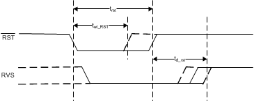
タイミング図

ADS8681W ADS8685W ADS8689W 変換サイクルのタイミング図図 5-1 変換サイクルのタイミング図
ADS8681W ADS8685W ADS8689W 非同期リセットのタイミング図図 5-2 非同期リセットのタイミング図
ADS8681W ADS8685W ADS8689W CPHA = 0 の標準 SPI インターフェイスのタイミング図図 5-3 CPHA = 0 の標準 SPI インターフェイスのタイミング図
ADS8681W ADS8685W ADS8689W CPHA = 1 の標準 SPI インターフェイスのタイミング図図 5-4 CPHA = 1 の標準 SPI インターフェイスのタイミング図
ADS8681W ADS8685W ADS8689W デュアル SDO-x および CPHA = 0 の multiSPI インターフェイスのタイミング図図 5-5 デュアル SDO-x および CPHA = 0 の multiSPI インターフェイスのタイミング図
ADS8681W ADS8685W ADS8689W デュアルSDO-xおよびCPHA = 1のmultiSPIインターフェイスのタイミング図図 5-6 デュアルSDO-xおよびCPHA = 1のmultiSPIインターフェイスのタイミング図
ADS8681W ADS8685W ADS8689W multiSPI ソース同期外部クロック シリアル インターフェイスのタイミング図図 5-7 multiSPI ソース同期外部クロック シリアル インターフェイスのタイミング図
ADS8681W ADS8685W ADS8689W multiSPI ソース同期内部クロック シリアル インターフェイスのタイミング図図 5-8 multiSPI ソース同期内部クロック シリアル インターフェイスのタイミング図