JAJSSD9D April 2006 – February 2024 LM94
PRODUCTION DATA
トランジスタがダイオードとして接続されている場合、変数 VBE、T、IF の関係は次のようになります。

ここで

アクティブ領域では、-1 項は無視できるほど小さく除去できるので、次の式が得られます。

式 12 で、η と IS はダイオードの製造に使用されたプロセスに依存します。2 つの電流を強制的に厳密に制御された比率(IF2/IF1)にし、その結果得られる電圧差を測定すると、IS 項を除去できます。順方向電圧の差を求めると、次の関係が得られます。

式 13 を温度を求める式にすると、次のようになります。

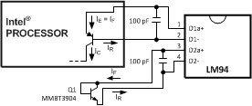
MMBT3904 などのダイオード接続トランジスタを使用する場合は、式 14 が適用されます。図 7-3 に示すように、プロセッサ トランジスタのような内蔵ダイオードでコレクタが GND に接続されている場合にこの式を適用すると、非理想性のばらつきが広くなります。このように非理想性のばらつきが広くなるのは、真のプロセスの変動によるものではなく、式 14 が近似値であるためです。
TruTherm 技術では、トランジスタ用の式 15 を使用します。これは、FPGA またはプロセッサに内蔵されているサーマル ダイオードのトポロジをより正確に表現しています。

図 7-3 サーマル ダイオードの電流経路TruTherm は、図 7-3 に示すようなプロセッサに内蔵されたトランジスタの温度を測定する場合にのみ有効にする必要があります。式 15 はこのトポロジにのみ適用されます。