JAJSVA1F May   2012  – August 2024 TPS65131-Q1

PRODUCTION DATA  

  1.   1
  2. 特長
  3. アプリケーション
  4. 概要
  5. Device Comparison
  6. Pin Configuration and Functions
  7. Specifications
    1. 6.1 Absolute Maximum Ratings
    2. 6.2 ESD Ratings
    3. 6.3 Recommended Operating Conditions
    4. 6.4 Thermal Information
    5. 6.5 Electrical Characteristics
    6. 6.6 Switching Characteristics
    7. 6.7 Typical Characteristics
  8. Detailed Description
    1. 7.1 Overview
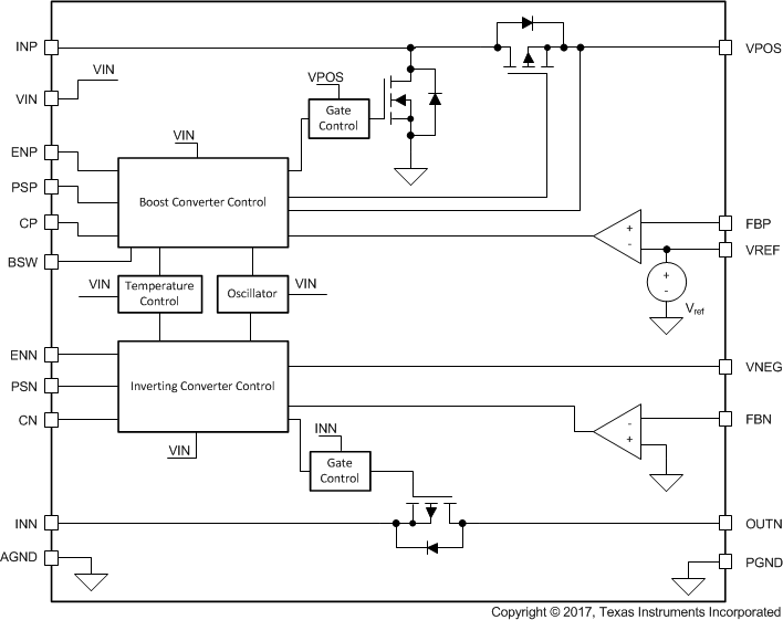
    2. 7.2 Functional Block Diagram
    3. 7.3 Feature Description
      1. 7.3.1 Power Conversion
      2. 7.3.2 Control
      3. 7.3.3 Output Rails Enable or Disable
      4. 7.3.4 Load Disconnect
      5. 7.3.5 Soft Start
      6. 7.3.6 Overvoltage Protection
      7. 7.3.7 Undervoltage Lockout
      8. 7.3.8 Overtemperature Shutdown
    4. 7.4 Device Functional Modes
      1. 7.4.1 Power-Save Mode
  9. Application and Implementation
    1. 8.1 Application Information
    2. 8.2 Typical Applications
      1. 8.2.1 TPS65131-Q1 With VPOS = 10.5V, VNEG = –10V
      2. 8.2.2 Design Requirements
      3. 8.2.3 Detailed Design Procedure
        1. 8.2.3.1 Programming the Output Voltage
          1. 8.2.3.1.1 Boost Converter
          2. 8.2.3.1.2 Inverting Converter
          3. 8.2.3.1.3 Inductor Selection
        2. 8.2.3.2 Capacitor Selection
          1. 8.2.3.2.1 Input Capacitor
          2. 8.2.3.2.2 Output Capacitors
        3. 8.2.3.3 Rectifier Diode Selection
        4. 8.2.3.4 External P-MOSFET Selection
        5. 8.2.3.5 Stabilizing the Control Loop
          1. 8.2.3.5.1 Feedforward Capacitors
          2. 8.2.3.5.2 Compensation Capacitors
      4. 8.2.4 Analog Supply Input Filter
        1. 8.2.4.1 RC-Filter
        2. 8.2.4.2 LC-Filter
      5. 8.2.5 Thermal Information
      6. 8.2.6 Application Curves
    3. 8.3 Power Supply Recommendations
    4. 8.4 Layout
      1. 8.4.1 Layout Guidelines
      2. 8.4.2 Layout Example
  10. Device and Documentation Support
    1. 9.1 ドキュメントの更新通知を受け取る方法
    2. 9.2 サポート・リソース
    3. 9.3 商標
    4. 9.4 静電気放電に関する注意事項
    5. 9.5 用語集
  11. 10Revision History
  12. 11Mechanical, Packaging, and Orderable Information
    1. 11.1 Mechanical Data
    2. 11.2 Tape and Reel Information

Functional Block Diagram

TPS65131-Q1