JAJSVL3B November 2024 – October 2025 MSPM0G1518 , MSPM0G1519 , MSPM0G3518 , MSPM0G3519
PRODUCTION DATA
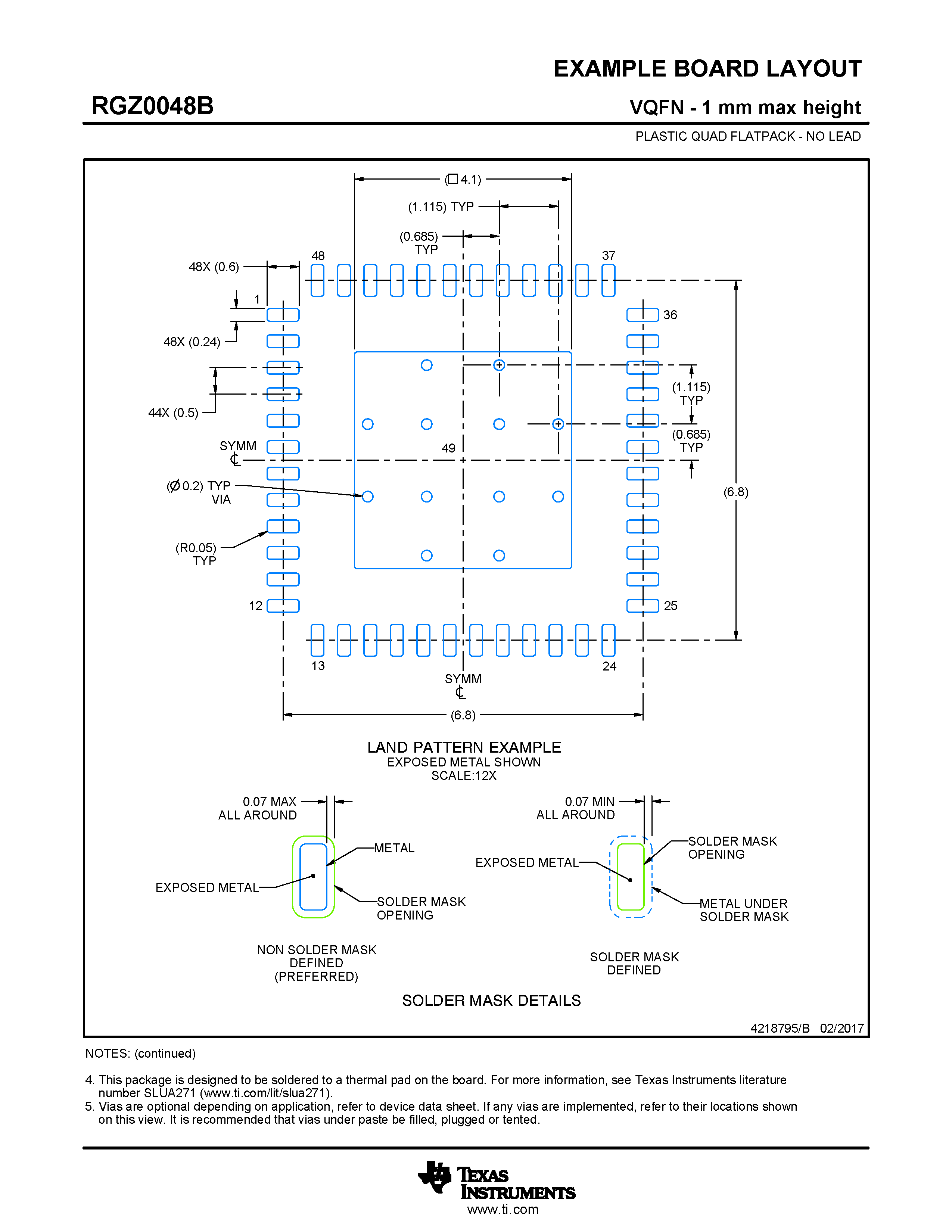
以降のページには、メカニカル、パッケージ、および注文に関する情報が記載されています。この情報は、指定のデバイスに使用できる最新のデータです。このデータは、予告なく、このドキュメントを改訂せずに変更される場合があります。本データシートのブラウザ版を使用されている場合は、画面左側の説明をご覧ください。










