NEST145 March   2025 MSPM0C1104

 

  1.   1
  2.   2
    1.     3
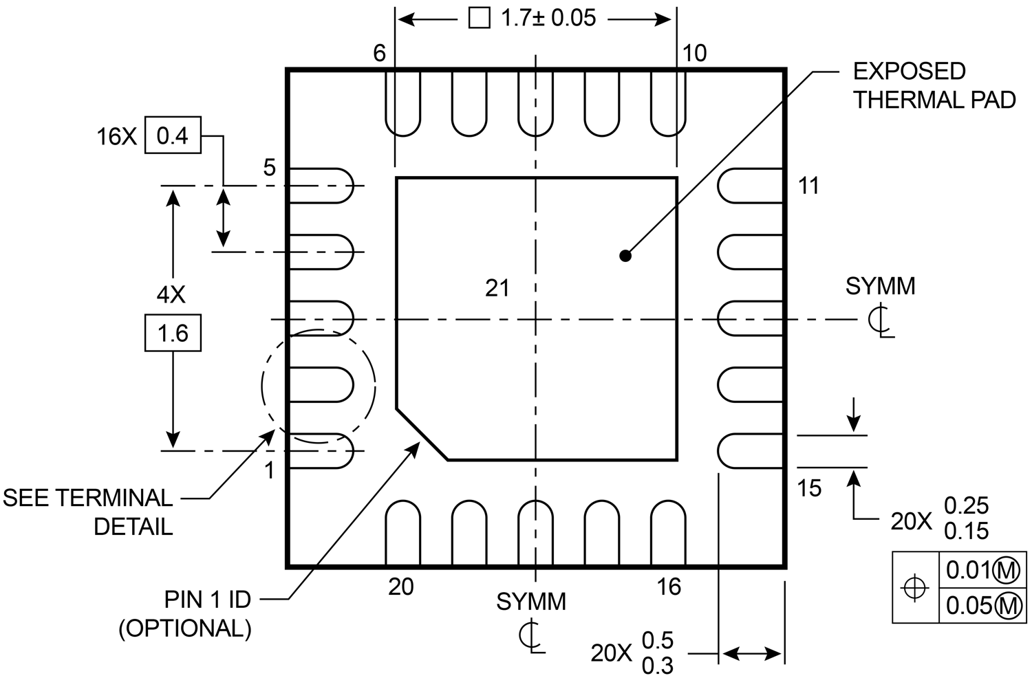
    2.     封裝
    3.     整合
    4.     結論
    5.     其他資源
    6.     註冊商標
Technical Article

小巧卻強大:MCU 的小型封裝與整合功能如何最佳化空間受限的設計

下載最新的英文版本