SBAU394B April   2022  – August 2025

 

  1.   1
  2.   Description
  3.   Features
  4.   4
  5. 1Evaluation Module Overview
    1. 1.1 Introduction
    2. 1.2 Kit Contents
    3. 1.3 Specification
    4. 1.4 Device Information
    5. 1.5 Quick Start Guide
  6. 2Hardware
    1. 2.1 ADC Analog Input Signal Path
    2. 2.2 ADC Connections and Decoupling
    3. 2.3 Power Supplies
    4. 2.4 ADC Input Clock (CLK) Options
    5. 2.5 Digital-to-Analog Converter (DAC)
    6. 2.6 Digital Interface
    7. 2.7 Connection to the PHI
    8. 2.8 Digital Header
  7. 3Software Installation
  8. 4EVM Configuration and GUI Operation
    1. 4.1 EVM Configuration
    2. 4.2 GUI Operation
      1. 4.2.1 EVM GUI Global Settings for ADC Control
      2. 4.2.2 Register Map Configuration Tool
      3. 4.2.3 Time Domain Display Tool
      4. 4.2.4 Spectral Analysis Tool
      5. 4.2.5 Histogram Tool
      6. 4.2.6 DAC Configuration Tool
  9. 5Hardware Design Files
    1. 5.1 Schematics
    2. 5.2 PCB Layout
    3. 5.3 Bill of Materials
  10. 6Additional Information
    1. 6.1 Trademarks
  11. 7References
  12. 8Revision History

Schematics

Figure 5-1 shows a block diagram of the ADS1285EVM-PDK.

ADS1285EVM-PDK ADS1285EVM-PDK Block
                    Diagram Figure 5-1 ADS1285EVM-PDK Block Diagram

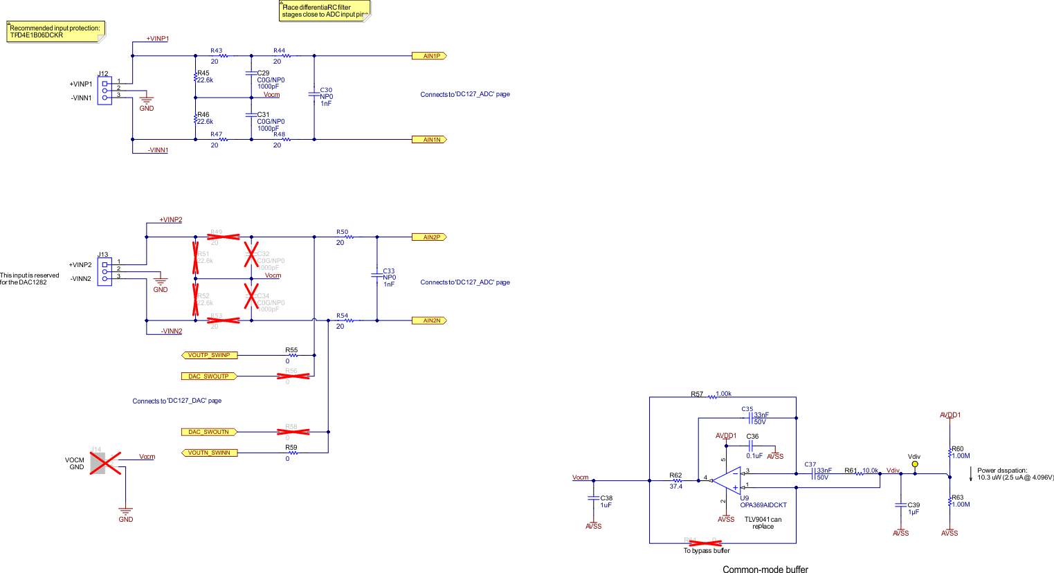
Figure 5-2 through Figure 5-7 illustrate various schematics for the ADS1285EVM-PDK ADC.

ADS1285EVM-PDK ADS1285EVM-PDK ADC
                    Schematic Figure 5-2 ADS1285EVM-PDK ADC Schematic
ADS1285EVM-PDK ADS1285EVM-PDK Analog Inputs
                    and Common-Mode Buffer Schematic Figure 5-3 ADS1285EVM-PDK Analog Inputs and Common-Mode Buffer Schematic
ADS1285EVM-PDK ADS1285EVM-PDK Clock and
                    Interface Schematic Figure 5-4 ADS1285EVM-PDK Clock and Interface Schematic
ADS1285EVM-PDK ADS1285EVM-PDK Power-Supply
                    Schematic Figure 5-5 ADS1285EVM-PDK Power-Supply Schematic
ADS1285EVM-PDK ADS1285EVM-PDK Reference
                    Voltage Schematic Figure 5-6 ADS1285EVM-PDK Reference Voltage Schematic
ADS1285EVM-PDK ADS1285EVM DAC
                    Schematic Figure 5-7 ADS1285EVM DAC Schematic