SBOA444
November 2020
TMCS1100
Trademarks
1
Introduction
2
Implementation Block Diagram
3
Hardware Implemenation
3.1
Analog Inputs
3.1.1
Voltage Measurement Analog Front End
3.1.2
Current Measurement Analog Front End
3.2
MSP432 LaunchPad Connections
3.3
PCB Layout Recommendations
4
How to Implement Software for Metrology Testing
4.1
Setup
4.1.1
Clock
4.1.2
UART Setup for GUI Communication
4.1.3
Real-Time Clock (RTC)
4.1.4
Direct Memory Access (DMA)
4.1.5
ADC Setup
4.2
Foreground Process
4.2.1
Formulas
4.2.1.1
Standard Metrology Parameters
4.2.1.2
Power Quality Formulas
4.3
Background Process
4.3.1
per_sample_dsp( )
4.3.1.1
Voltage and Current ADC Samples
4.3.1.2
Pure Waveform Samples
4.3.1.3
Frequency Measurement and Cycle Tracking
4.3.2
LED Pulse Generation
4.3.3
Phase Compensation
5
Metrology Accuracy Testing
5.1
Test Setup
5.2
Results
6
Schematics
7
References
6
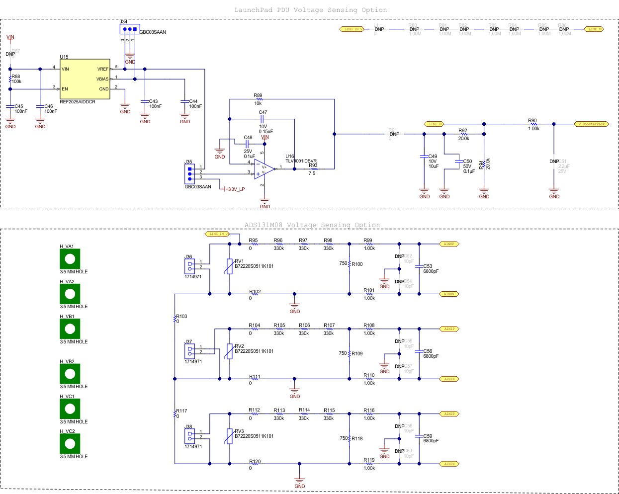
Schematics
Figure 6-1
through
Figure 6-3
illustrate the schematic images.
Figure 6-1
Schematic Page 1.
Figure 6-2
Schematic Page 2.
Figure 6-3
Schematic Page 3.