SFFS100 April 2021 ISO6740 , ISO6740-Q1
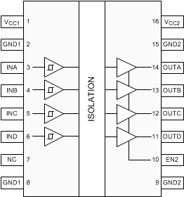
Figure 4-1 shows the ISO6740/ISO6740-Q1 and ISO6740F/ISO6740F-Q1 pin diagram for the 16-DW package. For a detailed description of the device pins please refer to the Pin Configuration and Functions section in the ISO6740/ISO6740-Q1 data sheet.
Figure 4-1 Pin Diagram (16-DW) Package| Pin Name | Pin No. | Description of Potential Failure Effect(s) | Failure Effect Class |
|---|---|---|---|
| VCC1 | 1 | No power to the device on side-1. Observe that the absolute maximum ratings for all pins of the device are met; otherwise device damage may be plausible. | A |
| GND1 | 2 | Device continues to function as expected. Normal operation. | D |
| INA | 3 | Input signal shorted to ground, so output (OUTA) stuck to low. Communication from INA to OUTA corrupted. | B |
| INB | 4 | Input signal shorted to ground, so output (OUTB) stuck to low. Communication from INB to OUTB corrupted. | B |
| INC | 5 | Input signal shorted to ground, so output (OUTC) stuck to low. Communication from INC to OUTC corrupted. | B |
| IND | 6 | Input signal shorted to ground, so output (OUTD) stuck to low. Communication from IND to OUTD corrupted. | B |
| NC | 7 | Device continues to function as expected. Normal operation. | D |
| GND1 | 8 | Device continues to function as expected. Normal operation. | D |
| GND2 | 9 | Device continues to function as expected. Normal operation. | D |
| EN2 | 10 | Disables the output buffer for all 4 Output channels. Communication corrupted. | B |
| OUTD | 11 | OUTD stuck low. Data communication from IND to OUTD lost. Device damage possible if IND is driven high for extended period of time. | A |
| OUTC | 12 | OUTC stuck low. Data communication from INC to OUTC lost. Device damage possible if INC is driven high for extended period of time. | A |
| OUTB | 13 | OUTB stuck low. Data communication from INB to OUTB lost. Device damage possible if INB is driven high for extended period of time. | A |
| OUTA | 14 | OUTA stuck low. Data communication from INA to OUTA lost. Device damage possible if INA is driven high for extended period of time. | A |
| GND2 | 15 | Device continues to function as expected. Normal operation. | D |
| VCC2 | 16 | No power to the device on side-2. OUTA/OUTB/OUTC/OUTD pins state undetermined. | B |
| Pin Name | Pin No. | Description of Potential Failure Effect(s) | Failure Effect Class |
|---|---|---|---|
| VCC1 | 1 | Operation undetermined. Either device is unpowered and OUTA/OUTB/OUTC/OUTD=default logic state or through internal ESD diode on any IN pin, device can power up if any IN is driven to logic high. If IN has current sourcing capability to provide regular operating current of device, ESD diode conducts that current and device damage plausible. | A |
| GND1 | 2 | Device gets return ground through pin8. Normal operation. | D |
| INA | 3 | No communication to INA channel possible. OUTA stuck to default state (High for ISO6740/ISO6740-Q1 and Low for ISO6740F/ISO6740F-Q1). | B |
| INB | 4 | No communication to INB channel possible. OUTB stuck to default state (High for ISO6740/ISO6740-Q1 and Low for ISO6740F/ISO6740F-Q1). | B |
| INC | 5 | No communication to INC channel possible. OUTC stuck to default state (High for ISO6740/ISO6740-Q1 and Low for ISO6740F/ISO6740F-Q1). | B |
| IND | 6 | No communication to IND channel possible. OUTD stuck to default state (High for ISO6740/ISO6740-Q1 and Low for ISO6740F/ISO6740F-Q1). | B |
| NC | 7 | Device continues to function as expected. Normal operation. | D |
| GND1 | 8 | Device gets return ground through pin2. Normal operation. | D |
| GND2 | 9 | Device gets return ground through pin15. Normal operation. | D |
| EN2 | 10 | Control on output buffer lost, but communication from IN to OUT channels continues normally. | B |
| OUTD | 11 | State of OUTD undetermined. Data communication from IND to OUTD lost. | B |
| OUTC | 12 | State of OUTC undetermined. Data communication from INC to OUTC lost. | B |
| OUTB | 13 | State of OUTB undetermined. Data communication from INB to OUTB lost. | B |
| OUTA | 14 | State of OUTA undetermined. Data communication from INA to OUTA lost. | B |
| GND2 | 15 | Device gets return ground through pin9. Normal operation. | D |
| VCC2 | 16 | Device unpowered on side-2 and state of OUTA/OUTB/OUTC/OUTD undetermined. | B |
| Pin Name | Pin No. | Shorted to | Description of Potential Failure Effect(s) | Failure Effect Class |
|---|---|---|---|---|
| VCC1 | 1 | GND1 | No power to the device on side-1. Observe that the absolute maximum ratings for all pins of the device are met; otherwise device damage may be plausible. | A |
| GND1 | 2 | INA | Input signal shorted to ground, so output (OUTA) stuck to low. Communication from INA to OUTA corrupted. | B |
| INA | 3 | INB | Communication corrupted for either INA or INB channel. | B |
| INB | 4 | INC | Communication corrupted for either INC or INB channel. | B |
| INC | 5 | IND | Communication corrupted for either INC or IND channel. | B |
| IND | 6 | NC | Device continues to function as expected. Normal operation. | D |
| NC | 7 | GND1 | Device continues to function as expected. Normal operation. | D |
| GND1 | 8 | NC | Already considered in above row. | D |
| GND2 | 9 | EN2 | Disables the output buffer for all 4 Output channels. Communication corrupted. | B |
| EN2 | 10 | OUTD | Communication corrupted on Channel D and on other channels as well when OUTD drives low. | B |
| OUTD | 11 | OUTC | Communication corrupted for either OUTC or OUTD channel. Device damage possible if INC and IND try to drive opposite logic state for extended duration creating a short between supply and ground on side-2. | A |
| OUTC | 12 | OUTB | Communication corrupted for either OUTC or OUTB channel. Device damage possible if INC and INB try to drive opposite logic state for extended duration creating a short between supply and ground on side-2. | A |
| OUTB | 13 | OUTA | Communication corrupted for either OUTA or OUTB channel. Device damage possible if INA and INB try to drive opposite logic state for extended duration creating a short between supply and ground on side-2. | A |
| OUTA | 14 | GND2 | OUTA stuck low. Data communication from INA to OUTA lost. Device damage possible if INA is driven high for extended period of time. | A |
| GND2 | 15 | VCC2 | No power to the device on side-2. OUTA/OUTB/OUTC/OUTD pins state undetermined. | B |
| VCC2 | 16 | GND2 | Already considered in above row. | B |
| Pin Name | Pin No. | Description of Potential Failure Effect(s) | Failure Effect Class |
|---|---|---|---|
| VCC1 | 1 | No effect. Normal operation. | D |
| GND1 | 2 | This can create potential difference between pin2 and pin8, causing high current to flow in device and potential device damage. | A |
| INA | 3 | INA pin stuck high. Communication corrupted. OUTA state high. | B |
| INB | 4 | INB pin stuck high. Communication corrupted. OUTB state high. | B |
| INC | 5 | INC pin stuck high. Communication corrupted. OUTC state high. | B |
| IND | 6 | IND pin stuck high. Communication corrupted. OUTD state high. | B |
| NC | 7 | Device continues to function as expected. Normal operation. | D |
| GND1 | 8 | This can create potential difference between pin2 and pin8, causing high current to flow in device and potential device damage. | A |
| GND2 | 9 | This can create potential difference between pin9 and pin15, causing high current to flow in device and potential device damage. | A |
| EN2 | 10 | Functionality to disable output buffer lost. Communication for all channels normal. | B |
| OUTD | 11 | OUTD stuck high. Communication disrupted. If IND is low for extended duration, OUTD being stuck high creates a short and can damage the device. | A |
| OUTC | 12 | OUTC stuck high. Communication disrupted. If INC is low for extended duration, OUTC being stuck high creates a short and can damage the device. | A |
| OUTB | 13 | OUTB stuck high. Communication disrupted. If INB is low for extended duration, OUTB being stuck high creates a short and can damage the device. | A |
| OUTA | 14 | OUTA stuck high. Communication disrupted. If INA is low for extended duration, OUTA being stuck high creates a short and can damage the device. | A |
| GND2 | 15 | This can create potential difference between pin9 and pin15, causing high current to flow in device and potential device damage. | A |
| VCC2 | 16 | Device continues to function as expected. Normal operation. | D |