SLAU278AH May   2009  – March 2021

 

  1. 1Read This First
    1. 1.1 How to Use This Manual
    2. 1.1 Information About Cautions and Warnings
    3. 1.1 Related Documentation From Texas Instruments
    4. 1.1 If You Need Assistance
    5. 1.1 Trademarks
  2. 1Get Started Now!
    1. 1.1  Kit Contents, MSP-TS430xx
    2. 1.2  Kit Contents, MSP-FET430xx
    3. 1.3  Kit Contents, MSP-FET
    4. 1.4  Kit Contents, MSP-FET430UIF
    5. 1.5  Kit Contents, MSP-FET430PIF
    6. 1.6  Kit Contents, eZ430-F2013
    7. 1.7  Kit Contents, eZ430-T2012
    8. 1.8  Kit Contents, eZ430-RF2500
    9. 1.9  Kit Contents, eZ430-RF2500T
    10. 1.10 Kit Contents, eZ430-RF2500-SEH
    11. 1.11 Kit Contents, eZ430-Chronos-xxx
    12. 1.12 Kit Contents, FET430F6137RF900
    13. 1.13 Kit Contents, EM430Fx1x7RF900
    14. 1.14 Hardware Installation, MSP-FET and MSP-FET430UIF
    15. 1.15 Hardware Installation, MSP-TS430xxx, MSP-FET430Uxx, FET430F6137RF900, EM430Fx1x7RF900
    16. 1.16 Hardware Installation, eZ430-XXXX, MSP-EXP430G2, MSP-EXP430FR5739, MSPEXP430F5529
    17. 1.17 Important MSP430 Documents on the Web
  3. 2Design Considerations for In-Circuit Programming
    1. 2.1 Signal Connections for In-System Programming and Debugging
    2. 2.2 External Power
    3. 2.3 Bootloader (BSL)
      1.      A Frequently Asked Questions and Known Issues
        1.       A.1 Hardware FAQs
        2.       A.2 Known Issues
          1.        MSP-FET430UIF
          2.        MSP-FET430PIF
            1.         B Hardware
              1.          B.1 MSP-TS430D8
              2.          B.2 MSP-TS430PW14
              3.          B.3 MSP-TS430L092
              4.          B.4 MSP-TS430L092 Active Cable
              5.          B.5 MSP-TS430PW20
              6.          B.6 MSP-TS430RHL20
              7.          B.7 MSP-TS430PW24
              8.          B.8 MSP-TS430RGE24A
              9.          B.9 MSP-TS430DW28
              10.          B.10 MSP-TS430PW28
              11.          B.11 MSP-TS430PW28A
              12.          B.12 MSP-TS430RHB32A
              13.          B.13 MSP-TS430DA38
              14.          B.14 MSP-TS430QFN23x0
              15.          B.15 MSP-TS430RSB40
              16.          B.16 MSP-TS430RHA40A
              17.          B.17 MSP-TS430DL48
              18.          B.18 MSP-TS430PT48
              19.          B.19 MSP-TS430PT48A
              20.          B.20 MSP-TS430RGZ48B
              21.          B.21 MSP-TS430RGZ48C
              22.          B.22 MSP-TS430PM64
              23.          B.23 MSP-TS430PM64A
              24.          B.24 MSP-TS430PM64D
              25.          B.25 MSP-TS430PM64F
              26.          B.26 MSP-TS430RGC64B
              27.          B.27 MSP-TS430RGC64C
              28.          B.28 MSP-TS430RGC64USB
              29.          B.29 MSP-TS430PN80
              30.          B.30 MSP-TS430PN80A
              31.          B.31 MSP-TS430PN80B
              32.          B.32 MSP-TS430PN80C
              33.          B.33 MSP-TS430PN80USB
              34.          B.34 MSP-TS430PZ100
              35.          B.35 MSP-TS430PZ100A
              36.          B.36 MSP-TS430PZ100B
              37.          B.37 MSP-TS430PZ100C
              38.          B.38 MSP-TS430PZ100D
              39.          B.39 MSP-TS430PZ100E
              40.          B.40 MSP-TS430PZ5x100
              41.          B.41 MSP-TS430PZ100USB
              42.          B.42 MSP-TS430PZ100AUSB
              43.          B.43 MSP-TS430PEU128
              44.          B.44 EM430F5137RF900
              45.          B.45 EM430F6137RF900
              46.          B.46 EM430F6147RF900
                1.           C Hardware Installation Guide
                  1.            D Revision History

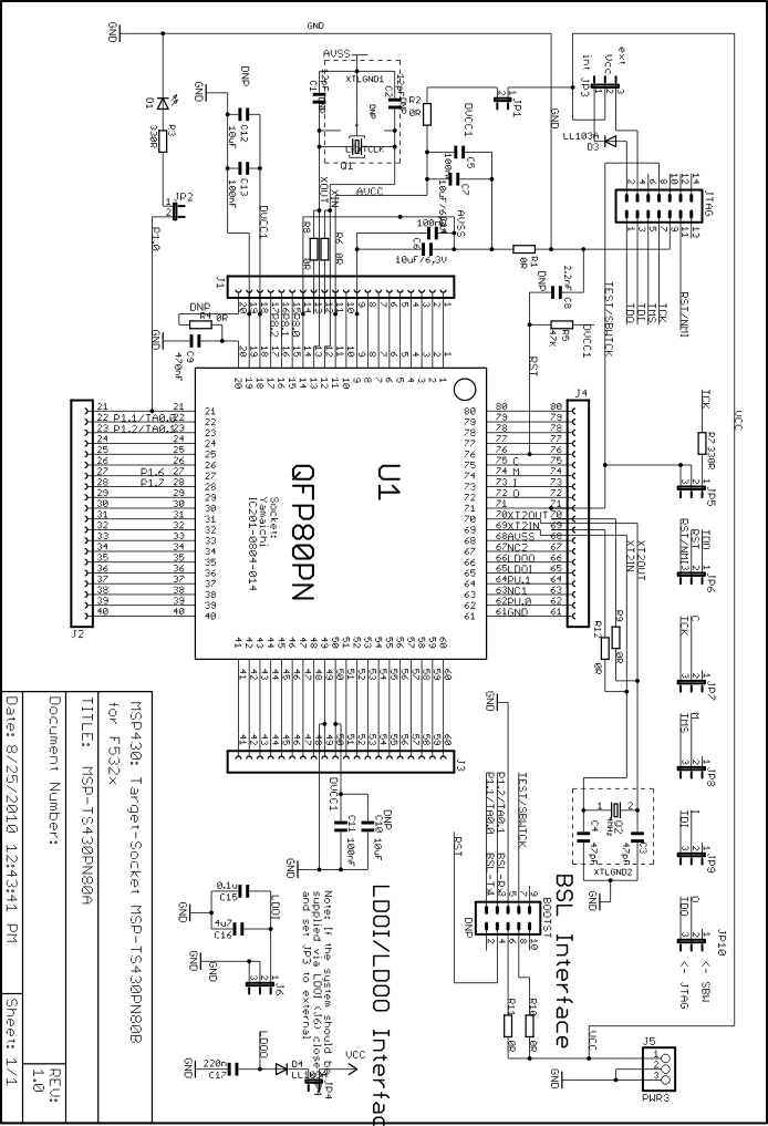
MSP-TS430PN80A

GUID-84EB54BF-C263-4A56-BC57-F9C75F9DB89C-low.gif Figure 4-60 MSP-TS430PN80A Target Socket Module, Schematic
GUID-04052617-2316-4A9B-9EC5-3D932F72B575-low.gif Figure 4-61 MSP-TS430PN80A Target Socket Module, PCB
Note:

For bootloader use, the BSL connector and only one of the resistors R10 or R11 must be populated. If the board is supplied internally, R11 (0 Ω) must be assembled. If the board is supplied externally, R10 (0 Ω) must be assembled, and R11 must be removed.

Table 4-31 MSP-TS430PN80A Bill of Materials
PositionRef DesNo. per BoardDescriptionDigi-Key Part No.Comment
1C1, C2012pF, SMD0805DNP
2C3, C4047pF, SMD0805DNP
3C6, C7, C10, C12310uF, 6.3V, SMD0805DNP C10
4C5, C11, C13, C14, C155100nF, SMD0805311-1245-2-ND
5C812.2nF, SMD0805
6C91470nF, SMD0805478-1403-2-ND
7C1614.7uF, SMD0805
8C171220nF, SMD0805
9D11green LED, SMD0805P516TR-ND
10J1, J2, J3, J4020-pin header, THSAM1029-20-ND (Header) SAM1213-20-ND (Receptacle)DNP: Headers and receptacles enclosed with kit. Keep vias free of solder:
11J5 , J623-pin header, male, TH
12JP3, JP5, JP6, JP7, JP8, JP9, JP1073-pin header, male, THSAM1035-03-NDplace jumpers on pins 2-3 on JP5, JP6, JP7, JP8, JP9, JP10 place jumpers on pins 1-2 on JP3,
13JP1, JP2, JP432-pin header, male, THSAM1035-02-NDPlace jumper on header
1410Jumper15-38-1024-NDSee Pos. 12 and Pos. 13
15JTAG114-pin connector, male, THHRP14H-ND
16BOOTST010-pin connector, male, TH"DNP Keep vias free of solder"
17Q10CrystalMicro Crystal MS3V-T1R 32.768kHz, C(Load) = 12.5pFDNP: Q1 Keep vias free of solder
18Q20CrystalQ2: 4MHz Buerklin: 78D134DNP: Q2 Keep vias free of solder
19Insulating disk to Q20Insulating disk to Q2http://www.ettinger.de/Art_Detail.cfm?ART_ARTNUM=70.08.121
20D3,D42LL103ABuerklin: 24S3406
21R3, R72330 Ω, SMD0805541-330ATR-ND
22R1, R2, R4, R6, R8, R9,R10, R11, R1230 Ohm, SMD0805541-000ATR-NDDNP: R6, R8, R9, R10, R11,R12
23R5147k Ω, SMD0805541-47000ATR-ND
24U11Socket:IC201-0804-014Manuf.: Yamaichi
25PCB177 x 91 mm2 layers
26Adhesive plastic feet4Approximately 6mm width, 2mm heightfor example, 3M Bumpons Part No. SJ-5302Apply to corners at bottom side
27MSP4302MSP430F5329IPNDNP: enclosed with kit, supplied by TI