SLAU880C December   2022  – May 2024 ULC1001

 

  1.   1
  2.   Abstract
  3.   Trademarks
  4. 1General Texas Instruments High Voltage Evaluation (TI HV EVM) User Safety Guidelines
  5. 2Introduction
  6. 3Getting Started
    1. 3.1 Evaluation Kit Contents
    2. 3.2 Connection Procedure
    3. 3.3 GUI Setup
  7. 4System Overview
    1. 4.1 System ISR Period
    2. 4.2 System Drive Voltage
    3. 4.3 System Calibration
      1. 4.3.1 DC Bias Calibration
      2. 4.3.2 Temperature Calibration
      3. 4.3.3 Auto Sense Calibration
      4. 4.3.4 Cleaning and Power Calibration
    4. 4.4 System Cleaning
    5. 4.5 System Diagnostics
  8. 5GUI Overview
    1. 5.1 GUI Top Level Layout
      1. 5.1.1 North Pane
      2. 5.1.2 South Pane
      3. 5.1.3 Center Pane
    2. 5.2 High Level Page
      1. 5.2.1 Burst Parameters
      2. 5.2.2 Calibration Settings
        1. 5.2.2.1 Voltage and Current Sense Circuitry
      3. 5.2.3 Cleaning Mode Settings
        1. 5.2.3.1 Auto-Cleaning
        2. 5.2.3.2 Water Cleaning
        3. 5.2.3.3 Deice Cleaning
        4. 5.2.3.4 Mud Cleaning Mode
      4. 5.2.4 Power and Diagnostic Settings
    3. 5.3 Register Map Page
    4. 5.4 I2C Configuration Page
    5. 5.5 GUI Functions
      1. 5.5.1 Monitor Communication Status
      2. 5.5.2 Load and Save Configuration Files
        1. 5.5.2.1 MSP430 Firmware Programming
      3. 5.5.3 Re-initialize System
      4. 5.5.4 Fault and Flag Monitoring and Clearing
      5. 5.5.5 Run Calibration
      6. 5.5.6 Run Cleaning Modes
      7. 5.5.7 Run Diagnostic Mode
      8. 5.5.8 Run Abort
      9. 5.5.9 Script Recording
  9. 6Hardware Design Files
    1. 6.1 Schematics
    2. 6.2 PCB Layouts
    3. 6.3 Bill of Materials (BOM)
  10. 7Revision History

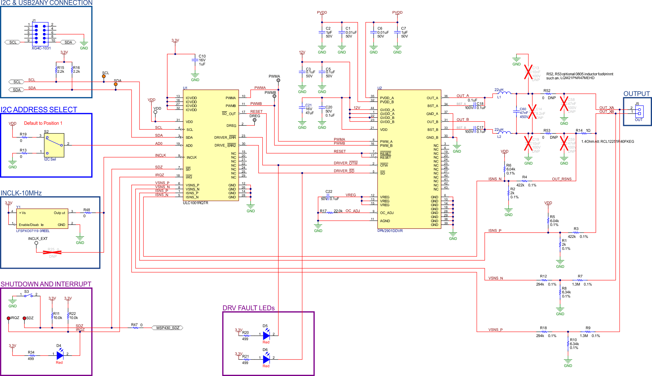
Schematics

The ULC1001-DRV290x EVM Schematics are shown in Figure 6-1, Figure 6-2, and Figure 6-3.

ULC1001 DRV2901 ULC1001-DRV-FL-EVM ULC1001-DRV290XEVM ULC1001-DRV290x EVM SchematicFigure 6-1 ULC1001-DRV290x EVM Schematic
ULC1001 DRV2901 ULC1001-DRV-FL-EVM ULC1001-DRV290XEVM ULC1001-DRV290x EVM MSP430 SchematicFigure 6-2 ULC1001-DRV290x EVM MSP430 Schematic
ULC1001 DRV2901 ULC1001-DRV-FL-EVM ULC1001-DRV290XEVM ULC1001-DRV290x EVM Power SuppliesFigure 6-3 ULC1001-DRV290x EVM Power Supplies