SLUUBN2A March   2017  – August 2021 TPS549B22

 

  1.   Trademarks
  2. Introduction
    1. 1.1 Before You Begin
  3. Description
    1. 2.1 Typical End-User Applications
    2. 2.2 EVM Features
  4. EVM Electrical Performance Specifications
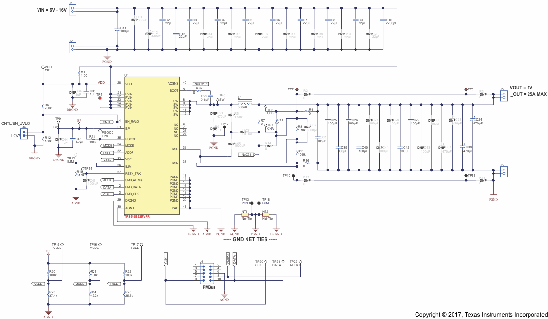
  5. Schematic
  6. Test Setup
    1. 5.1 Test and Configuration Software
      1. 5.1.1 Description
      2. 5.1.2 Features
  7. Test Equipment
  8. PWR-847EVM
  9. List of Test Points, Jumpers, and Switch
  10. EVM Configuration Using the Fusion GUI
  11. 10Test Procedure
    1. 10.1 Line and Load Regulation Measurement Procedure
    2. 10.2 Efficiency
    3. 10.3 Equipment Shutdown
  12. 11Performance Data and Typical Characteristic Curves
    1. 11.1 Efficiency
    2. 11.2 Load Regulation
    3. 11.3 Line Regulation
    4. 11.4 Transient Response
    5. 11.5 Output Ripple
    6. 11.6 Control On
    7. 11.7 Control Off
    8. 11.8 Thermal Image
  13. 12Fusion GUI
  14. 13EVM Assembly Drawing and PCB Layout
  15. 14List of Materials
  16. 15Revision History

Schematic

Figure 4-1 illustrates the PWR-847EVM schematic.

GUID-5C0EA1FD-EEFA-4A40-AEFC-AC10F81D10DD-low.gifFigure 4-1 PWR-847EVM Schematic