SLVSDM4D November   2018  – December 2019 TPS1HA08-Q1

PRODUCTION DATA.  

  1. Features
  2. Applications
  3. Description
    1.     Simplified Schematic
  4. Revision History
  5. Device Comparison Table
  6. Pin Configuration and Functions
    1.     Pin Functions
    2. 6.1 Recommended Connections for Unused Pins
  7. Specifications
    1. 7.1 Absolute Maximum Ratings
    2. 7.2 ESD Ratings
    3. 7.3 Recommended Operating Conditions
    4. 7.4 Thermal Information
    5. 7.5 Electrical Characteristics
    6. 7.6 Switching Characteristics
    7. 7.7 SNS Timing Characteristics
    8. 7.8 Typical Characteristics
  8. Parameter Measurement Information
  9. Detailed Description
    1. 9.1 Overview
      1. 9.1.1 Device Nomenclature
    2. 9.2 Functional Block Diagram
    3. 9.3 Feature Description
      1. 9.3.1 Protection Mechanisms
        1. 9.3.1.1 Thermal Shutdown
        2. 9.3.1.2 Current Limit
          1. 9.3.1.2.1 Current Limit Foldback
          2. 9.3.1.2.2 Selectable Current Limit Threshold
          3. 9.3.1.2.3 Undervoltage Lockout (UVLO)
          4. 9.3.1.2.4 VBB during Short-to-Ground
        3. 9.3.1.3 Energy Limit
        4. 9.3.1.4 Voltage Transients
          1. 9.3.1.4.1 Load Dump
          2. 9.3.1.4.2 Driving Inductive and Capacitive Loads
        5. 9.3.1.5 Reverse Battery
        6. 9.3.1.6 Fault Event – Timing Diagrams
      2. 9.3.2 Diagnostic Mechanisms
        1. 9.3.2.1 VOUT Short-to-Battery and Open-Load
          1. 9.3.2.1.1 Detection With Switch Enabled
          2. 9.3.2.1.2 Detection With Switch Disabled
        2. 9.3.2.2 SNS Output
          1. 9.3.2.2.1 RSNS Value
            1. 9.3.2.2.1.1 High Accuracy Load Current Sense
            2. 9.3.2.2.1.2 SNS Output Filter
        3. 9.3.2.3 ST Pin
        4. 9.3.2.4 Fault Indication and SNS Mux
        5. 9.3.2.5 Resistor Sharing
        6. 9.3.2.6 High-Frequency, Low Duty-Cycle Current Sensing
      3. 9.3.3 Enable Watchdog
    4. 9.4 Device Functional Modes
      1. 9.4.1 Off
      2. 9.4.2 Standby
      3. 9.4.3 Diagnostic
      4. 9.4.4 Standby Delay
      5. 9.4.5 Active
      6. 9.4.6 Fault
  10. 10Application and Implementation
    1. 10.1 Application Information
      1. 10.1.1 Ground Protection Network
      2. 10.1.2 Interface With Microcontroller
      3. 10.1.3 I/O Protection
      4. 10.1.4 Inverse Current
      5. 10.1.5 Loss of GND
      6. 10.1.6 Automotive Standards
        1. 10.1.6.1 ISO7637-2
        2. 10.1.6.2 AEC – Q100-012 Short Circuit Reliability
      7. 10.1.7 Thermal Information
    2. 10.2 Typical Application
      1. 10.2.1 Design Requirements
      2. 10.2.2 Detailed Design Procedure
        1. 10.2.2.1 Thermal Considerations
        2. 10.2.2.2 Diagnostics
          1. 10.2.2.2.1 Selecting the RISNS Value
      3. 10.2.3 Application Curves
  11. 11Power Supply Recommendations
  12. 12Layout
    1. 12.1 Layout Guidelines
    2. 12.2 Layout Example
  13. 13Device and Documentation Support
    1. 13.1 Device Support
      1. 13.1.1 Related Documentation
    2. 13.2 Trademarks
    3. 13.3 Electrostatic Discharge Caution
    4. 13.4 Glossary
  14. 14Mechanical, Packaging, and Orderable Information

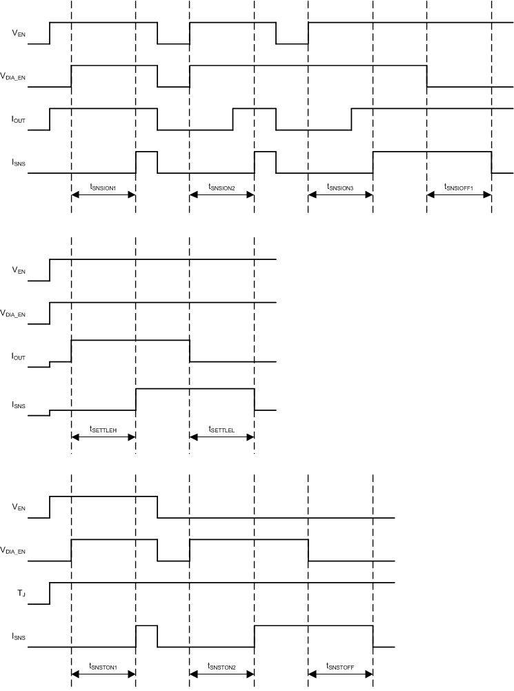
SNS Timing Characteristics

VBB = 8 to 18 V, TJ = –40°C to 150°C (unless otherwise noted)
PARAMETER TEST CONDITIONS MIN TYP MAX UNIT
SNS TIMING - CURRENT SENSE
tSNSION1 Settling time from rising edge of DIA_EN VEN = 5 V, VDIA_EN = 0 V to 5 V
RSNS = 1 kΩ, RL = 2.6 Ω
40 µs
tSNSION2 Settling time from rising edge of EN VEN = VDIA_EN = 0 V to 5 V
RSNS = 1 kΩ, RL = 2.6 Ω
180 µs
tSNSION3 Settling time from rising edge of EN VEN = 0 V to 5 V, VDIA_EN = 5 V
RSNS = 1 kΩ, RL = 2.6 Ω
180 µs
tSNSIOFF1 Settling time from falling edge of DIA_EN VEN = 5 V, VDIA_EN = 5 V to 0 V
RSNS = 1 kΩ, RL = 2.6 Ω
20 µs
tSETTLEH Settling time from rising edge of load step VEN = 5 V, VDIA_EN = 5 V
RSNS = 1 kΩ, IOUT = 1 A to 5 A
20 µs
tSETTLEL Settling time from falling edge of load step VEN = 5 V, VDIA_EN = 5 V
RSNS = 1 kΩ, IOUT = 5 A to 1 A
20 µs
SNS TIMING - TEMPERATURE SENSE
tSNSTON1 Settling time from rising edge of DIA_EN VEN = 5 V, VDIA_EN = 0 V to 5 V
RSNS = 1 kΩ
40 µs
tSNSTON2 Settling time from rising edge of DIA_EN VEN = 0 V, VDIA_EN = 0 V to 5 V
RSNS = 1 kΩ
70 µs
tSNSTOFF Settling time from falling edge of DIA_EN VEN = X, VDIA_EN = 5 V to 0 V
RSNS = 1 kΩ
20 µs
SNS TIMING - VOLTAGE SENSE
tSNSVON1 Settling time from rising edge of DIA_EN VEN = 5 V, VDIA_EN = 0 V to 5 V
RSNS = 1 kΩ
40 µs
tSNSVON2 Settling time from rising edge of DIA_EN VEN = 0 V, VDIA_EN = 0 V to 5 V
RSNS = 1 kΩ
70 µs
tSNSVOFF Settling time from falling edge of DIA_EN VEN = X, VDIA_EN = 5 V to 0 V
RSNS = 1 kΩ
20 µs
SNS TIMING - MULTIPLEXER
tMUX Settling time from temperature sense to current sense VEN= X, VDIA_EN = 5 V
VSEL1 = 5 V to 0 V, VSEL2 = 0 V
RSNS = 1 kΩ, RL = 2.6 Ω
60 µs
Settling time from temperature sense to voltage sense VEN = X, VDIA_EN = 5 V
VSEL1 = 5 V, VSEL2 = 0 V to 5 V
RSNS = 1 kΩ
60 µs
Settling time from voltage sense to temperature sense VEN = X, VDIA_EN = 5 V
VSEL1 = 5 V, VSEL2 = 5 V to 0 V
RSNS = 1 kΩ
60 µs
Settling time from voltage sense to current sense VEN = X, VDIA_EN = 5 V
VSEL1 = VSEL2 = 5 V to 0 V,
RSNS = 1 kΩ, RL = 2.6 Ω
60 µs
Settling time from current sense to temperature sense VEN = X, VDIA_EN = 5 V
VSEL1 = 0 V to 5 V, VSEL2 = 0 V
RSNS = 1 kΩ, RL = 2.6 Ω
60 µs
Settling time from current sense to voltage sense VEN = X, VDIA_EN = 5 V
VSEL1 = VSEL2 = 0 V to 5 V
RSNS = 1 kΩ, RL = 2.6 Ω
60 µs
TPS1HA08-Q1 SNS_Timing_Ch_TPS1HA04.gif

NOTES:

Rise and fall times of control signals are 100 ns. Control signals include: EN, DIA_EN, SEL1, SEL2.
SEL1 and SEL2 must be set to the appropriate values.
The temperature sense timing diagram can also be used to depict the voltage sense timings.
Figure 1. SNS Timing Characteristics Definitions
TPS1HA08-Q1 Switching_ch_definitions_TPS1HA04.gif
Rise and fall time of VEN is 100 ns.
Figure 2. Switching Characteristics Definitions